Республика Беларусь,
г. Минск, ул. Селицкого 21к - центральный склад
Пн-пт с 8:00 до 17:00
Меню
5410-2703020 Палец
Наименование: Палец 5410-2703020
Каталожный номер: 5410-2703020
Производитель: RSTA
Код товара: 00-ГР032126
Доставка: по всей Беларуси
Остаток: под заказ

Нашли не точность в описании товара? сообщить администратору.

+375 (44) 770-80-78 +375 (29) 747-80-78
* Выставить счет, получить техническую информацию и стоимость
Заказать деталь Онлайн
Описание
Наличие на филиалах
Применяемость
Заменить на СТО

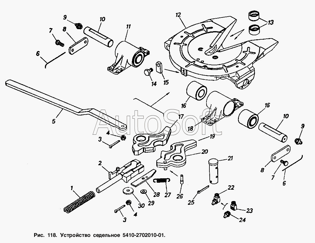
Палец 5410-2703020 производства RSTA (РФ), Код для заказа: 00-ГР032126

Марка Модель Кат.номер Наим. по каталогу Чертеж
Камский автозавод 5320 5410-2703020 Палец губки Устройство седельное 5410-2702010-01 Чертеж Устройство седельное 5410-2702010-01
Камский автозавод 53212 5410-2703020 Палец губки Устройство седельное 5410-2702010-01 Чертеж Устройство седельное 5410-2702010-01
Камский автозавод 5410 5410-2703020 Палец губки Устройство седельное 5410-2702010-01 Чертеж Устройство седельное 5410-2702010-01
Камский автозавод 5410 54112-2703020 Ось захвата Устройство седельное 54112-2702010 Чертеж Устройство седельное 54112-2702010
Камский автозавод 54112 5410-2703020 Палец губки Устройство седельное 5410-2702010-01 Чертеж Устройство седельное 5410-2702010-01
Камский автозавод 5511 (2003) 5410-2703020 Палец губки Устройство седельное 5410-2702010-01 Чертеж Устройство седельное 5410-2702010-01
Камский автозавод 55102 5410-2703020 Палец губки Устройство седельное 5410-2702010-01 Чертеж Устройство седельное 5410-2702010-01
Камский автозавод Общий (5320, 53212, 5410, 54112, 5511, 55102) 5410-2703020 Палец губки Устройство седельное 5410-2702010-01 Чертеж Устройство седельное 5410-2702010-01
Камский автозавод Общий (5320, 53212, 5410, 54112, 5511, 55102) 54112-2703020 Ось захвата Устройство седельное 54112-2702010 Чертеж Устройство седельное 54112-2702010
Камский автозавод 65115 (2001) 5410-2703020 Палец губки Устройство седельно-сцепное
Камский автозавод 65116 (2006) 5410-2703020 Палец губки Седельное устройство
Камский автозавод 43501 (4х4) (2007) 5410-2703020 Палец губки 5410-2702010-01 Устройство седельное
Камский автозавод 65115, 65116 (Евро-4) (2010) 5410-2703020 Палец губки 5410-2702010-01 Седельное устройство