Республика Беларусь,
г. Минск, ул. Селицкого 21к - центральный склад
Пн-пт с 8:00 до 17:00
Меню
350.14.00.001 Палец
Наименование: Палец 350.14.00.001
Каталожный номер: 350.14.00.001
Производитель: Амкодор
Код товара: 00-ГР035567
Доставка: по всей Беларуси
Остаток: под заказ

Нашли не точность в описании товара? сообщить администратору.

+375 (44) 770-80-78 +375 (29) 747-80-78
* Выставить счет, получить техническую информацию и стоимость
Заказать деталь Онлайн
Описание
Наличие на филиалах
Применяемость
Заменить на СТО

Палец 350.14.00.001 производства Амкодор (Амкодор), Код для заказа: 00-ГР035567

Марка Модель Кат.номер Наим. по каталогу Чертеж
СМД 21...-24 (1998 г. Москва) (1998) 350.01.001.01 Маховик Кривошипно-шатунный механизм СМД-21, -22, 22А, 23, 23.01, 23.02, 24, 24.01, 24.02 Чертеж Кривошипно-шатунный механизм СМД-21, -22, 22А, 23, 23.01, 23.02, 24, 24.01, 24.02
СМД 21...-24 (1998 г. Москва) (1998) 350.03.001.21 Вал Механизм пусковой СМД-21, -22, 22А, 23, 23.01, 23.02, 24, 24.01, 24.02 Чертеж Механизм пусковой СМД-21, -22, 22А, 23, 23.01, 23.02, 24, 24.01, 24.02
СМД 60...-73 (1998 г. Москва) (1998) 350.01.001.01 Маховик Кривошипно-шатунный механизм СМД-60, -62, -64, -66, -72
СМД 60...-73 (1998 г. Москва) (1998) 350.03.001.21 Вал Пусковой механизм СМД-60, -62, -64, -66, -72
СМД 60...-73 (1998 г. Москва) (1998) 350.12.001.12 Корпус Редуктор пускового двигателя СМД-60, -62, -64, -66, -72
ГАЗ ГАЗ-3308 (2000) 4598410-350 Штифт 3х36 ОСТ 37.001.118-2000 Детали продольной рулевой тяги и клапана управления ГУР, сошка руля Чертеж Детали продольной рулевой тяги и клапана управления ГУР, сошка руля
МАЗ МАЗ-5336 (2005) 54321-1101010-001 Бак Крепление топливного бака (350 литров)
Амкодор Амкодор-352 (2006) ТО-18Б.83.15.001-01 Ось Облицовка 350.13.00.000 Чертеж Облицовка 350.13.00.000
Амкодор Амкодор-352 (2006) 350.13.00.001 Втулка Облицовка 350.13.00.000 Чертеж Облицовка 350.13.00.000
Амкодор Амкодор-352 (2006) ТО-18.10.03.001 Втулка Установка силовая 350.02.00.000
Амкодор Амкодор-352 (2006) ТО-350.02.00.001 Кронштейн Установка силовая 350.02.00.000
Амкодор Амкодор-352 (2006) ТО-28А.02.07.001 Болт Установка силовая 350.02.00.000
Амкодор Амкодор-352 (2006) ТМ-3.10.05.001 Планка Установка силовая 350.02.00.000
Амкодор Амкодор-352 (2006) ТО-18Б.72.00.001 Штифт Установка силовая 350.02.00.000
Амкодор Амкодор-352 (2006) ТО-18Б.74.00.001 Планка Установка ГМП 350.03.00.000 Чертеж Установка ГМП 350.03.00.000
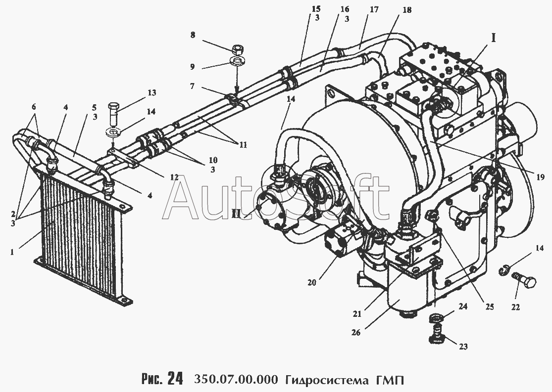
Амкодор Амкодор-352 (2006) 350.07.00.001 Труба Гидросистема ГМП 350.07.00.000 Чертеж Гидросистема ГМП 350.07.00.000
Амкодор Амкодор-352 (2006) ТО-28.74.00.001 Болт Установка карданных валов 350.04.00.000 Чертеж Установка карданных валов 350.04.00.000
Амкодор Амкодор-352 (2006) ТО-18.05.00.001-01 Болт Установка мостов и колес 350.05.00.000 Чертеж Установка мостов и колес 350.05.00.000
Амкодор Амкодор-352 (2006) ТО-28А.05.00.001 Палец Установка мостов и колес 350.05.00.000 Чертеж Установка мостов и колес 350.05.00.000
Амкодор Амкодор-352 (2006) ТО-28А.05.01.001 Втулка Установка мостов и колес 350.05.00.000 Чертеж Установка мостов и колес 350.05.00.000
Товары из этой категории
Панель задняя 2705-2804012-30
Панель задняя
Каталожный номер 2705-2804012-30
Производитель RSTA RSTA
Код 17874
Доставка по всей Беларуси
Доступность остатки на филиалах Остатки на филиалах
Остаток Под заказ
Вилка буксирная 3307-2806062
Вилка буксирная
Каталожный номер 3307-2806062
Производитель ГАЗ ГАЗ
Код 23980
Доставка по всей Беларуси
Доступность остатки на филиалах Остатки на филиалах
Остаток: г.Минск, ул.Селицкого 21к В наличии
Склад Адрес Контакт Остатки
г. Минск ул. Селицкого, 21к +375 (44) 770-80-78 ( Средне )
Схема проезда