Республика Беларусь,
г. Минск, ул. Селицкого 21к - центральный склад
Пн-пт с 8:00 до 17:00
Меню
260066-П29 Палец d=10х50
Наименование: Палец 260066-П29 d=10х50
Каталожный номер: 260066-П29
Производитель: РФ
Код товара: 00-ГР021577
Доставка: по всей Беларуси
Остаток: под заказ

Нашли не точность в описании товара? сообщить администратору.

+375 (44) 770-80-78 +375 (29) 747-80-78
* Выставить счет, получить техническую информацию и стоимость
Заказать деталь Онлайн
Описание
Наличие на филиалах
Применяемость
Заменить на СТО

Палец 260066-П29 d=10х50 производства РФ (РФ), Код для заказа: 00-ГР021577

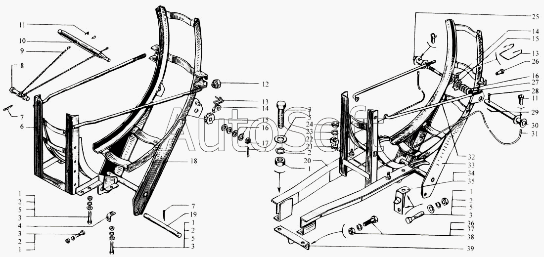
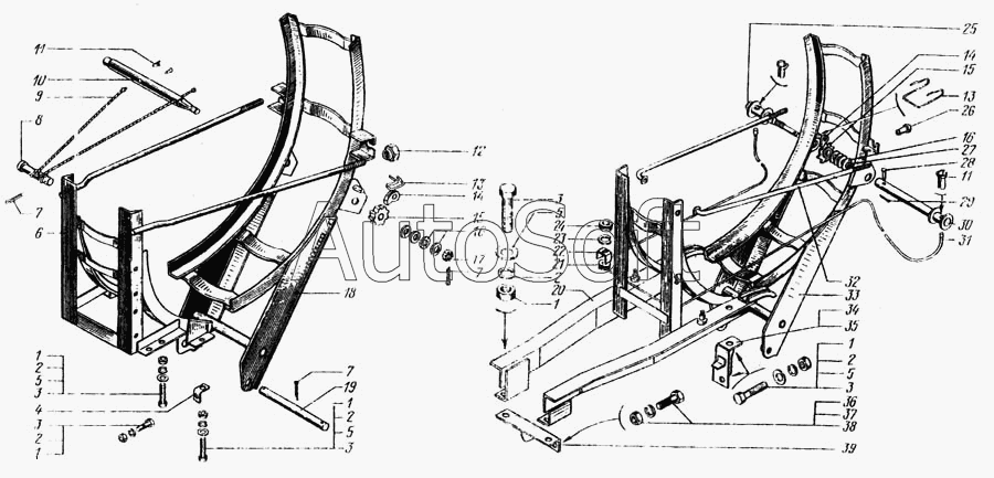
Марка Модель Кат.номер Наим. по каталогу Чертеж
ГАЗ ГАЗ-71 260066-П29 Палец рычага тормозной ленты Тормоза Чертеж Тормоза
ГАЗ ГАЗ-71 260066-П29 Палец рычага тормозной ленты Тормоза Чертеж Тормоза
КрАЗ КрАЗ-255 260066-П29 Палец Платформа Чертеж Платформа
КрАЗ КрАЗ-255 260066-П29 Палец 10х50 Платформа Чертеж Платформа
КрАЗ КрАЗ-260 260066-П29 Палец Платформа Чертеж Платформа
КрАЗ КрАЗ-260 260066-П29 Палец 10х50 Платформа Чертеж Платформа
КрАЗ КрАЗ-260 260066-П29 Палец Держатель запасного колеса
КрАЗ КрАЗ-260 260066-П29 Палец 10х50 Держатель запасного колеса
КрАЗ КрАЗ-6443 260066-П29 Палец 10х50 Держатель запасного колеса Чертеж Держатель запасного колеса
КрАЗ КрАЗ-6510 (1993) 260066-П29 Палец 10х50 Держатель запасного колеса КрАЗ-6444, КрАЗ-65101
КрАЗ КрАЗ-6443 (каталог 2004 г) 260066-П29 Палец 10х50 Держатель запасного колеса Чертеж Держатель запасного колеса
КрАЗ КрАЗ-65055 260066-П29 Палец 10х50 Держатель запасного колеса
ПАЗ ПАЗ-3205-110 (2005) 260066-П29 Палец 10х50 Дистанционный привод управления коробкой передач Чертеж Дистанционный привод управления коробкой передач
ПАЗ ПАЗ-3205-110 (2005) 260066-П29 Палец 10х50 Запасное колесо и его установка Чертеж Запасное колесо и его установка
ПАЗ ПАЗ-4234 (2005) 260066-П29 Палец 10х50 Дистанционное управление коробки передач
ПАЗ ПАЗ-32053 (2004) 260066-П29 Палец 10х50 Дистанционное управление коробкой передач
Товары из этой категории
Электролит 5л Эл-лит 5л
Электролит 5л
Каталожный номер Эл-лит 5л
Производитель
Код 2476
Доставка по всей Беларуси
Доступность остатки на филиалах Остатки на филиалах
Остаток Под заказ
Жидкий ключ Ln1491 Lavr 400 мл
Жидкий ключ Ln1491 Lavr 400 мл
Каталожный номер
Производитель RSTA RSTA
Код 00-ГР019437
Доставка по всей Беларуси
Доступность остатки на филиалах Остатки на филиалах
Остаток В наличии
Склад Адрес Контакт Остатки
г. Слоним ул. Советская, 93а +375 (29) 394-82-01 ( Средне )
Схема проезда
Силикон специальный 250 черный 200мл
Силикон специальный 250 черный 200мл
Каталожный номер
Производитель
Код 38829
Доставка по всей Беларуси
Доступность остатки на филиалах Остатки на филиалах
Остаток В наличии
Склад Адрес Контакт Остатки
г. Гродно ул. Карского, 35 +375 (44) 770-70-21 ( Мало )
Схема проезда
Очиститель интенсивный R525
Очиститель интенсивный R525
Каталожный номер
Производитель
Код 20410200142
Доставка по всей Беларуси
Доступность остатки на филиалах Остатки на филиалах
Остаток Под заказ
Клей двухкомпонентный для пластмасс MANNOL EPOXI PLASTIC 30г 9904
Клей двухкомпонентный для пластмасс MANNOL EPOXI PLASTIC 30г
Каталожный номер 9904
Производитель MANNOL MANNOL
Код 00-ГР024435
Доставка по всей Беларуси
Доступность остатки на филиалах Остатки на филиалах
Остаток: г.Минск, ул.Селицкого 21к В наличии
Склад Адрес Контакт Остатки
г. Минск ул. Бабушкина, 37 +375 (29) 632-00-82 ( Средне )
Схема проезда
г. Минск ул. Селицкого, 21к +375 (44) 770-80-78 ( Много )
Схема проезда
г. Барановичи ул. Пролетарская, 40 +375 (29) 795-96-37 ( Мало )
Схема проезда
г. Барановичи ул. Бадака, 27Б +375 (29) 350-33-47 ( Средне )
Схема проезда
г. Бобруйск ул. Гоголя, 181/1-6 +375 (29) 630-05-01 ( Средне )
Схема проезда
г. Бобруйск ул. Орловского, 22к3 +375 (29) 345-37-07 ( Средне )
Схема проезда
г. Борисов ул. Демина, 2а +375 (44) 560-99-75 ( Мало )
Схема проезда
г. Витебск ул. Правды, 33 +375 (44) 770-80-87 ( Средне )
Схема проезда
г. Дрогичин ул. Юбилейная, 42 +375 (29) 682-17-13 ( Мало )
Схема проезда
г. Дятлово ул. Советская ,104 +375 (29) 187-87-37 ( Средне )
Схема проезда
г. Ивацевичи ул. Загородная, 6А +375 (29) 188-59-01 ( Средне )
Схема проезда
г. Кобрин ул. Пролетарская, 177А +375 (44) 588-10-80 ( Мало )
Схема проезда
г. Кричев ул. Комсомольская, 126 +375 (29) 628-88-42 ( Средне )
Схема проезда
г. Лепель ул. Лобанка, 43 +375 (44) 778-65-21 ( Средне )
Схема проезда
г. Могилев ул. Габровская 11Б +375 (29) 662-02-16 ( Средне )
Схема проезда
г. Молодечно ул. Галицкого, 14 +375 (44) 567-28-47 ( Средне )
Схема проезда
г. Новогрудок ул. Индустриальная, 3 +375 (44) 729-39-19 ( Средне )
Схема проезда
г. Осиповичи ул. Короткая, 11 +375 (29) 165-60-07 ( Средне )
Схема проезда
г. Ошмяны ул. Льнозоводская 3 +375 (44) 770-80-91 ( Много )
Схема проезда
г. Полоцк-2 ул. Шенягина, 52 +375 (29) 302-94-73 ( Мало )
Схема проезда
г. Полоцк-2 ул. Шенягина, 52 +375 (29) 302-94-73 ( Средне )
Схема проезда
г. Сморгонь ул. Железнодорожная, 32 +375 (29) 671-02-10 ( Средне )
Схема проезда
г. Солигорск Чижевичский сельсовет, 3Г +375 (29) 899-58-52 ( Средне )
Схема проезда
г. Столин ул. Быковского, 29 +375 (33) 304-54-36 ( Средне )
Схема проезда