Республика Беларусь,
г. Минск, ул. Селицкого 21к - центральный склад
Пн-пт с 8:00 до 17:00
Меню
240-1001015-А1 Опора передняя ЖМЗ
Наименование: Опора передняя 240-1001015-А1 ЖМЗ
Каталожный номер: 240-1001015-А1
Производитель: ЖМЗ
Код товара: 00-ГР013080
Доставка: по всей Беларуси
Остаток: под заказ

Нашли не точность в описании товара? сообщить администратору.

+375 (44) 770-80-78 +375 (29) 747-80-78
* Выставить счет, получить техническую информацию и стоимость
Заказать деталь Онлайн
Описание
Наличие на филиалах
Применяемость
Заменить на СТО

В разборе, без амортизатора

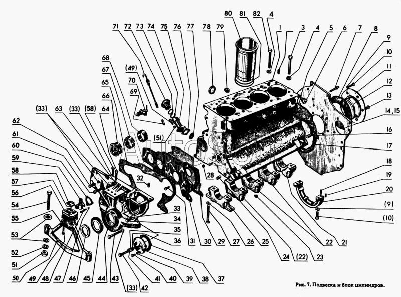
Опора передняя 240-1001015-А1 ЖМЗ. Код товара для заказа: 00-ГР013080

Марка Модель Кат.номер Наим. по каталогу Чертеж
ЗИЛ ЗИЛ-5301 (2000) 240-1001015-А1 Опора Блок цилиндров двигателя, крышки подшипников коленчатого вала Чертеж Блок цилиндров двигателя, крышки подшипников коленчатого вала
ЗИЛ ЗИЛ-3250 (2000) 240-1001015-А1 Опора Блок цилиндров двигателя, крышки подшипников и коленчатого вала Чертеж Блок цилиндров двигателя, крышки подшипников и коленчатого вала
ЗИЛ ЗИЛ-5301 (2006) (2006) 240-1001015-А1 Опора Блок цилиндров, крышка распределительных шестерен Чертеж Блок цилиндров, крышка распределительных шестерен
МТЗ МТЗ-80 (1998) 240-1001015-А1 Опора Подвеска и блок цилиндров дизеля Чертеж Подвеска и блок цилиндров дизеля
МТЗ МТЗ-100 240-1001015-А1 Опора Подвеска и блок цилиндров Чертеж Подвеска и блок цилиндров
МТЗ МТЗ-900 240-1001015-А1 Опора Подвеска и блок цилиндров дизеля. Чертеж Подвеска и блок цилиндров дизеля.
МТЗ МТЗ-822 (2008) 240-1001015-А1 Опора Механизмы двигателя
МТЗ МТЗ-922 (2008) 240-1001015-А1 Опора Механизмы двигателя Чертеж Механизмы двигателя
МТЗ МТЗ-923 (2008) 240-1001015-А1 Опора Механизмы двигателя Чертеж Механизмы двигателя
МТЗ МТЗ-1005 (2008) 240-1001015-А1 Опора Подвеска и блок цилиндров дизеля Чертеж Подвеска и блок цилиндров дизеля
МТЗ МТЗ-80 (2002) (2002) 240-1001015-А1 Опора 1001,1002 Подвеска и блок цилиндров
ММЗ Д-242 240-1001015-А1 Опора Подвеска и блок цилиндров Чертеж Подвеска и блок цилиндров
ММЗ Д-243 (2000) 240-1001015-А1 Опора Подвеска и блок цилиндров
ММЗ Д-245 240-1001015-А1 Опора Подвеска и блок цилиндров Чертеж Подвеска и блок цилиндров
ММЗ Д-245.9 240-1001015-А1-01 Опора передняя Подвеска и блок цилиндров Чертеж Подвеска и блок цилиндров
ММЗ Д-245.12 240-1001015-А1 Опора Подвеска и блок цилиндров
ММЗ Д-245.30Е2-469 (2006) 240-1001015-Б-01 Опора передняя Подвеска и блок цилиндров Чертеж Подвеска и блок цилиндров
ММЗ Д-245.7E2 (2006) 240-1001015-Б-01 Опора передняя Блок цилиндров Чертеж Блок цилиндров
ПАЗ ПАЗ-4234 (2005) 240-1001015-Б Опора передняя Блок цилиндров
ПАЗ ПАЗ-4230 (2005) 240-1001015-Б-01 Опора передняя Блок цилиндров
Товары из этой категории
Заглушка Д-260 260-1003016
Заглушка Д-260
Каталожный номер 260-1003016
Производитель RSTA RSTA
Код 47248
Доставка по всей Беларуси
Доступность остатки на филиалах Остатки на филиалах
Остаток: г.Минск, ул.Селицкого 21к В наличии
Склад Адрес Контакт Остатки
г. Минск ул. Селицкого, 21к +375 (44) 770-80-78 ( Много )
Схема проезда
г. Барановичи ул. Пролетарская, 40 +375 (29) 795-96-37 ( Средне )
Схема проезда
г. Березино ул. Комсомольская, д. 24 +375 (44) 770-80-17 ( Средне )
Схема проезда
г. Бобруйск ул. Орловского, 22к3 +375 (29) 345-37-07 ( Средне )
Схема проезда
г. Дрогичин ул. Юбилейная, 42 +375 (29) 682-17-13 ( Средне )
Схема проезда
г. Дятлово ул. Советская ,104 +375 (29) 187-87-37 ( Много )
Схема проезда
г. Ивацевичи ул. Загородная, 6А +375 (29) 188-59-01 ( Мало )
Схема проезда
г. Молодечно ул. Галицкого, 14 +375 (44) 567-28-47 ( Много )
Схема проезда
г. Новогрудок ул. Индустриальная, 3 +375 (44) 729-39-19 ( Средне )
Схема проезда
г. Осиповичи ул. Короткая, 11 +375 (29) 165-60-07 ( Средне )
Схема проезда
г. Ошмяны ул. Льнозоводская 3 +375 (44) 770-80-91 ( Средне )
Схема проезда
г. Петриков ул. Первомайская, 124 +375 (33) 660-06-75 ( Средне )
Схема проезда
Комплект прокладок РК-ТКР-6 (4-шт) GBC РК ТКР-6
Комплект прокладок РК-ТКР-6 (4-шт) GBC
Каталожный номер РК ТКР-6
Производитель ГБЦ ГБЦ
Код 00-ГР032393
Доставка по всей Беларуси
Доступность остатки на филиалах Остатки на филиалах
Остаток: г.Минск, ул.Селицкого 21к В наличии
Склад Адрес Контакт Остатки
г. Минск ул. Селицкого, 21к +375 (44) 770-80-78 ( Много )
Схема проезда
г. Барановичи ул. Пролетарская, 40 +375 (29) 795-96-37 ( Мало )
Схема проезда
г. Бобруйск ул. Орловского, 22к3 +375 (29) 345-37-07 ( Мало )
Схема проезда
г. Витебск ул. Петруся Бровки, 34 +375 (29) 636-25-08 ( Средне )
Схема проезда
г. Дрогичин ул. Юбилейная, 42 +375 (29) 682-17-13 ( Мало )
Схема проезда
г. Житковичи ул. Комсомольская, 49 +375 (29) 394-82-52 ( Мало )
Схема проезда
г. Лунинец ул.Красная, 175а +375 (44) 721-46-74 ( Средне )
Схема проезда
г. Мозырь промузел Козенки +375 (44) 731-94-60 ( Мало )
Схема проезда
г. Новогрудок ул. Индустриальная, 3 +375 (44) 729-39-19 ( Мало )
Схема проезда
г. Полоцк-2 ул. Шенягина, 52 +375 (29) 302-94-73 ( Мало )
Схема проезда
г. Полоцк-2 ул. Шенягина, 52 +375 (29) 302-94-73 ( Мало )
Схема проезда
г. Поставы ул. Советская, 69 +375 (44) 770-80-13 ( Средне )
Схема проезда
г. Столин ул. Быковского, 29 +375 (33) 304-54-36 ( Мало )
Схема проезда
Теплообменник жидкосно масляный(ТЖМ-6500) ИЖКС.065332.001
Теплообменник жидкосно масляный(ТЖМ-6500)
Каталожный номер ИЖКС.065332.001
Производитель Радиоволна Радиоволна
Код 33315
Доставка по всей Беларуси
Доступность остатки на филиалах Остатки на филиалах
Остаток Под заказ
Прокладка ГБЦ Д-240 с герметиком 50-1003020
Прокладка ГБЦ Д-240 с герметиком
Каталожный номер 50-1003020
Производитель RSTA RSTA
Код 21699
Доставка по всей Беларуси
Доступность остатки на филиалах Остатки на филиалах
Остаток: г.Минск, ул.Селицкого 21к В наличии
Склад Адрес Контакт Остатки
г. Минск ул. Селицкого, 21к +375 (44) 770-80-78 ( Много )
Схема проезда
г. Барановичи ул. Пролетарская, 40 +375 (29) 795-96-37 ( Мало )
Схема проезда
г. Березино ул. Комсомольская, д. 24 +375 (44) 770-80-17 ( Мало )
Схема проезда
г. Берёза ул. Красноармейская, 89/11 +375 (29) 676-70-71 ( Средне )
Схема проезда
г. Витебск ул. Правды, 33 +375 (44) 770-80-87 ( Средне )
Схема проезда
г. Глубокое ул. Энгельса, 22 +375 (44) 505-71-40 ( Мало )
Схема проезда
г. Горки ул.Мира, д.51а/1 +375 (44) 565-33-61 ( Средне )
Схема проезда
г. Дрогичин ул. Юбилейная, 42 +375 (29) 682-17-13 ( Средне )
Схема проезда
г. Дятлово ул. Советская ,104 +375 (29) 187-87-37 ( Средне )
Схема проезда
г. Житковичи ул. Комсомольская, 49 +375 (29) 394-82-52 ( Мало )
Схема проезда
г. Кричев ул. Комсомольская, 126 +375 (29) 628-88-42 ( Средне )
Схема проезда
г. Лепель ул. Лобанка, 43 +375 (44) 778-65-21 ( Средне )
Схема проезда
г. Лунинец ул.Красная, 175а +375 (44) 721-46-74 ( Мало )
Схема проезда
г. Могилев ул. Габровская 11Б +375 (29) 662-02-16 ( Мало )
Схема проезда
г. Молодечно ул. Галицкого, 14 +375 (44) 567-28-47 ( Мало )
Схема проезда
г. Петриков ул. Первомайская, 124 +375 (33) 660-06-75 ( Средне )
Схема проезда
г. Полоцк-2 ул. Шенягина, 52 +375 (29) 302-94-73 ( Средне )
Схема проезда
г. Поставы ул. Советская, 69 +375 (44) 770-80-13 ( Средне )
Схема проезда
г. Слоним ул. Советская, 93а +375 (29) 394-82-01 ( Средне )
Схема проезда
Вкладыш шатунный Д260 Н2 комплект Д260-1004140-ЕН2
Вкладыш шатунный Д260 Н2 комплект
Каталожный номер Д260-1004140-ЕН2
Производитель Дайдо Дайдо
Код 22240
Доставка по всей Беларуси
Доступность остатки на филиалах Остатки на филиалах
Остаток: г.Минск, ул.Селицкого 21к В наличии
Склад Адрес Контакт Остатки
г. Минск ул. Селицкого, 21к +375 (44) 770-80-78 ( Мало )
Схема проезда
г. Барановичи ул. Пролетарская, 40 +375 (29) 795-96-37 ( Мало )
Схема проезда
г. Бобруйск ул. Орловского, 22к3 +375 (29) 345-37-07 ( Мало )
Схема проезда
г. Ивацевичи ул. Загородная, 6А +375 (29) 188-59-01 ( Мало )
Схема проезда
г. Лельчицы ул. Советская, д.96/1 +375 (29) 346-98-96 ( Мало )
Схема проезда
г. Несвиж ул. Кутузова, 2 +375 (29) 394-82-48 ( Средне )
Схема проезда
г. Новогрудок ул. Индустриальная, 3 +375 (44) 729-39-19 ( Мало )
Схема проезда
г. Ошмяны ул. Льнозоводская 3 +375 (44) 770-80-91 ( Мало )
Схема проезда
г. Полоцк-2 ул. Шенягина, 52 +375 (29) 302-94-73 ( Мало )
Схема проезда