Республика Беларусь,
г. Минск, ул. Селицкого 21к - центральный склад
Пн-пт с 8:00 до 17:00
Меню
АС-05.09.200 Обод 21,3х4 ТО-18 наружный
Наименование: Обод 21,3х4 АС-05.09.200 ТО-18 наружный
Каталожный номер: АС-05.09.200
Производитель: РБ
Код товара: 00-ГР012555
Доставка: по всей Беларуси
Остаток: под заказ

Нашли не точность в описании товара? сообщить администратору.

+375 (44) 770-80-78 +375 (29) 747-80-78
* Выставить счет, получить техническую информацию и стоимость
Заказать деталь Онлайн
Описание
Наличие на филиалах
Применяемость
Заменить на СТО

Обод 21,3х4 АС-05.09.200 ТО-18 наружный производства РБ (РБ), Код для заказа: 00-ГР012555

Марка Модель Кат.номер Наим. по каталогу Чертеж
ГАЗ ГАЗ-24 КП101-200 Коробка Комбинация приборов
ГАЗ ГАЗ-3110 0 450 905 200 Фильтр топливный тонкой очистки Электробензонасос, фильтр тонкой очистки, трубопроводы топливные двигателя ЗМЗ-4062.10
ГАЗ ГАЗ-3110 31029-3414005-200 Рулевая трапеция Рулевая трапеция автомобиля с раздельным гидроусилителем, тяга сошки с клапаном управления, рулевые тяги, силовой цилиндр гидроусилителя Чертеж Рулевая трапеция автомобиля с раздельным гидроусилителем, тяга сошки с клапаном управления, рулевые тяги, силовой цилиндр гидроусилителя
ГАЗ ГАЗ-3110 31029-3414010-200 Тяга сошки с клапаном управления гидроусилителя Рулевая трапеция автомобиля с раздельным гидроусилителем, тяга сошки с клапаном управления, рулевые тяги, силовой цилиндр гидроусилителя Чертеж Рулевая трапеция автомобиля с раздельным гидроусилителем, тяга сошки с клапаном управления, рулевые тяги, силовой цилиндр гидроусилителя
ГАЗ ГАЗ-3110 31029-3414011-200 Тяга сошки с наконечником Клапан управления раздельного гидроусилителя, тяга сошки с наконечником Чертеж Клапан управления раздельного гидроусилителя, тяга сошки с наконечником
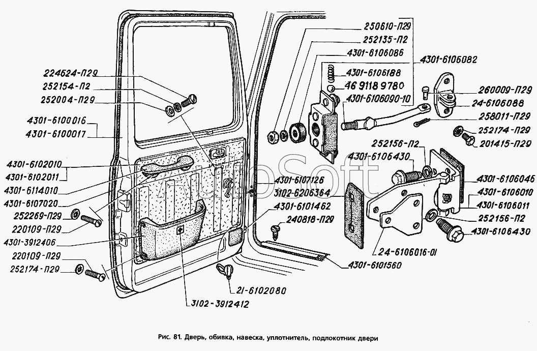
ГАЗ ГАЗ-3306 (1994) 46 9118 9780 Шарик Б9, 525-200 Дверь, обивка, навеска, уплотнитель, подлокотник двери Чертеж Дверь, обивка, навеска, уплотнитель, подлокотник двери
ГАЗ ГАЗ-3306 (1994) 4,763-200 Шарик ГОСТ 3722-81 Насос топливный пускового подогревателя Чертеж Насос топливный пускового подогревателя
ГАЗ ГАЗ-3307 (2000) Б9.525-200 Шарик ГОСТ3722-81 Дверь, обивка, навеска, уплотнители, подлокотник двери Чертеж Дверь, обивка, навеска, уплотнители, подлокотник двери
ГАЗ ГАЗ-3307 (2000) Б11.906-200 Шарик (353087-S) ГОСТ3722-81 (покупное изделие) Радиатор масляный и фильтр тонкой очистки масла Чертеж Радиатор масляный и фильтр тонкой очистки масла
ГАЗ ГАЗ-3307 (2000) Б11.906-200 Шарик 11,9 (353087-S) ГОСТ3722-81 (покупное изделие) Радиатор масляный и фильтр тонкой очистки масла Чертеж Радиатор масляный и фильтр тонкой очистки масла
ГАЗ ГАЗ-3307 (2000) Б11.906-200 Шарик (353087-S) ГОСТ3722-81 (покупное изделие) Тормоз стояночный Чертеж Тормоз стояночный
ГАЗ ГАЗ-3307 (2000) Б6.35-200+/-25 Шарик клапана поршня цилиндра гидровакуумного усилителя тормозов (покупное изделие) Усилитель гидровакуумный тормозов и клапан управления гидровакуумным усилителем тормозов
ГАЗ ГАЗ-3307 (2000) Б6.35-200+/-25 Шарик клапана поршня цилиндра гидровакуумного усилителя тормозов (покупное изделие) Усилитель гидровакуумный тормозов и клапан управления гидровакуумным усилителем тормозов
ГАЗ ГАЗ-4301 Б9-525-200 Шарик ГОСТ 3722-81 (покупная деталь) Дверь, обивка, навеска, уплотнитель, подлокотник двери Чертеж Дверь, обивка, навеска, уплотнитель, подлокотник двери
ГАЗ ГАЗ-4301 4,763-200 Шарик ГОСТ 3722-81 Насос топливный пускового подогревателя Чертеж Насос топливный пускового подогревателя
ГАЗ ГАЗ-4301 Б6,35-200±25 Шарик (покупная деталь) Картер и крышки коробки передач, ведомая и ведущая шестерни привода спидометра Чертеж Картер и крышки коробки передач, ведомая и ведущая шестерни привода спидометра
ГАЗ ГАЗ-4301 Б11,112-200 Шарик ГОСТ 3722-81 (покупная деталь) Механизм переключения передач коробки передач
ГАЗ ГАЗ-4301 Б6,35-200±25 Шарик (покупная деталь) Редуктор заднего моста Чертеж Редуктор заднего моста
ГАЗ ГАЗ-66 (Каталог 1996 г.) (1996) Б11,906-200 Шарик Радиатор масляный, фильтр тонкой очистки масла Чертеж Радиатор масляный, фильтр тонкой очистки масла
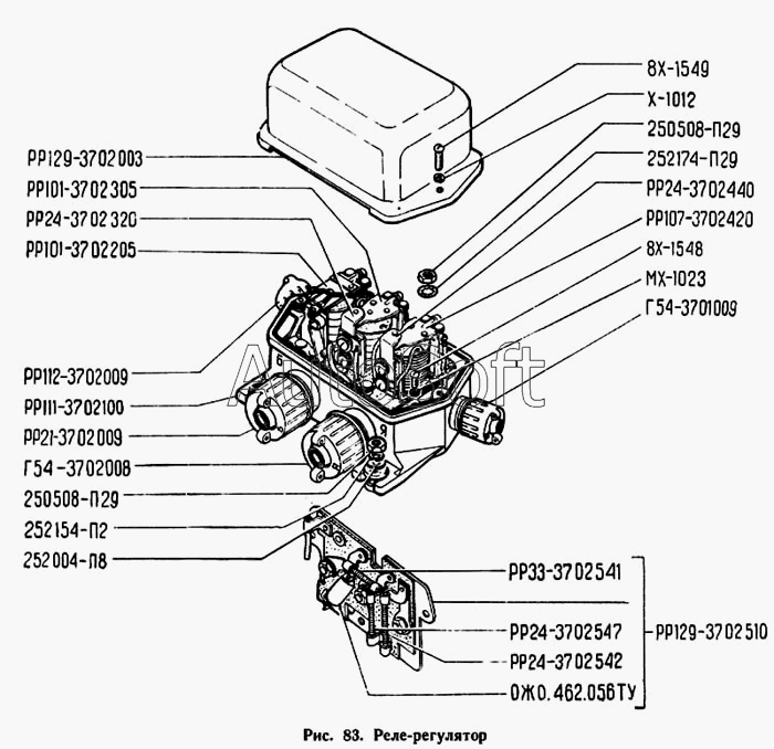
ГАЗ ГАЗ-71 ОЖО.462.056ТУ Конденсатор К40У-9-200-0,1+/-10% Реле-регулятор Чертеж Реле-регулятор
Товары из этой категории
Диск средний 85-1601085 БЗТДиА 85-1601085
Диск средний 85-1601085 БЗТДиА
Каталожный номер 85-1601085
Производитель БЗТДиА БЗТДиА
Код 00-ГР014250
Доставка по всей Беларуси
Доступность остатки на филиалах Остатки на филиалах
Остаток: г.Минск, ул.Селицкого 21к В наличии
Склад Адрес Контакт Остатки
г. Минск ул. Селицкого, 21к +375 (44) 770-80-78 ( Мало )
Схема проезда
Диск сцепления фрикционный (ведомый) БЗТДиА 85-1601130
Диск сцепления фрикционный (ведомый) БЗТДиА
Каталожный номер 85-1601130
Производитель БЗТДиА БЗТДиА
Код 00-ГР006668
Доставка по всей Беларуси
Доступность остатки на филиалах Остатки на филиалах
Остаток: г.Минск, ул.Селицкого 21к В наличии
Склад Адрес Контакт Остатки
г. Минск ул. Селицкого, 21к +375 (44) 770-80-78 ( Много )
Схема проезда
г. Барановичи ул. Бадака, 27Б +375 (29) 350-33-47 ( Мало )
Схема проезда
г. Берёза ул. Красноармейская, 89/11 +375 (29) 676-70-71 ( Мало )
Схема проезда
г. Бобруйск ул. Гоголя, 181/1-6 +375 (29) 630-05-01 ( Мало )
Схема проезда
г. Борисов ул. Демина, 2а +375 (44) 560-99-75 ( Мало )
Схема проезда
г. Глубокое ул. Энгельса, 22 +375 (44) 505-71-40 ( Мало )
Схема проезда
г. Жлобин ул. Козлова, 25 +375 (29) 346-06-78 ( Средне )
Схема проезда
г. Ивацевичи ул. Загородная, 6А +375 (29) 188-59-01 ( Средне )
Схема проезда
г. Лунинец ул.Красная, 175а +375 (44) 721-46-74 ( Средне )
Схема проезда
г. Могилев ул. Габровская 11Б +375 (29) 662-02-16 ( Мало )
Схема проезда
г. Молодечно ул. Галицкого, 14 +375 (44) 567-28-47 ( Мало )
Схема проезда
г. Несвиж ул. Кутузова, 2 +375 (29) 394-82-48 ( Средне )
Схема проезда
г. Осиповичи ул. Короткая, 11 +375 (29) 165-60-07 ( Средне )
Схема проезда
г. Ошмяны ул. Льнозоводская 3 +375 (44) 770-80-91 ( Средне )
Схема проезда
г. Полоцк-2 ул. Шенягина, 52 +375 (29) 302-94-73 ( Средне )
Схема проезда
г. Полоцк-2 ул. Шенягина, 52 +375 (29) 302-94-73 ( Средне )
Схема проезда
г. Поставы ул. Советская, 69 +375 (44) 770-80-13 ( Средне )
Схема проезда
Цилиндр сцепления главный Girling 73067196
Цилиндр сцепления главный Girling
Каталожный номер 73067196
Производитель КНР КНР
Код 22656
Доставка по всей Беларуси
Доступность остатки на филиалах Остатки на филиалах
Остаток В наличии
Склад Адрес Контакт Остатки
г. Новогрудок ул. Индустриальная, 3 +375 (44) 729-39-19 ( Мало )
Схема проезда
г. Ошмяны ул. Льнозоводская 3 +375 (44) 770-80-91 ( Мало )
Схема проезда
г. Поставы ул. Советская, 69 +375 (44) 770-80-13 ( Средне )
Схема проезда
Диск сцепления фрикционный (ведомый) 70-1601130 70-1601130-А3 AE
Диск сцепления фрикционный (ведомый) 70-1601130
Каталожный номер 70-1601130-А3 AE
Производитель АГРОТЭК АГРОТЭК
Код 11591
Доставка по всей Беларуси
Доступность остатки на филиалах Остатки на филиалах
Остаток: г.Минск, ул.Селицкого 21к В наличии
Склад Адрес Контакт Остатки
г. Минск ул. Селицкого, 21к +375 (44) 770-80-78 ( Средне )
Схема проезда
г. Витебск ул. Правды, 33 +375 (44) 770-80-87 ( Мало )
Схема проезда
г. Гомель ул. Барыкина, 291Б +375 (44) 514-15-30 ( Мало )
Схема проезда
г. Горки ул.Мира, д.51а/1 +375 (44) 565-33-61 ( Средне )
Схема проезда
г. Кричев ул. Комсомольская, 126 +375 (29) 628-88-42 ( Средне )
Схема проезда
г. Лунинец ул.Красная, 175а +375 (44) 721-46-74 ( Мало )
Схема проезда
г. Могилев ул. Габровская 11Б +375 (29) 662-02-16 ( Мало )
Схема проезда
г. Осиповичи ул. Короткая, 11 +375 (29) 165-60-07 ( Средне )
Схема проезда
Цилиндр 73067196 гирлинг ПРАМО 73067196
Цилиндр 73067196 гирлинг ПРАМО
Каталожный номер 73067196
Производитель ПРАМО ПРАМО
Код 00-ГР033222
Доставка по всей Беларуси
Доступность остатки на филиалах Остатки на филиалах
Остаток: г.Минск, ул.Селицкого 21к В наличии
Склад Адрес Контакт Остатки
г. Минск ул. Селицкого, 21к +375 (44) 770-80-78 ( Средне )
Схема проезда
г. Глубокое ул. Энгельса, 22 +375 (44) 505-71-40 ( Мало )
Схема проезда
г. Полоцк-2 ул. Шенягина, 52 +375 (29) 302-94-73 ( Мало )
Схема проезда
г. Столин ул. Быковского, 29 +375 (33) 304-54-36 ( Мало )
Схема проезда