Республика Беларусь,
г. Минск, ул. Селицкого 21к - центральный склад
Пн-пт с 8:00 до 17:00
Меню
250511 Гайка M8X1-6H МАЗ
Наименование: Гайка M8X1-6H 250511 МАЗ
Каталожный номер: 250511
Производитель: МАЗ
Код товара: 4551
Доставка: по всей Беларуси
Остаток: под заказ 1-45 дней

Нашли не точность в описании товара? сообщить администратору.

+375 (44) 770-80-78 +375 (29) 747-80-78
* Выставить счет, получить техническую информацию и стоимость
Заказать деталь Онлайн
Описание
Наличие на филиалах
Применяемость
Заменить на СТО

4551 Ножницы по металлу зеленые правый рез Разовые УВК (ИНСТРУМЕНТ) PROJAHN, Германия — устанавливается на сборочном конвейере ОАО МАЗ.

Марка Модель Кат.номер Наим. по каталогу Чертеж
ГАЗ ГАЗ-14 (Чайка) (1980) 250511-П29 Гайка М8х1-6Н ОСТ 37.001.124-93 Подвеска двигателя Чертеж Подвеска двигателя
ГАЗ ГАЗ-14 (Чайка) (1980) 250511-П29 Гайка М8х1-6Н ОСТ 37.001.124-93 Картер масляный, приемник масляный двигателя
ГАЗ ГАЗ-14 (Чайка) (1980) 250511-П8 Гайка М8х1 Картер масляный, приемник масляный двигателя
ГАЗ ГАЗ-14 (Чайка) (1980) 250511-П29 Гайка М8х1-6Н ОСТ 37.001.124-93 Радиатор масляный, привод распределителя зажигания и фильтр масляный двигателя
ГАЗ ГАЗ-14 (Чайка) (1980) 250511-П29 Гайка М8х1-6Н ОСТ 37.001.124-93 Глушитель выхлопа, трубы выхлопные Чертеж Глушитель выхлопа, трубы выхлопные
ГАЗ ГАЗ-14 (Чайка) (1980) 250511-П8 Гайка М8х1 Насос водяной Чертеж Насос водяной
ГАЗ ГАЗ-14 (Чайка) (1980) 250511-П29 Гайка М8х1-6Н ОСТ 37.001.124-93 Стойки и рычаги передней подвески Чертеж Стойки и рычаги передней подвески
ГАЗ ГАЗ-14 (Чайка) (1980) 250511-П8 Гайка М8х1 Управление рулевое
ГАЗ ГАЗ-14 (Чайка) (1980) 250511-П8 Гайка М8х1 Тяги рулевые и клапан управления гидроусилителем Чертеж Тяги рулевые и клапан управления гидроусилителем
ГАЗ ГАЗ-14 (Чайка) (1980) 250511-П29 Гайка М8х1-6Н ОСТ 37.001.124-93 Привод стояночного тормоза Чертеж Привод стояночного тормоза
ГАЗ ГАЗ-24 250511-П29 Гайка М8х1-6Н ОСТ 37.001.124-93 Подвеска двигателя Чертеж Подвеска двигателя
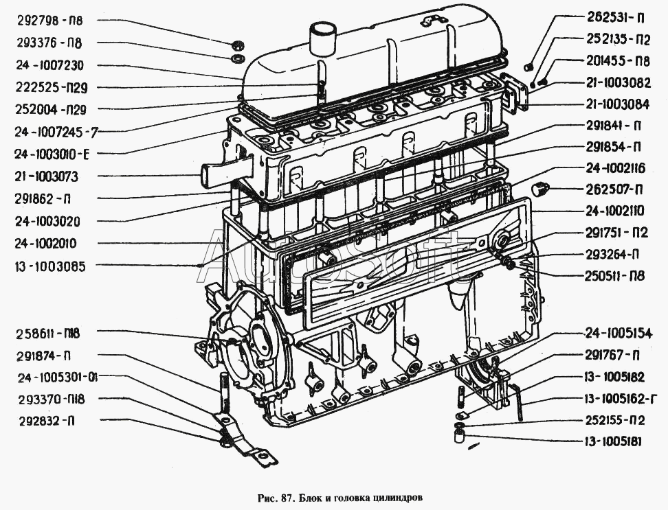
ГАЗ ГАЗ-24 250511-П8 Гайка М8х1 Блок и головка цилиндров Чертеж Блок и головка цилиндров
ГАЗ ГАЗ-24 250511-П8 Гайка М8х1 Распределительный вал
ГАЗ ГАЗ-24 250511-П8 Гайка М8х1 Масляный картер и вентиляция картера Чертеж Масляный картер и вентиляция картера
ГАЗ ГАЗ-24 250511-П8 Гайка М8х1 Маслоприемник, крепление масляного насоса и привода распределителя Чертеж Маслоприемник, крепление масляного насоса и привода распределителя
ГАЗ ГАЗ-24 250511-П29 Гайка М8х1-6Н ОСТ 37.001.124-93 Фильтр воздушный Чертеж Фильтр воздушный
ГАЗ ГАЗ-24 250511-П29 Гайка М8х1-6Н ОСТ 37.001.124-93 Глушитель и выхлопные трубы
ГАЗ ГАЗ-24 250511-П29 Гайка М8х1-6Н ОСТ 37.001.124-93 Стабилизатор
ГАЗ ГАЗ-24 250511-П29 Гайка М8х1-6Н ОСТ 37.001.124-93 Рулевое управление и крепление рулевого управления
ГАЗ ГАЗ-24 250511-П8 Гайка М8х1 Поворотные кулаки Чертеж Поворотные кулаки
Склад Адрес Контакт Остатки
г. Минск ул. Селицкого, 21к +375 (44) 770-80-78 ( Много )
Схема проезда
г. Бобруйск ул. Орловского, 22к3 +375 (29) 345-37-07 ( Много )
Схема проезда
г. Брест Тельминский с/с, 1Д/1, 1 км южнее д. Тельмы-2 +375 (44) 599-90-75 ( Много )
Схема проезда
г. Дрогичин ул. Юбилейная, 42 +375 (29) 682-17-13 ( Много )
Схема проезда
г. Осиповичи ул. Короткая, 11 +375 (29) 165-60-07 ( Много )
Схема проезда
г. Пинск ул. Калиновского 32 +375 (44) 560-99-59 ( Много )
Схема проезда
г. Полоцк-2 ул. Шенягина, 52 +375 (29) 302-94-73 ( Много )
Схема проезда
г. Барановичи ул. Бадака, 27Б +375 (29) 350-33-47 Под заказ
Схема проезда
г. Барановичи ул. Пролетарская, 40 +375 (29) 795-96-37 Под заказ
Схема проезда
г. Берёза ул. Красноармейская, 89/11 +375 (29) 676-70-71 Под заказ
Схема проезда
г. Березино ул. Комсомольская, д. 24 +375 (44) 770-80-17 Под заказ
Схема проезда
г. Бобруйск ул. Гоголя, 181/1-6 +375 (29) 630-05-01 Под заказ
Схема проезда
г. Борисов ул. Демина, 2а +375 (44) 560-99-75 Под заказ
Схема проезда
г. Витебск ул. Правды, 33 +375 (44) 770-80-87 Под заказ
Схема проезда
г. Витебск ул. Петруся Бровки, 34 +375 (29) 636-25-08 Под заказ
Схема проезда
г. Глубокое ул. Энгельса, 22 +375 (44) 505-71-40 Под заказ
Схема проезда
г. Гомель ул. Барыкина, 291Б +375 (44) 514-15-30 Под заказ
Схема проезда
г. Гомель ул. Текстильная, 10 +375 (44) 540-02-05 Под заказ
Схема проезда
г. Горки ул.Мира, д.51а/1 +375 (44) 565-33-61 Под заказ
Схема проезда
г. Гродно ул. Карского, 35 +375 (44) 770-70-21 Под заказ
Схема проезда
г. Дятлово ул. Советская ,104 +375 (29) 187-87-37 Под заказ
Схема проезда
г. Житковичи ул. Комсомольская, 49 +375 (29) 394-82-52 Под заказ
Схема проезда
г. Жлобин ул. Козлова, 25 +375 (29) 346-06-78 Под заказ
Схема проезда
г. Ивацевичи ул. Загородная, 6А +375 (29) 188-59-01 Под заказ
Схема проезда
г. Кобрин ул. Пролетарская, 177А +375 (44) 588-10-80 Под заказ
Схема проезда
г. Кричев ул. Комсомольская, 126 +375 (29) 628-88-42 Под заказ
Схема проезда
г. Лельчицы ул. Советская, д.96/1 +375 (29) 346-98-96 Под заказ
Схема проезда
г. Лепель ул. Лобанка, 43 +375 (44) 778-65-21 Под заказ
Схема проезда
г. Лида ул. Качана, 7 +375 (29) 612-60-61 Под заказ
Схема проезда
г. Лунинец ул.Красная, 175а +375 (44) 721-46-74 Под заказ
Схема проезда
г. Минск ул. Бабушкина, 37 +375 (29) 632-00-82 Под заказ
Схема проезда
г. Могилев ул. Габровская 11Б +375 (29) 662-02-16 Под заказ
Схема проезда
г. Мозырь промузел Козенки +375 (44) 731-94-60 Под заказ
Схема проезда
г. Молодечно ул. Галицкого, 14 +375 (44) 567-28-47 Под заказ
Схема проезда
г. Несвиж ул. Кутузова, 2 +375 (29) 394-82-48 Под заказ
Схема проезда
г. Новогрудок ул. Индустриальная, 3 +375 (44) 729-39-19 Под заказ
Схема проезда
г. Орша ул. Сергея Кирова, д. 34 +375 (44) 583-91-42 Под заказ
Схема проезда
г. Ошмяны ул. Льнозоводская 3 +375 (44) 770-80-91 Под заказ
Схема проезда
г. Петриков ул. Первомайская, 124 +375 (33) 660-06-75 Под заказ
Схема проезда
г. Полоцк ул. Пролетарская, 6 +375 (29) 644-57-58 Под заказ
Схема проезда
г. Полоцк ул. Строительная, 30Б +375 (29) 302-97-91 Под заказ
Схема проезда
г. Поставы ул. Советская, 69 +375 (44) 770-80-13 Под заказ
Схема проезда
г. Пружаны ул. Макаренко, 21 +375 (29) 348-83-18 Под заказ
Схема проезда
г. Слоним ул. Советская, 93а +375 (29) 394-82-01 Под заказ
Схема проезда
г. Слуцк ул. Тутаринова, 8 +375 (29) 346-06-90 Под заказ
Схема проезда
г. Сморгонь ул. Железнодорожная, 32 +375 (29) 671-02-10 Под заказ
Схема проезда
г. Солигорск Чижевичский сельсовет, 3Г +375 (29) 899-58-52 Под заказ
Схема проезда
г. Столин ул. Быковского, 29 +375 (33) 304-54-36 Под заказ
Схема проезда
г. Щучин ул. Советская, 39 +375 (29) 177-29-70 Под заказ
Схема проезда
Аналоги
Гайка М8х1-6н ОСТ 37.001.124-75  МАЗ ОАО 250511
Гайка М8х1-6н ОСТ 37.001.124-75 МАЗ ОАО
Каталожный номер 250511
Производитель
Код 250511
Доставка по всей Беларуси
Остаток Под заказ
Гайка М8х1-6Н 250511 250511
Гайка М8х1-6Н 250511
Каталожный номер 250511
Производитель МАЗ МАЗ
Код 4551
Доставка по всей Беларуси
Доступность остатки на филиалах Остатки на филиалах
Остаток Под заказ
Товары из этой категории
Труба заливная  МАЗ ОАО 6422-1018020-10
Труба заливная МАЗ ОАО
Каталожный номер 6422-1018020-10
Производитель
Код 6422101802010
Доставка по всей Беларуси
Остаток Под заказ
Труба приемная сб.  МАЗ ОАО 4370-1203032-002
Труба приемная сб. МАЗ ОАО
Каталожный номер 4370-1203032-002
Производитель
Код 43701203032002
Доставка по всей Беларуси
Остаток Под заказ
Клапан, БААЗ,Барановичи 551605-8607010-025
Клапан, БААЗ,Барановичи
Каталожный номер 551605-8607010-025
Производитель
Код 5516058607010020
Доставка по всей Беларуси
Остаток Под заказ
Лист 3  МАЗ ОАО 64229-2912103
Лист 3 МАЗ ОАО
Каталожный номер 64229-2912103
Производитель
Код 642292912103
Доставка по всей Беларуси
Остаток Под заказ
Вал карданный  Белкард,Гродно 64226-2205010-06
Вал карданный Белкард,Гродно
Каталожный номер 64226-2205010-06
Производитель
Код 64226220501006
Доставка по всей Беларуси
Остаток Под заказ