Республика Беларусь,
г. Минск, ул. Селицкого 21к - центральный склад
Пн-пт с 8:00 до 17:00
Меню
НШ100А-3 Насос
Наименование: Насос НШ100А-3
Каталожный номер: НШ100А-3
Производитель: КНР
Код товара: 00-ГР028330
Доставка: по всей Беларуси
Остаток: под заказ
Цена:

Нашли не точность в описании товара? сообщить администратору.

+375 (44) 770-80-78 +375 (29) 747-80-78
* Выставить счет, получить техническую информацию и стоимость
Заказать деталь Онлайн
Описание
Наличие на филиалах
Применяемость

Насос НШ100А-3 производства КНР (КНР), Код для заказа: 00-ГР028330

Марка Модель Кат.номер Наим. по каталогу Чертеж
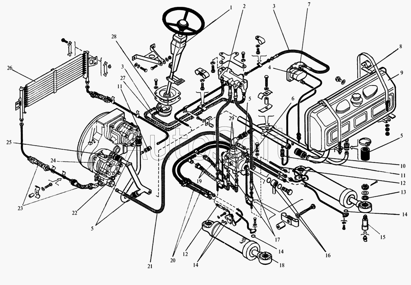
БелАЗ 7548А (2000) НШ100А-3 Насос Установка насосов Чертеж Установка насосов
БелАЗ 7512 (2002) НШ100А-3-Л Насос левого вращения Насосы опрокидывающего механизма Чертеж Насосы опрокидывающего механизма
БелАЗ 7512 (2002) НШ100А-3 Насос Насосы опрокидывающего механизма Чертеж Насосы опрокидывающего механизма
ПТЗ К-702МВ НШ100А-3-Л Насос Гидросистема погрузочного оборудования
ПТЗ К-702МБА (1998) НШ100А-3Л Насос Гидросистема управления поворотом с гидроузлами "Danfoss"
ПТЗ К-702МБА (1998) НШ100А-3Л Насос Гидросистема управления поворотом с гидроузлами "Danfoss"
ПТЗ К-744Р2 НШ100А-3Л Насос Редуктор привода насосов 744P-1602000-02-1 744P-1602000-02 Чертеж Редуктор привода насосов 744P-1602000-02-1 744P-1602000-02
ПТЗ К-744Р2 НШ100А-3Л Насос Схема гидравлической системы управления поворотом 703MA-3400000
ПТЗ К-703МА-12 / К-703М-12 (2008) НШ100А-3Л Насос Редуктор привода насосов (К-703МА-12 / К-703М-12)
ПТЗ К-703МА-12 / К-703М-12 (2008) НШ100А-3Л Насос Гидросистема управления поворотом (ГА-35, ГА-36) Чертеж Гидросистема управления поворотом (ГА-35, ГА-36)
ПТЗ К-702МВА-УДМ2 (2008) НШ100А-3-Л Насос Гидротрансформатор
ПТЗ К-702МВА-УДМ2 (2008) НШ100А-3-Л Насос Гидросистема погрузочного оборудования
МоАЗ 7505 НШ100А-3 Насос шестеренный Установка гидросистемы 7505-8600003 Чертеж Установка гидросистемы 7505-8600003
МоАЗ 7505 НШ100А-3 Насос шестеренный Гидромеханическая передача 75051-1700020 Чертеж Гидромеханическая передача 75051-1700020
МоАЗ 7505 НШ100А-3 Насос шестеренный Гидромеханическая передача 75051-1700020 Чертеж Гидромеханическая передача 75051-1700020
МоАЗ 7505 НШ100А-3 Насос шестеренный Гидромеханическая передача 75051-1700020 Чертеж Гидромеханическая передача 75051-1700020
МоАЗ 7505 НШ100А-3 Насос шестеренный Гидромеханическая передача 75051-1700020 Чертеж Гидромеханическая передача 75051-1700020
МоАЗ 7505 НШ100А-3 Насос шестеренный Гидромеханическая передача 75051-1700020 Чертеж Гидромеханическая передача 75051-1700020
МоАЗ 40481 (2003) НШ100А-3-Л Насос шестеренный Схема установки рулевого управления V=0,5 л (с 01.09.1998) Чертеж Схема установки рулевого управления V=0,5 л (с 01.09.1998)
МоАЗ 40481 (2003) НШ100А-3 Насос шестеренный Схема установки гидросистемы Чертеж Схема установки гидросистемы
Товары из этой категории
Насос правый круглый НШ32А-3
Насос правый круглый
Каталожный номер НШ32А-3
Производитель Гидросила Гидросила
Код 2568
Доставка по всей Беларуси
Доступность остатки на филиалах Остатки на филиалах
Остаток В наличии
Склад Адрес Контакт Остатки
г. Поставы ул. Советская, 69 +375 (44) 770-80-13 ( Мало )
Схема проезда
Насос НШ50М-3 правый АМ GP-50M-3
Насос НШ50М-3 правый АМ
Каталожный номер GP-50M-3
Производитель Автомагнат Автомагнат
Код 00-ГР021850
Доставка по всей Беларуси
Доступность остатки на филиалах Остатки на филиалах
Остаток В наличии
Склад Адрес Контакт Остатки
г. Бобруйск ул. Орловского, 22к3 +375 (29) 345-37-07 ( Мало )
Схема проезда
г. Кричев ул. Комсомольская, 126 +375 (29) 628-88-42 ( Мало )
Схема проезда
г. Полоцк-2 ул. Шенягина, 52 +375 (29) 302-94-73 ( Мало )
Схема проезда
г. Щучин ул. Советская, 39 +375 (29) 177-29-70 ( Мало )
Схема проезда
Насос НШ32М-3 (GPM-32-3RB) правый FENOX GPM-32-3RB
Насос НШ32М-3 (GPM-32-3RB) правый FENOX
Каталожный номер GPM-32-3RB
Производитель FENOX FENOX
Код 00-ГР020103
Доставка по всей Беларуси
Доступность остатки на филиалах Остатки на филиалах
Остаток: г.Минск, ул.Селицкого 21к В наличии
Склад Адрес Контакт Остатки
г. Минск ул. Селицкого, 21к +375 (44) 770-80-78 ( Много )
Схема проезда
г. Барановичи ул. Пролетарская, 40 +375 (29) 795-96-37 ( Средне )
Схема проезда
г. Барановичи ул. Бадака, 27Б +375 (29) 350-33-47 ( Мало )
Схема проезда
г. Бобруйск ул. Гоголя, 181/1-6 +375 (29) 630-05-01 ( Мало )
Схема проезда
г. Бобруйск ул. Орловского, 22к3 +375 (29) 345-37-07 ( Мало )
Схема проезда
г. Борисов ул. Демина, 2а +375 (44) 560-99-75 ( Средне )
Схема проезда
г. Витебск ул. Правды, 33 +375 (44) 770-80-87 ( Средне )
Схема проезда
г. Витебск ул. Петруся Бровки, 34 +375 (29) 636-25-08 ( Мало )
Схема проезда
г. Волковыск ул. Жолудева, 74Д-2 +375 (44) 786-00-40 ( Средне )
Схема проезда
г. Глубокое ул. Энгельса, 22 +375 (44) 505-71-40 ( Средне )
Схема проезда
г. Гомель ул. Барыкина, 291Б +375 (44) 514-15-30 ( Средне )
Схема проезда
г. Гомель ул. Барыкина, 291Б +375 (44) 514-15-30 ( Мало )
Схема проезда
г. Горки ул.Мира, д.51а/1 +375 (44) 565-33-61 ( Мало )
Схема проезда
г. Гродно ул. Карского, 35 +375 (44) 770-70-21 ( Мало )
Схема проезда
г. Дрогичин ул. Юбилейная, 42 +375 (29) 682-17-13 ( Средне )
Схема проезда
г. Дятлово ул. Советская ,104 +375 (29) 187-87-37 ( Средне )
Схема проезда
г. Житковичи ул. Комсомольская, 49 +375 (29) 394-82-52 ( Средне )
Схема проезда
г. Жлобин ул. Козлова, 25 +375 (29) 346-06-78 ( Мало )
Схема проезда
г. Ивацевичи ул. Загородная, 6А +375 (29) 188-59-01 ( Мало )
Схема проезда
г. Кобрин ул. Пролетарская, 177А +375 (44) 588-10-80 ( Средне )
Схема проезда
г. Кричев ул. Комсомольская, 126 +375 (29) 628-88-42 ( Мало )
Схема проезда
г. Лельчицы ул. Советская, д.96/1 +375 (29) 346-98-96 ( Средне )
Схема проезда
г. Лепель ул. Лобанка, 43 +375 (44) 778-65-21 ( Средне )
Схема проезда
г. Лунинец ул.Красная, 175а +375 (44) 721-46-74 ( Средне )
Схема проезда
г. Могилев ул. Габровская 11Б +375 (29) 662-02-16 ( Мало )
Схема проезда
г. Молодечно ул. Галицкого, 14 +375 (44) 567-28-47 ( Мало )
Схема проезда
г. Новогрудок ул. Индустриальная, 3 +375 (44) 729-39-19 ( Средне )
Схема проезда
г. Осиповичи ул. Короткая, 11 +375 (29) 165-60-07 ( Мало )
Схема проезда
г. Петриков ул. Первомайская, 124 +375 (33) 660-06-75 ( Мало )
Схема проезда
г. Полоцк-2 ул. Шенягина, 52 +375 (29) 302-94-73 ( Мало )
Схема проезда
г. Полоцк-2 ул. Шенягина, 52 +375 (29) 302-94-73 ( Мало )
Схема проезда
г. Поставы ул. Советская, 69 +375 (44) 770-80-13 ( Средне )
Схема проезда
г. Пружаны ул. Макаренко, 21 +375 (29) 348-83-18 ( Средне )
Схема проезда
г. Слоним ул. Советская, 93а +375 (29) 394-82-01 ( Средне )
Схема проезда
г. Слуцк ул. Тутаринова, 8 +375 (29) 346-06-90 ( Мало )
Схема проезда
г. Солигорск Чижевичский сельсовет, 3Г +375 (29) 899-58-52 ( Мало )
Схема проезда
г. Щучин ул. Советская, 39 +375 (29) 177-29-70 ( Средне )
Схема проезда
Насос НШ32Д-3Л левый Винница НШ32Д-3Л
Насос НШ32Д-3Л левый Винница
Каталожный номер НШ32Д-3Л
Производитель ВЗТА ВЗТА
Код 00-ГР017149
Доставка по всей Беларуси
Доступность остатки на филиалах Остатки на филиалах
Остаток Под заказ
Насос шестеренчатый левый НШ16М-3Л
Насос шестеренчатый левый
Каталожный номер НШ16М-3Л
Производитель Гидросила Гидросила
Код 45308
Доставка по всей Беларуси
Доступность остатки на филиалах Остатки на филиалах
Остаток В наличии
Склад Адрес Контакт Остатки
г. Лепель ул. Лобанка, 43 +375 (44) 778-65-21 ( Мало )
Схема проезда