Республика Беларусь,
г. Минск, ул. Селицкого 21к - центральный склад
Пн-пт с 8:00 до 17:00
Меню
236-1704010 Насос масляный (00)
Наименование: Насос масляный 236-1704010 (00)
Каталожный номер: 236-1704010
Производитель: RCZP LTD
Код товара: 6253
Доставка: по всей Беларуси
Остаток: под заказ

Нашли не точность в описании товара? сообщить администратору.

+375 (44) 770-80-78 +375 (29) 747-80-78
* Выставить счет, получить техническую информацию и стоимость
Заказать деталь Онлайн
Описание
Наличие на филиалах
Применяемость
Заменить на СТО

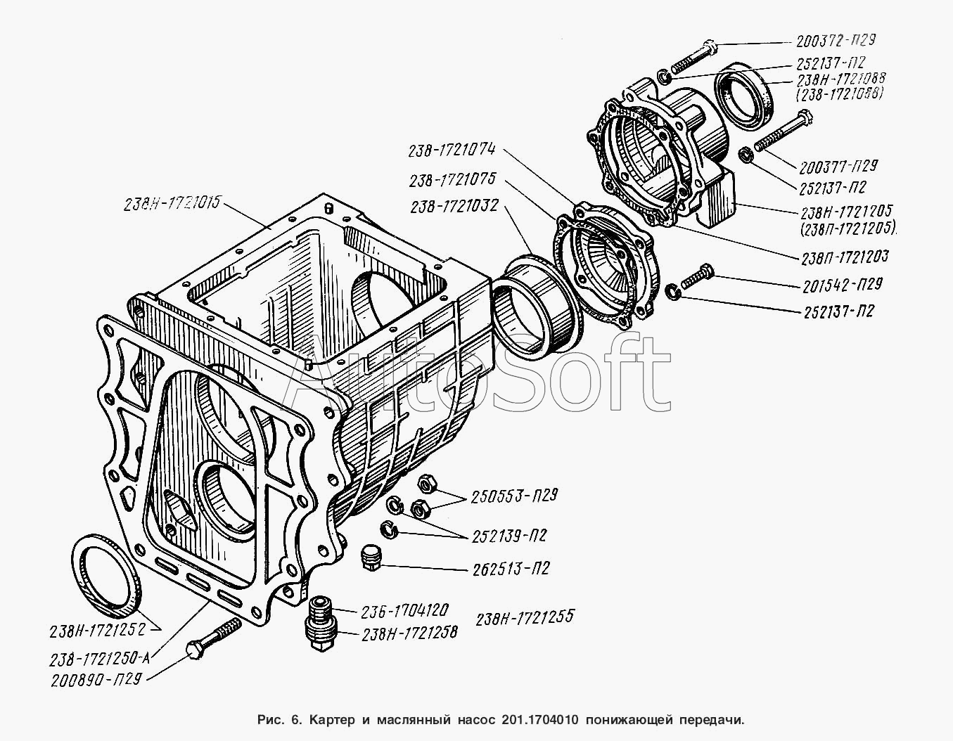
Насос масляный 236 236-1704010 для КПП МАЗ, производство масляного насоса 236-1704010 — РФ.

Код для заказа: 6253

Марка Модель Кат.номер Наим. по каталогу Чертеж
МАЗ МАЗ-500А 236-1704010 Насос масляный коробки передач в сборе Картер коробки передач ЯМЗ-236 и масляный насос
МАЗ МАЗ-503А 236-1704010 Насос масляный коробки передач в сборе Картер коробки передач ЯМЗ-236 и масляный насос Чертеж Картер коробки передач ЯМЗ-236 и масляный насос
МАЗ МАЗ-504А 236-1704010 Насос масляный коробки передач в сборе Картер коробки передач ЯМЗ-236 и масляный насос Чертеж Картер коробки передач ЯМЗ-236 и масляный насос
МАЗ МАЗ-54328 236-1704010 Насос масляный коробки передач в сборе Картер и масляный насос коробок передач ЯМЗ-238А
МАЗ МАЗ-5433 236-1704010 Насос масляный коробки передач в сборе Картер и масляный насос коробки передач
ЛАЗ ЛАЗ 5252 236-1704010 Насос масляный в сборе Коробка передач (модели 52528, 52528А) Чертеж Коробка передач (модели 52528, 52528А)
МЗКТ МЗКТ-65158 (1999) 236-1704026 Пробка клапана Масляный насос 202-1704010 Чертеж Масляный насос 202-1704010
ЯМЗ ЯМЗ-236 М 236-1704010 Насос масляный в сборе Картер и масляный насос коробки передач
ЯМЗ ЯМЗ-236 М 236-1704010 Насос масляный в сборе Картер и масляный насос коробок передач ЯМЗ-236П и ЯМЗ-236Н
ЯМЗ ЯМЗ-236 М 236-1704120 Магнит пробки Картер и масляный насос 201.1704010 понижающей передачи Чертеж Картер и масляный насос 201.1704010 понижающей передачи
ЯМЗ ЯМЗ-236 М 201.1704010 Насос масляный Масляный насос коробок передач 201 Чертеж Масляный насос коробок передач 201
ЯМЗ ЯМЗ-236 НЕ, 236 БЕ, 7601.10 (2003) 236-1704010-А Насос масляный в сборе Масляный насос коробок передач Чертеж Масляный насос коробок передач
ЯМЗ ЯМЗ-238 М 236-1704010 Насос масляный в сборе Картер и масляный насос коробки передач
ЯМЗ ЯМЗ-238 М 236-1704120 Магнит пробки Картер и масляный насос 201.1704010 понижающей передачи Чертеж Картер и масляный насос 201.1704010 понижающей передачи
ЯМЗ ЯМЗ-236 М2 и 238 М2 236-1704010 Насос масляный в сборе Картер и масляный насос коробок передач ЯМЗ-236Н и ЯМЗ-236П Чертеж Картер и масляный насос коробок передач ЯМЗ-236Н и ЯМЗ-236П
ЯМЗ ЯМЗ-238 АМ 236-1704010 Насос масляный в сборе Картер и масляный насос коробки передач
ЯМЗ ЯМЗ-238 АМ 236-1704120 Магнит пробки Картер и масляный насос 201.1704010 понижающей передачи
ЯМЗ ЯМЗ-238 ГМ 236-1704010 Насос масляный в сборе Картер и масляный насос коробки передач
ЯМЗ ЯМЗ-238 ГМ 236-1704120 Магнит пробки Картер и масляный насос 201.1704010 понижающей передачи
ЯМЗ ЯМЗ-238 ИМ 236-1704010 Насос масляный в сборе Картер и масляный насос коробки передач
Аналоги
Насос масляный КПП 236-1704010
Насос масляный КПП
Каталожный номер 236-1704010
Производитель RSTA RSTA
Код 444
Доставка по всей Беларуси
Доступность остатки на филиалах Остатки на филиалах
Остаток Под заказ
Товары из этой категории
Сухарь пальца хвостовика 5336-1703582
Сухарь пальца хвостовика
Каталожный номер 5336-1703582
Производитель МАЗ МАЗ
Код 1904
Доставка по всей Беларуси
Доступность остатки на филиалах Остатки на филиалах
Остаток: г.Минск, ул.Селицкого 21к В наличии
Склад Адрес Контакт Остатки
г. Минск ул. Селицкого, 21к +375 (44) 770-80-78 ( Много )
Схема проезда
г. Осиповичи ул. Короткая, 11 +375 (29) 165-60-07 ( Средне )
Схема проезда
г. Ошмяны ул. Льнозоводская 3 +375 (44) 770-80-91 ( Мало )
Схема проезда
г. Сморгонь ул. Железнодорожная, 32 +375 (29) 671-02-10 ( Средне )
Схема проезда
Палец шаровой хвостовика 5336-1703580
Палец шаровой хвостовика
Каталожный номер 5336-1703580
Производитель МАЗ МАЗ
Код 2006
Доставка по всей Беларуси
Доступность остатки на филиалах Остатки на филиалах
Остаток: г.Минск, ул.Селицкого 21к В наличии
Склад Адрес Контакт Остатки
г. Минск ул. Селицкого, 21к +375 (44) 770-80-78 ( Много )
Схема проезда
г. Брест Тельминский с/с, 1Д/1, 1 км южнее д. Тельмы-2 +375 (44) 599-90-75 ( Мало )
Схема проезда
Вал вторичный 236-1701105-Б
Вал вторичный
Каталожный номер 236-1701105-Б
Производитель ТМК ТМК
Код 282
Доставка по всей Беларуси
Доступность остатки на филиалах Остатки на филиалах
Остаток Под заказ
Колпак защитный рычага КПП (пыльник) 64221-1703425
Колпак защитный рычага КПП (пыльник)
Каталожный номер 64221-1703425
Производитель КММЗ КММЗ
Код 1403
Доставка по всей Беларуси
Доступность остатки на филиалах Остатки на филиалах
Остаток: г.Минск, ул.Селицкого 21к В наличии
Склад Адрес Контакт Остатки
г. Минск ул. Селицкого, 21к +375 (44) 770-80-78 ( Много )
Схема проезда
г. Барановичи ул. Пролетарская, 40 +375 (29) 795-96-37 ( Мало )
Схема проезда
г. Барановичи ул. Бадака, 27Б +375 (29) 350-33-47 ( Средне )
Схема проезда
г. Березино ул. Комсомольская, д. 24 +375 (44) 770-80-17 ( Мало )
Схема проезда
г. Бобруйск ул. Гоголя, 181/1-6 +375 (29) 630-05-01 ( Мало )
Схема проезда
г. Бобруйск ул. Орловского, 22к3 +375 (29) 345-37-07 ( Мало )
Схема проезда
г. Борисов ул. Демина, 2а +375 (44) 560-99-75 ( Средне )
Схема проезда
г. Брест Тельминский с/с, 1Д/1, 1 км южнее д. Тельмы-2 +375 (44) 599-90-75 ( Средне )
Схема проезда
г. Витебск ул. Правды, 33 +375 (44) 770-80-87 ( Мало )
Схема проезда
г. Витебск ул. Петруся Бровки, 34 +375 (29) 636-25-08 ( Мало )
Схема проезда
г. Гомель ул. Барыкина, 291Б +375 (44) 514-15-30 ( Мало )
Схема проезда
г. Гомель ул. Барыкина, 291Б +375 (44) 514-15-30 ( Мало )
Схема проезда
г. Горки ул.Мира, д.51а/1 +375 (44) 565-33-61 ( Мало )
Схема проезда
г. Дрогичин ул. Юбилейная, 42 +375 (29) 682-17-13 ( Мало )
Схема проезда
г. Дятлово ул. Советская ,104 +375 (29) 187-87-37 ( Мало )
Схема проезда
г. Житковичи ул. Комсомольская, 49 +375 (29) 394-82-52 ( Мало )
Схема проезда
г. Ивацевичи ул. Загородная, 6А +375 (29) 188-59-01 ( Мало )
Схема проезда
г. Кобрин ул. Пролетарская, 177А +375 (44) 588-10-80 ( Средне )
Схема проезда
г. Кричев ул. Комсомольская, 126 +375 (29) 628-88-42 ( Средне )
Схема проезда
г. Лепель ул. Лобанка, 43 +375 (44) 778-65-21 ( Средне )
Схема проезда
г. Лунинец ул.Красная, 175а +375 (44) 721-46-74 ( Мало )
Схема проезда
г. Могилев ул. Габровская 11Б +375 (29) 662-02-16 ( Мало )
Схема проезда
г. Мозырь промузел Козенки +375 (44) 731-94-60 ( Мало )
Схема проезда
г. Молодечно ул. Галицкого, 14 +375 (44) 567-28-47 ( Средне )
Схема проезда
г. Орша ул. Сергея Кирова, д. 34 +375 (44) 583-91-42 ( Средне )
Схема проезда
г. Осиповичи ул. Короткая, 11 +375 (29) 165-60-07 ( Мало )
Схема проезда
г. Ошмяны ул. Льнозоводская 3 +375 (44) 770-80-91 ( Мало )
Схема проезда
г. Пинск ул. Калиновского 32 +375 (44) 560-99-59 ( Мало )
Схема проезда
г. Полоцк-2 ул. Шенягина, 52 +375 (29) 302-94-73 ( Средне )
Схема проезда
г. Полоцк-2 ул. Шенягина, 52 +375 (29) 302-94-73 ( Мало )
Схема проезда
г. Поставы ул. Советская, 69 +375 (44) 770-80-13 ( Мало )
Схема проезда
г. Пружаны ул. Макаренко, 21 +375 (29) 348-83-18 ( Средне )
Схема проезда
г. Слоним ул. Советская, 93а +375 (29) 394-82-01 ( Средне )
Схема проезда
г. Слуцк ул. Тутаринова, 8 +375 (29) 346-06-90 ( Мало )
Схема проезда
г. Сморгонь ул. Железнодорожная, 32 +375 (29) 671-02-10 ( Мало )
Схема проезда
г. Солигорск Чижевичский сельсовет, 3Г +375 (29) 899-58-52 ( Мало )
Схема проезда
г. Столин ул. Быковского, 29 +375 (33) 304-54-36 ( Средне )
Схема проезда
г. Щучин ул. Советская, 39 +375 (29) 177-29-70 ( Средне )
Схема проезда
Механизм промежуточный перекл.передач 64227-1703325
Механизм промежуточный перекл.передач
Каталожный номер 64227-1703325
Производитель Автоштамп Автоштамп
Код 788
Доставка по всей Беларуси
Доступность остатки на филиалах Остатки на филиалах
Остаток: г.Минск, ул.Селицкого 21к В наличии
Склад Адрес Контакт Остатки
г. Минск ул. Бабушкина, 37 +375 (29) 632-00-82 ( Мало )
Схема проезда
г. Минск ул. Селицкого, 21к +375 (44) 770-80-78 ( Средне )
Схема проезда
г. Барановичи ул. Пролетарская, 40 +375 (29) 795-96-37 ( Мало )
Схема проезда
г. Барановичи ул. Бадака, 27Б +375 (29) 350-33-47 ( Мало )
Схема проезда
г. Березино ул. Комсомольская, д. 24 +375 (44) 770-80-17 ( Мало )
Схема проезда
г. Берёза ул. Красноармейская, 89/11 +375 (29) 676-70-71 ( Мало )
Схема проезда
г. Бобруйск ул. Гоголя, 181/1-6 +375 (29) 630-05-01 ( Мало )
Схема проезда
г. Бобруйск ул. Орловского, 22к3 +375 (29) 345-37-07 ( Мало )
Схема проезда
г. Борисов ул. Демина, 2а +375 (44) 560-99-75 ( Мало )
Схема проезда
г. Глубокое ул. Энгельса, 22 +375 (44) 505-71-40 ( Мало )
Схема проезда
г. Гомель ул. Барыкина, 291Б +375 (44) 514-15-30 ( Мало )
Схема проезда
г. Житковичи ул. Комсомольская, 49 +375 (29) 394-82-52 ( Мало )
Схема проезда
г. Жлобин ул. Козлова, 25 +375 (29) 346-06-78 ( Мало )
Схема проезда
г. Ивацевичи ул. Загородная, 6А +375 (29) 188-59-01 ( Мало )
Схема проезда
г. Кричев ул. Комсомольская, 126 +375 (29) 628-88-42 ( Мало )
Схема проезда
г. Лельчицы ул. Советская, д.96/1 +375 (29) 346-98-96 ( Мало )
Схема проезда
г. Осиповичи ул. Короткая, 11 +375 (29) 165-60-07 ( Мало )
Схема проезда
г. Ошмяны ул. Льнозоводская 3 +375 (44) 770-80-91 ( Мало )
Схема проезда
г. Пинск ул. Калиновского 32 +375 (44) 560-99-59 ( Мало )
Схема проезда
г. Поставы ул. Советская, 69 +375 (44) 770-80-13 ( Мало )
Схема проезда
г. Солигорск Чижевичский сельсовет, 3Г +375 (29) 899-58-52 ( Мало )
Схема проезда