Республика Беларусь,
г. Минск, ул. Селицкого 21к - центральный склад
Пн-пт с 8:00 до 17:00
Меню
236-1704010-А Насос масляный коробки передач Силовые Агрегаты — группа ГАЗ, Ярославль
Наименование: Насос масляный коробки передач Силовые Агрегаты — группа ГАЗ, Ярославль
Каталожный номер: 236-1704010-А
Код товара: 2361704010А
Доставка: по всей Беларуси
Остаток: под заказ

Нашли не точность в описании товара? сообщить администратору.

+375 (44) 770-80-78 +375 (29) 747-80-78
* Выставить счет, получить техническую информацию и стоимость
Заказать деталь Онлайн
Описание
Наличие на филиалах
Применяемость
Заменить на СТО

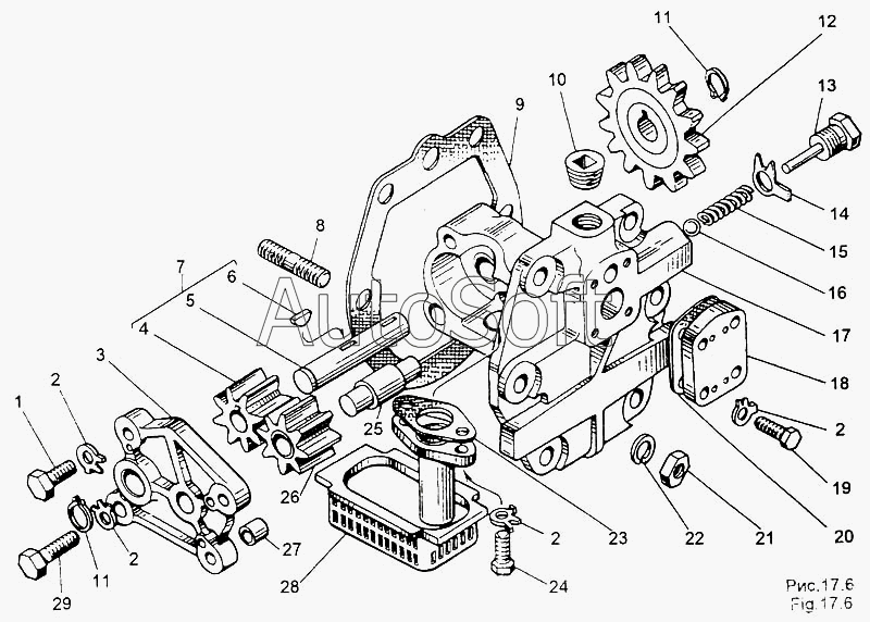
236-1704010-А Насос масляный коробки передач.

  • Производитель: Силовые Агрегаты — группа ГАЗ, Ярославль
  • Каталожный номер по заводу: 236-1704010-А
  • Код для заказа:  2361704010А
Марка Модель Кат.номер Наим. по каталогу Чертеж
МАЗ МАЗ-500А 236-1704010 Насос масляный коробки передач в сборе Картер коробки передач ЯМЗ-236 и масляный насос
МАЗ МАЗ-503А 236-1704010 Насос масляный коробки передач в сборе Картер коробки передач ЯМЗ-236 и масляный насос Чертеж Картер коробки передач ЯМЗ-236 и масляный насос
МАЗ МАЗ-504А 236-1704010 Насос масляный коробки передач в сборе Картер коробки передач ЯМЗ-236 и масляный насос Чертеж Картер коробки передач ЯМЗ-236 и масляный насос
МАЗ МАЗ-54328 236-1704010 Насос масляный коробки передач в сборе Картер и масляный насос коробок передач ЯМЗ-238А
МАЗ МАЗ-5433 236-1704010 Насос масляный коробки передач в сборе Картер и масляный насос коробки передач
ЛАЗ ЛАЗ 5252 236-1704010 Насос масляный в сборе Коробка передач (модели 52528, 52528А) Чертеж Коробка передач (модели 52528, 52528А)
МЗКТ МЗКТ-65158 (1999) 236-1704026 Пробка клапана Масляный насос 202-1704010 Чертеж Масляный насос 202-1704010
ЯМЗ ЯМЗ-236 М 236-1704010 Насос масляный в сборе Картер и масляный насос коробки передач
ЯМЗ ЯМЗ-236 М 236-1704010 Насос масляный в сборе Картер и масляный насос коробок передач ЯМЗ-236П и ЯМЗ-236Н
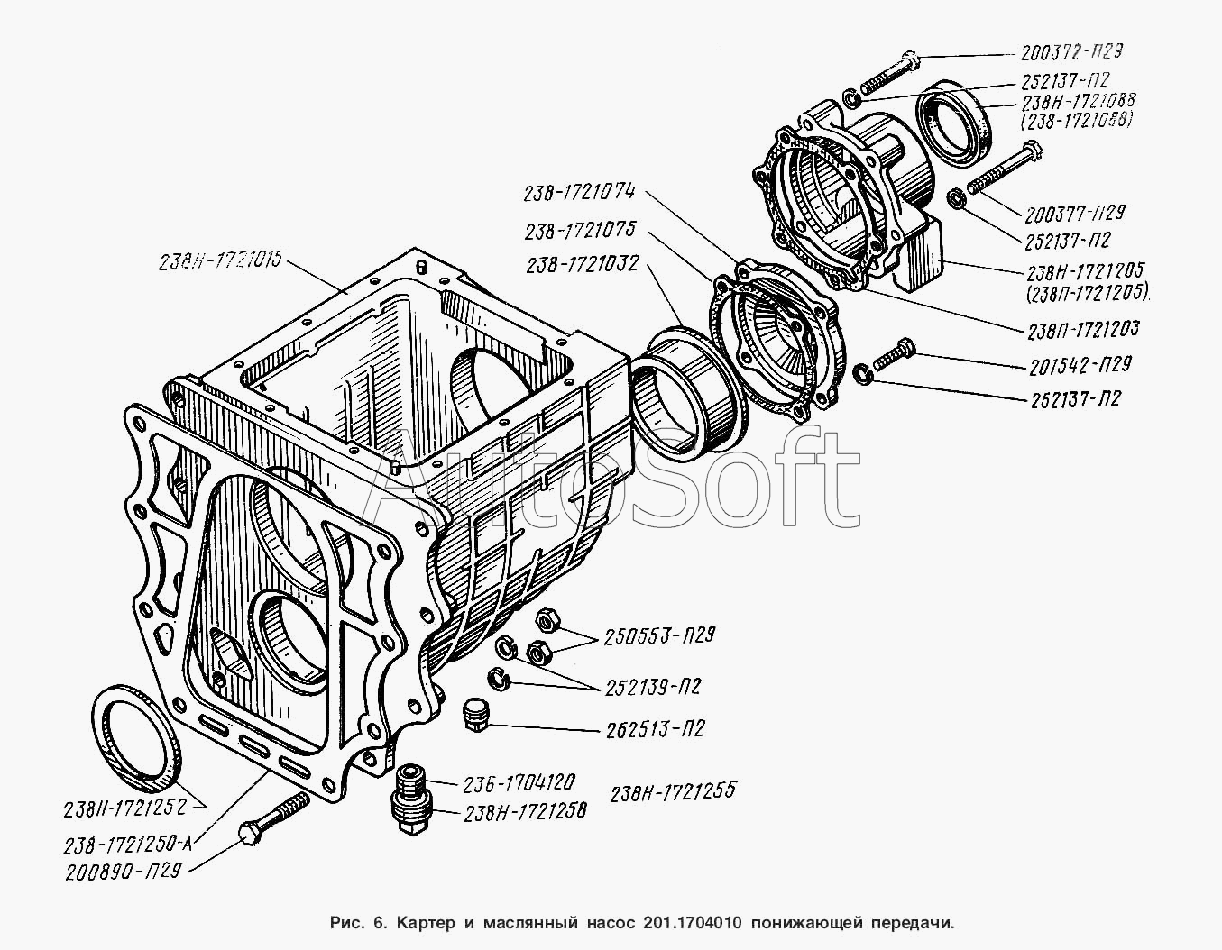
ЯМЗ ЯМЗ-236 М 236-1704120 Магнит пробки Картер и масляный насос 201.1704010 понижающей передачи Чертеж Картер и масляный насос 201.1704010 понижающей передачи
ЯМЗ ЯМЗ-236 М 201.1704010 Насос масляный Масляный насос коробок передач 201 Чертеж Масляный насос коробок передач 201
ЯМЗ ЯМЗ-236 НЕ, 236 БЕ, 7601.10 (2003) 236-1704010-А Насос масляный в сборе Масляный насос коробок передач Чертеж Масляный насос коробок передач
ЯМЗ ЯМЗ-238 М 236-1704010 Насос масляный в сборе Картер и масляный насос коробки передач
ЯМЗ ЯМЗ-238 М 236-1704120 Магнит пробки Картер и масляный насос 201.1704010 понижающей передачи Чертеж Картер и масляный насос 201.1704010 понижающей передачи
ЯМЗ ЯМЗ-236 М2 и 238 М2 236-1704010 Насос масляный в сборе Картер и масляный насос коробок передач ЯМЗ-236Н и ЯМЗ-236П Чертеж Картер и масляный насос коробок передач ЯМЗ-236Н и ЯМЗ-236П
ЯМЗ ЯМЗ-238 АМ 236-1704010 Насос масляный в сборе Картер и масляный насос коробки передач
ЯМЗ ЯМЗ-238 АМ 236-1704120 Магнит пробки Картер и масляный насос 201.1704010 понижающей передачи
ЯМЗ ЯМЗ-238 ГМ 236-1704010 Насос масляный в сборе Картер и масляный насос коробки передач
ЯМЗ ЯМЗ-238 ГМ 236-1704120 Магнит пробки Картер и масляный насос 201.1704010 понижающей передачи
ЯМЗ ЯМЗ-238 ИМ 236-1704010 Насос масляный в сборе Картер и масляный насос коробки передач
Аналоги
Насос масляный КПП,Автодизель 236-1704010-А
Насос масляный КПП,Автодизель
Каталожный номер 236-1704010-А
Производитель Автодизель Автодизель
Код 9510
Доставка по всей Беларуси
Доступность остатки на филиалах Остатки на филиалах
Остаток: г.Минск, ул.Селицкого 21к В наличии
Склад Адрес Контакт Остатки
г. Минск ул. Селицкого, 21к +375 (44) 770-80-78 ( Средне )
Схема проезда
г. Барановичи ул. Пролетарская, 40 +375 (29) 795-96-37 ( Мало )
Схема проезда
г. Барановичи ул. Бадака, 27Б +375 (29) 350-33-47 ( Мало )
Схема проезда
г. Брест Тельминский с/с, 1Д/1, 1 км южнее д. Тельмы-2 +375 (44) 599-90-75 ( Мало )
Схема проезда
г. Гомель ул. Барыкина, 291Б +375 (44) 514-15-30 ( Мало )
Схема проезда
г. Гродно ул. Карского, 35 +375 (44) 770-70-21 ( Средне )
Схема проезда
г. Дятлово ул. Советская ,104 +375 (29) 187-87-37 ( Мало )
Схема проезда
г. Житковичи ул. Комсомольская, 49 +375 (29) 394-82-52 ( Мало )
Схема проезда
г. Лельчицы ул. Советская, д.96/1 +375 (29) 346-98-96 ( Мало )
Схема проезда
г. Новогрудок ул. Индустриальная, 3 +375 (44) 729-39-19 ( Мало )
Схема проезда
г. Ошмяны ул. Льнозоводская 3 +375 (44) 770-80-91 ( Мало )
Схема проезда
г. Пинск ул. Калиновского 32 +375 (44) 560-99-59 ( Мало )
Схема проезда
г. Сморгонь ул. Железнодорожная, 32 +375 (29) 671-02-10 ( Мало )
Схема проезда
Товары из этой категории
Прокладка  МАЗ ОАО 6422-1101133
Прокладка МАЗ ОАО
Каталожный номер 6422-1101133
Производитель
Код 64221101133
Доставка по всей Беларуси
Остаток Под заказ
Штуцер  МАЗ ОАО 404303
Штуцер МАЗ ОАО
Каталожный номер 404303
Производитель
Код 404303
Доставка по всей Беларуси
Остаток Под заказ
Кронштейн  МАЗ ОАО 6430-8008093
Кронштейн МАЗ ОАО
Каталожный номер 6430-8008093
Производитель
Код 64308008093
Доставка по всей Беларуси
Остаток Под заказ
Фильтр топливный  JAC, Китай 1105010R0070
Фильтр топливный JAC, Китай
Каталожный номер 1105010R0070
Производитель
Код 1105010R0070
Доставка по всей Беларуси
Остаток Под заказ
Усилитель кронштейна  МАЗ ОАО 55165-2902462
Усилитель кронштейна МАЗ ОАО
Каталожный номер 55165-2902462
Производитель
Код 551652902462
Доставка по всей Беларуси
Остаток Под заказ