Республика Беларусь,
г. Минск, ул. Селицкого 21к - центральный склад
Пн-пт с 8:00 до 17:00
Меню
183.1601180-01 Муфта сцепления
Наименование: Муфта сцепления 183.1601180-01
Каталожный номер: 183.1601180-01
Производитель: ZJA
Код товара: 00-ГР006923
Доставка: по всей Беларуси
Остаток: под заказ

Нашли не точность в описании товара? сообщить администратору.

+375 (44) 770-80-78 +375 (29) 747-80-78
* Выставить счет, получить техническую информацию и стоимость
Заказать деталь Онлайн
Описание
Наличие на филиалах
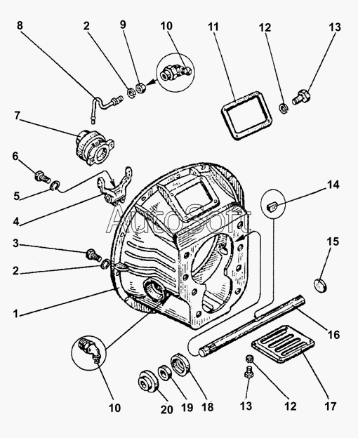
Применяемость
Заменить на СТО

Муфта сцепления 183.1601180-01 . Код товара для заказа: 00-ГР006923

Марка Модель Кат.номер Наим. по каталогу Чертеж
ЯМЗ ЯМЗ-236 НЕ, 236 БЕ, 7601.10 (2003) 183.1601180-01 Муфта выключения сцепления в сборе Сцепление ЯМЗ-183 Чертеж Сцепление ЯМЗ-183
ЯМЗ ЯМЗ-236 ДК и ЯМЗ 238 АК (2002) 183.1601180-01 Муфта выключения сцепления в сборе Сцепление ЯМЗ-181 и ЯМЗ-182 Чертеж Сцепление ЯМЗ-181 и ЯМЗ-182
ЯМЗ ЯМЗ-236 М2 и 238 М2 183.1601180 Муфта выключения сцепления в сборе Сцепление ЯМЗ-181 и ЯМЗ-182 Чертеж Сцепление ЯМЗ-181 и ЯМЗ-182
ЯМЗ ЯМЗ-238Д и Б (2002) 183.1601180 Муфта выключения сцепления в сборе Сцепление ЯМЗ-183
ЯМЗ ЯМЗ-238БЕ (Каталог 2004 года) 183.1601180-01 Муфта выключения сцепления в сборе Сцепление ЯМЗ-183 Чертеж Сцепление ЯМЗ-183
ЯМЗ ЯМЗ-6582.10 (Евро 3) (2008) 1840.1601180 Муфта выключения сцепления в сборе Сцепление ЯМЗ-183-15 Чертеж Сцепление ЯМЗ-183-15
ЯМЗ ЯМЗ-238М2 (2015) 183.1601180-01 Муфта выключения сцепления в сборе Сцепление ЯМЗ-182 Чертеж Сцепление ЯМЗ-182
ЯМЗ ЯМЗ-236М2 (2014) 183.1601180-01 Муфта выключения сцепления в сборе Сцепления ЯМЗ-181 Чертеж Сцепления ЯМЗ-181
ТМЗ КПП ЯМЗ-238ВМ, ЯМЗ-238ВК (2002) 183.1601180 Муфта выключения сцепления в сборе Картер сцепления коробок передач ЯМЗ-238ВМ-50, ЯМЗ-238ВМ-70, ЯМЗ-238ВК-50, ЯМЗ-238ВК-70 Чертеж Картер сцепления коробок передач ЯМЗ-238ВМ-50, ЯМЗ-238ВМ-70, ЯМЗ-238ВК-50, ЯМЗ-238ВК-70
МЗКТ МЗКТ-65151 "Волат" (2010) 183-1601197 Кольцо стопорное Муфта выключения сцепления с подшипником 184-1601180-10 Чертеж Муфта выключения сцепления с подшипником 184-1601180-10
МЗКТ МЗКТ-65151 "Волат" (2010) 183-1601195 Шайба отражательная Муфта выключения сцепления с подшипником 184-1601180-10 Чертеж Муфта выключения сцепления с подшипником 184-1601180-10
Склад Адрес Контакт Остатки
г. Минск ул. Селицкого, 21к +375 (44) 770-80-78 ( Мало )
Схема проезда
г. Лельчицы ул. Советская, д.96/1 +375 (29) 346-98-96 ( Мало )
Схема проезда
г. Барановичи ул. Бадака, 27Б +375 (29) 350-33-47 Под заказ
Схема проезда
г. Барановичи ул. Пролетарская, 40 +375 (29) 795-96-37 Под заказ
Схема проезда
г. Берёза ул. Красноармейская, 89/11 +375 (29) 676-70-71 Под заказ
Схема проезда
г. Березино ул. Комсомольская, д. 24 +375 (44) 770-80-17 Под заказ
Схема проезда
г. Бобруйск ул. Орловского, 22к3 +375 (29) 345-37-07 Под заказ
Схема проезда
г. Бобруйск ул. Гоголя, 181/1-6 +375 (29) 630-05-01 Под заказ
Схема проезда
г. Борисов ул. Демина, 2а +375 (44) 560-99-75 Под заказ
Схема проезда
г. Брест Тельминский с/с, 1Д/1, 1 км южнее д. Тельмы-2 +375 (44) 599-90-75 Под заказ
Схема проезда
г. Витебск ул. Правды, 33 +375 (44) 770-80-87 Под заказ
Схема проезда
г. Витебск ул. Петруся Бровки, 34 +375 (29) 636-25-08 Под заказ
Схема проезда
г. Глубокое ул. Энгельса, 22 +375 (44) 505-71-40 Под заказ
Схема проезда
г. Гомель ул. Барыкина, 291Б +375 (44) 514-15-30 Под заказ
Схема проезда
г. Гомель ул. Текстильная, 10 +375 (44) 540-02-05 Под заказ
Схема проезда
г. Горки ул.Мира, д.51а/1 +375 (44) 565-33-61 Под заказ
Схема проезда
г. Гродно ул. Карского, 35 +375 (44) 770-70-21 Под заказ
Схема проезда
г. Дрогичин ул. Юбилейная, 42 +375 (29) 682-17-13 Под заказ
Схема проезда
г. Дятлово ул. Советская ,104 +375 (29) 187-87-37 Под заказ
Схема проезда
г. Житковичи ул. Комсомольская, 49 +375 (29) 394-82-52 Под заказ
Схема проезда
г. Жлобин ул. Козлова, 25 +375 (29) 346-06-78 Под заказ
Схема проезда
г. Ивацевичи ул. Загородная, 6А +375 (29) 188-59-01 Под заказ
Схема проезда
г. Кобрин ул. Пролетарская, 177А +375 (44) 588-10-80 Под заказ
Схема проезда
г. Кричев ул. Комсомольская, 126 +375 (29) 628-88-42 Под заказ
Схема проезда
г. Лепель ул. Лобанка, 43 +375 (44) 778-65-21 Под заказ
Схема проезда
г. Лида ул. Качана, 7 +375 (29) 612-60-61 Под заказ
Схема проезда
г. Лунинец ул.Красная, 175а +375 (44) 721-46-74 Под заказ
Схема проезда
г. Минск ул. Бабушкина, 37 +375 (29) 632-00-82 Под заказ
Схема проезда
г. Могилев ул. Габровская 11Б +375 (29) 662-02-16 Под заказ
Схема проезда
г. Мозырь промузел Козенки +375 (44) 731-94-60 Под заказ
Схема проезда
г. Молодечно ул. Галицкого, 14 +375 (44) 567-28-47 Под заказ
Схема проезда
г. Несвиж ул. Кутузова, 2 +375 (29) 394-82-48 Под заказ
Схема проезда
г. Новогрудок ул. Индустриальная, 3 +375 (44) 729-39-19 Под заказ
Схема проезда
г. Орша ул. Сергея Кирова, д. 34 +375 (44) 583-91-42 Под заказ
Схема проезда
г. Осиповичи ул. Короткая, 11 +375 (29) 165-60-07 Под заказ
Схема проезда
г. Ошмяны ул. Льнозоводская 3 +375 (44) 770-80-91 Под заказ
Схема проезда
г. Петриков ул. Первомайская, 124 +375 (33) 660-06-75 Под заказ
Схема проезда
г. Пинск ул. Калиновского 32 +375 (44) 560-99-59 Под заказ
Схема проезда
г. Полоцк ул. Пролетарская, 6 +375 (29) 644-57-58 Под заказ
Схема проезда
г. Полоцк ул. Строительная, 30Б +375 (29) 302-97-91 Под заказ
Схема проезда
г. Полоцк-2 ул. Шенягина, 52 +375 (29) 302-94-73 Под заказ
Схема проезда
г. Поставы ул. Советская, 69 +375 (44) 770-80-13 Под заказ
Схема проезда
г. Пружаны ул. Макаренко, 21 +375 (29) 348-83-18 Под заказ
Схема проезда
г. Слоним ул. Советская, 93а +375 (29) 394-82-01 Под заказ
Схема проезда
г. Слуцк ул. Тутаринова, 8 +375 (29) 346-06-90 Под заказ
Схема проезда
г. Сморгонь ул. Железнодорожная, 32 +375 (29) 671-02-10 Под заказ
Схема проезда
г. Солигорск Чижевичский сельсовет, 3Г +375 (29) 899-58-52 Под заказ
Схема проезда
г. Столин ул. Быковского, 29 +375 (33) 304-54-36 Под заказ
Схема проезда
г. Щучин ул. Советская, 39 +375 (29) 177-29-70 Под заказ
Схема проезда
Аналоги
Муфта сцепления (однодисковое, d=42мм),Автодизель 183.1601180-01
Муфта сцепления (однодисковое, d=42мм),Автодизель
Каталожный номер 183.1601180-01
Производитель Автодизель Автодизель
Код 00-ГР007099
Доставка по всей Беларуси
Доступность остатки на филиалах Остатки на филиалах
Остаток: г.Минск, ул.Селицкого 21к Под заказ
Склад Адрес Контакт Остатки
г. Минск ул. Селицкого, 21к +375 (44) 770-80-78 ( Много )
Схема проезда
г. Гомель ул. Барыкина, 291Б +375 (44) 514-15-30 ( Мало )
Схема проезда
г. Столин ул. Быковского, 29 +375 (33) 304-54-36 ( Мало )
Схема проезда
Муфта выключения сцепления  Силовые Агрегаты — группа ГАЗ, Ярославль 183.1601180-01
Муфта выключения сцепления Силовые Агрегаты — группа ГАЗ, Ярославль
Каталожный номер 183.1601180-01
Производитель
Код 183160118001
Доставка по всей Беларуси
Остаток Под заказ
Товары из этой категории
Ремкомплект крепления корзины 183-1601002-05
Ремкомплект крепления корзины
Каталожный номер 183-1601002-05
Производитель АРСПРОМ АРСПРОМ
Код 38098
Доставка по всей Беларуси
Доступность остатки на филиалах Остатки на филиалах
Остаток: г.Минск, ул.Селицкого 21к Под заказ
Склад Адрес Контакт Остатки
г. Минск ул. Селицкого, 21к +375 (44) 770-80-78 ( Много )
Схема проезда
г. Барановичи ул. Пролетарская, 40 +375 (29) 795-96-37 ( Мало )
Схема проезда
г. Бобруйск ул. Гоголя, 181/1-6 +375 (29) 630-05-01 ( Мало )
Схема проезда
г. Бобруйск ул. Орловского, 22к3 +375 (29) 345-37-07 ( Мало )
Схема проезда
г. Борисов ул. Демина, 2а +375 (44) 560-99-75 ( Средне )
Схема проезда
г. Брест Тельминский с/с, 1Д/1, 1 км южнее д. Тельмы-2 +375 (44) 599-90-75 ( Мало )
Схема проезда
г. Витебск ул. Петруся Бровки, 34 +375 (29) 636-25-08 ( Средне )
Схема проезда
г. Глубокое ул. Энгельса, 22 +375 (44) 505-71-40 ( Мало )
Схема проезда
г. Гродно ул. Карского, 35 +375 (44) 770-70-21 ( Мало )
Схема проезда
г. Кобрин ул. Пролетарская, 177А +375 (44) 588-10-80 ( Мало )
Схема проезда
г. Могилев ул. Габровская 11Б +375 (29) 662-02-16 ( Мало )
Схема проезда
г. Мозырь промузел Козенки +375 (44) 731-94-60 ( Мало )
Схема проезда
г. Новогрудок ул. Индустриальная, 3 +375 (44) 729-39-19 ( Средне )
Схема проезда
г. Ошмяны ул. Льнозоводская 3 +375 (44) 770-80-91 ( Мало )
Схема проезда
г. Петриков ул. Первомайская, 124 +375 (33) 660-06-75 ( Мало )
Схема проезда
г. Пинск ул. Калиновского 32 +375 (44) 560-99-59 ( Мало )
Схема проезда
г. Полоцк-2 ул. Шенягина, 52 +375 (29) 302-94-73 ( Средне )
Схема проезда
г. Поставы ул. Советская, 69 +375 (44) 770-80-13 ( Мало )
Схема проезда
г. Слуцк ул. Тутаринова, 8 +375 (29) 346-06-90 ( Мало )
Схема проезда
г. Сморгонь ул. Железнодорожная, 32 +375 (29) 671-02-10 ( Мало )
Схема проезда
Диск сцепления нажимной,Автодизель 183.1601090-05
Диск сцепления нажимной,Автодизель
Каталожный номер 183.1601090-05
Производитель Автодизель Автодизель
Код 00-ГР007923
Доставка по всей Беларуси
Доступность остатки на филиалах Остатки на филиалах
Остаток: г.Минск, ул.Селицкого 21к Под заказ
Склад Адрес Контакт Остатки
г. Минск ул. Селицкого, 21к +375 (44) 770-80-78 ( Мало )
Схема проезда
г. Орша ул. Сергея Кирова, д. 34 +375 (44) 583-91-42 ( Мало )
Схема проезда
Пневмогидравлический усилитель сцепления VG3268 VG 3268/3208
Пневмогидравлический усилитель сцепления VG3268
Каталожный номер VG 3268/3208
Производитель ZRAS LTD ZRAS LTD
Код 59895
Доставка по всей Беларуси
Доступность остатки на филиалах Остатки на филиалах
Остаток Под заказ
Склад Адрес Контакт Остатки
г. Дрогичин ул. Юбилейная, 42 +375 (29) 682-17-13 ( Мало )
Схема проезда
г. Житковичи ул. Комсомольская, 49 +375 (29) 394-82-52 ( Мало )
Схема проезда
г. Петриков ул. Первомайская, 124 +375 (33) 660-06-75 ( Мало )
Схема проезда
Диск сцепления фрикционный (ведомый) 238-1601131
Диск сцепления фрикционный (ведомый)
Каталожный номер 238-1601131
Производитель RSTA RSTA
Код 53
Доставка по всей Беларуси
Доступность остатки на филиалах Остатки на филиалах
Остаток Под заказ
Склад Адрес Контакт Остатки
г. Бобруйск ул. Орловского, 22к3 +375 (29) 345-37-07 ( Мало )
Схема проезда
г. Глубокое ул. Энгельса, 22 +375 (44) 505-71-40 ( Мало )
Схема проезда
г. Житковичи ул. Комсомольская, 49 +375 (29) 394-82-52 ( Мало )
Схема проезда
г. Слоним ул. Советская, 93а +375 (29) 394-82-01 ( Мало )
Схема проезда
Диск сцепления фрикционный задний (400мм) 238-1601131
Диск сцепления фрикционный задний (400мм)
Каталожный номер 238-1601131
Производитель YANCHENG ANTEC YANCHENG ANTEC
Код 5218
Доставка по всей Беларуси
Доступность остатки на филиалах Остатки на филиалах
Остаток Под заказ