Республика Беларусь,
г. Минск, ул. Селицкого 21к - центральный склад
Пн-пт с 8:00 до 17:00
Меню
95.53.5048 Муфта синхронизатора Euroricambi
Наименование: Муфта 95.53.5048 синхронизатора Euroricambi
Каталожный номер: 95.53.5048
Производитель: Euroricambi
Код товара: 00-ГР019891
Доставка: по всей Беларуси
Остаток: под заказ

Нашли не точность в описании товара? сообщить администратору.

+375 (44) 770-80-78 +375 (29) 747-80-78
* Выставить счет, получить техническую информацию и стоимость
Заказать деталь Онлайн
Описание
Наличие на филиалах
Применяемость
Заменить на СТО

КПП ZF 16S, 9S

Муфта 95.53.5048 синхронизатора Euroricambi производства Euroricambi (Euroricambi), Код для заказа: 00-ГР019891

Марка Модель Кат.номер Наим. по каталогу Чертеж
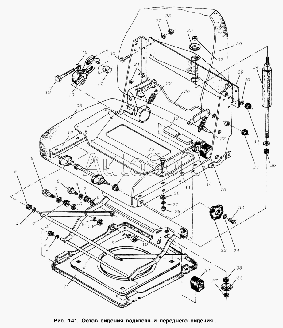
МАЗ МАЗ-53363 5048-6801016-21 Стойка остова правая Остов сидения водителя и переднего сидения Чертеж Остов сидения водителя  и переднего сидения
МАЗ МАЗ-53363 5048-6801029-10 Буфер Остов сидения водителя и переднего сидения Чертеж Остов сидения водителя  и переднего сидения
МАЗ МАЗ-53363 5048-6804087 Ролик Подставка сиденья и регулировочные механизмы Чертеж Подставка сиденья и регулировочные механизмы
МАЗ МАЗ-53363 5048-6804076-11 Стопор Подставка сиденья и регулировочные механизмы Чертеж Подставка сиденья и регулировочные механизмы
МАЗ МАЗ-53363 5048-6801029-10 Буфер Подставка сиденья с пневмооборудованием Чертеж Подставка сиденья с пневмооборудованием
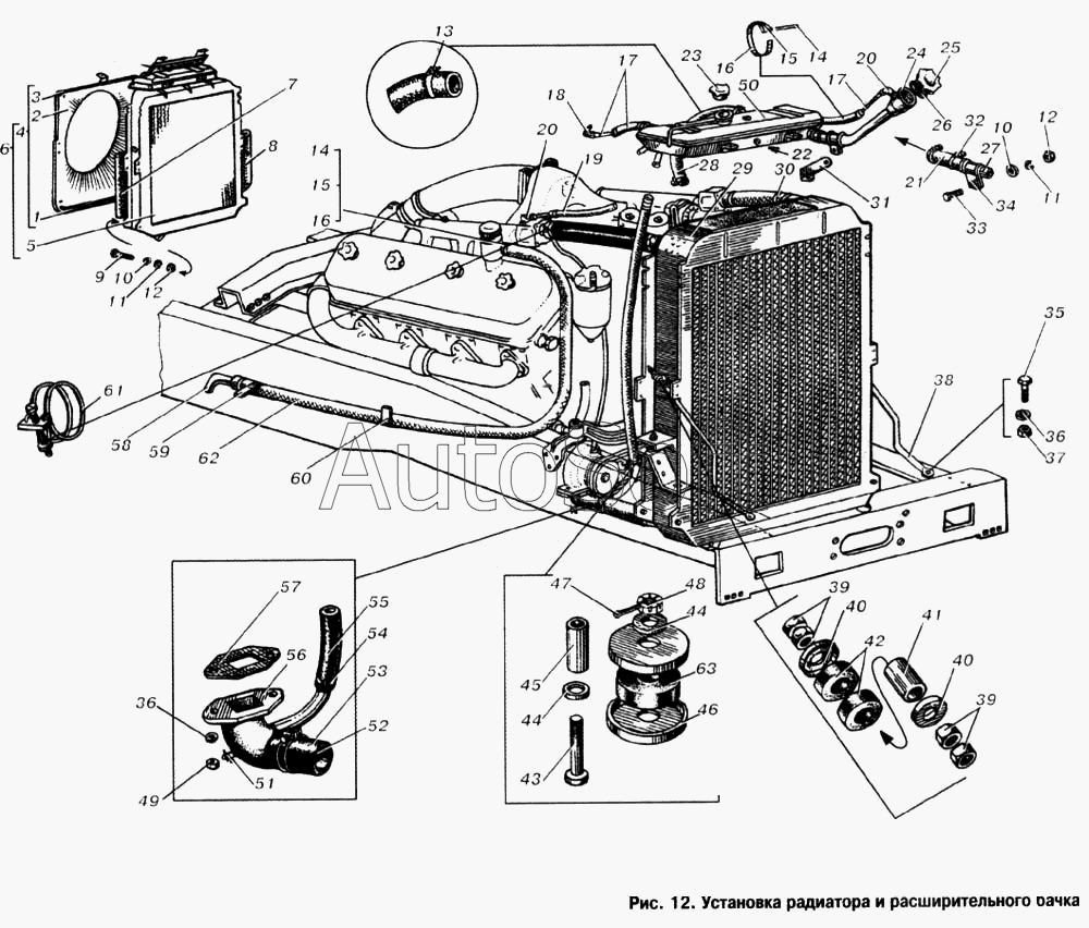
МАЗ МАЗ-53363 5048-1311048 Шланг Установка радиатора и расширительного бачка Чертеж Установка радиатора и расширительного бачка
МАЗ МАЗ-53363 5048-1108262 Втулка упорная Установка привода останова двигателя и вспомогательного тормоза Чертеж Установка привода останова двигателя и вспомогательного тормоза
МАЗ МАЗ-53366 5048-6801016-21 Стойка остова правая Остов сидения водителя и переднего сидения Чертеж Остов сидения водителя  и переднего сидения
МАЗ МАЗ-53366 5048-6801029-10 Буфер Остов сидения водителя и переднего сидения Чертеж Остов сидения водителя  и переднего сидения
МАЗ МАЗ-53366 5048-6804087 Ролик Подставка сиденья и регулировочные механизмы Чертеж Подставка сиденья и регулировочные механизмы
МАЗ МАЗ-53366 5048-6804076-11 Стопор Подставка сиденья и регулировочные механизмы Чертеж Подставка сиденья и регулировочные механизмы
МАЗ МАЗ-53366 5048-6801029-10 Буфер Подставка сиденья с пневмооборудованием Чертеж Подставка сиденья с пневмооборудованием
МАЗ МАЗ-53366 5048-1311048 Шланг Установка радиатора и расширительного бачка Чертеж Установка радиатора и расширительного бачка
МАЗ МАЗ-53366 5048-1108262 Втулка упорная Установка привода останова двигателя и вспомогательного тормоза Чертеж Установка привода останова двигателя и вспомогательного тормоза
МАЗ МАЗ-6303 (2000) 5048-6801016-21 Стойка остова правая Остов сидения водителя и переднего сидения Чертеж Остов сидения водителя  и переднего сидения
МАЗ МАЗ-6303 (2000) 5048-6801029-10 Буфер Остов сидения водителя и переднего сидения Чертеж Остов сидения водителя  и переднего сидения
МАЗ МАЗ-6303 (2000) 5048-6804087 Ролик Подставка сиденья и регулировочные механизмы Чертеж Подставка сиденья и регулировочные механизмы
МАЗ МАЗ-6303 (2000) 5048-6804076-11 Стопор Подставка сиденья и регулировочные механизмы Чертеж Подставка сиденья и регулировочные механизмы
МАЗ МАЗ-6303 (2000) 5048-6801029-10 Буфер Подставка сиденья с пневмооборудованием Чертеж Подставка сиденья с пневмооборудованием
МАЗ МАЗ-6303 (2000) 5048-1311048 Шланг Установка радиатора и расширительного бачка Чертеж Установка радиатора и расширительного бачка
Товары из этой категории
Кольцо 5440-2405042 МАЗ 5440-2405042
Кольцо 5440-2405042 МАЗ
Каталожный номер 5440-2405042
Производитель МАЗ МАЗ
Код 6881
Доставка по всей Беларуси
Доступность остатки на филиалах Остатки на филиалах
Остаток: г.Минск, ул.Селицкого 21к В наличии
Склад Адрес Контакт Остатки
г. Минск ул. Селицкого, 21к +375 (44) 770-80-78 ( Много )
Схема проезда
г. Бобруйск ул. Орловского, 22к3 +375 (29) 345-37-07 ( Много )
Схема проезда
Чашка 6430-2503015/5434-2403019-10 комплект 6430-2503015/5434-2403019-10
Чашка 6430-2503015/5434-2403019-10 комплект
Каталожный номер 6430-2503015/5434-2403019-10
Производитель RSTA RSTA
Код 00-ГР033979
Доставка по всей Беларуси
Доступность остатки на филиалах Остатки на филиалах
Остаток Под заказ
Ось 5440-2405038-10 сателлита 5440-2405038-10
Ось 5440-2405038-10 сателлита
Каталожный номер 5440-2405038-10
Производитель СпецМаш СпецМаш
Код 00-ГР010469
Доставка по всей Беларуси
Доступность остатки на филиалах Остатки на филиалах
Остаток: г.Минск, ул.Селицкого 21к В наличии
Склад Адрес Контакт Остатки
г. Минск ул. Селицкого, 21к +375 (44) 770-80-78 ( Много )
Схема проезда
г. Ивацевичи ул. Загородная, 6А +375 (29) 188-59-01 ( Мало )
Схема проезда
г. Лепель ул. Лобанка, 43 +375 (44) 778-65-21 ( Средне )
Схема проезда
г. Осиповичи ул. Короткая, 11 +375 (29) 165-60-07 ( Средне )
Схема проезда
г. Пинск ул. Калиновского 32 +375 (44) 560-99-59 ( Средне )
Схема проезда
г. Слоним ул. Советская, 93а +375 (29) 394-82-01 ( Средне )
Схема проезда
г. Солигорск Чижевичский сельсовет, 3Г +375 (29) 899-58-52 ( Средне )
Схема проезда
г. Столин ул. Быковского, 29 +375 (33) 304-54-36 ( Средне )
Схема проезда
г. Щучин ул. Советская, 39 +375 (29) 177-29-70 ( Средне )
Схема проезда
Полуось 5440-2403071 левая МАЗ 5440-2403071
Полуось 5440-2403071 левая МАЗ
Каталожный номер 5440-2403071
Производитель МАЗ МАЗ
Код 00-ГР018810
Доставка по всей Беларуси
Доступность остатки на филиалах Остатки на филиалах
Остаток: г.Минск, ул.Селицкого 21к В наличии
Склад Адрес Контакт Остатки
г. Минск ул. Селицкого, 21к +375 (44) 770-80-78 ( Средне )
Схема проезда
Фланец  (М12,D-65мм) заднего моста 8 отв. 54321-2402061-20
Фланец (М12,D-65мм) заднего моста 8 отв.
Каталожный номер 54321-2402061-20
Производитель СпецМаш СпецМаш
Код 5004
Доставка по всей Беларуси
Доступность остатки на филиалах Остатки на филиалах
Остаток В наличии
Склад Адрес Контакт Остатки
г. Барановичи ул. Бадака, 27Б +375 (29) 350-33-47 ( Мало )
Схема проезда
г. Гродно ул. Карского, 35 +375 (44) 770-70-21 ( Мало )
Схема проезда
г. Полоцк-2 ул. Шенягина, 52 +375 (29) 302-94-73 ( Средне )
Схема проезда
г. Слуцк ул. Тутаринова, 8 +375 (29) 346-06-90 ( Мало )
Схема проезда
Водило 5440-2405029 разборное в сборе 5440-2405029
Водило 5440-2405029 разборное в сборе
Каталожный номер 5440-2405029
Производитель СпецМаш СпецМаш
Код 00-ГР011241
Доставка по всей Беларуси
Доступность остатки на филиалах Остатки на филиалах
Остаток: г.Минск, ул.Селицкого 21к В наличии
Склад Адрес Контакт Остатки
г. Минск ул. Селицкого, 21к +375 (44) 770-80-78 ( Средне )
Схема проезда
г. Берёза ул. Красноармейская, 89/11 +375 (29) 676-70-71 ( Мало )
Схема проезда
г. Борисов ул. Демина, 2а +375 (44) 560-99-75 ( Мало )
Схема проезда
г. Витебск ул. Петруся Бровки, 34 +375 (29) 636-25-08 ( Мало )
Схема проезда
г. Пружаны ул. Макаренко, 21 +375 (29) 348-83-18 ( Мало )
Схема проезда
Шайба  опорная 5336-2405049
Шайба опорная
Каталожный номер 5336-2405049
Производитель Контур Сервис Метиз Контур Сервис Метиз
Код 2068
Доставка по всей Беларуси
Доступность остатки на филиалах Остатки на филиалах
Остаток: г.Минск, ул.Селицкого 21к В наличии
Склад Адрес Контакт Остатки
г. Минск ул. Селицкого, 21к +375 (44) 770-80-78 ( Много )
Схема проезда
г. Барановичи ул. Пролетарская, 40 +375 (29) 795-96-37 ( Средне )
Схема проезда
г. Бобруйск ул. Орловского, 22к3 +375 (29) 345-37-07 ( Много )
Схема проезда
г. Борисов ул. Демина, 2а +375 (44) 560-99-75 ( Средне )
Схема проезда
г. Витебск ул. Петруся Бровки, 34 +375 (29) 636-25-08 ( Много )
Схема проезда
г. Гродно ул. Карского, 35 +375 (44) 770-70-21 ( Много )
Схема проезда
г. Дятлово ул. Советская ,104 +375 (29) 187-87-37 ( Средне )
Схема проезда
г. Кобрин ул. Пролетарская, 177А +375 (44) 588-10-80 ( Много )
Схема проезда
г. Лепель ул. Лобанка, 43 +375 (44) 778-65-21 ( Средне )
Схема проезда
г. Могилев ул. Габровская 11Б +375 (29) 662-02-16 ( Много )
Схема проезда
г. Мозырь промузел Козенки +375 (44) 731-94-60 ( Много )
Схема проезда
г. Новогрудок ул. Индустриальная, 3 +375 (44) 729-39-19 ( Много )
Схема проезда
г. Орша ул. Сергея Кирова, д. 34 +375 (44) 583-91-42 ( Много )
Схема проезда
г. Пинск ул. Калиновского 32 +375 (44) 560-99-59 ( Много )
Схема проезда
г. Полоцк-2 ул. Шенягина, 52 +375 (29) 302-94-73 ( Много )
Схема проезда
г. Полоцк-2 ул. Шенягина, 52 +375 (29) 302-94-73 ( Средне )
Схема проезда
г. Слуцк ул. Тутаринова, 8 +375 (29) 346-06-90 ( Средне )
Схема проезда
г. Сморгонь ул. Железнодорожная, 32 +375 (29) 671-02-10 ( Много )
Схема проезда
г. Щучин ул. Советская, 39 +375 (29) 177-29-70 ( Много )
Схема проезда
Шайба сателлита крестовины 5336-2403058
Шайба сателлита крестовины
Каталожный номер 5336-2403058
Производитель МАЗ МАЗ
Код 1958
Доставка по всей Беларуси
Доступность остатки на филиалах Остатки на филиалах
Остаток В наличии
Склад Адрес Контакт Остатки
г. Барановичи ул. Пролетарская, 40 +375 (29) 795-96-37 ( Средне )
Схема проезда
г. Берёза ул. Красноармейская, 89/11 +375 (29) 676-70-71 ( Средне )
Схема проезда
г. Борисов ул. Демина, 2а +375 (44) 560-99-75 ( Средне )
Схема проезда
г. Витебск ул. Петруся Бровки, 34 +375 (29) 636-25-08 ( Средне )
Схема проезда
г. Гомель ул. Барыкина, 291Б +375 (44) 514-15-30 ( Много )
Схема проезда
г. Гродно ул. Карского, 35 +375 (44) 770-70-21 ( Средне )
Схема проезда
г. Лепель ул. Лобанка, 43 +375 (44) 778-65-21 ( Средне )
Схема проезда
г. Мозырь промузел Козенки +375 (44) 731-94-60 ( Средне )
Схема проезда
г. Осиповичи ул. Короткая, 11 +375 (29) 165-60-07 ( Средне )
Схема проезда
г. Пинск ул. Калиновского 32 +375 (44) 560-99-59 ( Много )
Схема проезда
г. Полоцк-2 ул. Шенягина, 52 +375 (29) 302-94-73 ( Средне )
Схема проезда
г. Поставы ул. Советская, 69 +375 (44) 770-80-13 ( Средне )
Схема проезда
г. Слуцк ул. Тутаринова, 8 +375 (29) 346-06-90 ( Средне )
Схема проезда
г. Щучин ул. Советская, 39 +375 (29) 177-29-70 ( Средне )
Схема проезда