236-1007262 Манжета уплотнительная клапана с кольцом и пружиной Силовые Агрегаты — группа ГАЗ, Ярославль
| Наименование: | Манжета уплотнительная клапана с кольцом и пружиной Силовые Агрегаты — группа ГАЗ, Ярославль |
| Каталожный номер: | 236-1007262 |
| Код товара: | 2361007262 |
| Доставка: | по всей Беларуси |
| Остаток: | под заказ |
Нашли не точность в описании товара? сообщить администратору.
* Выставить счет, получить техническую информацию и стоимость
Заказать деталь Онлайн
Описание
Наличие на филиалах
Применяемость
Заменить на СТО
Email
ras.Drenchik@gmail.com
Email
ras.Drobot@gmail.com
Email
ras.Rozhkov@gmail.com
Email
los.Konoda@gmail.com
Email
ras.titenkova@gmail.com
Email
ras.Abramovich@gmail.com
Email
pinsk.sto@gmail.com
Email
sto.Polock@snabavto.by
236-1007262 Манжета уплотнительная клапана с кольцом и пружиной.
- Производитель: Силовые Агрегаты — группа ГАЗ, Ярославль
- Каталожный номер по заводу: 236-1007262
- Код для заказа: 2361007262
| Марка | Модель | Кат.номер | Наим. по каталогу | Чертеж | |
|---|---|---|---|---|---|
| МАЗ | МАЗ-5433 | 236-1007262 | Манжета уплотнительная впускного клапана с кольцом и пружиной | Клапаны и толкатели |
|
| ЛАЗ | ЛАЗ 5252 | 236-1007262 | Манжета впускного клапана | Головка цилиндров двигателя ЯМЗ-236НЕ и ЯМЗ-236А |
|
| ЯМЗ | ЯМЗ-236 М | 236-1007262 | Манжета уплотнительная впускного клапана в сборе | Головка цилиндров двигателя ЯМЗ-236М |
|
| ЯМЗ | ЯМЗ-236 НЕ, 236 БЕ, 7601.10 (2003) | 236-1007262 | Манжета уплотнительная впускного клапана в сборе | Головка цилиндров |
|
| ЯМЗ | ЯМЗ-236 НЕ, 236 БЕ, 7601.10 (2003) | 236-1007262 | Манжета уплотнительная впускного клапана в сборе | Головка цилиндра двигателей ЯМЗ-7601.10, ЯМЗ-236НЕ2, ЯМЗ-236БЕ2 |
|
| ЯМЗ | ЯМЗ-236 ДК и ЯМЗ 238 АК (2002) | 236-1007262 | Манжета уплотнительная впускного клапана в сборе | Головка цилиндров двигателя ЯМЗ-236ДК | |
| ЯМЗ | ЯМЗ-236 ДК и ЯМЗ 238 АК (2002) | 236-1007262 | Манжета уплотнительная впускного клапана в сборе | Головка цилиндров двигателя ЯМЗ-238АК | |
| ЯМЗ | ЯМЗ-238 М | 236-1007262 | Манжета уплотнительная впускного клапана в сборе | Головка цилиндров двигателей ЯМЗ-238М и ЯМЗ-238НД |
|
| ЯМЗ | ЯМЗ-236 М2 и 238 М2 | 236-1007262 | Манжета уплотнительная впускного клапана в сборе | Головка цилиндров двигателя ЯМЗ-236М2 |
|
| ЯМЗ | ЯМЗ-236 М2 и 238 М2 | 236-1007262 | Манжета уплотнительная впускного клапана в сборе | Головка цилиндров двигателя ЯМЗ-238М2 |
|
| ЯМЗ | ЯМЗ-238 АК | 236-1007262 | Манжета уплотнительная впускного клапана в сборе | Головка цилиндров | |
| ЯМЗ | ЯМЗ-238 НД | 236-1007262 | Манжета уплотнительная впускного клапана в сборе | Головка цилиндров двигателей ЯМЗ-238М и ЯМЗ-238НД | |
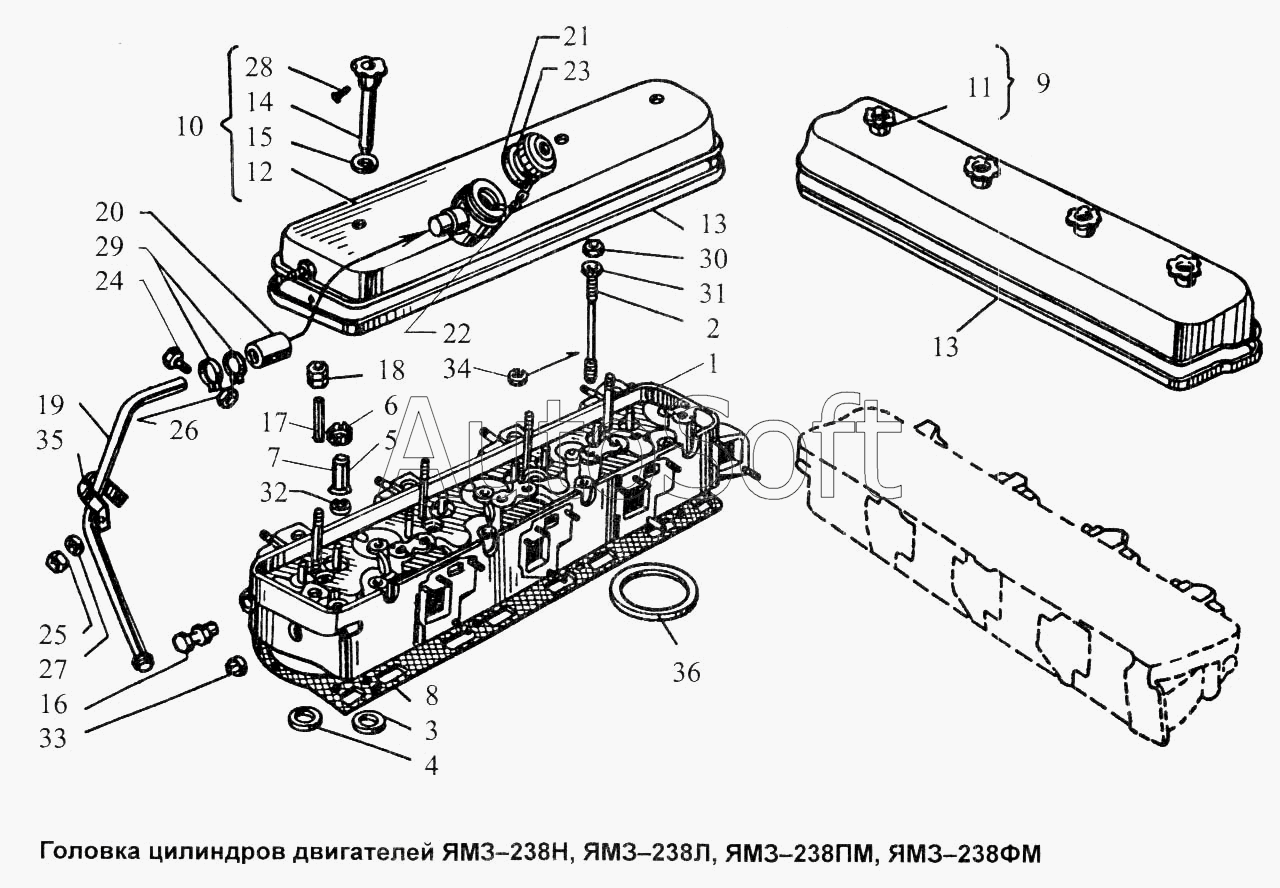
| ЯМЗ | ЯМЗ-238 Н | 236-1007262 | Манжета уплотнительная впускного клапана в сборе | Головка цилиндров двигателей ЯМЗ-238Н, ЯМЗ-238Л, ЯМЗ-238ПМ, ЯМЗ-238ФМ |
|
| ЯМЗ | ЯМЗ-238 Л | 236-1007262 | Манжета уплотнительная впускного клапана в сборе | Головка цилиндров двигателей ЯМЗ-238Н, ЯМЗ-238Л, ЯМЗ-238ПМ, ЯМЗ-238ФМ |
|
| ЯМЗ | ЯМЗ-238 ПМ и 238 ФМ | 236-1007262 | Манжета уплотнительная впускного клапана в сборе | Головка цилиндров двигателей ЯМЗ-238Н, ЯМЗ-238Л, ЯМЗ-238ПМ, ЯМЗ-238ФМ | |
| ЯМЗ | Общий (см. мод-ции) | 236-1007262 | Манжета уплотнительная впускного клапана в сборе | Головка цилиндров двигателя ЯМЗ-236М |
|
| ЯМЗ | Общий (см. мод-ции) | 236-1007262 | Манжета уплотнительная впускного клапана в сборе | Головка цилиндров двигателей ЯМЗ-238М и ЯМЗ-238НД |
|
| ЯМЗ | Общий (см. мод-ции) | 236-1007262 | Манжета уплотнительная впускного клапана в сборе | Головка цилиндров двигателей ЯМЗ-238Н, ЯМЗ-238Л, ЯМЗ-238ПМ, ЯМЗ-238ФМ | |
| ЯМЗ | ЯМЗ-238Д и Б (2002) | 236-1007262 | Манжета уплотнительная впускного клапана в сборе | Головка цилиндров |
|
| ЯМЗ | ЯМЗ-240 (1998) | 236-1007262 | Манжета уплотнительная впускного клапана в сборе | Головка цилиндров | |
Под заказ
Аналоги
| Манжета 236-1007262 маслосъемная клапана (комплект 8 шт.) РОСИЧЪ | |
| Каталожный номер | 236-1007262 |
| Производитель |
|
| Код | 00-ГР041076 |
| Доставка | по всей Беларуси |
| Доступность | остатки на филиалах |
| Остаток: г.Минск, ул.Селицкого 21к | В наличии |
| Склад | Адрес | Контакт | Остатки | |
|---|---|---|---|---|
| г. Минск | ул. Селицкого, 21к | +375 (44) 770-80-78 |
( Много )
|
Схема проезда |
| г. Барановичи | ул. Пролетарская, 40 | +375 (29) 795-96-37 |
( Средне )
|
Схема проезда |
| г. Барановичи | ул. Бадака, 27Б | +375 (29) 350-33-47 |
( Средне )
|
Схема проезда |
| г. Гомель | ул. Барыкина, 291Б | +375 (44) 514-15-30 |
( Средне )
|
Схема проезда |
| г. Ошмяны | ул. Льнозоводская 3 | +375 (44) 770-80-91 |
( Средне )
|
Схема проезда |
| Маховик в сборе, Силовые Агрегаты — группа ГАЗ, Ярославль | |
| Каталожный номер | 236-1007262 |
| Производитель |
|
| Код | 658 |
| Доставка | по всей Беларуси |
| Остаток: г.Минск, ул.Селицкого 21к | Под заказ |
| Склад | Адрес | Контакт | Остатки | |
|---|---|---|---|---|
| г. Минск | ул. Бабушкина, 37 | +375 (29) 632-00-82 |
( Средне )
|
Схема проезда |
| г. Минск | ул. Селицкого, 21к | +375 (44) 770-80-78 |
( Много )
|
Схема проезда |
| г. Барановичи | ул. Пролетарская, 40 | +375 (29) 795-96-37 |
( Много )
|
Схема проезда |
| г. Барановичи | ул. Бадака, 27Б | +375 (29) 350-33-47 |
( Много )
|
Схема проезда |
| г. Березино | ул. Комсомольская, д. 24 | +375 (44) 770-80-17 |
( Много )
|
Схема проезда |
| г. Берёза | ул. Красноармейская, 89/11 | +375 (29) 676-70-71 |
( Много )
|
Схема проезда |
| г. Бобруйск | ул. Орловского, 22к3 | +375 (29) 345-37-07 |
( Много )
|
Схема проезда |
| г. Борисов | ул. Демина, 2а | +375 (44) 560-99-75 |
( Много )
|
Схема проезда |
| г. Брест | Тельминский с/с, 1Д/1, 1 км южнее д. Тельмы-2 | +375 (44) 599-90-75 |
( Средне )
|
Схема проезда |
| г. Витебск | ул. Правды, 33 | +375 (44) 770-80-87 |
( Много )
|
Схема проезда |
| г. Глубокое | ул. Энгельса, 22 | +375 (44) 505-71-40 |
( Средне )
|
Схема проезда |
| г. Горки | ул.Мира, д.51а/1 | +375 (44) 565-33-61 |
( Много )
|
Схема проезда |
| г. Дрогичин | ул. Юбилейная, 42 | +375 (29) 682-17-13 |
( Много )
|
Схема проезда |
| г. Дятлово | ул. Советская ,104 | +375 (29) 187-87-37 |
( Много )
|
Схема проезда |
| г. Житковичи | ул. Комсомольская, 49 | +375 (29) 394-82-52 |
( Много )
|
Схема проезда |
| г. Ивацевичи | ул. Загородная, 6А | +375 (29) 188-59-01 |
( Много )
|
Схема проезда |
| г. Лепель | ул. Лобанка, 43 | +375 (44) 778-65-21 |
( Много )
|
Схема проезда |
| г. Лунинец | ул.Красная, 175а | +375 (44) 721-46-74 |
( Много )
|
Схема проезда |
| г. Могилев | ул. Габровская 11Б | +375 (29) 662-02-16 |
( Много )
|
Схема проезда |
| г. Мозырь | промузел Козенки | +375 (44) 731-94-60 |
( Много )
|
Схема проезда |
| г. Молодечно | ул. Галицкого, 14 | +375 (44) 567-28-47 |
( Средне )
|
Схема проезда |
| г. Орша | ул. Сергея Кирова, д. 34 | +375 (44) 583-91-42 |
( Много )
|
Схема проезда |
| г. Осиповичи | ул. Короткая, 11 | +375 (29) 165-60-07 |
( Много )
|
Схема проезда |
| г. Ошмяны | ул. Льнозоводская 3 | +375 (44) 770-80-91 |
( Много )
|
Схема проезда |
| г. Петриков | ул. Первомайская, 124 | +375 (33) 660-06-75 |
( Много )
|
Схема проезда |
| г. Пинск | ул. Калиновского 32 | +375 (44) 560-99-59 |
( Много )
|
Схема проезда |
| г. Полоцк-2 | ул. Шенягина, 52 | +375 (29) 302-94-73 |
( Много )
|
Схема проезда |
| г. Полоцк-2 | ул. Шенягина, 52 | +375 (29) 302-94-73 |
( Много )
|
Схема проезда |
| г. Полоцк-2 | ул. Шенягина, 52 | +375 (29) 302-94-73 |
( Средне )
|
Схема проезда |
| г. Поставы | ул. Советская, 69 | +375 (44) 770-80-13 |
( Много )
|
Схема проезда |
| г. Пружаны | ул. Макаренко, 21 | +375 (29) 348-83-18 |
( Средне )
|
Схема проезда |
| г. Слоним | ул. Советская, 93а | +375 (29) 394-82-01 |
( Средне )
|
Схема проезда |
| г. Слуцк | ул. Тутаринова, 8 | +375 (29) 346-06-90 |
( Много )
|
Схема проезда |
| г. Сморгонь | ул. Железнодорожная, 32 | +375 (29) 671-02-10 |
( Много )
|
Схема проезда |
| г. Солигорск | Чижевичский сельсовет, 3Г | +375 (29) 899-58-52 |
( Много )
|
Схема проезда |
| Манжета маслосъемная впускного клапана | |
| Каталожный номер | 236-1007262 |
| Производитель |
|
| Код | 658 |
| Доставка | по всей Беларуси |
| Доступность | остатки на филиалах |
| Остаток | Под заказ |
| Манжета | |
| Каталожный номер | 236-1007262 |
| Производитель |
|
| Код | 7282 |
| Доставка | по всей Беларуси |
| Доступность | остатки на филиалах |
| Остаток: г.Минск, ул.Селицкого 21к | В наличии |
| Склад | Адрес | Контакт | Остатки | |
|---|---|---|---|---|
| г. Минск | ул. Селицкого, 21к | +375 (44) 770-80-78 |
( Много )
|
Схема проезда |
| г. Барановичи | ул. Пролетарская, 40 | +375 (29) 795-96-37 |
( Много )
|
Схема проезда |
| г. Барановичи | ул. Бадака, 27Б | +375 (29) 350-33-47 |
( Много )
|
Схема проезда |
| г. Березино | ул. Комсомольская, д. 24 | +375 (44) 770-80-17 |
( Много )
|
Схема проезда |
| г. Бобруйск | ул. Орловского, 22к3 | +375 (29) 345-37-07 |
( Много )
|
Схема проезда |
| г. Борисов | ул. Демина, 2а | +375 (44) 560-99-75 |
( Много )
|
Схема проезда |
| г. Брест | Тельминский с/с, 1Д/1, 1 км южнее д. Тельмы-2 | +375 (44) 599-90-75 |
( Много )
|
Схема проезда |
| г. Витебск | ул. Правды, 33 | +375 (44) 770-80-87 |
( Много )
|
Схема проезда |
| г. Витебск | ул. Петруся Бровки, 34 | +375 (29) 636-25-08 |
( Много )
|
Схема проезда |
| г. Гомель | ул. Барыкина, 291Б | +375 (44) 514-15-30 |
( Много )
|
Схема проезда |
| г. Горки | ул.Мира, д.51а/1 | +375 (44) 565-33-61 |
( Много )
|
Схема проезда |
| г. Гродно | ул. Карского, 35 | +375 (44) 770-70-21 |
( Много )
|
Схема проезда |
| г. Дрогичин | ул. Юбилейная, 42 | +375 (29) 682-17-13 |
( Много )
|
Схема проезда |
| г. Житковичи | ул. Комсомольская, 49 | +375 (29) 394-82-52 |
( Много )
|
Схема проезда |
| г. Ивацевичи | ул. Загородная, 6А | +375 (29) 188-59-01 |
( Много )
|
Схема проезда |
| г. Кобрин | ул. Пролетарская, 177А | +375 (44) 588-10-80 |
( Средне )
|
Схема проезда |
| г. Мозырь | промузел Козенки | +375 (44) 731-94-60 |
( Много )
|
Схема проезда |
| г. Молодечно | ул. Галицкого, 14 | +375 (44) 567-28-47 |
( Много )
|
Схема проезда |
| г. Новогрудок | ул. Индустриальная, 3 | +375 (44) 729-39-19 |
( Много )
|
Схема проезда |
| г. Орша | ул. Сергея Кирова, д. 34 | +375 (44) 583-91-42 |
( Много )
|
Схема проезда |
| г. Осиповичи | ул. Короткая, 11 | +375 (29) 165-60-07 |
( Много )
|
Схема проезда |
| г. Полоцк-2 | ул. Шенягина, 52 | +375 (29) 302-94-73 |
( Много )
|
Схема проезда |
| г. Полоцк-2 | ул. Шенягина, 52 | +375 (29) 302-94-73 |
( Много )
|
Схема проезда |
| г. Слоним | ул. Советская, 93а | +375 (29) 394-82-01 |
( Средне )
|
Схема проезда |
| г. Солигорск | Чижевичский сельсовет, 3Г | +375 (29) 899-58-52 |
( Много )
|
Схема проезда |
| г. Столин | ул. Быковского, 29 | +375 (33) 304-54-36 |
( Много )
|
Схема проезда |
Товары из этой категории
| Шплинт 4х32 ост 3700117175 МАЗ ОАО | |
| Каталожный номер | 258054 |
| Производитель | |
| Код | 258054 |
| Доставка | по всей Беларуси |
| Остаток | Под заказ |
| Прокладка Универсал,Бобруйск | |
| Каталожный номер | 4370-3103047 |
| Производитель | |
| Код | 43703103047 |
| Доставка | по всей Беларуси |
| Остаток | Под заказ |
| Шарнир МАЗ ОАО, УВК | |
| Каталожный номер | 4370-2902230-11 |
| Производитель | |
| Код | 4370290223011 |
| Доставка | по всей Беларуси |
| Остаток | Под заказ |
| Фонарь задний габаритный Руденск | |
| Каталожный номер | 112.01.14 |
| Производитель | |
| Код | 1120114 |
| Доставка | по всей Беларуси |
| Остаток | Под заказ |
| Механизм рулевой БААЗ,Барановичи | |
| Каталожный номер | 64229-3400010-01 |
| Производитель | |
| Код | 64229340001001 |
| Доставка | по всей Беларуси |
| Остаток | Под заказ |
Политика обработки файлов cookie
На сайте snabavto.by используются файлы cookie для сбора обезличенной информации о пользователях. Это помогает нам анализировать статистику, совершенствовать сервис и делать его более удобным для вас. Подробнее о файлах cookie вы можете узнать в соответствующем разделе Политики обработки файлов cookie.
Ремавтоснаб