Республика Беларусь,
г. Минск, ул. Селицкого 21к - центральный склад
Пн-пт с 8:00 до 17:00
Меню
8102 Смазка MANNOL Universal Multipurpose Greasе MP-2 400 гр.(металл)
Наименование: Смазка MANNOL 8102 Universal Multipurpose Greasе MP-2 400 гр.(металл)
Каталожный номер: 8102
Производитель: MANNOL
Код товара: 00-ГР008836
Доставка: по всей Беларуси
Остаток: под заказ

Нашли не точность в описании товара? сообщить администратору.

+375 (44) 770-80-78 +375 (29) 747-80-78
* Выставить счет, получить техническую информацию и стоимость
Заказать деталь Онлайн
Описание
Наличие на филиалах
Применяемость
Заменить на СТО

MANNOL 8102 Universal Multipurpose Greasе MP-2/Смазка 400 гр.(металл) (Литва). Код товара для заказа: 00-ГР008836

Марка Модель Кат.номер Наим. по каталогу Чертеж
ГАЗ ГАЗ-24-10 (1995) 8102-6102154 Пластина крепления облицовки Окно и механизм перемещения стекла передней двери
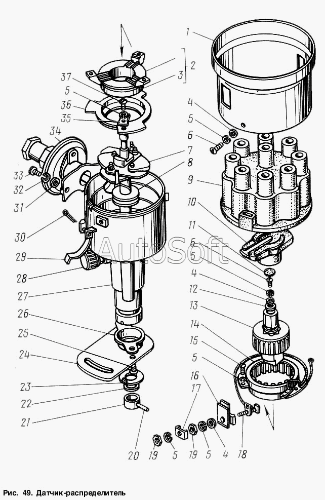
ГАЗ ГАЗ-24-10 (1995) Шарикоподшипник № 8102 ГОСТ 6874-75 Шарикоподшипник № 8102 ГОСТ 6874-75 Датчик-распределитель Чертеж Датчик-распределитель
ГАЗ ГАЗ-31029 Шарикоподшипник № 8102 Шарикоподшипник № 8102 Датчик-распределитель Чертеж Датчик-распределитель
ГАЗ ГАЗ-3307 (2000) 6-8102 Подшипник в сборе (покупное изделие) Датчик-распределитель Чертеж Датчик-распределитель
ГАЗ ГАЗ-3307 (2000) 6-8102 Подшипник в сборе (покупное изделие) Датчик-распределитель Чертеж Датчик-распределитель
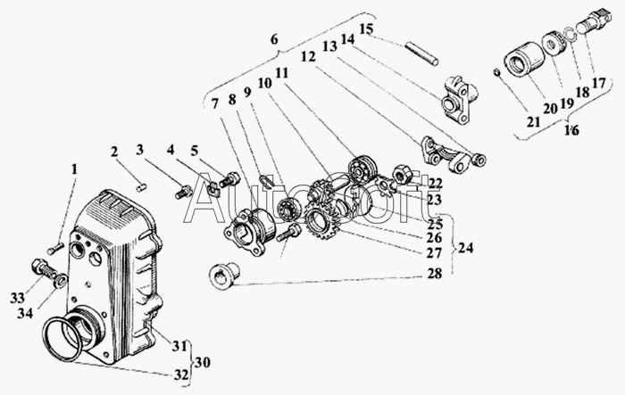
ГАЗ ГАЗ-4301 51А-1017337 Подшипник 8102 ГОСТ 520-91 Корпус топливного насоса с кулачковым валом, крышка регулятора в сборе, муфта и державка грузов, крышка смотрового люка Чертеж Корпус топливного насоса с кулачковым валом, крышка регулятора в сборе, муфта и державка грузов, крышка смотрового люка
ГАЗ ГАЗ-53 А (1989) 51А-1017337 Подшипник 8102 ГОСТ 520-91 Фильтр центробежной очистки масла Чертеж Фильтр центробежной очистки масла
ГАЗ ГАЗ-66 (Каталог 1983 г.) (1983) 51А-1017337 Подшипник 8102 ГОСТ 520-91 Фильтр центробежный очистки масла
ГАЗ ГАЗ-66 (Каталог 1996 г.) (1996) 6-8102 Подшипник в сборе (покупное изделие) Датчик-распределитель Чертеж Датчик-распределитель
ГАЗ ГАЗ-71 51А-1017337 Подшипник 8102 ГОСТ 520-91 Фильтр центробежной очистки масла
УАЗ УАЗ-3160 (2002) 6-8102 Шарикоподшипник Распределитель зажигания Чертеж Распределитель зажигания
МАЗ МАЗ-54328 8102 Подшипник шариковый упорный муфты грузов регулятора частоты вращения Корпус регулятора частоты вращения
МАЗ МАЗ-5433 8102 Подшипник шариковый упорный муфты грузов регулятора частоты вращения Регулятор частоты вращения
ЛАЗ ЛАЗ 4207 740.1017220 Шарикоподшипник (8102) упорный Фильтр центробежный очистки масла (вариант) Чертеж Фильтр центробежный очистки масла (вариант)
ЛАЗ ЛАЗ 4207 740.1017220 Подшипник шариковый упорный (8102) Схема установки подшипников
ЛАЗ ЛАЗ 5252 740.1017220 Подшипник шариковый упорный (8102) Регулятор числа оборотов двигателя ЯМЗ-236НЕ и ЯМЗ-236А Чертеж Регулятор числа оборотов двигателя ЯМЗ-236НЕ и ЯМЗ-236А
ЛиАЗ ЛиАЗ 5256 8102 Подшипник шариковый упорный Фильтр центробежный очистки масла Чертеж Фильтр центробежный очистки масла
ЛиАЗ ЛиАЗ 5256 740.1017220 Шарикоподшипник 8102 упорный Фильтр центробежный очистки масла Чертеж Фильтр центробежный очистки масла
Камский автозавод 4326 (2001) 8102 Подшипник Кинематическая схема трансмиссии 4326 Чертеж Кинематическая схема трансмиссии 4326
УралАЗ УРАЛ-4320 8102 Шарикоподшипник упорный ротора фильтра Двигатель в сборе Чертеж Двигатель в сборе
Товары из этой категории
Смазка OILTIGHT №158М (800г)
Смазка OILTIGHT №158М (800г)
Каталожный номер
Производитель ОЙЛРАЙТ ОЙЛРАЙТ
Код 00-ГР020799
Доставка по всей Беларуси
Доступность остатки на филиалах Остатки на филиалах
Остаток Под заказ
Фиксатор резьб. долговременный 50мл.
Фиксатор резьб. долговременный 50мл.
Каталожный номер
Производитель
Код 30636
Доставка по всей Беларуси
Доступность остатки на филиалах Остатки на филиалах
Остаток В наличии
Склад Адрес Контакт Остатки
г. Брест Тельминский с/с, 1Д/1, 1 км южнее д. Тельмы-2 +375 (44) 599-90-75 ( Мало )
Схема проезда
Холодная сварка Ln1721 «Универсальная» Multifix Lavr 60 гр Ln1721
Холодная сварка Ln1721 «Универсальная» Multifix Lavr 60 гр
Каталожный номер Ln1721
Производитель Lavr Lavr
Код 00-ГР024457
Доставка по всей Беларуси
Доступность остатки на филиалах Остатки на филиалах
Остаток В наличии
Склад Адрес Контакт Остатки
г. Борисов ул. Демина, 2а +375 (44) 560-99-75 ( Мало )
Схема проезда
г. Дятлово ул. Советская ,104 +375 (29) 187-87-37 ( Средне )
Схема проезда
г. Ошмяны ул. Льнозоводская 3 +375 (44) 770-80-91 ( Мало )
Схема проезда
г. Слоним ул. Советская, 93а +375 (29) 394-82-01 ( Средне )
Схема проезда
Шпатлевка (1,2 кг)
Шпатлевка (1,2 кг)
Каталожный номер
Производитель
Код 49638
Доставка по всей Беларуси
Доступность остатки на филиалах Остатки на филиалах
Остаток Под заказ
Смазка графитная
Смазка графитная
Каталожный номер
Производитель
Код 2050950134
Доставка по всей Беларуси
Доступность остатки на филиалах Остатки на филиалах
Остаток Под заказ