Республика Беларусь,
г. Минск, ул. Селицкого 21к - центральный склад
Пн-пт с 8:00 до 17:00
Меню
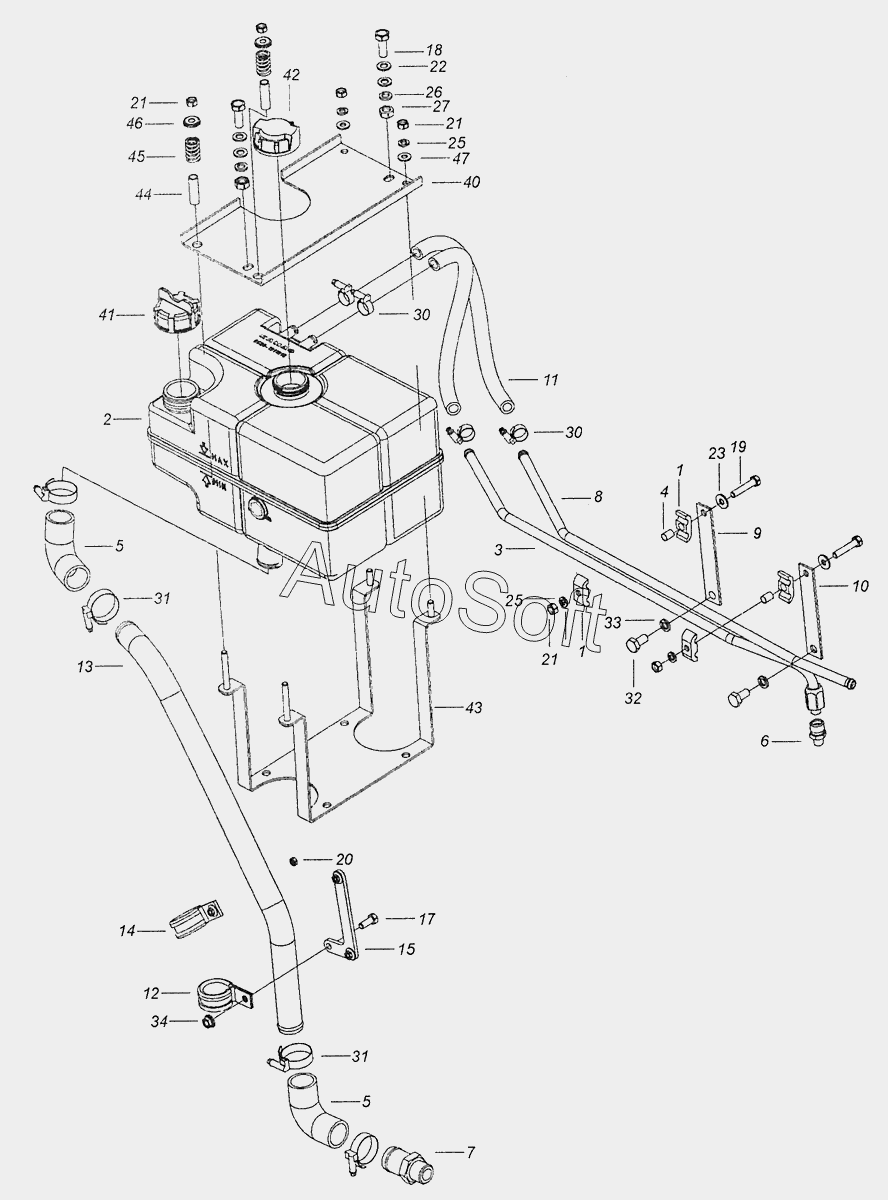
9527-1311060 Крышка бачка расширительного
Наименование: Крышка 9527-1311060 бачка расширительного
Каталожный номер: 9527-1311060
Производитель: RSTA
Код товара: 00-ГР036225
Доставка: по всей Беларуси
Остаток: под заказ

Нашли не точность в описании товара? сообщить администратору.

+375 (44) 770-80-78 +375 (29) 747-80-78
* Выставить счет, получить техническую информацию и стоимость
Заказать деталь Онлайн
Описание
Наличие на филиалах
Применяемость
Заменить на СТО

Крышка 9527-1311060 бачка расширительного производства RSTA (РФ), Код для заказа: 00-ГР036225

Марка Модель Кат.номер Наим. по каталогу Чертеж
Камский автозавод 6520 (Euro-2, 3) (2009) 9527-1311060-01 Пробка расширительного бачка 6520-1311005 Установка расширительного бачка
Камский автозавод 5308 (Евро 4) (2013) 9527-1311060-01 Пробка расширительного бачка 5308-1311005-20 Установка бачка расширительного Чертеж 5308-1311005-20 Установка бачка расширительного
Камский автозавод 43502 (Евро 4) (2013) 9527-1311060-01 Пробка расширительного бачка 65222-1311005 Установка расширительного бачка Чертеж 65222-1311005 Установка расширительного бачка
Камский автозавод 43253 (Часть-1) (2011) 9527-1311060-01 Пробка расширительного бачка 54115-1311005-10 Установка расширительного бачка Чертеж 54115-1311005-10 Установка расширительного бачка
Камский автозавод 5308 (Евро 3) (2012) 9527-1311060-01 Пробка расширительного бачка 5308-1311005-20 Установка бачка расширительного
Камский автозавод 43253, 43255 (Евро-4) (2012) 9527-1311060-02 Пробка расширительного бачка 43255-1311005-20 Установка бачка расширительного
Камский автозавод 43253, 43255 (Евро-4) (2012) 9527-1311060-02 Пробка расширительного бачка 65115-1311005-45 Установка бачка расширительного
Камский автозавод 53605 (Евро-4) (2013) 9527-1311060-02 Пробка расширительного бачка 53605-1311005-20 Установка бачка расширительного
Камский автозавод 4308 (Евро 4) (2012) 9527-1311060-01 Пробка расширительного бачка 5308-1311005-20 Установка бачка расширительного
Камский автозавод 4308 (Евро 4) (2012) 9527-1311060-02 Пробка расширительного бачка 4308-1311005-60 Установка бачка расширительного
Камский автозавод 6520 (Euro-4) (2012) 9527-1311060-02 Пробка расширительного бачка 6520-1311005-30 Установка бачка расширительного Чертеж 6520-1311005-30 Установка бачка расширительного
УралАЗ УРАЛ-44202-0511-58 (2010) 9527-1311060-02 Пробка расширительного бачка Установка расширительного бачка Чертеж Установка расширительного бачка
УралАЗ УРАЛ-44202-3511-80М (2015) 9527-1311060-02 Пробка расширительного бачка Установка расширительного бачка Чертеж Установка расширительного бачка
УралАЗ УРАЛ-4320-80М/82М (2015) 9527-1311060-02 Пробка расширительного бачка Установка расширительного бачка на автомобили 4320-0004951-80М, 4320-0004951-82М, 4320-0004952-80М, 4320-0004952-82М
УралАЗ УРАЛ-4320-80М/82М (2015) 9527-1311060-02 Пробка расширительного бачка Установка расширительного бачка на автомобили 4320-0004971-82М, 4320-0004972-82М
УралАЗ УРАЛ-55571-1121-70 (2011) 9527-1311060-02 Пробка расширительного бачка Установка расширительного бачка
УралАЗ УРАЛ-4320-60 (2013) 9527-1311060-02 Пробка расширительного бачка Установка расширительного бачка
УралАЗ УРАЛ-4320-61 (2013) 9527-1311060-02 Пробка расширительного бачка Установка расширительного бачка для автомобилей 4320-0000110-61, 4320-0000111-61И03, 4320-0001112-61Р02, 5557-0001122-60, 55571-0001121-60Р02 Чертеж Установка расширительного бачка для автомобилей 4320-0000110-61, 4320-0000111-61И03, 4320-0001112-61Р02, 5557-0001122-60, 55571-0001121-60Р02
УралАЗ УРАЛ-4320-61 (2013) 9527-1311060-02 Пробка расширительного бачка Установка расширительного бачка для автомобилей 4320-0000110-71, 5557-0001152-70И03, 55571-0001121-70И03 Чертеж Установка расширительного бачка для автомобилей 4320-0000110-71, 5557-0001152-70И03, 55571-0001121-70И03
УралАЗ УРАЛ-43204-1111-70 (2012) 9527-1311060-02 Пробка расширительного бачка Установка расширительного бачка Чертеж Установка расширительного бачка
Товары из этой категории
Ремень 1320х10х8,5х8 (Z) КАМАЗ 1320х10х8,5х8
Ремень 1320х10х8,5х8 (Z) КАМАЗ
Каталожный номер 1320х10х8,5х8
Производитель SUNWAY SUNWAY
Код 11029
Доставка по всей Беларуси
Доступность остатки на филиалах Остатки на филиалах
Остаток: г.Минск, ул.Селицкого 21к В наличии
Склад Адрес Контакт Остатки
г. Минск ул. Бабушкина, 37 +375 (29) 632-00-82 ( Средне )
Схема проезда
г. Минск ул. Селицкого, 21к +375 (44) 770-80-78 ( Много )
Схема проезда
г. Барановичи ул. Пролетарская, 40 +375 (29) 795-96-37 ( Средне )
Схема проезда
г. Березино ул. Комсомольская, д. 24 +375 (44) 770-80-17 ( Средне )
Схема проезда
г. Берёза ул. Красноармейская, 89/11 +375 (29) 676-70-71 ( Мало )
Схема проезда
г. Бобруйск ул. Гоголя, 181/1-6 +375 (29) 630-05-01 ( Средне )
Схема проезда
г. Глубокое ул. Энгельса, 22 +375 (44) 505-71-40 ( Средне )
Схема проезда
г. Гомель ул. Барыкина, 291Б +375 (44) 514-15-30 ( Много )
Схема проезда
г. Дрогичин ул. Юбилейная, 42 +375 (29) 682-17-13 ( Средне )
Схема проезда
г. Дятлово ул. Советская ,104 +375 (29) 187-87-37 ( Средне )
Схема проезда
г. Кричев ул. Комсомольская, 126 +375 (29) 628-88-42 ( Средне )
Схема проезда
г. Лельчицы ул. Советская, д.96/1 +375 (29) 346-98-96 ( Средне )
Схема проезда
г. Могилев ул. Габровская 11Б +375 (29) 662-02-16 ( Средне )
Схема проезда
г. Несвиж ул. Кутузова, 2 +375 (29) 394-82-48 ( Средне )
Схема проезда
г. Орша ул. Сергея Кирова, д. 34 +375 (44) 583-91-42 ( Средне )
Схема проезда
г. Полоцк-2 ул. Шенягина, 52 +375 (29) 302-94-73 ( Средне )
Схема проезда
г. Солигорск Чижевичский сельсовет, 3Г +375 (29) 899-58-52 ( Мало )
Схема проезда
г. Столин ул. Быковского, 29 +375 (33) 304-54-36 ( Средне )
Схема проезда
Патрубок расширительного бачка 5320-1311049
Патрубок расширительного бачка
Каталожный номер 5320-1311049
Производитель Резинотехника Резинотехника
Код 12011
Доставка по всей Беларуси
Доступность остатки на филиалах Остатки на филиалах
Остаток: г.Минск, ул.Селицкого 21к В наличии
Склад Адрес Контакт Остатки
г. Минск ул. Селицкого, 21к +375 (44) 770-80-78 ( Средне )
Схема проезда
г. Бобруйск ул. Орловского, 22к3 +375 (29) 345-37-07 ( Средне )
Схема проезда
г. Витебск ул. Петруся Бровки, 34 +375 (29) 636-25-08 ( Мало )
Схема проезда
г. Дрогичин ул. Юбилейная, 42 +375 (29) 682-17-13 ( Мало )
Схема проезда
г. Дятлово ул. Советская ,104 +375 (29) 187-87-37 ( Мало )
Схема проезда
г. Осиповичи ул. Короткая, 11 +375 (29) 165-60-07 ( Мало )
Схема проезда
г. Полоцк-2 ул. Шенягина, 52 +375 (29) 302-94-73 ( Мало )
Схема проезда
г. Сморгонь ул. Железнодорожная, 32 +375 (29) 671-02-10 ( Мало )
Схема проезда
г. Щучин ул. Советская, 39 +375 (29) 177-29-70 ( Мало )
Схема проезда
Ремкомплект системы охлаждения КАМАЗ (большой) 740.30-1303768
Ремкомплект системы охлаждения КАМАЗ (большой)
Каталожный номер 740.30-1303768
Производитель Резинотехника Резинотехника
Код 11308
Доставка по всей Беларуси
Доступность остатки на филиалах Остатки на филиалах
Остаток В наличии
Склад Адрес Контакт Остатки
г. Минск ул. Бабушкина, 37 +375 (29) 632-00-82 ( Мало )
Схема проезда
Ремкомплект системы охлаждения КАМАЗ 740-1303768, 740-1303000
Ремкомплект системы охлаждения КАМАЗ
Каталожный номер 740-1303768, 740-1303000
Производитель RSTA RSTA
Код 11307
Доставка по всей Беларуси
Доступность остатки на филиалах Остатки на филиалах
Остаток: г.Минск, ул.Селицкого 21к В наличии
Склад Адрес Контакт Остатки
г. Минск ул. Селицкого, 21к +375 (44) 770-80-78 ( Средне )
Схема проезда
г. Бобруйск ул. Орловского, 22к3 +375 (29) 345-37-07 ( Мало )
Схема проезда
г. Борисов ул. Демина, 2а +375 (44) 560-99-75 ( Мало )
Схема проезда
г. Дрогичин ул. Юбилейная, 42 +375 (29) 682-17-13 ( Мало )
Схема проезда
г. Житковичи ул. Комсомольская, 49 +375 (29) 394-82-52 ( Мало )
Схема проезда
г. Кобрин ул. Пролетарская, 177А +375 (44) 588-10-80 ( Мало )
Схема проезда
г. Кричев ул. Комсомольская, 126 +375 (29) 628-88-42 ( Мало )
Схема проезда
г. Осиповичи ул. Короткая, 11 +375 (29) 165-60-07 ( Мало )
Схема проезда
г. Слоним ул. Советская, 93а +375 (29) 394-82-01 ( Мало )
Схема проезда
г. Сморгонь ул. Железнодорожная, 32 +375 (29) 671-02-10 ( Мало )
Схема проезда
Ремень 1320х10х8,5х8 (Z) КАМАЗ-740, 741, ЯМЗ-240БМ2, ТМЗ-8421, 8423, 8424, К-701 зубчатый 1320х10х8,5х8 Z
Ремень 1320х10х8,5х8 (Z) КАМАЗ-740, 741, ЯМЗ-240БМ2, ТМЗ-8421, 8423, 8424, К-701 зубчатый
Каталожный номер 1320х10х8,5х8 Z
Производитель SUNWAY SUNWAY
Код 16920
Доставка по всей Беларуси
Доступность остатки на филиалах Остатки на филиалах
Остаток: г.Минск, ул.Селицкого 21к В наличии
Склад Адрес Контакт Остатки
г. Минск ул. Селицкого, 21к +375 (44) 770-80-78 ( Средне )
Схема проезда
г. Барановичи ул. Пролетарская, 40 +375 (29) 795-96-37 ( Мало )
Схема проезда
г. Берёза ул. Красноармейская, 89/11 +375 (29) 676-70-71 ( Мало )
Схема проезда
г. Бобруйск ул. Гоголя, 181/1-6 +375 (29) 630-05-01 ( Мало )
Схема проезда
г. Бобруйск ул. Орловского, 22к3 +375 (29) 345-37-07 ( Средне )
Схема проезда
г. Борисов ул. Демина, 2а +375 (44) 560-99-75 ( Мало )
Схема проезда
г. Витебск ул. Правды, 33 +375 (44) 770-80-87 ( Средне )
Схема проезда
г. Глубокое ул. Энгельса, 22 +375 (44) 505-71-40 ( Средне )
Схема проезда
г. Гомель ул. Барыкина, 291Б +375 (44) 514-15-30 ( Мало )
Схема проезда
г. Гомель ул. Барыкина, 291Б +375 (44) 514-15-30 ( Средне )
Схема проезда
г. Гродно ул. Карского, 35 +375 (44) 770-70-21 ( Средне )
Схема проезда
г. Дятлово ул. Советская ,104 +375 (29) 187-87-37 ( Средне )
Схема проезда
г. Кричев ул. Комсомольская, 126 +375 (29) 628-88-42 ( Средне )
Схема проезда
г. Могилев ул. Габровская 11Б +375 (29) 662-02-16 ( Средне )
Схема проезда
г. Молодечно ул. Галицкого, 14 +375 (44) 567-28-47 ( Мало )
Схема проезда
г. Несвиж ул. Кутузова, 2 +375 (29) 394-82-48 ( Средне )
Схема проезда
г. Осиповичи ул. Короткая, 11 +375 (29) 165-60-07 ( Средне )
Схема проезда
г. Ошмяны ул. Льнозоводская 3 +375 (44) 770-80-91 ( Средне )
Схема проезда
г. Пинск ул. Калиновского 32 +375 (44) 560-99-59 ( Мало )
Схема проезда
г. Полоцк-2 ул. Шенягина, 52 +375 (29) 302-94-73 ( Средне )
Схема проезда
г. Поставы ул. Советская, 69 +375 (44) 770-80-13 ( Средне )
Схема проезда
г. Пружаны ул. Макаренко, 21 +375 (29) 348-83-18 ( Мало )
Схема проезда
г. Слоним ул. Советская, 93а +375 (29) 394-82-01 ( Средне )
Схема проезда