Республика Беларусь,
г. Минск, ул. Селицкого 21к - центральный склад
Пн-пт с 8:00 до 17:00
Меню
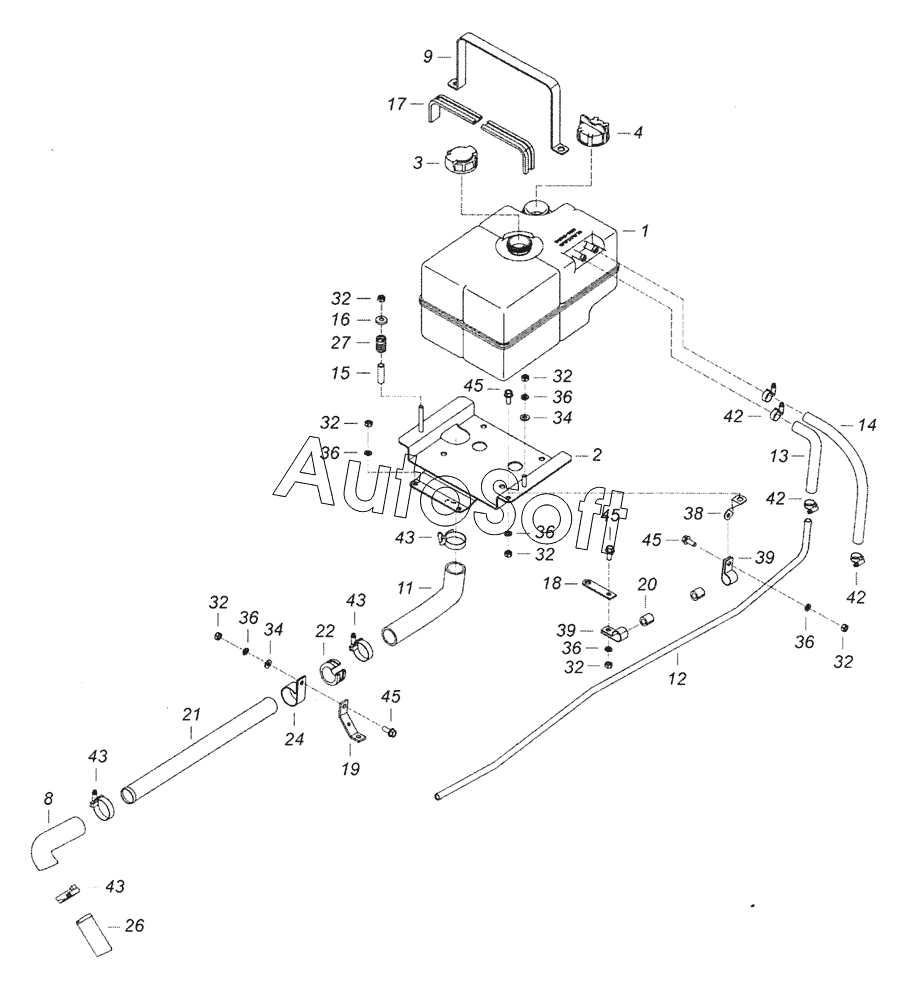
6520-1311100 Крышка бачка расширительного
Наименование: Крышка 6520-1311100 бачка расширительного
Каталожный номер: 6520-1311100
Производитель: РФ
Код товара: 38921
Доставка: по всей Беларуси
Остаток: под заказ

Нашли не точность в описании товара? сообщить администратору.

+375 (44) 770-80-78 +375 (29) 747-80-78
* Выставить счет, получить техническую информацию и стоимость
Заказать деталь Онлайн
Описание
Наличие на филиалах
Применяемость
Заменить на СТО

Крышка 6520-1311100 бачка расширительного производства РФ (РФ), Код для заказа: 38921

Марка Модель Кат.номер Наим. по каталогу Чертеж
Камский автозавод 43502 (Евро 4) (2013) 6520-1311100 Крышка наливной горловины 65222-1311005 Установка расширительного бачка Чертеж 65222-1311005 Установка расширительного бачка
Камский автозавод 43253 (Часть-1) (2011) 6520-1311100 Крышка наливной горловины 54115-1311005-10 Установка расширительного бачка Чертеж 54115-1311005-10 Установка расширительного бачка
Камский автозавод 6520 (Euro-4) (2012) 6520-1311100 Крышка наливной горловины 6520-1311005-30 Установка бачка расширительного Чертеж 6520-1311005-30 Установка бачка расширительного
Камский автозавод 6460 (Евро 4) (2013) 6520-1311100 Крышка наливной горловины 5460-1311005 Установка бачка расширительного
Камский автозавод 6460 (Евро 4) (2013) 6520-1311101 Крышка наливной горловины 6520-1311100 Крышка наливной горловины
Камский автозавод 65115 (Евро-3) (2013) 6520-1311100 Крышка наливной горловины 54115-1311005-10 Установка расширительного бачка
Камский автозавод 65111 (Евро 4) (2012) 6520-1311100 Крышка наливной горловины 65222-1311005 Установка расширительного бачка Чертеж 65222-1311005 Установка расширительного бачка
Камский автозавод 65111 (Евро 4) (2012) 6520-1311101 Крышка наливной горловины 6520 — 1311100 Крышка наливной горловины Чертеж 6520 — 1311100 Крышка наливной горловины
Камский автозавод 6522 (Евро-4) (2016) 6520-1311100 Крышка наливной горловины 65222-1311005 Установка расширительного бачка
Камский автозавод 43118 (Евро 4) (2012) 6520-1311100 Крышка наливной горловины 65222-1311005 Установка расширительного бачка
Камский автозавод 6520 (Euro-4) (2016) 6520-1311100 Крышка наливной горловины 5460-1311005 Установка бачка расширительного Чертеж 5460-1311005 Установка бачка расширительного
Товары из этой категории
Ремень 1320х10х8,5х8 (Z) КАМАЗ 1320х10х8,5х8
Ремень 1320х10х8,5х8 (Z) КАМАЗ
Каталожный номер 1320х10х8,5х8
Производитель SUNWAY SUNWAY
Код 11029
Доставка по всей Беларуси
Доступность остатки на филиалах Остатки на филиалах
Остаток: г.Минск, ул.Селицкого 21к В наличии
Склад Адрес Контакт Остатки
г. Минск ул. Бабушкина, 37 +375 (29) 632-00-82 ( Средне )
Схема проезда
г. Минск ул. Селицкого, 21к +375 (44) 770-80-78 ( Много )
Схема проезда
г. Барановичи ул. Пролетарская, 40 +375 (29) 795-96-37 ( Средне )
Схема проезда
г. Березино ул. Комсомольская, д. 24 +375 (44) 770-80-17 ( Средне )
Схема проезда
г. Берёза ул. Красноармейская, 89/11 +375 (29) 676-70-71 ( Мало )
Схема проезда
г. Бобруйск ул. Гоголя, 181/1-6 +375 (29) 630-05-01 ( Средне )
Схема проезда
г. Глубокое ул. Энгельса, 22 +375 (44) 505-71-40 ( Средне )
Схема проезда
г. Гомель ул. Барыкина, 291Б +375 (44) 514-15-30 ( Много )
Схема проезда
г. Дрогичин ул. Юбилейная, 42 +375 (29) 682-17-13 ( Средне )
Схема проезда
г. Дятлово ул. Советская ,104 +375 (29) 187-87-37 ( Средне )
Схема проезда
г. Кричев ул. Комсомольская, 126 +375 (29) 628-88-42 ( Средне )
Схема проезда
г. Лельчицы ул. Советская, д.96/1 +375 (29) 346-98-96 ( Средне )
Схема проезда
г. Могилев ул. Габровская 11Б +375 (29) 662-02-16 ( Средне )
Схема проезда
г. Несвиж ул. Кутузова, 2 +375 (29) 394-82-48 ( Средне )
Схема проезда
г. Орша ул. Сергея Кирова, д. 34 +375 (44) 583-91-42 ( Средне )
Схема проезда
г. Полоцк-2 ул. Шенягина, 52 +375 (29) 302-94-73 ( Средне )
Схема проезда
г. Солигорск Чижевичский сельсовет, 3Г +375 (29) 899-58-52 ( Мало )
Схема проезда
г. Столин ул. Быковского, 29 +375 (33) 304-54-36 ( Средне )
Схема проезда
Сальник гидромуфты 740-1318166
Сальник гидромуфты
Каталожный номер 740-1318166
Производитель БРТ БРТ
Код 11220
Доставка по всей Беларуси
Доступность остатки на филиалах Остатки на филиалах
Остаток: г.Минск, ул.Селицкого 21к В наличии
Склад Адрес Контакт Остатки
г. Минск ул. Селицкого, 21к +375 (44) 770-80-78 ( Много )
Схема проезда
г. Борисов ул. Демина, 2а +375 (44) 560-99-75 ( Средне )
Схема проезда
г. Слоним ул. Советская, 93а +375 (29) 394-82-01 ( Средне )
Схема проезда
Ролик направляющий 740.11-1307220
Ролик направляющий
Каталожный номер 740.11-1307220
Производитель СпецМаш СпецМаш
Код 22597
Доставка по всей Беларуси
Доступность остатки на филиалах Остатки на филиалах
Остаток: г.Минск, ул.Селицкого 21к В наличии
Склад Адрес Контакт Остатки
г. Минск ул. Селицкого, 21к +375 (44) 770-80-78 ( Средне )
Схема проезда
г. Мозырь промузел Козенки +375 (44) 731-94-60 ( Мало )
Схема проезда
г. Пинск ул. Калиновского 32 +375 (44) 560-99-59 ( Мало )
Схема проезда
г. Слоним ул. Советская, 93а +375 (29) 394-82-01 ( Средне )
Схема проезда
Патрубки радиатора 5320-1303010/26/27 к-т 3шт.СИЛИКОН 5320-1303010/26/27
Патрубки радиатора 5320-1303010/26/27 к-т 3шт.СИЛИКОН
Каталожный номер 5320-1303010/26/27
Производитель Резинотехника Резинотехника
Код 00-ГР011300
Доставка по всей Беларуси
Доступность остатки на филиалах Остатки на филиалах
Остаток: г.Минск, ул.Селицкого 21к В наличии
Склад Адрес Контакт Остатки
г. Минск ул. Селицкого, 21к +375 (44) 770-80-78 ( Средне )
Схема проезда
г. Барановичи ул. Пролетарская, 40 +375 (29) 795-96-37 ( Мало )
Схема проезда
г. Берёза ул. Красноармейская, 89/11 +375 (29) 676-70-71 ( Мало )
Схема проезда
г. Бобруйск ул. Орловского, 22к3 +375 (29) 345-37-07 ( Мало )
Схема проезда
г. Витебск ул. Петруся Бровки, 34 +375 (29) 636-25-08 ( Мало )
Схема проезда
г. Глубокое ул. Энгельса, 22 +375 (44) 505-71-40 ( Мало )
Схема проезда
г. Дрогичин ул. Юбилейная, 42 +375 (29) 682-17-13 ( Мало )
Схема проезда
г. Ивацевичи ул. Загородная, 6А +375 (29) 188-59-01 ( Мало )
Схема проезда
г. Новогрудок ул. Индустриальная, 3 +375 (44) 729-39-19 ( Мало )
Схема проезда
г. Осиповичи ул. Короткая, 11 +375 (29) 165-60-07 ( Мало )
Схема проезда
г. Ошмяны ул. Льнозоводская 3 +375 (44) 770-80-91 ( Мало )
Схема проезда
г. Петриков ул. Первомайская, 124 +375 (33) 660-06-75 ( Мало )
Схема проезда
г. Полоцк-2 ул. Шенягина, 52 +375 (29) 302-94-73 ( Мало )
Схема проезда
г. Пружаны ул. Макаренко, 21 +375 (29) 348-83-18 ( Мало )
Схема проезда
г. Сморгонь ул. Железнодорожная, 32 +375 (29) 671-02-10 ( Мало )
Схема проезда
г. Столин ул. Быковского, 29 +375 (33) 304-54-36 ( Мало )
Схема проезда
Ремкомплект системы охлаждения 7406-1300001 КАМАЗ Евро-2 (РТИ+паронит) 7406-1300001
Ремкомплект системы охлаждения 7406-1300001 КАМАЗ Евро-2 (РТИ+паронит)
Каталожный номер 7406-1300001
Производитель RSTA RSTA
Код 00-ГР011711
Доставка по всей Беларуси
Доступность остатки на филиалах Остатки на филиалах
Остаток В наличии
Склад Адрес Контакт Остатки
г. Бобруйск ул. Орловского, 22к3 +375 (29) 345-37-07 ( Мало )
Схема проезда
г. Брест Тельминский с/с, 1Д/1, 1 км южнее д. Тельмы-2 +375 (44) 599-90-75 ( Мало )
Схема проезда