Республика Беларусь,
г. Минск, ул. Селицкого 21к - центральный склад
Пн-пт с 8:00 до 17:00
Меню
14-1701040-50 Крышка КПП-154
Наименование: Крышка 14-1701040-50 КПП-154
Каталожный номер: 14-1701040-50
Производитель: RSTA
Код товара: 00-ГР014963
Доставка: по всей Беларуси
Остаток: под заказ

Нашли не точность в описании товара? сообщить администратору.

+375 (44) 770-80-78 +375 (29) 747-80-78
* Выставить счет, получить техническую информацию и стоимость
Заказать деталь Онлайн
Описание
Наличие на филиалах
Применяемость
Заменить на СТО

БС вес: 3,35 на 15.07.2020

Крышка 14-1701040-50 КПП-154 производства RSTA (РФ), Код для заказа: 00-ГР014963

Марка Модель Кат.номер Наим. по каталогу Чертеж
ГАЗ ГАЗ-24 24-1701040 Крышка подшипника Коробка передач Чертеж Коробка передач
ГАЗ ГАЗ-24-10 (1995) 24-1701040-11 Крышка подшипника первичного вала Картер и удлинитель с вторичным валом коробки передач
ГАЗ ГАЗ-3102 (2000) 24-1701040-11 Крышка подшипника первичного вала Картер и удлинитель со вторым валом коробки передач
ГАЗ ГАЗ-31029 24-1701040-11 Крышка подшипника первичного вала Картер и удлинитель с вторичным валом четырехступенчатой коробки передач
ГАЗ ГАЗ-31029 31029-1701040 Крышка подшипника первичного вала Картер и удлинитель с вторичным валом пятиступенчатой коробки передач
ГАЗ ГАЗ-3110 31029-1701040 Крышка подшипника первичного вала Передний и задний картеры, механизм переключения пятиступенчатой коробки передач, выключатель света заднего хода Чертеж Передний и задний картеры, механизм переключения пятиступенчатой коробки передач, выключатель света заднего хода
ГАЗ ГАЗ-3110 24-1701040-11 Крышка подшипника первичного вала Картер, удлинитель, механизм переключения четырехступенчатой коробки передач Чертеж Картер, удлинитель, механизм переключения четырехступенчатой коробки передач
ГАЗ ГАЗ-3302 (ГАЗель) 31029-1701040 Крышка подшипника первичного вала Коробка передач Чертеж Коробка передач
ГАЗ ГАЗ-2705 (ГАЗель) (2000) 31029-1701040 Крышка подшипника первичного вала Картеры передний и задний, валы в сборе, механизм переключения коробки передач, выключатель света заднего хода Чертеж Картеры передний и задний, валы в сборе, механизм переключения коробки передач, выключатель света заднего хода
ГАЗ ГАЗ-2217 (Соболь) (1999) 31029-1701040 Крышка подшипника первичного вала Коробка передач, рычаг переключения передач: I - для автомобилей с двигателем ЗМЗ-4063, II - для автомобилей с двигателем ГАЗ-560 Чертеж Коробка передач, рычаг переключения передач: I - для автомобилей с двигателем ЗМЗ-4063, II - для автомобилей с двигателем ГАЗ-560
ГАЗ ГАЗ-2217 (Соболь) (1999) 330242-1701040 Крышка подшипника первичного вала Коробка передач, рычаг переключения передач: I - для автомобилей с двигателем ЗМЗ-4063, II - для автомобилей с двигателем ГАЗ-560 Чертеж Коробка передач, рычаг переключения передач: I - для автомобилей с двигателем ЗМЗ-4063, II - для автомобилей с двигателем ГАЗ-560
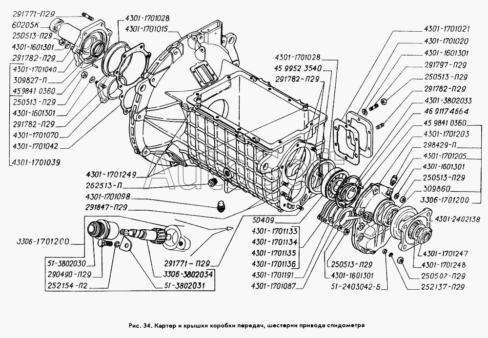
ГАЗ ГАЗ-3306 (1994) 4301-1701040 Крышка подшипника Картер и крышки коробки передач, ведомая и ведущая шестерни привода спидометра
ГАЗ ГАЗ-3307 (2000) 52-1701040 Крышка подшипника первичного вала коробки передач Коробка передач Чертеж Коробка передач
ГАЗ ГАЗ-3309 4301-1701040 Крышка подшипника Картер и крышки коробки передач, шестерни привода спидометра Чертеж Картер и крышки коробки передач, шестерни привода спидометра
ГАЗ ГАЗ-4301 4301-1701040 Крышка подшипника Картер и крышки коробки передач, ведомая и ведущая шестерни привода спидометра Чертеж Картер и крышки коробки передач, ведомая и ведущая шестерни привода спидометра
ГАЗ ГАЗ-52-01 52-1701040 Крышка подшипника первичного вала коробки передач Коробка передач
ГАЗ ГАЗ-53 А (1989) 52-1701040 Крышка подшипника первичного вала коробки передач Коробка передач Чертеж Коробка передач
ГАЗ ГАЗ-66 (Каталог 1983 г.) (1983) 52-1701040 Крышка подшипника первичного вала коробки передач Коробка передач
ГАЗ ГАЗ-66 (Каталог 1996 г.) (1996) 52-1701040 Крышка подшипника первичного вала коробки передач Картер и крышки коробки передач Чертеж Картер и крышки коробки передач
ГАЗ ГАЗ-69 (1957) 20-1701040-Б Крышка подшипника первичного вала коробки передач Коробка передач Чертеж Коробка передач
Товары из этой категории
Сальник 14-1701238
Сальник
Каталожный номер 14-1701238
Производитель БРТ БРТ
Код 11265
Доставка по всей Беларуси
Доступность остатки на филиалах Остатки на филиалах
Остаток В наличии
Склад Адрес Контакт Остатки
г. Брест Тельминский с/с, 1Д/1, 1 км южнее д. Тельмы-2 +375 (44) 599-90-75 ( Средне )
Схема проезда
г. Мозырь промузел Козенки +375 (44) 731-94-60 ( Мало )
Схема проезда
г. Орша ул. Сергея Кирова, д. 34 +375 (44) 583-91-42 ( Мало )
Схема проезда
г. Осиповичи ул. Короткая, 11 +375 (29) 165-60-07 ( Средне )
Схема проезда
г. Пинск ул. Калиновского 32 +375 (44) 560-99-59 ( Средне )
Схема проезда
г. Слоним ул. Советская, 93а +375 (29) 394-82-01 ( Средне )
Схема проезда
г. Слуцк ул. Тутаринова, 8 +375 (29) 346-06-90 ( Мало )
Схема проезда
К-т прокладок КПП КАМАЗ 14-1700001-01
К-т прокладок КПП КАМАЗ
Каталожный номер 14-1700001-01
Производитель RSTA RSTA
Код 16039
Доставка по всей Беларуси
Доступность остатки на филиалах Остатки на филиалах
Остаток: г.Минск, ул.Селицкого 21к В наличии
Склад Адрес Контакт Остатки
г. Минск ул. Селицкого, 21к +375 (44) 770-80-78 ( Мало )
Схема проезда
г. Лельчицы ул. Советская, д.96/1 +375 (29) 346-98-96 ( Мало )
Схема проезда
г. Ошмяны ул. Льнозоводская 3 +375 (44) 770-80-91 ( Мало )
Схема проезда
Сальник 14-1701230
Сальник
Каталожный номер 14-1701230
Производитель БРТ БРТ
Код 11517
Доставка по всей Беларуси
Доступность остатки на филиалах Остатки на филиалах
Остаток: г.Минск, ул.Селицкого 21к В наличии
Склад Адрес Контакт Остатки
г. Минск ул. Селицкого, 21к +375 (44) 770-80-78 ( Много )
Схема проезда
г. Бобруйск ул. Орловского, 22к3 +375 (29) 345-37-07 ( Средне )
Схема проезда
г. Брест Тельминский с/с, 1Д/1, 1 км южнее д. Тельмы-2 +375 (44) 599-90-75 ( Средне )
Схема проезда
г. Горки ул.Мира, д.51а/1 +375 (44) 565-33-61 ( Мало )
Схема проезда
г. Дрогичин ул. Юбилейная, 42 +375 (29) 682-17-13 ( Мало )
Схема проезда
г. Кричев ул. Комсомольская, 126 +375 (29) 628-88-42 ( Мало )
Схема проезда
г. Мозырь промузел Козенки +375 (44) 731-94-60 ( Средне )
Схема проезда
г. Молодечно ул. Галицкого, 14 +375 (44) 567-28-47 ( Мало )
Схема проезда
г. Орша ул. Сергея Кирова, д. 34 +375 (44) 583-91-42 ( Мало )
Схема проезда
г. Осиповичи ул. Короткая, 11 +375 (29) 165-60-07 ( Средне )
Схема проезда
г. Пинск ул. Калиновского 32 +375 (44) 560-99-59 ( Мало )
Схема проезда
г. Слоним ул. Советская, 93а +375 (29) 394-82-01 ( Средне )
Схема проезда
г. Слуцк ул. Тутаринова, 8 +375 (29) 346-06-90 ( Средне )
Схема проезда