Республика Беларусь,
г. Минск, ул. Селицкого 21к - центральный склад
Пн-пт с 8:00 до 17:00
Меню
К-690-РП Крыло (2010х690) переднее с площадкой
Наименование: Крыло К-690-РП (2010х690) переднее с площадкой
Каталожный номер: К-690-РП
Производитель: RSTA
Код товара: 00-ГР034264
Доставка: по всей Беларуси
Остаток: под заказ

Нашли не точность в описании товара? сообщить администратору.

+375 (44) 770-80-78 +375 (29) 747-80-78
* Выставить счет, получить техническую информацию и стоимость
Заказать деталь Онлайн
Описание
Наличие на филиалах
Применяемость
Заменить на СТО

Крыло К-690-РП (2010х690) переднее с площадкой производства RSTA (РФ), Код для заказа: 00-ГР034264

Марка Модель Кат.номер Наим. по каталогу Чертеж
ЛАЗ ЛАЗ 5252 118.24-3311-178 Кольцо распорное 14,690 мм Главная передача и дифференциал Чертеж Главная передача и дифференциал
ПТЗ К-700 700.46.16.690-01 Труба а сборе Система навесного оборудования Чертеж Система навесного оборудования
ПТЗ К-700 700.46.16.690-02 Труба в сборе Система навесного оборудования Чертеж Система навесного оборудования
ПТЗ К-700 700.46.16.690-03 Труба в сборе Система навесного оборудования Чертеж Система навесного оборудования
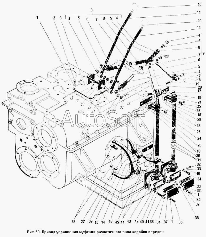
ПТЗ К-701 700А.17.19.690 Рычаг в сборе Привод управления муфтами раздаточного вала коробки передач Чертеж Привод управления муфтами раздаточного вала коробки передач
КМЗ МКСМ-800 533-9-62-21-690-1К Трубопровод Управление стояночным тормозом Чертеж Управление стояночным тормозом
ВАЗ ВАЗ-2123 (2000) 2123-8109200 Тяга привода заслонки рециркуляции 690 Управление вентиляцией и отоплением
ТВЭКС ЕК-12 (2005) 13.80.04.690 Рукоятка Блок управления Чертеж Блок управления
ТВЭКС E145W (ЕК-14) 13.80.04.690 Рукоятка Блок управления Чертеж Блок управления
ТВЭКС E185W (ЕК-18) 13.80.04.690 Рукоятка 13.80.04.500 Блок управления Чертеж 13.80.04.500 Блок управления
ТВЭКС ЕТ-25 13.80.04.690 Рукоятка Блок управления
ТВЭКС ЕТ-16 (2005) 13.80.04.690 Рукоятка Блок управления Чертеж Блок управления
ТВЭКС ЕТ-18-20 (2005) 13.80.04.690 Рукоятка Блок управления
ТВЭКС ЭО-3122 ЭО-3122.17.02.690 Трубопровод Гидроуправление экскаватором
ТВЭКС ЭО-3122 ЭО-3122.17.02.690 Трубопровод Гидроуправление экскаватором
Гомсельмаш КСК-100А (2002) КИС 0108070А Рукав dу,20 L=690 Гидросистема ходовой части КИЛ 0108000
Камский автозавод 65116 (2006) 45 101 998 010 690 Хомут ТОRRО70-90/12-С7W1 Установка радиатора
Камский автозавод 43501 (4х4) (2007) 45 101 998 010 690 Хомут ТОRRО70-90/12-С7W1 54115-1300023-10 Установка радиатора Чертеж 54115-1300023-10 Установка радиатора
КрАЗ КрАЗ-65055-02 (2008) 255Б-2902052-10 Лист L 690 Рессора передняя в сборе
КрАЗ КрАЗ-65055-02 (2008) 255Б-2902109-02 Лист L 690 Рессора передняя в сборе
Товары из этой категории
Ремкомплект 503А-8505310 (РКП/008010)цилиндра запора борта РКП/008010
Ремкомплект 503А-8505310 (РКП/008010)цилиндра запора борта
Каталожный номер РКП/008010
Производитель RSTA RSTA
Код 8879
Доставка по всей Беларуси
Доступность остатки на филиалах Остатки на филиалах
Остаток В наличии
Склад Адрес Контакт Остатки
г. Бобруйск ул. Орловского, 22к3 +375 (29) 345-37-07 ( Мало )
Схема проезда
г. Борисов ул. Демина, 2а +375 (44) 560-99-75 ( Средне )
Схема проезда
г. Горки ул.Мира, д.51а/1 +375 (44) 565-33-61 ( Мало )
Схема проезда
г. Дрогичин ул. Юбилейная, 42 +375 (29) 682-17-13 ( Мало )
Схема проезда
г. Ивацевичи ул. Загородная, 6А +375 (29) 188-59-01 ( Мало )
Схема проезда
г. Осиповичи ул. Короткая, 11 +375 (29) 165-60-07 ( Мало )
Схема проезда
г. Ошмяны ул. Льнозоводская 3 +375 (44) 770-80-91 ( Средне )
Схема проезда
Подушка амортизатор платформы н/о МАЗ ОАО 555103-8501379
Подушка амортизатор платформы н/о МАЗ ОАО
Каталожный номер 555103-8501379
Производитель МАЗ МАЗ
Код 44511
Доставка по всей Беларуси
Доступность остатки на филиалах Остатки на филиалах
Остаток Под заказ
Хомут оси (кронштейна подъема кузова) 5551-8501212
Хомут оси (кронштейна подъема кузова)
Каталожный номер 5551-8501212
Производитель МАЗ МАЗ
Код 6968
Доставка по всей Беларуси
Доступность остатки на филиалах Остатки на филиалах
Остаток В наличии
Склад Адрес Контакт Остатки
г. Борисов ул. Демина, 2а +375 (44) 560-99-75 ( Мало )
Схема проезда
Брызговик  резиновый 5428-8511111
Брызговик резиновый
Каталожный номер 5428-8511111
Производитель КММЗ КММЗ
Код 1420
Доставка по всей Беларуси
Доступность остатки на филиалах Остатки на филиалах
Остаток: г.Минск, ул.Селицкого 21к В наличии
Склад Адрес Контакт Остатки
г. Минск ул. Бабушкина, 37 +375 (29) 632-00-82 ( Средне )
Схема проезда
г. Минск ул. Селицкого, 21к +375 (44) 770-80-78 ( Много )
Схема проезда
г. Барановичи ул. Пролетарская, 40 +375 (29) 795-96-37 ( Средне )
Схема проезда
г. Барановичи ул. Бадака, 27Б +375 (29) 350-33-47 ( Средне )
Схема проезда
г. Березино ул. Комсомольская, д. 24 +375 (44) 770-80-17 ( Средне )
Схема проезда
г. Берёза ул. Красноармейская, 89/11 +375 (29) 676-70-71 ( Средне )
Схема проезда
г. Бобруйск ул. Гоголя, 181/1-6 +375 (29) 630-05-01 ( Средне )
Схема проезда
г. Бобруйск ул. Орловского, 22к3 +375 (29) 345-37-07 ( Много )
Схема проезда
г. Брест Тельминский с/с, 1Д/1, 1 км южнее д. Тельмы-2 +375 (44) 599-90-75 ( Средне )
Схема проезда
г. Витебск ул. Правды, 33 +375 (44) 770-80-87 ( Средне )
Схема проезда
г. Витебск ул. Петруся Бровки, 34 +375 (29) 636-25-08 ( Средне )
Схема проезда
г. Глубокое ул. Энгельса, 22 +375 (44) 505-71-40 ( Средне )
Схема проезда
г. Гомель ул. Барыкина, 291Б +375 (44) 514-15-30 ( Средне )
Схема проезда
г. Гомель ул. Барыкина, 291Б +375 (44) 514-15-30 ( Средне )
Схема проезда
г. Горки ул.Мира, д.51а/1 +375 (44) 565-33-61 ( Средне )
Схема проезда
г. Гродно ул. Карского, 35 +375 (44) 770-70-21 ( Мало )
Схема проезда
г. Дрогичин ул. Юбилейная, 42 +375 (29) 682-17-13 ( Средне )
Схема проезда
г. Дятлово ул. Советская ,104 +375 (29) 187-87-37 ( Средне )
Схема проезда
г. Житковичи ул. Комсомольская, 49 +375 (29) 394-82-52 ( Средне )
Схема проезда
г. Ивацевичи ул. Загородная, 6А +375 (29) 188-59-01 ( Средне )
Схема проезда
г. Кобрин ул. Пролетарская, 177А +375 (44) 588-10-80 ( Средне )
Схема проезда
г. Кричев ул. Комсомольская, 126 +375 (29) 628-88-42 ( Средне )
Схема проезда
г. Лельчицы ул. Советская, д.96/1 +375 (29) 346-98-96 ( Средне )
Схема проезда
г. Лепель ул. Лобанка, 43 +375 (44) 778-65-21 ( Средне )
Схема проезда
г. Лунинец ул.Красная, 175а +375 (44) 721-46-74 ( Много )
Схема проезда
г. Могилев ул. Габровская 11Б +375 (29) 662-02-16 ( Средне )
Схема проезда
г. Мозырь промузел Козенки +375 (44) 731-94-60 ( Средне )
Схема проезда
г. Молодечно ул. Галицкого, 14 +375 (44) 567-28-47 ( Средне )
Схема проезда
г. Несвиж ул. Кутузова, 2 +375 (29) 394-82-48 ( Средне )
Схема проезда
г. Новогрудок ул. Индустриальная, 3 +375 (44) 729-39-19 ( Средне )
Схема проезда
г. Орша ул. Сергея Кирова, д. 34 +375 (44) 583-91-42 ( Средне )
Схема проезда
г. Осиповичи ул. Короткая, 11 +375 (29) 165-60-07 ( Средне )
Схема проезда
г. Ошмяны ул. Льнозоводская 3 +375 (44) 770-80-91 ( Средне )
Схема проезда
г. Петриков ул. Первомайская, 124 +375 (33) 660-06-75 ( Средне )
Схема проезда
г. Полоцк-2 ул. Шенягина, 52 +375 (29) 302-94-73 ( Средне )
Схема проезда
г. Полоцк-2 ул. Шенягина, 52 +375 (29) 302-94-73 ( Средне )
Схема проезда
г. Полоцк-2 ул. Шенягина, 52 +375 (29) 302-94-73 ( Средне )
Схема проезда
г. Поставы ул. Советская, 69 +375 (44) 770-80-13 ( Средне )
Схема проезда
г. Пружаны ул. Макаренко, 21 +375 (29) 348-83-18 ( Средне )
Схема проезда
г. Слоним ул. Советская, 93а +375 (29) 394-82-01 ( Средне )
Схема проезда
г. Слуцк ул. Тутаринова, 8 +375 (29) 346-06-90 ( Средне )
Схема проезда
г. Солигорск Чижевичский сельсовет, 3Г +375 (29) 899-58-52 ( Средне )
Схема проезда
г. Столин ул. Быковского, 29 +375 (33) 304-54-36 ( Средне )
Схема проезда
г. Щучин ул. Советская, 39 +375 (29) 177-29-70 ( Средне )
Схема проезда
Крепление крыла 54322-8511015-01 (d=50мм) 54322-8511015-01
Крепление крыла 54322-8511015-01 (d=50мм)
Каталожный номер 54322-8511015-01
Производитель КММЗ КММЗ
Код 00-ГР010778
Доставка по всей Беларуси
Доступность остатки на филиалах Остатки на филиалах
Остаток: г.Минск, ул.Селицкого 21к В наличии
Склад Адрес Контакт Остатки
г. Минск ул. Бабушкина, 37 +375 (29) 632-00-82 ( Мало )
Схема проезда
г. Минск ул. Селицкого, 21к +375 (44) 770-80-78 ( Много )
Схема проезда
г. Барановичи ул. Пролетарская, 40 +375 (29) 795-96-37 ( Много )
Схема проезда
г. Барановичи ул. Бадака, 27Б +375 (29) 350-33-47 ( Много )
Схема проезда
г. Березино ул. Комсомольская, д. 24 +375 (44) 770-80-17 ( Много )
Схема проезда
г. Берёза ул. Красноармейская, 89/11 +375 (29) 676-70-71 ( Много )
Схема проезда
г. Витебск ул. Правды, 33 +375 (44) 770-80-87 ( Средне )
Схема проезда
г. Гомель ул. Барыкина, 291Б +375 (44) 514-15-30 ( Средне )
Схема проезда
г. Гродно ул. Карского, 35 +375 (44) 770-70-21 ( Средне )
Схема проезда
г. Житковичи ул. Комсомольская, 49 +375 (29) 394-82-52 ( Средне )
Схема проезда
г. Ивацевичи ул. Загородная, 6А +375 (29) 188-59-01 ( Много )
Схема проезда
г. Лельчицы ул. Советская, д.96/1 +375 (29) 346-98-96 ( Средне )
Схема проезда
г. Лепель ул. Лобанка, 43 +375 (44) 778-65-21 ( Много )
Схема проезда
г. Лунинец ул.Красная, 175а +375 (44) 721-46-74 ( Много )
Схема проезда
г. Молодечно ул. Галицкого, 14 +375 (44) 567-28-47 ( Средне )
Схема проезда
г. Новогрудок ул. Индустриальная, 3 +375 (44) 729-39-19 ( Средне )
Схема проезда
г. Осиповичи ул. Короткая, 11 +375 (29) 165-60-07 ( Средне )
Схема проезда
г. Ошмяны ул. Льнозоводская 3 +375 (44) 770-80-91 ( Средне )
Схема проезда
г. Полоцк-2 ул. Шенягина, 52 +375 (29) 302-94-73 ( Много )
Схема проезда
г. Полоцк-2 ул. Шенягина, 52 +375 (29) 302-94-73 ( Средне )
Схема проезда
г. Пружаны ул. Макаренко, 21 +375 (29) 348-83-18 ( Много )
Схема проезда
г. Слоним ул. Советская, 93а +375 (29) 394-82-01 ( Средне )
Схема проезда
г. Солигорск Чижевичский сельсовет, 3Г +375 (29) 899-58-52 ( Средне )
Схема проезда
г. Столин ул. Быковского, 29 +375 (33) 304-54-36 ( Средне )
Схема проезда
г. Щучин ул. Советская, 39 +375 (29) 177-29-70 ( Много )
Схема проезда