Республика Беларусь,
г. Минск, ул. Селицкого 21к - центральный склад
Пн-пт с 8:00 до 17:00
Меню
922-2301023-Б-01 Кронштейн
Наименование: Кронштейн 922-2301023-Б-01
Каталожный номер: 922-2301023-Б-01
Производитель: RSTA
Код товара: 00-ГР001574
Доставка: по всей Беларуси
Остаток: под заказ

Нашли не точность в описании товара? сообщить администратору.

+375 (44) 770-80-78 +375 (29) 747-80-78
* Выставить счет, получить техническую информацию и стоимость
Заказать деталь Онлайн
Описание
Наличие на филиалах
Применяемость
Заменить на СТО

07.10.20

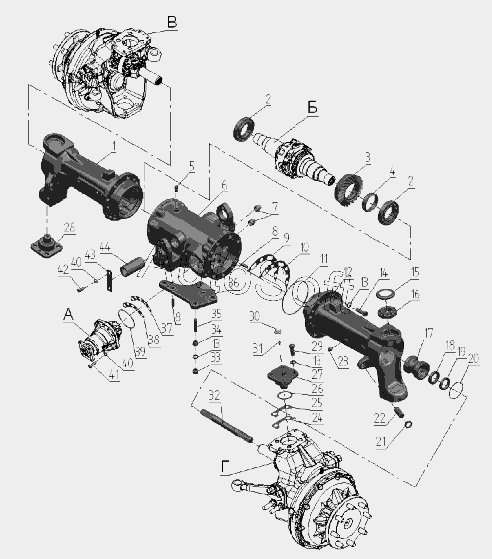
Кронштейн 922-2301023-Б-01 производства RSTA (РФ), Код для заказа: 00-ГР001574

Марка Модель Кат.номер Наим. по каталогу Чертеж
МТЗ МТЗ-922 (2008) 822-2301023-Б Кронштейн Передний ведущий мост (822-2300020). Корпус переднего моста. Дифференциал Чертеж Передний ведущий мост (822-2300020). Корпус переднего моста. Дифференциал
МТЗ МТЗ-922 (2008) 822-2301023-Б-01 Кронштейн Передний ведущий мост (822-2300020). Корпус переднего моста. Дифференциал Чертеж Передний ведущий мост (822-2300020). Корпус переднего моста. Дифференциал
МТЗ МТЗ-80 (2009) (2009) 922-2301023-Б-01 Кронштейн цилиндра Передний ведущий мост в сборе (для тракторов «БЕЛАРУС-820/82.3/82П») Чертеж Передний ведущий мост в сборе (для тракторов «БЕЛАРУС-820/82.3/82П»)
МТЗ МТЗ-570 (2010) 922-2301023-Б-01 Кронштейн цилиндра Передний ведущий мост 822-2300020 Чертеж Передний ведущий мост 822-2300020
МТЗ МТЗ-900/920/950/952 (2009) 922-2301023-Б-01 Кронштейн цилиндра Передний ведущий мост 822-2300020
МТЗ МТЗ-920.4/952.4 (2009) 922-2301023-Б-01 Кронштейн цилиндра Передний ведущий мост 822-2300020
МТЗ МТЗ-826 (2010) 922-2301023-Б-01 Кронштейн цилиндра Передний ведущий мост 822-2300020 Чертеж Передний ведущий мост 822-2300020
МТЗ МТЗ-1021.3 (2010) 922-2301023-Б-01 Кронштейн цилиндра Передний ведущий мост
МТЗ МТЗ-1025.4 (2009) 922-2301023-Б-01 Кронштейн цилиндра Передний ведущий мост 822-2300020
МТЗ 1220 (2011) 922-2301023-Б-01 Кронштейн цилиндра Передний ведущий мост 822-2300020 Чертеж Передний ведущий мост 822-2300020
МТЗ 92П (2010) 922-2301023-Б-01 Кронштейн цилиндра Передний ведущий мост Чертеж Передний ведущий мост
МТЗ 892 (2011) 922-2301023-Б-01 Кронштейн цилиндра Передний ведущий мост 822-2300020 Чертеж Передний ведущий мост 822-2300020
МТЗ 1220.5 (2013) 922-2301023-Б-01 Кронштейн цилиндра Передний ведущий мост 822-2300020 Чертеж Передний ведущий мост 822-2300020
МТЗ 922.5 (2013) 922-2301023-Б-01 Кронштейн цилиндра Передний ведущий мост 822-2300020 Чертеж Передний ведущий мост 822-2300020
МТЗ 922.5 (2013) 822-2301023-Б-01 Кронштейн Передний ведущий мост 822-2300020 Чертеж Передний ведущий мост 822-2300020
МТЗ 923.4 (2014) 922-2301023-Б-01 Кронштейн цилиндра Передний ведущий мост 822-2300020 Чертеж Передний ведущий мост 822-2300020
МТЗ 922.3 / 922.4 (2013) 922-2301023-Б-01 Кронштейн цилиндра Передний ведущий мост 822-2300020 Чертеж Передний ведущий мост 822-2300020
МТЗ 922.3 / 922.4 (2013) 822-2301023-Б-01 Кронштейн Передний ведущий мост 822-2300020 Чертеж Передний ведущий мост 822-2300020
МТЗ 923.5 (2013) 922-2301023-Б-01 Кронштейн цилиндра Передний ведущий мост 822-2300020 Чертеж Передний ведущий мост 822-2300020
МТЗ МТЗ-80.1 (2015) 922-2301023-Б-01 Кронштейн цилиндра Передний ведущий мост в сборе (для тракторов «БЕЛАРУС-820/82.3») Чертеж Передний ведущий мост в сборе (для тракторов «БЕЛАРУС-820/82.3»)
Товары из этой категории
Гильза шкворня 52-2308084 А1 МТЗ 52-2308084 А1
Гильза шкворня 52-2308084 А1 МТЗ
Каталожный номер 52-2308084 А1
Производитель МТЗ МТЗ
Код 00-ГР018888
Доставка по всей Беларуси
Доступность остатки на филиалах Остатки на филиалах
Остаток: г.Минск, ул.Селицкого 21к В наличии
Склад Адрес Контакт Остатки
г. Минск ул. Селицкого, 21к +375 (44) 770-80-78 ( Мало )
Схема проезда
Полуось 52-2308065 конечной передачи МТЗ-82 АМ 52-2308065
Полуось 52-2308065 конечной передачи МТЗ-82 АМ
Каталожный номер 52-2308065
Производитель Автомагнат Автомагнат
Код 00-ГР021639
Доставка по всей Беларуси
Доступность остатки на филиалах Остатки на филиалах
Остаток В наличии
Склад Адрес Контакт Остатки
г. Дрогичин ул. Юбилейная, 42 +375 (29) 682-17-13 ( Мало )
Схема проезда
г. Ошмяны ул. Льнозоводская 3 +375 (44) 770-80-91 ( Мало )
Схема проезда
г. Полоцк-2 ул. Шенягина, 52 +375 (29) 302-94-73 ( Мало )
Схема проезда
г. Столин ул. Быковского, 29 +375 (33) 304-54-36 ( Мало )
Схема проезда
Вал 52-2308063 вертикальный АГРОТЭК 52-2308063
Вал 52-2308063 вертикальный АГРОТЭК
Каталожный номер 52-2308063
Производитель АГРОТЭК АГРОТЭК
Код 00-ГР022966
Доставка по всей Беларуси
Доступность остатки на филиалах Остатки на филиалах
Остаток: г.Минск, ул.Селицкого 21к В наличии
Склад Адрес Контакт Остатки
г. Минск ул. Селицкого, 21к +375 (44) 770-80-78 ( Средне )
Схема проезда
г. Бобруйск ул. Орловского, 22к3 +375 (29) 345-37-07 ( Средне )
Схема проезда
г. Борисов ул. Демина, 2а +375 (44) 560-99-75 ( Мало )
Схема проезда
г. Витебск ул. Правды, 33 +375 (44) 770-80-87 ( Мало )
Схема проезда
г. Глубокое ул. Энгельса, 22 +375 (44) 505-71-40 ( Средне )
Схема проезда
г. Гомель ул. Барыкина, 291Б +375 (44) 514-15-30 ( Мало )
Схема проезда
г. Дрогичин ул. Юбилейная, 42 +375 (29) 682-17-13 ( Средне )
Схема проезда
г. Ивацевичи ул. Загородная, 6А +375 (29) 188-59-01 ( Средне )
Схема проезда
г. Лельчицы ул. Советская, д.96/1 +375 (29) 346-98-96 ( Мало )
Схема проезда
г. Лепель ул. Лобанка, 43 +375 (44) 778-65-21 ( Мало )
Схема проезда
г. Лунинец ул.Красная, 175а +375 (44) 721-46-74 ( Средне )
Схема проезда
г. Молодечно ул. Галицкого, 14 +375 (44) 567-28-47 ( Средне )
Схема проезда
г. Новогрудок ул. Индустриальная, 3 +375 (44) 729-39-19 ( Средне )
Схема проезда
г. Ошмяны ул. Льнозоводская 3 +375 (44) 770-80-91 ( Средне )
Схема проезда
г. Полоцк-2 ул. Шенягина, 52 +375 (29) 302-94-73 ( Мало )
Схема проезда
г. Полоцк-2 ул. Шенягина, 52 +375 (29) 302-94-73 ( Средне )
Схема проезда
г. Поставы ул. Советская, 69 +375 (44) 770-80-13 ( Средне )
Схема проезда
г. Слоним ул. Советская, 93а +375 (29) 394-82-01 ( Мало )
Схема проезда
г. Сморгонь ул. Железнодорожная, 32 +375 (29) 671-02-10 ( Мало )
Схема проезда
г. Столин ул. Быковского, 29 +375 (33) 304-54-36 ( Мало )
Схема проезда
Вал 52-2308063 вертикальный МТЗ-82 АМ 52-2308063
Вал 52-2308063 вертикальный МТЗ-82 АМ
Каталожный номер 52-2308063
Производитель Автомагнат Автомагнат
Код 00-ГР021638
Доставка по всей Беларуси
Доступность остатки на филиалах Остатки на филиалах
Остаток В наличии
Склад Адрес Контакт Остатки
г. Несвиж ул. Кутузова, 2 +375 (29) 394-82-48 ( Средне )
Схема проезда
Гайка 52-2308097 АГРОТЭК 52-2308097
Гайка 52-2308097 АГРОТЭК
Каталожный номер 52-2308097
Производитель AIMPULS AIMPULS
Код 00-ГР022969
Доставка по всей Беларуси
Доступность остатки на филиалах Остатки на филиалах
Остаток: г.Минск, ул.Селицкого 21к В наличии
Склад Адрес Контакт Остатки
г. Минск ул. Селицкого, 21к +375 (44) 770-80-78 ( Мало )
Схема проезда
г. Барановичи ул. Пролетарская, 40 +375 (29) 795-96-37 ( Мало )
Схема проезда
г. Бобруйск ул. Орловского, 22к3 +375 (29) 345-37-07 ( Мало )
Схема проезда
г. Лельчицы ул. Советская, д.96/1 +375 (29) 346-98-96 ( Мало )
Схема проезда
г. Полоцк-2 ул. Шенягина, 52 +375 (29) 302-94-73 ( Мало )
Схема проезда