Республика Беларусь,
г. Минск, ул. Селицкого 21к - центральный склад
Пн-пт с 8:00 до 17:00
Меню
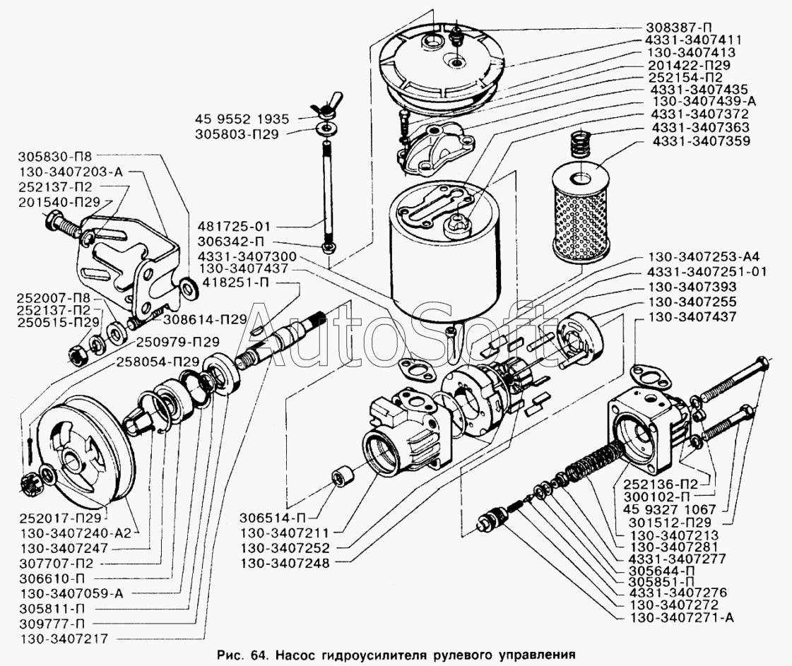
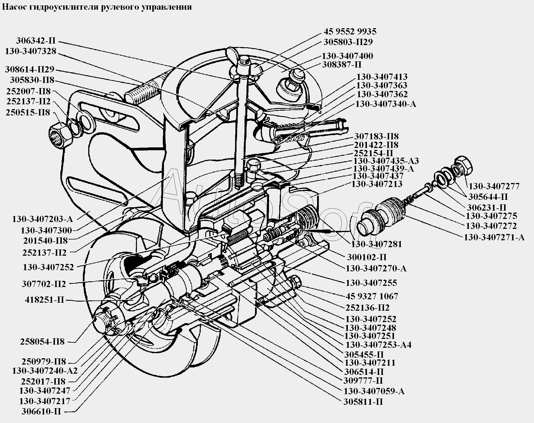
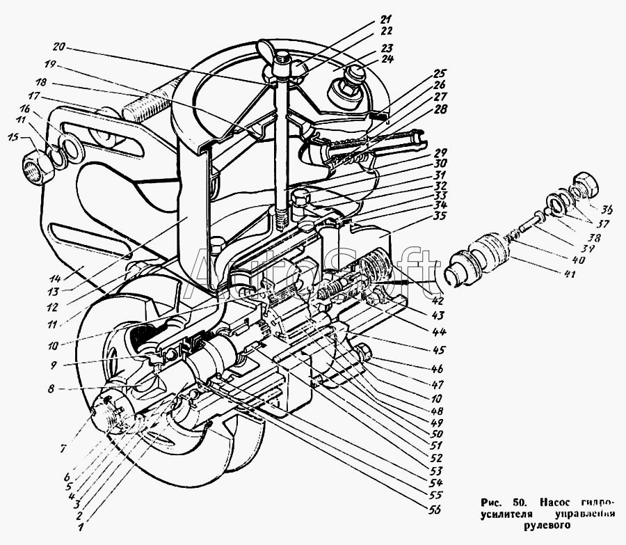
130-3407203-А Кронштейн насоса ГУР
Наименование: Кронштейн 130-3407203-А насоса ГУР
Каталожный номер: 130-3407203-А
Производитель: RSTA
Код товара: 00-ГР040944
Доставка: по всей Беларуси
Остаток: под заказ
Цена:

Нашли не точность в описании товара? сообщить администратору.

+375 (44) 770-80-78 +375 (29) 747-80-78
* Выставить счет, получить техническую информацию и стоимость
Заказать деталь Онлайн
Описание
Наличие на филиалах
Применяемость
Заменить на СТО

Кронштейн 130-3407203-А насоса ГУР производства RSTA (РФ), Код для заказа: 00-ГР040944

Марка Модель Кат.номер Наим. по каталогу Чертеж
ЛАЗ ЛАЗ 699Р 130-3407203 Кронштейн Насос гидроусилителя Чертеж Насос гидроусилителя
ЗИЛ ЗИЛ-431410 Каталог 1989 г. (1989) 130-3407203-А Кронштейн крепления насоса Насос гидроусилителя управления рулевого Чертеж Насос гидроусилителя управления рулевого
ЗИЛ ЗИЛ-131 130-3407203-А Кронштейн крепления насоса Насос гидроусилителя рулевого механизм Чертеж Насос гидроусилителя рулевого механизм
ЗИЛ ЗИЛ-433360 (1995) 130-3407203-А Кронштейн крепления насоса Насос гидроусилителя рулевого управления Чертеж Насос гидроусилителя рулевого управления
ЗИЛ ЗИЛ-442160 (1995) 130-3407203-А Кронштейн крепления насоса Насос гидроусилителя рулевого управления
ЗИЛ ЗИЛ-494560 (1995) 130-3407203-А Кронштейн крепления насоса Насос гидроусилителя рулевого управления Чертеж Насос гидроусилителя рулевого управления
ЗИЛ ЗИЛ-433110 (2003) 130-3407203-А Кронштейн крепления насоса Насос гидроусилителя рулевого управления Чертеж Насос гидроусилителя рулевого управления
ЗИЛ ЗИЛ-431416 (1990) 130-3407203-А Кронштейн крепления насоса Управление рулевое\Насос гидроусилителя рулевого управления Чертеж Управление рулевое\Насос гидроусилителя рулевого управления
ЗИЛ ЗИЛ-441517 Каталог 1987 г. (1987) 130-3407203-А Кронштейн крепления насоса Насос гидроусилителя рулевого управления
ЗИЛ ЗИЛ-130 (1985) 130-3407203-А Кронштейн крепления насоса Насос гидроусилителя рулевого управления Чертеж Насос гидроусилителя рулевого управления
ЗИЛ ЗИЛ-431410 (130) 130-3407203-А Кронштейн крепления насоса Насос гидроусилителя рулевого управления
УралАЗ УРАЛ-375 130-3407203 Кронштейн крепления насоса к головке блока цилиндров двигателя Насос гидроусилителя руля (Рис. 88) Чертеж Насос гидроусилителя руля (Рис. 88)
КАЗ КАЗ 608 130-3407203 Кронштейн крепления насоса к головке блока цилиндров двигателя Насос гидроусилителя рулевого управления
Товары из этой категории
Труба 131-1203010-Б3 приемная правая 131-1203010-Б3
Труба 131-1203010-Б3 приемная правая
Каталожный номер 131-1203010-Б3
Производитель Автоглушитель Автоглушитель
Код 18849
Доставка по всей Беларуси
Доступность остатки на филиалах Остатки на филиалах
Остаток: г.Минск, ул.Селицкого 21к В наличии
Склад Адрес Контакт Остатки
г. Минск ул. Селицкого, 21к +375 (44) 770-80-78 ( Средне )
Схема проезда
г. Глубокое ул. Энгельса, 22 +375 (44) 505-71-40 ( Мало )
Схема проезда
Втулка шкворня 5301-3001016-20 5301-3001016-20
Втулка шкворня 5301-3001016-20
Каталожный номер 5301-3001016-20
Производитель RSTA RSTA
Код 19857
Доставка по всей Беларуси
Доступность остатки на филиалах Остатки на филиалах
Остаток В наличии
Склад Адрес Контакт Остатки
г. Полоцк-2 ул. Шенягина, 52 +375 (29) 302-94-73 ( Средне )
Схема проезда
Манжета задней ступицы ЗИЛ (142х168х16) 307287
Манжета задней ступицы ЗИЛ (142х168х16)
Каталожный номер 307287
Производитель БРТ БРТ
Код 13105
Доставка по всей Беларуси
Доступность остатки на филиалах Остатки на филиалах
Остаток В наличии
Склад Адрес Контакт Остатки
г. Брест Тельминский с/с, 1Д/1, 1 км южнее д. Тельмы-2 +375 (44) 599-90-75 ( Мало )
Схема проезда
г. Дятлово ул. Советская ,104 +375 (29) 187-87-37 ( Средне )
Схема проезда
Прокладка средняя коллектора выпускного 131-1008080
Прокладка средняя коллектора выпускного
Каталожный номер 131-1008080
Производитель RSTA RSTA
Код 12489
Доставка по всей Беларуси
Доступность остатки на филиалах Остатки на филиалах
Остаток: г.Минск, ул.Селицкого 21к В наличии
Склад Адрес Контакт Остатки
г. Минск ул. Селицкого, 21к +375 (44) 770-80-78 ( Средне )
Схема проезда
г. Гродно ул. Карского, 35 +375 (44) 770-70-21 ( Мало )
Схема проезда
Диск сцепления 130-1601130 АЕ ведомый АГРОТЭК 130-1601130 АЕ
Диск сцепления 130-1601130 АЕ ведомый АГРОТЭК
Каталожный номер 130-1601130 АЕ
Производитель АГРОТЭК АГРОТЭК
Код 00-ГР022840
Доставка по всей Беларуси
Доступность остатки на филиалах Остатки на филиалах
Остаток: г.Минск, ул.Селицкого 21к В наличии
Склад Адрес Контакт Остатки
г. Минск ул. Селицкого, 21к +375 (44) 770-80-78 ( Средне )
Схема проезда
г. Бобруйск ул. Орловского, 22к3 +375 (29) 345-37-07 ( Мало )
Схема проезда
г. Борисов ул. Демина, 2а +375 (44) 560-99-75 ( Мало )
Схема проезда
г. Витебск ул. Правды, 33 +375 (44) 770-80-87 ( Средне )
Схема проезда
г. Глубокое ул. Энгельса, 22 +375 (44) 505-71-40 ( Мало )
Схема проезда
г. Гомель ул. Барыкина, 291Б +375 (44) 514-15-30 ( Мало )
Схема проезда
г. Ивацевичи ул. Загородная, 6А +375 (29) 188-59-01 ( Мало )
Схема проезда
г. Лельчицы ул. Советская, д.96/1 +375 (29) 346-98-96 ( Средне )
Схема проезда
г. Молодечно ул. Галицкого, 14 +375 (44) 567-28-47 ( Мало )
Схема проезда
г. Новогрудок ул. Индустриальная, 3 +375 (44) 729-39-19 ( Мало )
Схема проезда
г. Осиповичи ул. Короткая, 11 +375 (29) 165-60-07 ( Мало )
Схема проезда
г. Петриков ул. Первомайская, 124 +375 (33) 660-06-75 ( Мало )
Схема проезда
г. Полоцк-2 ул. Шенягина, 52 +375 (29) 302-94-73 ( Мало )
Схема проезда
г. Слоним ул. Советская, 93а +375 (29) 394-82-01 ( Средне )
Схема проезда
Сигнал С201.3721-01
Сигнал
Каталожный номер С201.3721-01
Производитель RSTA RSTA
Код 13568
Доставка по всей Беларуси
Доступность остатки на филиалах Остатки на филиалах
Остаток: г.Минск, ул.Селицкого 21к Под заказ
Склад Адрес Контакт Остатки
г. Минск ул. Селицкого, 21к +375 (44) 770-80-78 ( Мало )
Схема проезда
Фильтр масляный (Д-245) ЗИЛ-5301 ФМ009-1012005
Фильтр масляный (Д-245) ЗИЛ-5301
Каталожный номер ФМ009-1012005
Производитель Автомагнат Автомагнат
Код 17667
Доставка по всей Беларуси
Доступность остатки на филиалах Остатки на филиалах
Остаток В наличии
Склад Адрес Контакт Остатки
г. Минск ул. Бабушкина, 37 +375 (29) 632-00-82 ( Средне )
Схема проезда
г. Барановичи ул. Пролетарская, 40 +375 (29) 795-96-37 ( Средне )
Схема проезда
г. Барановичи ул. Бадака, 27Б +375 (29) 350-33-47 ( Средне )
Схема проезда
г. Березино ул. Комсомольская, д. 24 +375 (44) 770-80-17 ( Мало )
Схема проезда
г. Бобруйск ул. Гоголя, 181/1-6 +375 (29) 630-05-01 ( Мало )
Схема проезда
г. Бобруйск ул. Орловского, 22к3 +375 (29) 345-37-07 ( Средне )
Схема проезда
г. Витебск ул. Правды, 33 +375 (44) 770-80-87 ( Средне )
Схема проезда
г. Глубокое ул. Энгельса, 22 +375 (44) 505-71-40 ( Много )
Схема проезда
г. Гомель ул. Барыкина, 291Б +375 (44) 514-15-30 ( Средне )
Схема проезда
г. Гомель ул. Барыкина, 291Б +375 (44) 514-15-30 ( Средне )
Схема проезда
г. Горки ул.Мира, д.51а/1 +375 (44) 565-33-61 ( Мало )
Схема проезда
г. Гродно ул. Карского, 35 +375 (44) 770-70-21 ( Много )
Схема проезда
г. Дятлово ул. Советская ,104 +375 (29) 187-87-37 ( Средне )
Схема проезда
г. Житковичи ул. Комсомольская, 49 +375 (29) 394-82-52 ( Средне )
Схема проезда
г. Жлобин ул. Козлова, 25 +375 (29) 346-06-78 ( Средне )
Схема проезда
г. Кричев ул. Комсомольская, 126 +375 (29) 628-88-42 ( Мало )
Схема проезда
г. Лельчицы ул. Советская, д.96/1 +375 (29) 346-98-96 ( Много )
Схема проезда
г. Лепель ул. Лобанка, 43 +375 (44) 778-65-21 ( Средне )
Схема проезда
г. Лунинец ул.Красная, 175а +375 (44) 721-46-74 ( Много )
Схема проезда
г. Мозырь промузел Козенки +375 (44) 731-94-60 ( Средне )
Схема проезда
г. Молодечно ул. Галицкого, 14 +375 (44) 567-28-47 ( Средне )
Схема проезда
г. Несвиж ул. Кутузова, 2 +375 (29) 394-82-48 ( Мало )
Схема проезда
г. Орша ул. Сергея Кирова, д. 34 +375 (44) 583-91-42 ( Средне )
Схема проезда
г. Осиповичи ул. Короткая, 11 +375 (29) 165-60-07 ( Средне )
Схема проезда
г. Петриков ул. Первомайская, 124 +375 (33) 660-06-75 ( Средне )
Схема проезда
г. Пинск ул. Калиновского 32 +375 (44) 560-99-59 ( Средне )
Схема проезда
г. Полоцк-2 ул. Шенягина, 52 +375 (29) 302-94-73 ( Средне )
Схема проезда
г. Полоцк-2 ул. Шенягина, 52 +375 (29) 302-94-73 ( Много )
Схема проезда
г. Поставы ул. Советская, 69 +375 (44) 770-80-13 ( Много )
Схема проезда
г. Слоним ул. Советская, 93а +375 (29) 394-82-01 ( Средне )
Схема проезда
г. Слуцк ул. Тутаринова, 8 +375 (29) 346-06-90 ( Средне )
Схема проезда
г. Сморгонь ул. Железнодорожная, 32 +375 (29) 671-02-10 ( Средне )
Схема проезда
г. Солигорск Чижевичский сельсовет, 3Г +375 (29) 899-58-52 ( Средне )
Схема проезда
г. Столин ул. Быковского, 29 +375 (33) 304-54-36 ( Много )
Схема проезда
г. Щучин ул. Советская, 39 +375 (29) 177-29-70 ( Мало )
Схема проезда
Регулятор напряжения (771.3702) Я-112 А
Регулятор напряжения (771.3702)
Каталожный номер Я-112 А
Производитель ЭМИ ЭМИ
Код 10350
Доставка по всей Беларуси
Доступность остатки на филиалах Остатки на филиалах
Остаток: г.Минск, ул.Селицкого 21к В наличии
Склад Адрес Контакт Остатки
г. Минск ул. Селицкого, 21к +375 (44) 770-80-78 ( Средне )
Схема проезда
г. Берёза ул. Красноармейская, 89/11 +375 (29) 676-70-71 ( Мало )
Схема проезда
г. Бобруйск ул. Орловского, 22к3 +375 (29) 345-37-07 ( Средне )
Схема проезда
г. Лепель ул. Лобанка, 43 +375 (44) 778-65-21 ( Мало )
Схема проезда
г. Осиповичи ул. Короткая, 11 +375 (29) 165-60-07 ( Средне )
Схема проезда
г. Ошмяны ул. Льнозоводская 3 +375 (44) 770-80-91 ( Мало )
Схема проезда
г. Полоцк-2 ул. Шенягина, 52 +375 (29) 302-94-73 ( Мало )
Схема проезда
г. Полоцк-2 ул. Шенягина, 52 +375 (29) 302-94-73 ( Мало )
Схема проезда
г. Поставы ул. Советская, 69 +375 (44) 770-80-13 ( Мало )
Схема проезда
г. Сморгонь ул. Железнодорожная, 32 +375 (29) 671-02-10 ( Средне )
Схема проезда
г. Щучин ул. Советская, 39 +375 (29) 177-29-70 ( Мало )
Схема проезда