Республика Беларусь,
г. Минск, ул. Селицкого 21к - центральный склад
Пн-пт с 8:00 до 17:00
Меню
ВС.11-8101010 Кран ВС11-8101010 Випра
Наименование: Кран ВС11-8101010 Випра
Каталожный номер: ВС.11-8101010
Производитель: Випра
Код товара: 00-ГР007581
Доставка: по всей Беларуси
Остаток: в наличии

Нашли не точность в описании товара? сообщить администратору.

+375 (44) 770-80-78 +375 (29) 747-80-78
* Выставить счет, получить техническую информацию и стоимость
Заказать деталь Онлайн
Описание
Наличие на филиалах
Применяемость
Заменить на СТО

Кран ВС11-8101010 Випра, ВС.11-8101010

  • Каталожный номер: ВС.11-8101010
  • Код товара  для заказа:  00-ГР007581
Марка Модель Кат.номер Наим. по каталогу Чертеж
ГАЗ ГАЗ-24 24-8101010 Отопитель Вентиляция передка Чертеж Вентиляция передка
ГАЗ ГАЗ-24 24-8101010 Отопитель Отопление кузова и обогреватель боковых стекол Чертеж Отопление кузова и обогреватель боковых стекол
ГАЗ ГАЗ-24-10 (1995) 3102-8101010 Отопитель кузова в сборе Отопление и вентиляция Чертеж Отопление и вентиляция
ГАЗ ГАЗ-3102 (2000) 3102-8101010 Отопитель кузова в сборе Отопление и вентиляция
ГАЗ ГАЗ-31029 31029-8101010 Отопитель кузова в сборе Отопление и вентиляция
ГАЗ ГАЗ-3105 (1996) 3105-8101010 Отопитель в сборе Отопитель Чертеж Отопитель
ГАЗ ГАЗ-3110 3110-8101010 Отопитель Отопитель, радиатор отопителя, кожух радиатора, электродвигатель с ротором, короб вентиляции Чертеж Отопитель, радиатор отопителя, кожух радиатора, электродвигатель с ротором, короб вентиляции
ГАЗ ГАЗ-3302 (ГАЗель) 330207-8101010 Отопитель Отопитель, патрубки отопителя обогрева ветрового стекла, воздуховод и патрубок центральный вентиляции кабины, шланги и патрубки обогрева боковых стекол Чертеж Отопитель, патрубки отопителя обогрева ветрового стекла, воздуховод и патрубок центральный вентиляции кабины, шланги и патрубки обогрева боковых стекол
ГАЗ ГАЗ-3302 (ГАЗель) 3302-8101010 Отопитель Отопитель, патрубки отопителя обогрева ветрового стекла, воздуховод и патрубок центральный вентиляции кабины, шланги и патрубки обогрева боковых стекол Чертеж Отопитель, патрубки отопителя обогрева ветрового стекла, воздуховод и патрубок центральный вентиляции кабины, шланги и патрубки обогрева боковых стекол
ГАЗ ГАЗ-2705 (ГАЗель) (2000) 3302-8101010 Отопитель Отопитель, патрубки обогрева ветрового стекла, воздуховод и патрубки вентиляции кабины, шланги и патрубки обогрева боковых стекол Чертеж Отопитель, патрубки обогрева ветрового стекла, воздуховод и патрубки вентиляции кабины, шланги и патрубки обогрева боковых стекол
ГАЗ ГАЗ-2705 (ГАЗель) (2000) 3221-8101010 Отопитель передний Отопитель задний автобуса ГАЗ-3221
ГАЗ ГАЗ-33027 (Дополнение) 32214Г-8101010 Отопитель Вентиляция и отопление
ГАЗ ГАЗ-2217 (Соболь) (1999) 3221-8101010 Отопитель передний Отопитель передний, шланги и патрубки обогрева и вентиляции, короб воздухозаборника Чертеж Отопитель передний, шланги и патрубки обогрева и вентиляции, короб воздухозаборника
ГАЗ ГАЗ-3306 (1994) 4301-8101010 Отопитель Система отопления и вентиляции кабины Чертеж Система отопления и вентиляции кабины
ГАЗ ГАЗ-3307 (2000) 3307-8101010 Отопитель в сборе Отопитель, обогрев ветрового стекла, обогрев боковых стекол, воздухопроводы Чертеж Отопитель, обогрев ветрового стекла, обогрев боковых стекол, воздухопроводы
ГАЗ ГАЗ-3309 4301-8101010 Отопитель Система отопления и вентиляции кабины Чертеж Система отопления и вентиляции кабины
ГАЗ ГАЗ-4301 4301-8101010 Отопитель Система отопления и вентиляции кабины Чертеж Система отопления и вентиляции кабины
ГАЗ ГАЗ-66 (Каталог 1983 г.) (1983) 66-8101010-Б Отопитель в сборе Вентиляция и отопление Чертеж Вентиляция и отопление
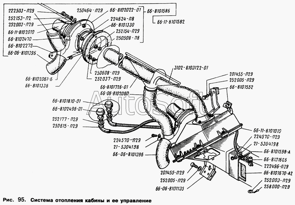
ГАЗ ГАЗ-66 (Каталог 1996 г.) (1996) 66-11-8101010 Отопитель в сборе Система отопления кабины и ее управление Чертеж Система отопления кабины и ее управление
ГАЗ ГАЗ-71 71-8101010 Отопитель в сборе Отопитель кабины Чертеж Отопитель кабины
Склад Адрес Контакт Остатки
г. Минск ул. Бабушкина, 37 +375 (29) 632-00-82 ( Мало )
Схема проезда
г. Минск ул. Селицкого, 21к +375 (44) 770-80-78 ( Много )
Схема проезда
г. Барановичи ул. Пролетарская, 40 +375 (29) 795-96-37 ( Средне )
Схема проезда
г. Барановичи ул. Бадака, 27Б +375 (29) 350-33-47 ( Средне )
Схема проезда
г. Бобруйск ул. Орловского, 22к3 +375 (29) 345-37-07 ( Средне )
Схема проезда
г. Борисов ул. Демина, 2а +375 (44) 560-99-75 ( Мало )
Схема проезда
г. Брест Тельминский с/с, 1Д/1, 1 км южнее д. Тельмы-2 +375 (44) 599-90-75 ( Много )
Схема проезда
г. Витебск ул. Правды, 33 +375 (44) 770-80-87 ( Мало )
Схема проезда
г. Витебск ул. Петруся Бровки, 34 +375 (29) 636-25-08 ( Средне )
Схема проезда
г. Глубокое ул. Энгельса, 22 +375 (44) 505-71-40 ( Много )
Схема проезда
г. Гомель ул. Барыкина, 291Б +375 (44) 514-15-30 ( Средне )
Схема проезда
г. Гомель ул. Барыкина, 291Б +375 (44) 514-15-30 ( Средне )
Схема проезда
г. Горки ул.Мира, д.51а/1 +375 (44) 565-33-61 ( Мало )
Схема проезда
г. Гродно ул. Карского, 35 +375 (44) 770-70-21 ( Средне )
Схема проезда
г. Дрогичин ул. Юбилейная, 42 +375 (29) 682-17-13 ( Средне )
Схема проезда
г. Дятлово ул. Советская ,104 +375 (29) 187-87-37 ( Средне )
Схема проезда
г. Кобрин ул. Пролетарская, 177А +375 (44) 588-10-80 ( Мало )
Схема проезда
г. Кричев ул. Комсомольская, 126 +375 (29) 628-88-42 ( Много )
Схема проезда
г. Лепель ул. Лобанка, 43 +375 (44) 778-65-21 ( Средне )
Схема проезда
г. Могилев ул. Габровская 11Б +375 (29) 662-02-16 ( Много )
Схема проезда
г. Мозырь промузел Козенки +375 (44) 731-94-60 ( Средне )
Схема проезда
г. Молодечно ул. Галицкого, 14 +375 (44) 567-28-47 ( Средне )
Схема проезда
г. Несвиж ул. Кутузова, 2 +375 (29) 394-82-48 ( Средне )
Схема проезда
г. Осиповичи ул. Короткая, 11 +375 (29) 165-60-07 ( Мало )
Схема проезда
г. Ошмяны ул. Льнозоводская 3 +375 (44) 770-80-91 ( Много )
Схема проезда
г. Петриков ул. Первомайская, 124 +375 (33) 660-06-75 ( Средне )
Схема проезда
г. Пинск ул. Калиновского 32 +375 (44) 560-99-59 ( Средне )
Схема проезда
г. Полоцк-2 ул. Шенягина, 52 +375 (29) 302-94-73 ( Средне )
Схема проезда
г. Полоцк-2 ул. Шенягина, 52 +375 (29) 302-94-73 ( Средне )
Схема проезда
г. Пружаны ул. Макаренко, 21 +375 (29) 348-83-18 ( Мало )
Схема проезда
г. Слоним ул. Советская, 93а +375 (29) 394-82-01 ( Средне )
Схема проезда
г. Слуцк ул. Тутаринова, 8 +375 (29) 346-06-90 ( Средне )
Схема проезда
г. Сморгонь ул. Железнодорожная, 32 +375 (29) 671-02-10 ( Средне )
Схема проезда
г. Солигорск Чижевичский сельсовет, 3Г +375 (29) 899-58-52 ( Мало )
Схема проезда
г. Щучин ул. Советская, 39 +375 (29) 177-29-70 ( Средне )
Схема проезда
г. Берёза ул. Красноармейская, 89/11 +375 (29) 676-70-71 Под заказ
Схема проезда
г. Березино ул. Комсомольская, д. 24 +375 (44) 770-80-17 Под заказ
Схема проезда
г. Бобруйск ул. Гоголя, 181/1-6 +375 (29) 630-05-01 Под заказ
Схема проезда
г. Гомель ул. Текстильная, 10 +375 (44) 540-02-05 Под заказ
Схема проезда
г. Житковичи ул. Комсомольская, 49 +375 (29) 394-82-52 Под заказ
Схема проезда
г. Жлобин ул. Козлова, 25 +375 (29) 346-06-78 Под заказ
Схема проезда
г. Ивацевичи ул. Загородная, 6А +375 (29) 188-59-01 Под заказ
Схема проезда
г. Лельчицы ул. Советская, д.96/1 +375 (29) 346-98-96 Под заказ
Схема проезда
г. Лида ул. Качана, 7 +375 (29) 612-60-61 Под заказ
Схема проезда
г. Лунинец ул.Красная, 175а +375 (44) 721-46-74 Под заказ
Схема проезда
г. Новогрудок ул. Индустриальная, 3 +375 (44) 729-39-19 Под заказ
Схема проезда
г. Орша ул. Сергея Кирова, д. 34 +375 (44) 583-91-42 Под заказ
Схема проезда
г. Полоцк ул. Пролетарская, 6 +375 (29) 644-57-58 Под заказ
Схема проезда
г. Полоцк ул. Строительная, 30Б +375 (29) 302-97-91 Под заказ
Схема проезда
г. Поставы ул. Советская, 69 +375 (44) 770-80-13 Под заказ
Схема проезда
г. Столин ул. Быковского, 29 +375 (33) 304-54-36 Под заказ
Схема проезда
Товары из этой категории
Вентиляторный блок ИЖКС.632546.004-01 ЭВИ 24-2.02 Радиоволна ИЖКС.632546.004-04 ЭВ 24-2.02
Вентиляторный блок ИЖКС.632546.004-01 ЭВИ 24-2.02 Радиоволна
Каталожный номер ИЖКС.632546.004-04 ЭВ 24-2.02
Производитель Радиоволна Радиоволна
Код 46987
Доставка по всей Беларуси
Доступность остатки на филиалах Остатки на филиалах
Остаток: г.Минск, ул.Селицкого 21к В наличии
Склад Адрес Контакт Остатки
г. Минск ул. Селицкого, 21к +375 (44) 770-80-78 ( Средне )
Схема проезда
г. Барановичи ул. Бадака, 27Б +375 (29) 350-33-47 ( Мало )
Схема проезда
г. Дятлово ул. Советская ,104 +375 (29) 187-87-37 ( Мало )
Схема проезда
Радиатор отопителя  алюминий 64221А-8101060
Радиатор отопителя алюминий
Каталожный номер 64221А-8101060
Производитель Таспо-ф Таспо-ф
Код 7577
Доставка по всей Беларуси
Доступность остатки на филиалах Остатки на филиалах
Остаток: г.Минск, ул.Селицкого 21к В наличии
Склад Адрес Контакт Остатки
г. Минск ул. Селицкого, 21к +375 (44) 770-80-78 ( Средне )
Схема проезда
г. Барановичи ул. Бадака, 27Б +375 (29) 350-33-47 ( Мало )
Схема проезда
г. Берёза ул. Красноармейская, 89/11 +375 (29) 676-70-71 ( Мало )
Схема проезда
г. Бобруйск ул. Орловского, 22к3 +375 (29) 345-37-07 ( Мало )
Схема проезда
г. Борисов ул. Демина, 2а +375 (44) 560-99-75 ( Мало )
Схема проезда
г. Глубокое ул. Энгельса, 22 +375 (44) 505-71-40 ( Мало )
Схема проезда
г. Гомель ул. Барыкина, 291Б +375 (44) 514-15-30 ( Мало )
Схема проезда
г. Гомель ул. Барыкина, 291Б +375 (44) 514-15-30 ( Мало )
Схема проезда
г. Дрогичин ул. Юбилейная, 42 +375 (29) 682-17-13 ( Мало )
Схема проезда
г. Кобрин ул. Пролетарская, 177А +375 (44) 588-10-80 ( Мало )
Схема проезда
г. Осиповичи ул. Короткая, 11 +375 (29) 165-60-07 ( Мало )
Схема проезда
г. Ошмяны ул. Льнозоводская 3 +375 (44) 770-80-91 ( Мало )
Схема проезда
г. Щучин ул. Советская, 39 +375 (29) 177-29-70 ( Мало )
Схема проезда
Комплект прокладок двигателя 1003162606 (WP12) WEICHAI 1003162606
Комплект прокладок двигателя 1003162606 (WP12) WEICHAI
Каталожный номер 1003162606
Производитель WEICHAI WEICHAI
Код 00-ГР033049
Доставка по всей Беларуси
Доступность остатки на филиалах Остатки на филиалах
Остаток: г.Минск, ул.Селицкого 21к В наличии
Склад Адрес Контакт Остатки
г. Минск ул. Селицкого, 21к +375 (44) 770-80-78 ( Мало )
Схема проезда
г. Борисов ул. Демина, 2а +375 (44) 560-99-75 ( Мало )
Схема проезда
Тройник М22хМ22хМ22 401438
Тройник М22хМ22хМ22
Каталожный номер 401438
Производитель МАЗ МАЗ
Код 40093
Доставка по всей Беларуси
Доступность остатки на филиалах Остатки на филиалах
Остаток: г.Минск, ул.Селицкого 21к В наличии
Склад Адрес Контакт Остатки
г. Минск ул. Селицкого, 21к +375 (44) 770-80-78 ( Средне )
Схема проезда
г. Барановичи ул. Пролетарская, 40 +375 (29) 795-96-37 ( Средне )
Схема проезда
г. Бобруйск ул. Орловского, 22к3 +375 (29) 345-37-07 ( Мало )
Схема проезда
г. Борисов ул. Демина, 2а +375 (44) 560-99-75 ( Мало )
Схема проезда
г. Брест Тельминский с/с, 1Д/1, 1 км южнее д. Тельмы-2 +375 (44) 599-90-75 ( Много )
Схема проезда
г. Глубокое ул. Энгельса, 22 +375 (44) 505-71-40 ( Средне )
Схема проезда
г. Гомель ул. Барыкина, 291Б +375 (44) 514-15-30 ( Много )
Схема проезда
г. Горки ул.Мира, д.51а/1 +375 (44) 565-33-61 ( Мало )
Схема проезда
г. Гродно ул. Карского, 35 +375 (44) 770-70-21 ( Средне )
Схема проезда
г. Дрогичин ул. Юбилейная, 42 +375 (29) 682-17-13 ( Мало )
Схема проезда
г. Дятлово ул. Советская ,104 +375 (29) 187-87-37 ( Средне )
Схема проезда
г. Кобрин ул. Пролетарская, 177А +375 (44) 588-10-80 ( Мало )
Схема проезда
г. Новогрудок ул. Индустриальная, 3 +375 (44) 729-39-19 ( Средне )
Схема проезда
г. Осиповичи ул. Короткая, 11 +375 (29) 165-60-07 ( Средне )
Схема проезда
г. Ошмяны ул. Льнозоводская 3 +375 (44) 770-80-91 ( Мало )
Схема проезда
г. Петриков ул. Первомайская, 124 +375 (33) 660-06-75 ( Средне )
Схема проезда
г. Пинск ул. Калиновского 32 +375 (44) 560-99-59 ( Средне )
Схема проезда
г. Полоцк-2 ул. Шенягина, 52 +375 (29) 302-94-73 ( Средне )
Схема проезда
г. Полоцк-2 ул. Шенягина, 52 +375 (29) 302-94-73 ( Мало )
Схема проезда
г. Полоцк-2 ул. Шенягина, 52 +375 (29) 302-94-73 ( Средне )
Схема проезда
г. Поставы ул. Советская, 69 +375 (44) 770-80-13 ( Средне )
Схема проезда
г. Слуцк ул. Тутаринова, 8 +375 (29) 346-06-90 ( Средне )
Схема проезда
г. Сморгонь ул. Железнодорожная, 32 +375 (29) 671-02-10 ( Средне )
Схема проезда
г. Столин ул. Быковского, 29 +375 (33) 304-54-36 ( Мало )
Схема проезда
г. Щучин ул. Советская, 39 +375 (29) 177-29-70 ( Средне )
Схема проезда
Ротор вентилятора отопителя ИЖКС.753771.003-01 правый Радиоволна ИЖКС.753771.003-01
Ротор вентилятора отопителя ИЖКС.753771.003-01 правый Радиоволна
Каталожный номер ИЖКС.753771.003-01
Производитель Радиоволна Радиоволна
Код 00-ГР011458
Доставка по всей Беларуси
Доступность остатки на филиалах Остатки на филиалах
Остаток: г.Минск, ул.Селицкого 21к В наличии
Склад Адрес Контакт Остатки
г. Минск ул. Селицкого, 21к +375 (44) 770-80-78 ( Средне )
Схема проезда
г. Бобруйск ул. Орловского, 22к3 +375 (29) 345-37-07 ( Средне )
Схема проезда
г. Гродно ул. Карского, 35 +375 (44) 770-70-21 ( Средне )
Схема проезда
г. Петриков ул. Первомайская, 124 +375 (33) 660-06-75 ( Мало )
Схема проезда
г. Полоцк-2 ул. Шенягина, 52 +375 (29) 302-94-73 ( Мало )
Схема проезда