Республика Беларусь,
г. Минск, ул. Селицкого 21к - центральный склад
Пн-пт с 8:00 до 17:00
Меню
ПС7-О Кран пробковый Випра
Наименование: Кран пробковый ПС7-О Випра
Каталожный номер: ПС7-О
Производитель: Випра
Код товара: 815
Доставка: по всей Беларуси
Остаток: в наличии

Нашли не точность в описании товара? сообщить администратору.

+375 (44) 770-80-78 +375 (29) 747-80-78
* Выставить счет, получить техническую информацию и стоимость
Заказать деталь Онлайн
Описание
Наличие на филиалах
Применяемость
Заменить на СТО

БС вес: 0,09 на 29.05.2020

Код для заказа: 815

Марка Модель Кат.номер Наим. по каталогу Чертеж
ГАЗ ГАЗ-24-10 (1995) ПС7-1-0 Кран в сборе Блок и головка цилиндров двигателя Чертеж Блок и головка цилиндров двигателя
ГАЗ ГАЗ-31029 ПС7-1-0 Кран в сборе Блок и головка цилиндров двигателя
ГАЗ ГАЗ-3110 ПС7-1-0 Кран в сборе Блок и головка цилиндров, датчик давления масла двигателей ЗМЗ-402.10 и ЗМЗ-4021.10
ГАЗ ГАЗ-3110 ПС7-1-0 Кран в сборе Насос водяной, ремень привода водяного насоса, термостат, датчики указателя температуры и сигнализатора перегрева охлаждающей жидкости, датчик указателя температуры охлаждающей жидкости системы управления двигателем ЗМЗ-4062.10 Чертеж Насос водяной, ремень привода водяного насоса, термостат, датчики указателя температуры и сигнализатора перегрева охлаждающей жидкости, датчик указателя температуры охлаждающей жидкости системы управления двигателем ЗМЗ-4062.10
ГАЗ ГАЗ-3302 (ГАЗель) ПС7-1 Кран в сборе Короб воздухозаборника и трубопроводы отопления Чертеж Короб воздухозаборника и трубопроводы отопления
ГАЗ ГАЗ-3302 (ГАЗель) ПС7-1-0 Кран в сборе Блок и головка цилиндров двигателей ЗМЗ 4025.10, ЗМЗ 4026.10 Чертеж Блок и головка цилиндров двигателей ЗМЗ 4025.10, ЗМЗ 4026.10
ГАЗ ГАЗ-3302 (ГАЗель) ПС7-1-0 Кран в сборе Насос водяной, вентилятор и его привод двигателей ЗМЗ 4061.10, ЗМЗ 4063.10, ЗМЗ 40637.10
ГАЗ ГАЗ-2705 (ГАЗель) (2000) ПС7 -1 Кран Короб воздухозаборника и трубопроводы отопителя Чертеж Короб воздухозаборника и трубопроводы отопителя
ГАЗ ГАЗ-2705 (ГАЗель) (2000) ПС7-1-0 Кран в сборе Блок и головка цилиндров, датчик давления масла и датчик перегрева охлаждающей жидкости двигателей ЗМЗ-4025.10, ЗМЗ-4026.10 Чертеж Блок и головка цилиндров, датчик давления масла и датчик перегрева охлаждающей жидкости двигателей ЗМЗ-4025.10, ЗМЗ-4026.10
ГАЗ ГАЗ-2705 (ГАЗель) (2000) ПС7-1-0 Кран в сборе Вентилятор, насос водяной, привод вентилятора и водяного насоса, термостат, датчик указателя температуры и перегрева охлаждающей жидкости, датчик температурного состояния двигателей ЗМЗ-4061.10, ЗМЗ-4063.10 Чертеж Вентилятор, насос водяной, привод вентилятора и водяного насоса, термостат, датчик указателя температуры и перегрева охлаждающей жидкости, датчик температурного состояния двигателей ЗМЗ-4061.10, ЗМЗ-4063.10
ГАЗ ГАЗ-2217 (Соболь) (1999) ПС7-1-0 Кран в сборе Насос водяной двигателя ЗМЗ-4063 6-местного автобуса, ремень привода водяного насоса, термостат, датчики указателя температуры и сигнализатора перегрева охлаждающей жидкости, датчик температуры охлаждающей жидкости системы управления зажиганием двигателя Чертеж Насос водяной двигателя ЗМЗ-4063 6-местного автобуса, ремень привода водяного насоса, термостат, датчики указателя температуры и сигнализатора перегрева охлаждающей жидкости, датчик температуры охлаждающей жидкости системы управления зажиганием двигателя
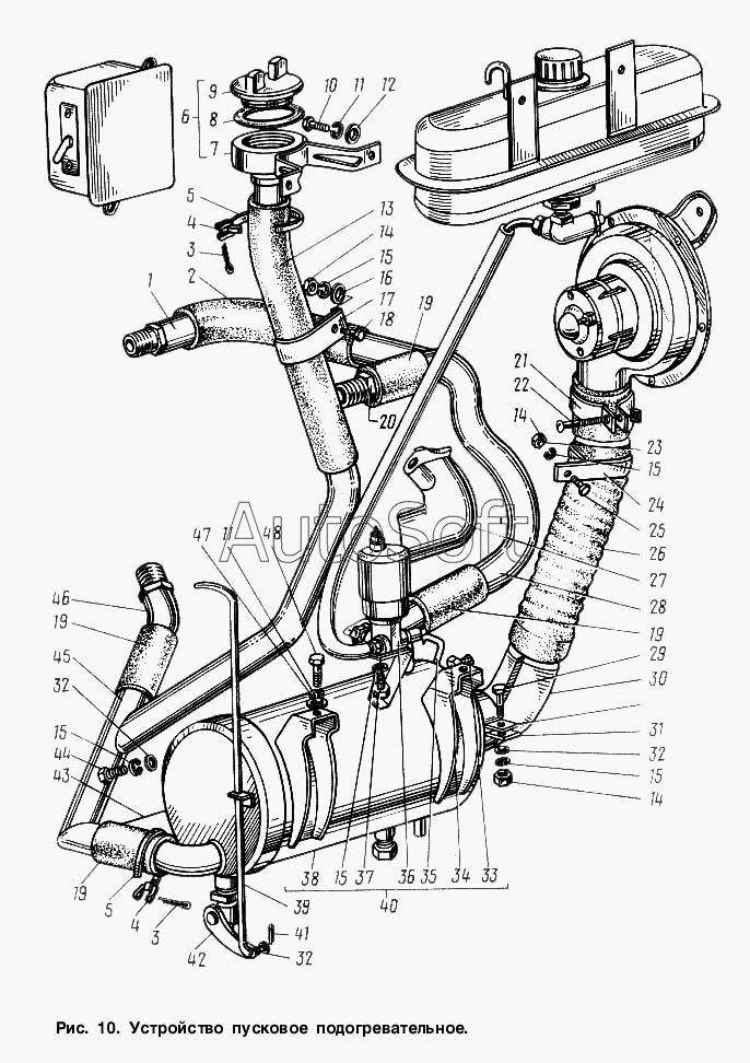
ГАЗ ГАЗ-3307 (2000) ПС7-2 Кран в сборе (51-1305040-10) Устройство пусковое подогревательное Чертеж Устройство пусковое подогревательное
ГАЗ ГАЗ-3307 (2000) ПС7-1-0 Кран в сборе Радиатор, подвеска радиатора, трубопроводы и шланги Чертеж Радиатор, подвеска радиатора, трубопроводы и шланги
ГАЗ ГАЗ-52-02 ПС7-11 Краник сливной Вентиляция картера и пусковой подогреватель Чертеж Вентиляция картера и пусковой подогреватель
ГАЗ ГАЗ-53 А (1989) ПС7-1 Кран в сборе Блок и головка цилиндров Чертеж Блок и головка цилиндров
ГАЗ ГАЗ-53 А (1989) ПС7-11 Краник сливной Пусковое оборудование Чертеж Пусковое оборудование
ГАЗ ГАЗ-66 (Каталог 1983 г.) (1983) ПС7-11 Краник сливной Блок и головка цилиндров двигателя
ГАЗ ГАЗ-66 (Каталог 1983 г.) (1983) ПС7-1 Кран в сборе Блок и головка цилиндров двигателя
ГАЗ ГАЗ-66 (Каталог 1983 г.) (1983) ПС7-11 Краник сливной Пусковой подогреватель
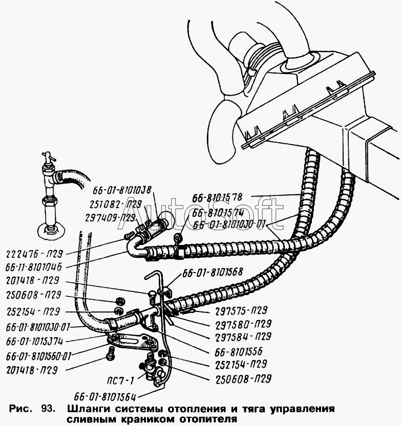
ГАЗ ГАЗ-66 (Каталог 1996 г.) (1996) ПС7-1 Кран в сборе Шланги системы отопления и тяга управления сливным краником отопителя Чертеж Шланги системы отопления и тяга управления сливным краником отопителя
Склад Адрес Контакт Остатки
г. Минск ул. Селицкого, 21к +375 (44) 770-80-78 ( Много )
Схема проезда
г. Барановичи ул. Пролетарская, 40 +375 (29) 795-96-37 ( Средне )
Схема проезда
г. Березино ул. Комсомольская, д. 24 +375 (44) 770-80-17 ( Мало )
Схема проезда
г. Бобруйск ул. Орловского, 22к3 +375 (29) 345-37-07 ( Средне )
Схема проезда
г. Борисов ул. Демина, 2а +375 (44) 560-99-75 ( Мало )
Схема проезда
г. Витебск ул. Правды, 33 +375 (44) 770-80-87 ( Мало )
Схема проезда
г. Глубокое ул. Энгельса, 22 +375 (44) 505-71-40 ( Мало )
Схема проезда
г. Гомель ул. Барыкина, 291Б +375 (44) 514-15-30 ( Средне )
Схема проезда
г. Горки ул.Мира, д.51а/1 +375 (44) 565-33-61 ( Мало )
Схема проезда
г. Гродно ул. Карского, 35 +375 (44) 770-70-21 ( Средне )
Схема проезда
г. Дрогичин ул. Юбилейная, 42 +375 (29) 682-17-13 ( Мало )
Схема проезда
г. Дятлово ул. Советская ,104 +375 (29) 187-87-37 ( Средне )
Схема проезда
г. Жлобин ул. Козлова, 25 +375 (29) 346-06-78 ( Средне )
Схема проезда
г. Ивацевичи ул. Загородная, 6А +375 (29) 188-59-01 ( Средне )
Схема проезда
г. Кричев ул. Комсомольская, 126 +375 (29) 628-88-42 ( Мало )
Схема проезда
г. Лельчицы ул. Советская, д.96/1 +375 (29) 346-98-96 ( Мало )
Схема проезда
г. Могилев ул. Габровская 11Б +375 (29) 662-02-16 ( Мало )
Схема проезда
г. Молодечно ул. Галицкого, 14 +375 (44) 567-28-47 ( Мало )
Схема проезда
г. Несвиж ул. Кутузова, 2 +375 (29) 394-82-48 ( Средне )
Схема проезда
г. Осиповичи ул. Короткая, 11 +375 (29) 165-60-07 ( Средне )
Схема проезда
г. Ошмяны ул. Льнозоводская 3 +375 (44) 770-80-91 ( Средне )
Схема проезда
г. Петриков ул. Первомайская, 124 +375 (33) 660-06-75 ( Средне )
Схема проезда
г. Полоцк-2 ул. Шенягина, 52 +375 (29) 302-94-73 ( Мало )
Схема проезда
г. Поставы ул. Советская, 69 +375 (44) 770-80-13 ( Мало )
Схема проезда
г. Пружаны ул. Макаренко, 21 +375 (29) 348-83-18 ( Средне )
Схема проезда
г. Слоним ул. Советская, 93а +375 (29) 394-82-01 ( Средне )
Схема проезда
г. Сморгонь ул. Железнодорожная, 32 +375 (29) 671-02-10 ( Мало )
Схема проезда
г. Барановичи ул. Бадака, 27Б +375 (29) 350-33-47 Под заказ
Схема проезда
г. Берёза ул. Красноармейская, 89/11 +375 (29) 676-70-71 Под заказ
Схема проезда
г. Бобруйск ул. Гоголя, 181/1-6 +375 (29) 630-05-01 Под заказ
Схема проезда
г. Брест Тельминский с/с, 1Д/1, 1 км южнее д. Тельмы-2 +375 (44) 599-90-75 Под заказ
Схема проезда
г. Витебск ул. Петруся Бровки, 34 +375 (29) 636-25-08 Под заказ
Схема проезда
г. Гомель ул. Текстильная, 10 +375 (44) 540-02-05 Под заказ
Схема проезда
г. Житковичи ул. Комсомольская, 49 +375 (29) 394-82-52 Под заказ
Схема проезда
г. Кобрин ул. Пролетарская, 177А +375 (44) 588-10-80 Под заказ
Схема проезда
г. Лепель ул. Лобанка, 43 +375 (44) 778-65-21 Под заказ
Схема проезда
г. Лида ул. Качана, 7 +375 (29) 612-60-61 Под заказ
Схема проезда
г. Лунинец ул.Красная, 175а +375 (44) 721-46-74 Под заказ
Схема проезда
г. Минск ул. Бабушкина, 37 +375 (29) 632-00-82 Под заказ
Схема проезда
г. Мозырь промузел Козенки +375 (44) 731-94-60 Под заказ
Схема проезда
г. Новогрудок ул. Индустриальная, 3 +375 (44) 729-39-19 Под заказ
Схема проезда
г. Орша ул. Сергея Кирова, д. 34 +375 (44) 583-91-42 Под заказ
Схема проезда
г. Пинск ул. Калиновского 32 +375 (44) 560-99-59 Под заказ
Схема проезда
г. Полоцк ул. Пролетарская, 6 +375 (29) 644-57-58 Под заказ
Схема проезда
г. Полоцк ул. Строительная, 30Б +375 (29) 302-97-91 Под заказ
Схема проезда
г. Слуцк ул. Тутаринова, 8 +375 (29) 346-06-90 Под заказ
Схема проезда
г. Солигорск Чижевичский сельсовет, 3Г +375 (29) 899-58-52 Под заказ
Схема проезда
г. Столин ул. Быковского, 29 +375 (33) 304-54-36 Под заказ
Схема проезда
г. Щучин ул. Советская, 39 +375 (29) 177-29-70 Под заказ
Схема проезда
Товары из этой категории
Трубка дренажная ЯМЗ-238,Автодизель 238-1104370-Б
Трубка дренажная ЯМЗ-238,Автодизель
Каталожный номер 238-1104370-Б
Производитель Автодизель Автодизель
Код 9558
Доставка по всей Беларуси
Доступность остатки на филиалах Остатки на филиалах
Остаток: г.Минск, ул.Селицкого 21к В наличии
Склад Адрес Контакт Остатки
г. Минск ул. Селицкого, 21к +375 (44) 770-80-78 ( Много )
Схема проезда
г. Барановичи ул. Пролетарская, 40 +375 (29) 795-96-37 ( Средне )
Схема проезда
г. Березино ул. Комсомольская, д. 24 +375 (44) 770-80-17 ( Средне )
Схема проезда
г. Берёза ул. Красноармейская, 89/11 +375 (29) 676-70-71 ( Средне )
Схема проезда
г. Бобруйск ул. Орловского, 22к3 +375 (29) 345-37-07 ( Средне )
Схема проезда
г. Брест Тельминский с/с, 1Д/1, 1 км южнее д. Тельмы-2 +375 (44) 599-90-75 ( Средне )
Схема проезда
г. Гомель ул. Барыкина, 291Б +375 (44) 514-15-30 ( Средне )
Схема проезда
г. Гродно ул. Карского, 35 +375 (44) 770-70-21 ( Средне )
Схема проезда
г. Житковичи ул. Комсомольская, 49 +375 (29) 394-82-52 ( Средне )
Схема проезда
г. Жлобин ул. Козлова, 25 +375 (29) 346-06-78 ( Средне )
Схема проезда
г. Ивацевичи ул. Загородная, 6А +375 (29) 188-59-01 ( Средне )
Схема проезда
г. Кобрин ул. Пролетарская, 177А +375 (44) 588-10-80 ( Средне )
Схема проезда
г. Лельчицы ул. Советская, д.96/1 +375 (29) 346-98-96 ( Мало )
Схема проезда
г. Лунинец ул.Красная, 175а +375 (44) 721-46-74 ( Средне )
Схема проезда
г. Мозырь промузел Козенки +375 (44) 731-94-60 ( Средне )
Схема проезда
г. Новогрудок ул. Индустриальная, 3 +375 (44) 729-39-19 ( Мало )
Схема проезда
г. Пинск ул. Калиновского 32 +375 (44) 560-99-59 ( Средне )
Схема проезда
г. Полоцк-2 ул. Шенягина, 52 +375 (29) 302-94-73 ( Мало )
Схема проезда
г. Солигорск Чижевичский сельсовет, 3Г +375 (29) 899-58-52 ( Средне )
Схема проезда
Распылитель ЯМЗ-236НЕ2/БЕ2,238ДУ2,236НЕ2-3 0511.1112110-1
Распылитель ЯМЗ-236НЕ2/БЕ2,238ДУ2,236НЕ2-3
Каталожный номер 0511.1112110-1
Производитель АЗПИ АЗПИ
Код 4797
Доставка по всей Беларуси
Доступность остатки на филиалах Остатки на филиалах
Остаток: г.Минск, ул.Селицкого 21к В наличии
Склад Адрес Контакт Остатки
г. Минск ул. Селицкого, 21к +375 (44) 770-80-78 ( Много )
Схема проезда
г. Барановичи ул. Бадака, 27Б +375 (29) 350-33-47 ( Много )
Схема проезда
г. Бобруйск ул. Гоголя, 181/1-6 +375 (29) 630-05-01 ( Средне )
Схема проезда
г. Бобруйск ул. Орловского, 22к3 +375 (29) 345-37-07 ( Много )
Схема проезда
г. Борисов ул. Демина, 2а +375 (44) 560-99-75 ( Много )
Схема проезда
г. Брест Тельминский с/с, 1Д/1, 1 км южнее д. Тельмы-2 +375 (44) 599-90-75 ( Много )
Схема проезда
г. Витебск ул. Петруся Бровки, 34 +375 (29) 636-25-08 ( Много )
Схема проезда
г. Глубокое ул. Энгельса, 22 +375 (44) 505-71-40 ( Много )
Схема проезда
г. Гомель ул. Барыкина, 291Б +375 (44) 514-15-30 ( Много )
Схема проезда
г. Гомель ул. Барыкина, 291Б +375 (44) 514-15-30 ( Много )
Схема проезда
г. Гродно ул. Карского, 35 +375 (44) 770-70-21 ( Много )
Схема проезда
г. Житковичи ул. Комсомольская, 49 +375 (29) 394-82-52 ( Много )
Схема проезда
г. Могилев ул. Габровская 11Б +375 (29) 662-02-16 ( Много )
Схема проезда
г. Молодечно ул. Галицкого, 14 +375 (44) 567-28-47 ( Много )
Схема проезда
г. Новогрудок ул. Индустриальная, 3 +375 (44) 729-39-19 ( Много )
Схема проезда
г. Пинск ул. Калиновского 32 +375 (44) 560-99-59 ( Много )
Схема проезда
г. Полоцк-2 ул. Шенягина, 52 +375 (29) 302-94-73 ( Много )
Схема проезда
г. Поставы ул. Советская, 69 +375 (44) 770-80-13 ( Много )
Схема проезда
г. Пружаны ул. Макаренко, 21 +375 (29) 348-83-18 ( Много )
Схема проезда
г. Слоним ул. Советская, 93а +375 (29) 394-82-01 ( Много )
Схема проезда
г. Сморгонь ул. Железнодорожная, 32 +375 (29) 671-02-10 ( Много )
Схема проезда
г. Щучин ул. Советская, 39 +375 (29) 177-29-70 ( Много )
Схема проезда
Трубка топл.бака отводящая L-3150мм 5336-1104586
Трубка топл.бака отводящая L-3150мм
Каталожный номер 5336-1104586
Производитель МАЗ МАЗ
Код 1460
Доставка по всей Беларуси
Доступность остатки на филиалах Остатки на филиалах
Остаток: г.Минск, ул.Селицкого 21к В наличии
Склад Адрес Контакт Остатки
г. Минск ул. Селицкого, 21к +375 (44) 770-80-78 ( Средне )
Схема проезда
г. Бобруйск ул. Орловского, 22к3 +375 (29) 345-37-07 ( Мало )
Схема проезда
г. Брест Тельминский с/с, 1Д/1, 1 км южнее д. Тельмы-2 +375 (44) 599-90-75 ( Мало )
Схема проезда
г. Витебск ул. Петруся Бровки, 34 +375 (29) 636-25-08 ( Мало )
Схема проезда
г. Гродно ул. Карского, 35 +375 (44) 770-70-21 ( Мало )
Схема проезда
г. Ивацевичи ул. Загородная, 6А +375 (29) 188-59-01 ( Мало )
Схема проезда
г. Кобрин ул. Пролетарская, 177А +375 (44) 588-10-80 ( Мало )
Схема проезда
г. Могилев ул. Габровская 11Б +375 (29) 662-02-16 ( Мало )
Схема проезда
г. Несвиж ул. Кутузова, 2 +375 (29) 394-82-48 ( Мало )
Схема проезда
г. Осиповичи ул. Короткая, 11 +375 (29) 165-60-07 ( Мало )
Схема проезда
г. Ошмяны ул. Льнозоводская 3 +375 (44) 770-80-91 ( Мало )
Схема проезда
г. Пинск ул. Калиновского 32 +375 (44) 560-99-59 ( Мало )
Схема проезда
г. Слоним ул. Советская, 93а +375 (29) 394-82-01 ( Мало )
Схема проезда
г. Сморгонь ул. Железнодорожная, 32 +375 (29) 671-02-10 ( Мало )
Схема проезда
Распылитель Евро-3,Автодизель,Автодизель 335.1112110-140
Распылитель Евро-3,Автодизель,Автодизель
Каталожный номер 335.1112110-140
Производитель ЯЗДА ЯЗДА
Код 9662
Доставка по всей Беларуси
Доступность остатки на филиалах Остатки на филиалах
Остаток: г.Минск, ул.Селицкого 21к В наличии
Склад Адрес Контакт Остатки
г. Минск ул. Селицкого, 21к +375 (44) 770-80-78 ( Много )
Схема проезда
г. Барановичи ул. Бадака, 27Б +375 (29) 350-33-47 ( Средне )
Схема проезда
г. Березино ул. Комсомольская, д. 24 +375 (44) 770-80-17 ( Средне )
Схема проезда
г. Берёза ул. Красноармейская, 89/11 +375 (29) 676-70-71 ( Много )
Схема проезда
г. Бобруйск ул. Орловского, 22к3 +375 (29) 345-37-07 ( Много )
Схема проезда
г. Борисов ул. Демина, 2а +375 (44) 560-99-75 ( Много )
Схема проезда
г. Глубокое ул. Энгельса, 22 +375 (44) 505-71-40 ( Много )
Схема проезда
г. Гомель ул. Барыкина, 291Б +375 (44) 514-15-30 ( Много )
Схема проезда
г. Дрогичин ул. Юбилейная, 42 +375 (29) 682-17-13 ( Много )
Схема проезда
г. Дятлово ул. Советская ,104 +375 (29) 187-87-37 ( Много )
Схема проезда
г. Житковичи ул. Комсомольская, 49 +375 (29) 394-82-52 ( Средне )
Схема проезда
г. Жлобин ул. Козлова, 25 +375 (29) 346-06-78 ( Средне )
Схема проезда
г. Ивацевичи ул. Загородная, 6А +375 (29) 188-59-01 ( Много )
Схема проезда
г. Кобрин ул. Пролетарская, 177А +375 (44) 588-10-80 ( Много )
Схема проезда
г. Кричев ул. Комсомольская, 126 +375 (29) 628-88-42 ( Много )
Схема проезда
г. Лельчицы ул. Советская, д.96/1 +375 (29) 346-98-96 ( Много )
Схема проезда
г. Лепель ул. Лобанка, 43 +375 (44) 778-65-21 ( Много )
Схема проезда
г. Лунинец ул.Красная, 175а +375 (44) 721-46-74 ( Много )
Схема проезда
г. Могилев ул. Габровская 11Б +375 (29) 662-02-16 ( Много )
Схема проезда
г. Мозырь промузел Козенки +375 (44) 731-94-60 ( Много )
Схема проезда
г. Молодечно ул. Галицкого, 14 +375 (44) 567-28-47 ( Много )
Схема проезда
г. Несвиж ул. Кутузова, 2 +375 (29) 394-82-48 ( Средне )
Схема проезда
г. Ошмяны ул. Льнозоводская 3 +375 (44) 770-80-91 ( Много )
Схема проезда
г. Поставы ул. Советская, 69 +375 (44) 770-80-13 ( Средне )
Схема проезда
г. Пружаны ул. Макаренко, 21 +375 (29) 348-83-18 ( Много )
Схема проезда
г. Слоним ул. Советская, 93а +375 (29) 394-82-01 ( Много )
Схема проезда
г. Сморгонь ул. Железнодорожная, 32 +375 (29) 671-02-10 ( Много )
Схема проезда
г. Солигорск Чижевичский сельсовет, 3Г +375 (29) 899-58-52 ( Много )
Схема проезда
Бак топливный 200л,МАЗ ОАО 5335-1101010-01 У1
Бак топливный 200л,МАЗ ОАО
Каталожный номер 5335-1101010-01 У1
Производитель МАЗ МАЗ
Код 51
Доставка по всей Беларуси
Доступность остатки на филиалах Остатки на филиалах
Остаток: г.Минск, ул.Селицкого 21к В наличии
Склад Адрес Контакт Остатки
г. Минск ул. Селицкого, 21к +375 (44) 770-80-78 ( Средне )
Схема проезда