Республика Беларусь,
г. Минск, ул. Селицкого 21к - центральный склад
Пн-пт с 8:00 до 17:00
Меню
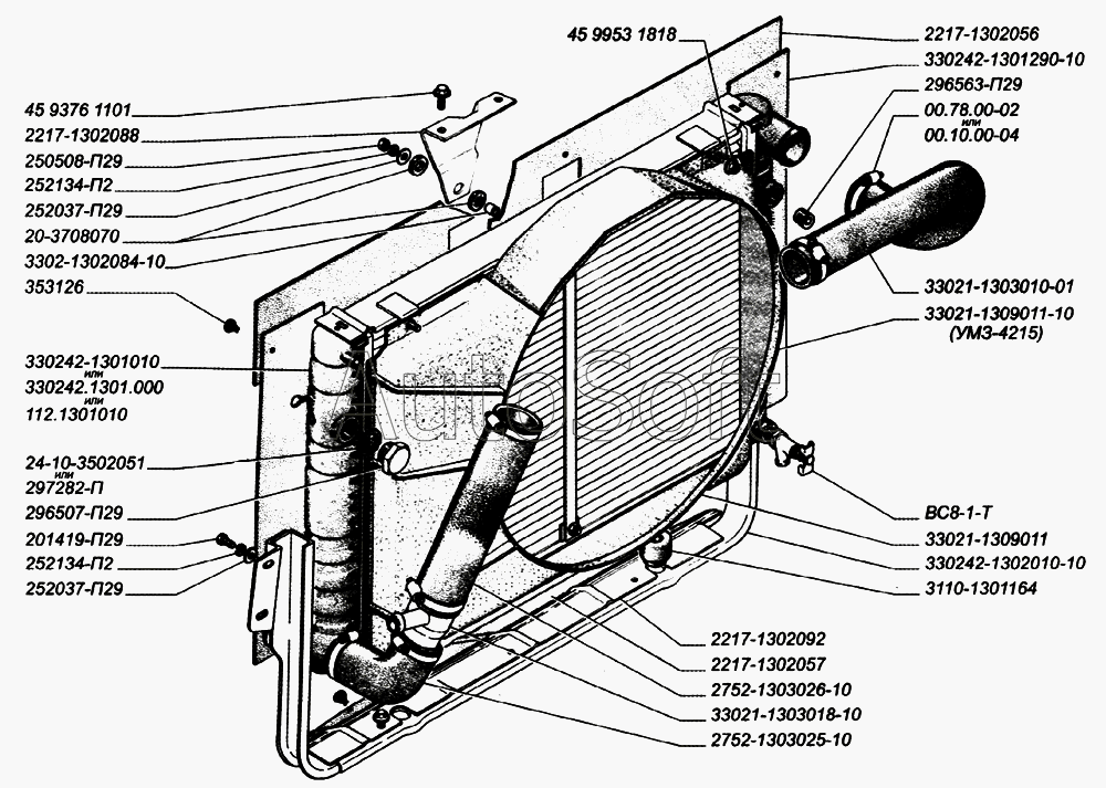
33021-1309011-10-10 Кожух 33021-1309011-10
Наименование: Кожух 33021-1309011-10
Каталожный номер: 33021-1309011-10-10
Производитель: АВТОКОМПОНЕНТ
Код товара: 00-ГР025473
Доставка: по всей Беларуси
Остаток: под заказ

Нашли не точность в описании товара? сообщить администратору.

+375 (44) 770-80-78 +375 (29) 747-80-78
* Выставить счет, получить техническую информацию и стоимость
Заказать деталь Онлайн
Описание
Наличие на филиалах
Применяемость
Заменить на СТО

Кожух 33021-1309011-10 производства АВТОКОМПОНЕНТ (РФ), Код для заказа: 00-ГР025473

Марка Модель Кат.номер Наим. по каталогу Чертеж
ГАЗ ГАЗ-2705 (ГАЗель) (2000) 33021-1309011 Кожух вентилятора Радиатор, подвеска радиатора, трубопроводы и шланги Чертеж Радиатор, подвеска радиатора, трубопроводы и шланги
ГАЗ ГАЗ-3302 (2004) (2004) 33021-1309011 Кожух вентилятора Радиатор, трубопроводы и шланги (для автомобилей выпуска до 1998 г.) Чертеж Радиатор, трубопроводы и шланги (для автомобилей выпуска до 1998 г.)
ГАЗ ГАЗ-3302 (2004) (2004) 33021-1309011 Кожух вентилятора Радиатор системы охлаждения, кожух вентилятора (для автомобилей выпуска с 1998 г. по октябрь 2002 г.) Чертеж Радиатор системы охлаждения, кожух вентилятора (для автомобилей выпуска с 1998 г. по октябрь 2002 г.)
ГАЗ ГАЗ-3302 (2004) (2004) 33021-1309011 Кожух вентилятора Радиатор двигателей ЗМЗ-402 (для автомобилей выпуска с октября 2002 г.) Чертеж Радиатор двигателей ЗМЗ-402 (для автомобилей выпуска с октября 2002 г.)
ГАЗ ГАЗель, Соболь (2003) (2003) 33021-1309011 Кожух вентилятора Радиатор двигателей: I-ГАЗ-560, II-ЗМЗ-402
ГАЗ ГАЗ-2705 (дв. ЗМЗ-402) (2006) 33021-1309011 Кожух вентилятора Радиатор, подвеска радиатора, трубопроводы и шланги (для автомобилей выпуска до 1998 года): I- для двигателя ЗМЗ-402, II- для двигателя ЗМЗ-406
ГАЗ ГАЗ-2705 (дв. ЗМЗ-402) (2006) 33021-1309011 Кожух вентилятора Радиатор системы охлаждения, кожух вентилятора (для автомобилей выпуска с 1998 года по октябрь 2002года): I- для двигателя ЗМЗ-406, II- для двигателей ЗМЗ-402 и УМЗ-4215
ГАЗ ГАЗ-2705 (дв. ЗМЗ-402) (2006) 33021-1309011-10 Кожух вентилятора Радиатор системы охлаждения, кожух вентилятора (для автомобилей выпуска с 1998 года по октябрь 2002года): I- для двигателя ЗМЗ-406, II- для двигателей ЗМЗ-402 и УМЗ-4215
ГАЗ ГАЗ-2705 (дв. ЗМЗ-402) (2006) 33021-1309011 Кожух вентилятора Радиатор двигателей ЗМЗ-402 и УМЗ-4215 (для автомобилей выпуска с октября 2002 года) Чертеж Радиатор двигателей ЗМЗ-402 и УМЗ-4215 (для автомобилей выпуска с октября 2002 года)
ГАЗ ГАЗ-2705 (дв. ЗМЗ-402) (2006) 33021-1309011-10 Кожух вентилятора Радиатор двигателей ЗМЗ-402 и УМЗ-4215 (для автомобилей выпуска с октября 2002 года) Чертеж Радиатор двигателей ЗМЗ-402 и УМЗ-4215 (для автомобилей выпуска с октября 2002 года)
ГАЗ ГАЗ-3302 (с двиг. УМЗ) (2015) 33021-1309011-10 Кожух вентилятора 33027-1300001. Установка системы охлаждения Чертеж 33027-1300001. Установка системы охлаждения
ЗМЗ ЗМЗ-402 (2006) 33021-1309011 Кожух вентилятора Радиатор, подвеска радиатора, трубопроводы и шланги (для автомобилей выпуска до 1998 года): I- для двигателя ЗМЗ-402, II- для двигателя ЗМЗ-406 Чертеж Радиатор, подвеска радиатора, трубопроводы и шланги (для автомобилей выпуска до 1998 года): I- для двигателя ЗМЗ-402, II- для двигателя ЗМЗ-406
ЗМЗ ЗМЗ-402 (2006) 33021-1309011 Кожух вентилятора Радиатор системы охлаждения, кожух вентилятора (для автомобилей выпуска с 1998 года по октябрь 2002года): I- для двигателя ЗМЗ-406, II- для двигателей ЗМЗ-402 Чертеж Радиатор системы охлаждения, кожух вентилятора (для автомобилей выпуска с 1998 года по октябрь 2002года): I- для двигателя ЗМЗ-406, II- для двигателей ЗМЗ-402
ЗМЗ ЗМЗ-402 (2006) 33021-1309011-10 Кожух вентилятора Радиатор системы охлаждения, кожух вентилятора (для автомобилей выпуска с 1998 года по октябрь 2002года): I- для двигателя ЗМЗ-406, II- для двигателей ЗМЗ-402 Чертеж Радиатор системы охлаждения, кожух вентилятора (для автомобилей выпуска с 1998 года по октябрь 2002года): I- для двигателя ЗМЗ-406, II- для двигателей ЗМЗ-402
ЗМЗ ЗМЗ-402 (2006) 33021-1309011 Кожух вентилятора Радиатор двигателей ЗМЗ-402 (для автомобилей выпуска с октября 2002 года) Чертеж Радиатор двигателей ЗМЗ-402 (для автомобилей выпуска с октября 2002 года)
ЗМЗ ЗМЗ-402 (2006) 33021-1309011-10 Кожух вентилятора Радиатор двигателей ЗМЗ-402 (для автомобилей выпуска с октября 2002 года) Чертеж Радиатор двигателей ЗМЗ-402 (для автомобилей выпуска с октября 2002 года)
Товары из этой категории
Ремень (В) 1220х17
Ремень (В)
Каталожный номер 1220х17
Производитель SUNWAY SUNWAY
Код 34387
Доставка по всей Беларуси
Доступность остатки на филиалах Остатки на филиалах
Остаток: г.Минск, ул.Селицкого 21к В наличии
Склад Адрес Контакт Остатки
г. Минск ул. Селицкого, 21к +375 (44) 770-80-78 ( Много )
Схема проезда
г. Барановичи ул. Пролетарская, 40 +375 (29) 795-96-37 ( Мало )
Схема проезда
г. Березино ул. Комсомольская, д. 24 +375 (44) 770-80-17 ( Средне )
Схема проезда
г. Бобруйск ул. Гоголя, 181/1-6 +375 (29) 630-05-01 ( Средне )
Схема проезда
г. Бобруйск ул. Орловского, 22к3 +375 (29) 345-37-07 ( Средне )
Схема проезда
г. Борисов ул. Демина, 2а +375 (44) 560-99-75 ( Много )
Схема проезда
г. Витебск ул. Правды, 33 +375 (44) 770-80-87 ( Средне )
Схема проезда
г. Глубокое ул. Энгельса, 22 +375 (44) 505-71-40 ( Много )
Схема проезда
г. Горки ул.Мира, д.51а/1 +375 (44) 565-33-61 ( Мало )
Схема проезда
г. Гродно ул. Карского, 35 +375 (44) 770-70-21 ( Средне )
Схема проезда
г. Дрогичин ул. Юбилейная, 42 +375 (29) 682-17-13 ( Средне )
Схема проезда
г. Дятлово ул. Советская ,104 +375 (29) 187-87-37 ( Средне )
Схема проезда
г. Житковичи ул. Комсомольская, 49 +375 (29) 394-82-52 ( Средне )
Схема проезда
г. Жлобин ул. Козлова, 25 +375 (29) 346-06-78 ( Мало )
Схема проезда
г. Ивацевичи ул. Загородная, 6А +375 (29) 188-59-01 ( Средне )
Схема проезда
г. Кричев ул. Комсомольская, 126 +375 (29) 628-88-42 ( Много )
Схема проезда
г. Лельчицы ул. Советская, д.96/1 +375 (29) 346-98-96 ( Много )
Схема проезда
г. Лепель ул. Лобанка, 43 +375 (44) 778-65-21 ( Средне )
Схема проезда
г. Лунинец ул.Красная, 175а +375 (44) 721-46-74 ( Средне )
Схема проезда
г. Могилев ул. Габровская 11Б +375 (29) 662-02-16 ( Средне )
Схема проезда
г. Молодечно ул. Галицкого, 14 +375 (44) 567-28-47 ( Средне )
Схема проезда
г. Несвиж ул. Кутузова, 2 +375 (29) 394-82-48 ( Много )
Схема проезда
г. Новогрудок ул. Индустриальная, 3 +375 (44) 729-39-19 ( Средне )
Схема проезда
г. Орша ул. Сергея Кирова, д. 34 +375 (44) 583-91-42 ( Мало )
Схема проезда
г. Осиповичи ул. Короткая, 11 +375 (29) 165-60-07 ( Средне )
Схема проезда
г. Ошмяны ул. Льнозоводская 3 +375 (44) 770-80-91 ( Средне )
Схема проезда
г. Полоцк-2 ул. Шенягина, 52 +375 (29) 302-94-73 ( Много )
Схема проезда
г. Полоцк-2 ул. Шенягина, 52 +375 (29) 302-94-73 ( Средне )
Схема проезда
г. Полоцк-2 ул. Шенягина, 52 +375 (29) 302-94-73 ( Средне )
Схема проезда
г. Поставы ул. Советская, 69 +375 (44) 770-80-13 ( Много )
Схема проезда
г. Пружаны ул. Макаренко, 21 +375 (29) 348-83-18 ( Мало )
Схема проезда
г. Слоним ул. Советская, 93а +375 (29) 394-82-01 ( Много )
Схема проезда
г. Сморгонь ул. Железнодорожная, 32 +375 (29) 671-02-10 ( Мало )
Схема проезда
г. Солигорск Чижевичский сельсовет, 3Г +375 (29) 899-58-52 ( Средне )
Схема проезда
г. Столин ул. Быковского, 29 +375 (33) 304-54-36 ( Средне )
Схема проезда
г. Щучин ул. Советская, 39 +375 (29) 177-29-70 ( Средне )
Схема проезда
Крыльчатка вентилятора 3302-1308010-10 (RG3302-1308010-10) (10 лопастей) RIGINAL RG3302-1308010-10
Крыльчатка вентилятора 3302-1308010-10 (RG3302-1308010-10) (10 лопастей) RIGINAL
Каталожный номер RG3302-1308010-10
Производитель RIGINAL RIGINAL
Код 00-ГР032583
Доставка по всей Беларуси
Доступность остатки на филиалах Остатки на филиалах
Остаток: г.Минск, ул.Селицкого 21к В наличии
Склад Адрес Контакт Остатки
г. Минск ул. Селицкого, 21к +375 (44) 770-80-78 ( Средне )
Схема проезда
Шланг радиатора верхний 33081-1303010
Шланг радиатора верхний
Каталожный номер 33081-1303010
Производитель VPT VPT
Код 25136
Доставка по всей Беларуси
Доступность остатки на филиалах Остатки на филиалах
Остаток: г.Минск, ул.Селицкого 21к В наличии
Склад Адрес Контакт Остатки
г. Минск ул. Селицкого, 21к +375 (44) 770-80-78 ( Средне )
Схема проезда
г. Барановичи ул. Пролетарская, 40 +375 (29) 795-96-37 ( Мало )
Схема проезда
г. Бобруйск ул. Орловского, 22к3 +375 (29) 345-37-07 ( Мало )
Схема проезда
г. Брест Тельминский с/с, 1Д/1, 1 км южнее д. Тельмы-2 +375 (44) 599-90-75 ( Средне )
Схема проезда
г. Витебск ул. Правды, 33 +375 (44) 770-80-87 ( Мало )
Схема проезда
г. Гродно ул. Карского, 35 +375 (44) 770-70-21 ( Мало )
Схема проезда
г. Дятлово ул. Советская ,104 +375 (29) 187-87-37 ( Мало )
Схема проезда
г. Лепель ул. Лобанка, 43 +375 (44) 778-65-21 ( Средне )
Схема проезда
г. Орша ул. Сергея Кирова, д. 34 +375 (44) 583-91-42 ( Мало )
Схема проезда
г. Осиповичи ул. Короткая, 11 +375 (29) 165-60-07 ( Мало )
Схема проезда
г. Ошмяны ул. Льнозоводская 3 +375 (44) 770-80-91 ( Мало )
Схема проезда
г. Пинск ул. Калиновского 32 +375 (44) 560-99-59 ( Средне )
Схема проезда
г. Слоним ул. Советская, 93а +375 (29) 394-82-01 ( Мало )
Схема проезда
г. Слуцк ул. Тутаринова, 8 +375 (29) 346-06-90 ( Мало )
Схема проезда
г. Сморгонь ул. Железнодорожная, 32 +375 (29) 671-02-10 ( Мало )
Схема проезда
Ролик 406-1308080-21 натяжитель ГАЗ 406-1308080-21
Ролик 406-1308080-21 натяжитель ГАЗ
Каталожный номер 406-1308080-21
Производитель ГАЗ ГАЗ
Код 00-ГР026651
Доставка по всей Беларуси
Доступность остатки на филиалах Остатки на филиалах
Остаток Под заказ
Патрубки радиатора 3110-1303010/25 Г-3110 (402 двигатель) комплект 5шт 3110-1303010/25
Патрубки радиатора 3110-1303010/25 Г-3110 (402 двигатель) комплект 5шт
Каталожный номер 3110-1303010/25
Производитель RSTA RSTA
Код 29118
Доставка по всей Беларуси
Доступность остатки на филиалах Остатки на филиалах
Остаток: г.Минск, ул.Селицкого 21к В наличии
Склад Адрес Контакт Остатки
г. Минск ул. Селицкого, 21к +375 (44) 770-80-78 ( Средне )
Схема проезда