Республика Беларусь,
г. Минск, ул. Селицкого 21к - центральный склад
Пн-пт с 8:00 до 17:00
Меню
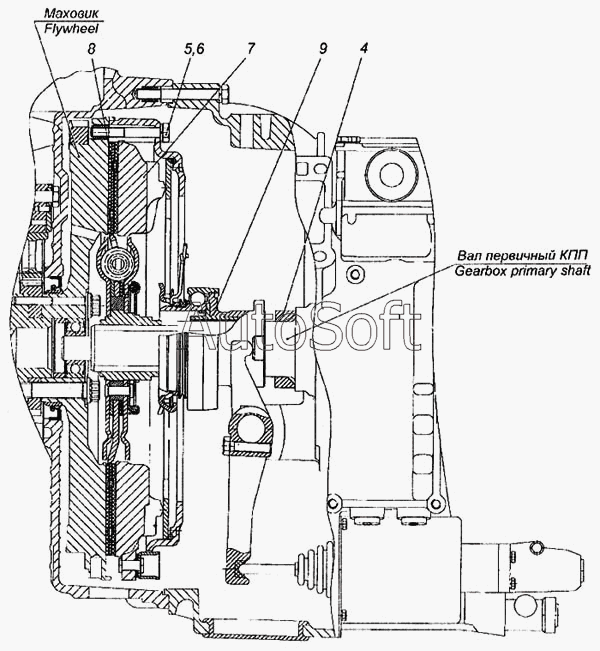
70-1600010 Корпус сцепления в сборе
Наименование: Корпус сцепления 70-1600010 в сборе
Каталожный номер: 70-1600010
Производитель: МТЗ
Код товара: 14235
Доставка: по всей Беларуси
Остаток: под заказ

Нашли не точность в описании товара? сообщить администратору.

+375 (44) 770-80-78 +375 (29) 747-80-78
* Выставить счет, получить техническую информацию и стоимость
Заказать деталь Онлайн
Описание
Наличие на филиалах
Применяемость
Заменить на СТО

Корпус сцепления 70-1600010 в сборе производства МТЗ (РБ), Код для заказа: 14235

Марка Модель Кат.номер Наим. по каталогу Чертеж
Камский автозавод 4310 14.1600010 Сцепление в сборе Сцепление Чертеж Сцепление
Камский автозавод 4326 (2001) 142.1600010 Сцепление Силовой агрегат
Камский автозавод 5320 14.1600010 Сцепление в сборе Механизм сцепления Чертеж Механизм сцепления
Камский автозавод 53212 14.1600010 Сцепление в сборе Механизм сцепления Чертеж Механизм сцепления
Камский автозавод 5410 14.1600010 Сцепление в сборе Механизм сцепления Чертеж Механизм сцепления
Камский автозавод 54112 14.1600010 Сцепление в сборе Механизм сцепления Чертеж Механизм сцепления
Камский автозавод 5511 (2003) 14.1600010 Сцепление в сборе Механизм сцепления Чертеж Механизм сцепления
Камский автозавод 55102 14.1600010 Сцепление в сборе Механизм сцепления Чертеж Механизм сцепления
Камский автозавод Общий (5320, 53212, 5410, 54112, 5511, 55102) 14.1600010 Сцепление в сборе Механизм сцепления Чертеж Механизм сцепления
Камский автозавод 6460 20-1600010-10 Сцепление Агрегат силовой Чертеж Агрегат силовой
Камский автозавод 6460 20-1600010-10 Сцепление Установка сцепления Чертеж Установка сцепления
Камский автозавод 65115 (2001) 142.1600010 Сцепление Двигатель (740.11-1000410-21, 740.11-100410-03, 740.11-1000411-75, 740.13-1000400-22) Чертеж Двигатель (740.11-1000410-21, 740.11-100410-03, 740.11-1000411-75, 740.13-1000400-22)
Камский автозавод 65115 (2001) 17.1600010 Сцепление в сборе Двигатель (740.11-1000410-21, 740.11-100410-03, 740.11-1000411-75, 740.13-1000400-22) Чертеж Двигатель (740.11-1000410-21, 740.11-100410-03, 740.11-1000411-75, 740.13-1000400-22)
МТЗ МТЗ-80 (1998) 70-1600010 Корпус сцепления Корпус сцепления Чертеж Корпус сцепления
МТЗ МТЗ-900 74-1600010 Муфта сцепления Редуктор привода ВОМ Чертеж Редуктор привода ВОМ
МТЗ МТЗ-900 74-1600010-02 Муфта сцепления Редуктор привода ВОМ Чертеж Редуктор привода ВОМ
МТЗ МТЗ-900 74-1600010 Муфта сцепления Муфта сцепления. Валы Чертеж Муфта сцепления. Валы
МТЗ МТЗ-900 74-1600010-02 Муфта сцепления Муфта сцепления. Валы Чертеж Муфта сцепления. Валы
ЯМЗ ЯМЗ-8421.10 15.1600010-10 Сцепление в сборе Сцепление
ЯМЗ ЯМЗ-8421.10 151.1600010 Сцепление в сборе Сцепление
Товары из этой категории
Диск сцепления фрикционный (ведомый)  МАЗ 4370 245-1601130
Диск сцепления фрикционный (ведомый) МАЗ 4370
Каталожный номер 245-1601130
Производитель Автомагнат Автомагнат
Код 14490
Доставка по всей Беларуси
Доступность остатки на филиалах Остатки на филиалах
Остаток В наличии
Склад Адрес Контакт Остатки
г. Барановичи ул. Бадака, 27Б +375 (29) 350-33-47 ( Мало )
Схема проезда
г. Бобруйск ул. Гоголя, 181/1-6 +375 (29) 630-05-01 ( Мало )
Схема проезда
г. Бобруйск ул. Орловского, 22к3 +375 (29) 345-37-07 ( Мало )
Схема проезда
г. Молодечно ул. Галицкого, 14 +375 (44) 567-28-47 ( Мало )
Схема проезда
г. Осиповичи ул. Короткая, 11 +375 (29) 165-60-07 ( Мало )
Схема проезда
г. Слоним ул. Советская, 93а +375 (29) 394-82-01 ( Мало )
Схема проезда
Диск средний 85-1601085 БЗТДиА 85-1601085
Диск средний 85-1601085 БЗТДиА
Каталожный номер 85-1601085
Производитель БЗТДиА БЗТДиА
Код 00-ГР014250
Доставка по всей Беларуси
Доступность остатки на филиалах Остатки на филиалах
Остаток: г.Минск, ул.Селицкого 21к В наличии
Склад Адрес Контакт Остатки
г. Минск ул. Селицкого, 21к +375 (44) 770-80-78 ( Мало )
Схема проезда
Рычаг отжимной корзины сцепления 70-1601094
Рычаг отжимной корзины сцепления
Каталожный номер 70-1601094
Производитель RSTA RSTA
Код 11660
Доставка по всей Беларуси
Доступность остатки на филиалах Остатки на филиалах
Остаток: г.Минск, ул.Селицкого 21к В наличии
Склад Адрес Контакт Остатки
г. Минск ул. Селицкого, 21к +375 (44) 770-80-78 ( Много )
Схема проезда
г. Бобруйск ул. Орловского, 22к3 +375 (29) 345-37-07 ( Средне )
Схема проезда
г. Ивацевичи ул. Загородная, 6А +375 (29) 188-59-01 ( Средне )
Схема проезда
г. Несвиж ул. Кутузова, 2 +375 (29) 394-82-48 ( Средне )
Схема проезда
г. Осиповичи ул. Короткая, 11 +375 (29) 165-60-07 ( Много )
Схема проезда
г. Ошмяны ул. Льнозоводская 3 +375 (44) 770-80-91 ( Средне )
Схема проезда
г. Полоцк-2 ул. Шенягина, 52 +375 (29) 302-94-73 ( Средне )
Схема проезда
Диск сцепления 80-1601093 нажимной 80-1601093
Диск сцепления 80-1601093 нажимной
Каталожный номер 80-1601093
Производитель RSTA RSTA
Код 00-ГР035145
Доставка по всей Беларуси
Доступность остатки на филиалах Остатки на филиалах
Остаток: г.Минск, ул.Селицкого 21к В наличии
Склад Адрес Контакт Остатки
г. Минск ул. Селицкого, 21к +375 (44) 770-80-78 ( Мало )
Схема проезда
Вал 50-1601215 МТЗ 50-1601215
Вал 50-1601215 МТЗ
Каталожный номер 50-1601215
Производитель МТЗ МТЗ
Код 00-ГР020748
Доставка по всей Беларуси
Доступность остатки на филиалах Остатки на филиалах
Остаток: г.Минск, ул.Селицкого 21к В наличии
Склад Адрес Контакт Остатки
г. Минск ул. Селицкого, 21к +375 (44) 770-80-78 ( Средне )
Схема проезда
г. Витебск ул. Правды, 33 +375 (44) 770-80-87 ( Мало )
Схема проезда
Диск сцепления фрикционный (ведомый) 80-1601130-А БЗТДиА 80-1601130-А
Диск сцепления фрикционный (ведомый) 80-1601130-А БЗТДиА
Каталожный номер 80-1601130-А
Производитель БЗТДиА БЗТДиА
Код 00-ГР036020
Доставка по всей Беларуси
Доступность остатки на филиалах Остатки на филиалах
Остаток: г.Минск, ул.Селицкого 21к В наличии
Склад Адрес Контакт Остатки
г. Минск ул. Селицкого, 21к +375 (44) 770-80-78 ( Много )
Схема проезда
г. Бобруйск ул. Орловского, 22к3 +375 (29) 345-37-07 ( Мало )
Схема проезда
г. Гродно ул. Карского, 35 +375 (44) 770-70-21 ( Мало )
Схема проезда
г. Ивацевичи ул. Загородная, 6А +375 (29) 188-59-01 ( Мало )
Схема проезда
г. Полоцк-2 ул. Шенягина, 52 +375 (29) 302-94-73 ( Мало )
Схема проезда
Диск сцепления фрикционный (ведомый) МТЗ-1221 85-1601130-01
Диск сцепления фрикционный (ведомый) МТЗ-1221
Каталожный номер 85-1601130-01
Производитель КНР КНР
Код 15688
Доставка по всей Беларуси
Доступность остатки на филиалах Остатки на филиалах
Остаток В наличии
Склад Адрес Контакт Остатки
г. Барановичи ул. Бадака, 27Б +375 (29) 350-33-47 ( Мало )
Схема проезда
г. Борисов ул. Демина, 2а +375 (44) 560-99-75 ( Много )
Схема проезда
г. Витебск ул. Правды, 33 +375 (44) 770-80-87 ( Мало )
Схема проезда
г. Осиповичи ул. Короткая, 11 +375 (29) 165-60-07 ( Мало )
Схема проезда
Цилиндр сцепления главный FENOX C2602C3
Цилиндр сцепления главный FENOX
Каталожный номер C2602C3
Производитель FENOX FENOX
Код 00-ГР005947
Доставка по всей Беларуси
Доступность остатки на филиалах Остатки на филиалах
Остаток: г.Минск, ул.Селицкого 21к В наличии
Склад Адрес Контакт Остатки
г. Минск ул. Селицкого, 21к +375 (44) 770-80-78 ( Много )
Схема проезда
г. Березино ул. Комсомольская, д. 24 +375 (44) 770-80-17 ( Мало )
Схема проезда
г. Борисов ул. Демина, 2а +375 (44) 560-99-75 ( Мало )
Схема проезда
г. Гомель ул. Барыкина, 291Б +375 (44) 514-15-30 ( Мало )
Схема проезда
г. Дрогичин ул. Юбилейная, 42 +375 (29) 682-17-13 ( Мало )
Схема проезда
г. Дятлово ул. Советская ,104 +375 (29) 187-87-37 ( Мало )
Схема проезда
г. Ивацевичи ул. Загородная, 6А +375 (29) 188-59-01 ( Мало )
Схема проезда
г. Лельчицы ул. Советская, д.96/1 +375 (29) 346-98-96 ( Мало )
Схема проезда
г. Лепель ул. Лобанка, 43 +375 (44) 778-65-21 ( Мало )
Схема проезда
г. Лунинец ул.Красная, 175а +375 (44) 721-46-74 ( Мало )
Схема проезда
г. Несвиж ул. Кутузова, 2 +375 (29) 394-82-48 ( Средне )
Схема проезда
г. Новогрудок ул. Индустриальная, 3 +375 (44) 729-39-19 ( Мало )
Схема проезда
г. Ошмяны ул. Льнозоводская 3 +375 (44) 770-80-91 ( Средне )
Схема проезда
г. Пинск ул. Калиновского 32 +375 (44) 560-99-59 ( Мало )
Схема проезда
г. Поставы ул. Советская, 69 +375 (44) 770-80-13 ( Мало )
Схема проезда
г. Солигорск Чижевичский сельсовет, 3Г +375 (29) 899-58-52 ( Мало )
Схема проезда
г. Столин ул. Быковского, 29 +375 (33) 304-54-36 ( Мало )
Схема проезда