Республика Беларусь,
г. Минск, ул. Селицкого 21к - центральный склад
Пн-пт с 8:00 до 17:00
Меню
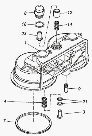
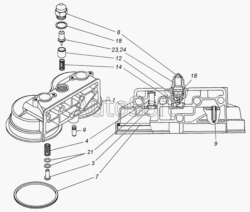
7406-1012020 Корпус масляного фильтра
Наименование: Корпус 7406-1012020 масляного фильтра
Каталожный номер: 7406-1012020
Производитель: РФ
Код товара: 46708
Доставка: по всей Беларуси
Остаток: под заказ

Нашли не точность в описании товара? сообщить администратору.

+375 (44) 770-80-78 +375 (29) 747-80-78
* Выставить счет, получить техническую информацию и стоимость
Заказать деталь Онлайн
Описание
Наличие на филиалах
Применяемость
Заменить на СТО

Корпус 7406-1012020 масляного фильтра. Код товара для заказа: 46708

Марка Модель Кат.номер Наим. по каталогу Чертеж
Камский автозавод 6460 7406.1012020 Корпус масляного фильтра Корпус масляного фильтра в сборе Чертеж Корпус масляного фильтра в сборе
Камский автозавод 65115 (2001) 7406.1012020 Корпус масляного фильтра Фильтр очистки масла Чертеж Фильтр очистки масла
Камский автозавод 5297 (2004) 7406.1012020 Корпус масляного фильтра Фильтр очистки масла Чертеж Фильтр очистки масла
Камский автозавод 740.11-240 (Евро 1) (2002) 7406.1012020 Корпус масляного фильтра Корпус масляного фильтра в сборе Чертеж Корпус масляного фильтра в сборе
Камский автозавод 740.13-260 (Евро 1) (2002) 7406.1012020 Корпус масляного фильтра Корпус масляного фильтра в сборе Чертеж Корпус масляного фильтра в сборе
Камский автозавод 740.14-300 (Евро 1) (2002) 7406.1012020 Корпус масляного фильтра Корпус масляного фильтра в сборе
Камский автозавод 5360 7406.1012020 Корпус масляного фильтра Корпус масляного фильтра в сборе
Камский автозавод 6520 7406.1012020 Корпус масляного фильтра Корпус масляного фильтра в сборе Чертеж Корпус масляного фильтра в сборе
Камский автозавод 5460 7406.1012020 Корпус масляного фильтра Корпус масляного фильтра в сборе
Камский автозавод 740.30-260 (Евро 2) (2004) 7406.1012020 Корпус масляного фильтра 7406.1012015 Корпус масляного фильтра в сборе Чертеж 7406.1012015 Корпус масляного фильтра в сборе
Камский автозавод 740.31-240 (Евро 2) (2004) 7406.1012020 Корпус масляного фильтра 7406.1012015 Корпус масляного фильтра в сборе Чертеж 7406.1012015 Корпус масляного фильтра в сборе
Камский автозавод 53228, 65111 (2004) 7406.1012020 Корпус масляного фильтра Корпус масляного фильтра в сборе Чертеж Корпус масляного фильтра в сборе
Камский автозавод 6522 (2005) 7406.1012020 Корпус масляного фильтра Корпус масляного фильтра в сборе Чертеж Корпус масляного фильтра в сборе
Камский автозавод 5460 (2005) 7406.1012020 Корпус масляного фильтра Корпус масляного фильтра в сборе Чертеж Корпус масляного фильтра в сборе
Камский автозавод 65116 (2006) 7406.1012020 Корпус масляного фильтра Корпус масляного фильтра в сборе Чертеж Корпус масляного фильтра в сборе
Камский автозавод 740.11-240, 740.31-240 (2006) 7406.1012020 Корпус масляного фильтра Корпус масляного фильтра в сборе Чертеж Корпус масляного фильтра в сборе
Камский автозавод 43501 (4х4) (2007) 7406.1012020 Корпус масляного фильтра 7406.1012015 Корпус масляного фильтра в сборе Чертеж 7406.1012015 Корпус масляного фильтра в сборе
Камский автозавод 740.60-360 (Евро 3) (2007) 7406.1012020 Корпус масляного фильтра 7406.1012015 Корпус масляного фильтра в сборе
Камский автозавод 4350 (4х4) (2004) 7406.1012020 Корпус масляного фильтра 7406.1012015 Корпус масляного фильтра в сборе
Камский автозавод 6520 (Euro-2, 3) (2009) 7406.1012020 Корпус масляного фильтра 7406.1012015 Корпус масляного фильтра в сборе
Товары из этой категории
Элемент фильтра масляного картон DIFA 5204
Элемент фильтра масляного картон
Каталожный номер DIFA 5204
Производитель ДИФА ДИФА
Код 31155
Доставка по всей Беларуси
Доступность остатки на филиалах Остатки на филиалах
Остаток: г.Минск, ул.Селицкого 21к В наличии
Склад Адрес Контакт Остатки
г. Минск ул. Селицкого, 21к +375 (44) 770-80-78 ( Средне )
Схема проезда
г. Бобруйск ул. Орловского, 22к3 +375 (29) 345-37-07 ( Мало )
Схема проезда
г. Несвиж ул. Кутузова, 2 +375 (29) 394-82-48 ( Средне )
Схема проезда
г. Осиповичи ул. Короткая, 11 +375 (29) 165-60-07 ( Мало )
Схема проезда
г. Ошмяны ул. Льнозоводская 3 +375 (44) 770-80-91 ( Средне )
Схема проезда
г. Пинск ул. Калиновского 32 +375 (44) 560-99-59 ( Средне )
Схема проезда
Элемент фильтра масляного металл 740-1012040-10С
Элемент фильтра масляного металл
Каталожный номер 740-1012040-10С
Производитель УП Фильтр УП Фильтр
Код 18262
Доставка по всей Беларуси
Доступность остатки на филиалах Остатки на филиалах
Остаток: г.Минск, ул.Селицкого 21к В наличии
Склад Адрес Контакт Остатки
г. Минск ул. Бабушкина, 37 +375 (29) 632-00-82 ( Средне )
Схема проезда
г. Минск ул. Селицкого, 21к +375 (44) 770-80-78 ( Много )
Схема проезда
г. Барановичи ул. Пролетарская, 40 +375 (29) 795-96-37 ( Средне )
Схема проезда
г. Барановичи ул. Бадака, 27Б +375 (29) 350-33-47 ( Много )
Схема проезда
г. Березино ул. Комсомольская, д. 24 +375 (44) 770-80-17 ( Мало )
Схема проезда
г. Берёза ул. Красноармейская, 89/11 +375 (29) 676-70-71 ( Средне )
Схема проезда
г. Бобруйск ул. Гоголя, 181/1-6 +375 (29) 630-05-01 ( Средне )
Схема проезда
г. Бобруйск ул. Орловского, 22к3 +375 (29) 345-37-07 ( Средне )
Схема проезда
г. Борисов ул. Демина, 2а +375 (44) 560-99-75 ( Средне )
Схема проезда
г. Витебск ул. Правды, 33 +375 (44) 770-80-87 ( Средне )
Схема проезда
г. Витебск ул. Петруся Бровки, 34 +375 (29) 636-25-08 ( Средне )
Схема проезда
г. Глубокое ул. Энгельса, 22 +375 (44) 505-71-40 ( Средне )
Схема проезда
г. Гомель ул. Барыкина, 291Б +375 (44) 514-15-30 ( Средне )
Схема проезда
г. Горки ул.Мира, д.51а/1 +375 (44) 565-33-61 ( Средне )
Схема проезда
г. Гродно ул. Карского, 35 +375 (44) 770-70-21 ( Средне )
Схема проезда
г. Дрогичин ул. Юбилейная, 42 +375 (29) 682-17-13 ( Средне )
Схема проезда
г. Житковичи ул. Комсомольская, 49 +375 (29) 394-82-52 ( Средне )
Схема проезда
г. Ивацевичи ул. Загородная, 6А +375 (29) 188-59-01 ( Средне )
Схема проезда
г. Кобрин ул. Пролетарская, 177А +375 (44) 588-10-80 ( Средне )
Схема проезда
г. Лельчицы ул. Советская, д.96/1 +375 (29) 346-98-96 ( Средне )
Схема проезда
г. Лепель ул. Лобанка, 43 +375 (44) 778-65-21 ( Средне )
Схема проезда
г. Лунинец ул.Красная, 175а +375 (44) 721-46-74 ( Средне )
Схема проезда
г. Мозырь промузел Козенки +375 (44) 731-94-60 ( Средне )
Схема проезда
г. Молодечно ул. Галицкого, 14 +375 (44) 567-28-47 ( Средне )
Схема проезда
г. Несвиж ул. Кутузова, 2 +375 (29) 394-82-48 ( Средне )
Схема проезда
г. Новогрудок ул. Индустриальная, 3 +375 (44) 729-39-19 ( Средне )
Схема проезда
г. Орша ул. Сергея Кирова, д. 34 +375 (44) 583-91-42 ( Мало )
Схема проезда
г. Осиповичи ул. Короткая, 11 +375 (29) 165-60-07 ( Средне )
Схема проезда
г. Ошмяны ул. Льнозоводская 3 +375 (44) 770-80-91 ( Средне )
Схема проезда
г. Петриков ул. Первомайская, 124 +375 (33) 660-06-75 ( Средне )
Схема проезда
г. Полоцк-2 ул. Шенягина, 52 +375 (29) 302-94-73 ( Средне )
Схема проезда
г. Поставы ул. Советская, 69 +375 (44) 770-80-13 ( Средне )
Схема проезда
г. Слоним ул. Советская, 93а +375 (29) 394-82-01 ( Средне )
Схема проезда
г. Слуцк ул. Тутаринова, 8 +375 (29) 346-06-90 ( Мало )
Схема проезда
г. Сморгонь ул. Железнодорожная, 32 +375 (29) 671-02-10 ( Средне )
Схема проезда
г. Солигорск Чижевичский сельсовет, 3Г +375 (29) 899-58-52 ( Средне )
Схема проезда
г. Столин ул. Быковского, 29 +375 (33) 304-54-36 ( Средне )
Схема проезда
г. Щучин ул. Советская, 39 +375 (29) 177-29-70 ( Средне )
Схема проезда
Ремкомплект двигателя КАМАЗ 21 наименование
Ремкомплект двигателя КАМАЗ 21 наименование
Каталожный номер
Производитель РФ РФ
Код 16963
Доставка по всей Беларуси
Доступность остатки на филиалах Остатки на филиалах
Остаток В наличии
Склад Адрес Контакт Остатки
г. Полоцк-2 ул. Шенягина, 52 +375 (29) 302-94-73 ( Мало )
Схема проезда
Ремкомплект медных шайб КАМАЗ (комплект 97шт) 100-1000001
Ремкомплект медных шайб КАМАЗ (комплект 97шт)
Каталожный номер 100-1000001
Производитель RSTA RSTA
Код 23284
Доставка по всей Беларуси
Доступность остатки на филиалах Остатки на филиалах
Остаток В наличии
Склад Адрес Контакт Остатки
г. Бобруйск ул. Орловского, 22к3 +375 (29) 345-37-07 ( Средне )
Схема проезда
г. Дятлово ул. Советская ,104 +375 (29) 187-87-37 ( Мало )
Схема проезда
г. Лунинец ул.Красная, 175а +375 (44) 721-46-74 ( Мало )
Схема проезда
г. Новогрудок ул. Индустриальная, 3 +375 (44) 729-39-19 ( Мало )
Схема проезда
г. Полоцк-2 ул. Шенягина, 52 +375 (29) 302-94-73 ( Мало )
Схема проезда
г. Полоцк-2 ул. Шенягина, 52 +375 (29) 302-94-73 ( Мало )
Схема проезда
г. Слуцк ул. Тутаринова, 8 +375 (29) 346-06-90 ( Мало )
Схема проезда
г. Сморгонь ул. Железнодорожная, 32 +375 (29) 671-02-10 ( Мало )
Схема проезда
Фильтр масляный DIFA 5204 М DIFA 5204 М
Фильтр масляный DIFA 5204 М
Каталожный номер DIFA 5204 М
Производитель ДИФА ДИФА
Код 00-ГР018552
Доставка по всей Беларуси
Доступность остатки на филиалах Остатки на филиалах
Остаток: г.Минск, ул.Селицкого 21к В наличии
Склад Адрес Контакт Остатки
г. Минск ул. Селицкого, 21к +375 (44) 770-80-78 ( Средне )
Схема проезда
г. Бобруйск ул. Орловского, 22к3 +375 (29) 345-37-07 ( Средне )
Схема проезда
г. Ошмяны ул. Льнозоводская 3 +375 (44) 770-80-91 ( Средне )
Схема проезда