Республика Беларусь,
г. Минск, ул. Селицкого 21к - центральный склад
Пн-пт с 8:00 до 17:00
Меню
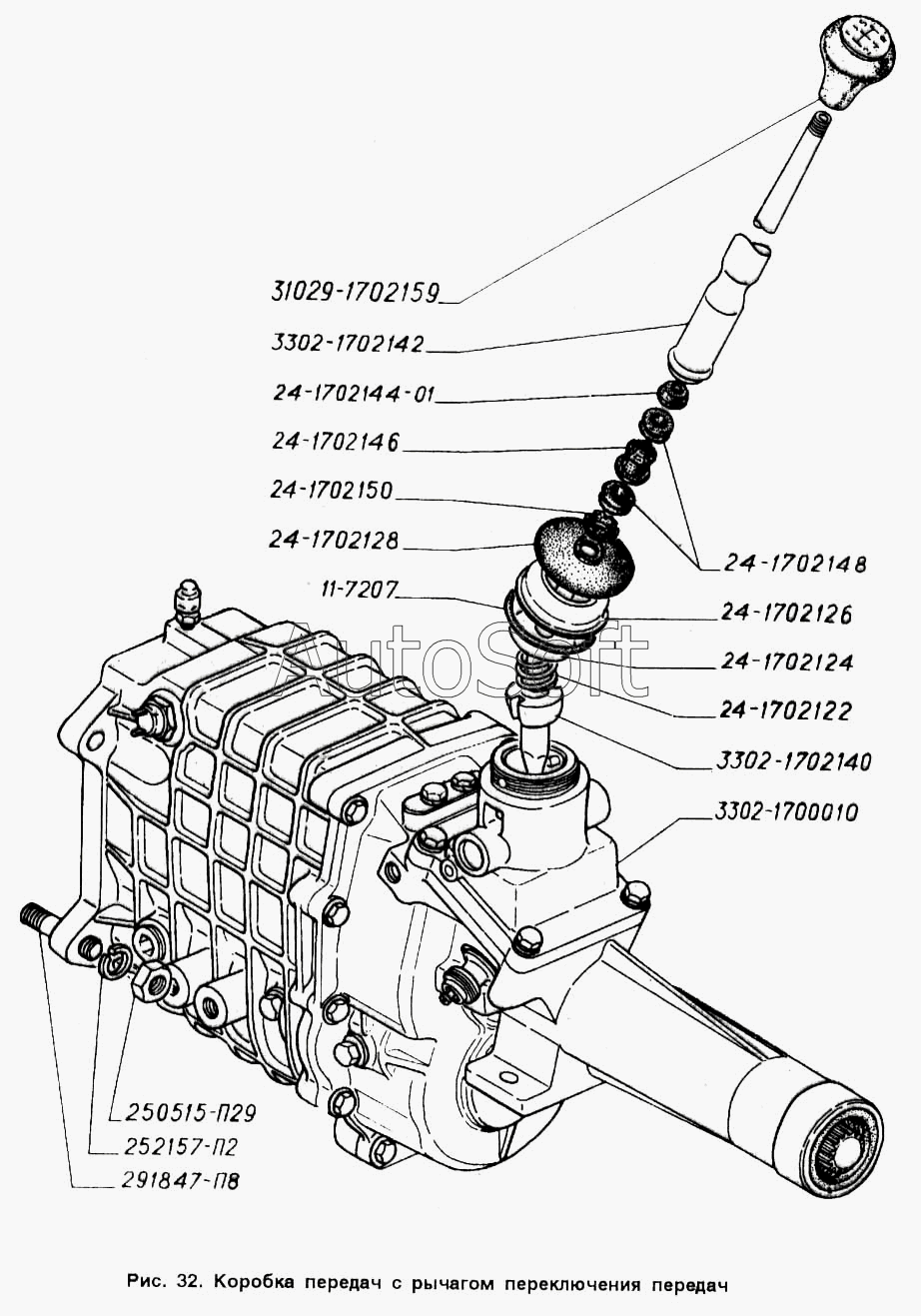
3302-1700010-60 Коробка передач
Наименование: Коробка передач 3302-1700010-60
Каталожный номер: 3302-1700010-60
Производитель: RSTA
Код товара: 00-ГР021996
Доставка: по всей Беларуси
Остаток: под заказ

Нашли не точность в описании товара? сообщить администратору.

+375 (44) 770-80-78 +375 (29) 747-80-78
* Выставить счет, получить техническую информацию и стоимость
Заказать деталь Онлайн
Описание
Наличие на филиалах
Применяемость
Заменить на СТО

Коробка передач 3302-1700010-60 производства RSTA (РФ), Код для заказа: 00-ГР021996

Марка Модель Кат.номер Наим. по каталогу Чертеж
ГАЗ ГАЗ-3302 (ГАЗель) 3302-1700010 Коробка передач Коробка передач Чертеж Коробка передач
ГАЗ ГАЗ-3302 (ГАЗель) 3302-1700010-01 Коробка передач (с люком под коробку отбора мощности) Коробка передач Чертеж Коробка передач
ГАЗ ГАЗ-2705 (ГАЗель) (2000) 3302-1700010 Коробка передач Коробка передач с рычагом переключения передач Чертеж Коробка передач с рычагом переключения передач
ГАЗ ГАЗ-3302 (2004) (2004) 3302-1700010 Коробка передач Коробка передач, рычаг переключения передач Чертеж Коробка передач, рычаг переключения передач
ГАЗ ГАЗ-2705 (дв. ЗМЗ-402) (2006) 3302-1700010 Коробка передач Коробка передач, рычаг переключения передач Чертеж Коробка передач, рычаг переключения передач
ГАЗ ГАЗ-3302 (Cummins E-4) (2015) 27527-1700010 Коробка передач 27527-1700007. Установка коробки передач на двигатель
ГАЗ ГАЗ-3302 (Cummins E-4) (2015) 3302-1700010-60 Коробка передач 3302-1700007-60. Установка коробки передач на двигатель
ГАЗ ГАЗ-3302 (Cummins E-4) (2015) 3302-1701039-10 Крышка подшипника первичного вала 27527-1700010. Коробка передач Чертеж 27527-1700010. Коробка передач
ГАЗ ГАЗ-3302 (Cummins E-4) (2015) 3302-1702240 Корпус рычага переключения передач в сборе 27527-1700010. Коробка передач Чертеж 27527-1700010. Коробка передач
ГАЗ ГАЗ-3302 (Cummins E-4) (2015) 3302-1702024 Вилка переключения 1 и 2, 3 и 4 передач 27527-1700010. Коробка передач Чертеж 27527-1700010. Коробка передач
ГАЗ ГАЗ-3302 (Cummins E-4) (2015) 3302-1702034 Шток включения 1 и 2 передачи с головкой 27527-1700010. Коробка передач Чертеж 27527-1700010. Коробка передач
ГАЗ ГАЗ-3302 (Cummins E-4) (2015) 3302-1702031 Шток 5 передачи и заднего хода 27527-1700010. Коробка передач Чертеж 27527-1700010. Коробка передач
ГАЗ ГАЗ-3302 (Cummins E-4) (2015) 3302-1702092 Вилка переключения 5 передачи и заднего хода 27527-1700010. Коробка передач Чертеж 27527-1700010. Коробка передач
ГАЗ ГАЗ-3302 (Cummins E-4) (2015) 3302-1702028 Сухарь 27527-1700010. Коробка передач Чертеж 27527-1700010. Коробка передач
ГАЗ ГАЗ-3302 (Cummins E-4) (2015) 3302-1702028-10 Сухарь вилок переключения передач 27527-1700010. Коробка передач Чертеж 27527-1700010. Коробка передач
ГАЗ ГАЗ-3302 (Cummins E-4) (2015) 3302-1701315 Кольцо регулировочное толщиной 2,4 мм 27527-1700010. Коробка передач Чертеж 27527-1700010. Коробка передач
ГАЗ ГАЗ-3302 (Cummins E-4) (2015) 3302-1701316 Кольцо регулировочное толщиной 2,5мм 27527-1700010. Коробка передач Чертеж 27527-1700010. Коробка передач
ГАЗ ГАЗ-3302 (Cummins E-4) (2015) 3302-1701317 Кольцо регулировочное толщиной 2,6мм 27527-1700010. Коробка передач Чертеж 27527-1700010. Коробка передач
ГАЗ ГАЗ-3302 (Cummins E-4) (2015) 3302-1701318 Кольцо регулировочное толщиной 2,7мм 27527-1700010. Коробка передач Чертеж 27527-1700010. Коробка передач
ГАЗ ГАЗ-3302 (Cummins E-4) (2015) 3302-1701319 Кольцо регулировочное толщиной 2,8мм 27527-1700010. Коробка передач Чертеж 27527-1700010. Коробка передач
Аналоги
Коробка передач 3302-1700010-60 3302-1700010-60
Коробка передач 3302-1700010-60
Каталожный номер 3302-1700010-60
Производитель МОСТат МОСТат
Код 00-ГР025236
Доставка по всей Беларуси
Доступность остатки на филиалах Остатки на филиалах
Остаток Под заказ
Товары из этой категории
Фланец круглый 51-1701240-В
Фланец круглый
Каталожный номер 51-1701240-В
Производитель V-NN V-NN
Код 19115
Доставка по всей Беларуси
Доступность остатки на филиалах Остатки на филиалах
Остаток: г.Минск, ул.Селицкого 21к В наличии
Склад Адрес Контакт Остатки
г. Минск ул. Селицкого, 21к +375 (44) 770-80-78 ( Средне )
Схема проезда
г. Щучин ул. Советская, 39 +375 (29) 177-29-70 ( Средне )
Схема проезда
Синхронизатор 4-5 передачи 3309-1701121
Синхронизатор 4-5 передачи
Каталожный номер 3309-1701121
Производитель Автомагнат Автомагнат
Код 24765
Доставка по всей Беларуси
Доступность остатки на филиалах Остатки на филиалах
Остаток В наличии
Склад Адрес Контакт Остатки
г. Гомель ул. Барыкина, 291Б +375 (44) 514-15-30 ( Мало )
Схема проезда
Блок шестерен 66-11-1701082 (RG66-11-1701082) заднего хода RIGINAL RG66-11-1701082
Блок шестерен 66-11-1701082 (RG66-11-1701082) заднего хода RIGINAL
Каталожный номер RG66-11-1701082
Производитель RIGINAL RIGINAL
Код 00-ГР032513
Доставка по всей Беларуси
Доступность остатки на филиалах Остатки на филиалах
Остаток: г.Минск, ул.Селицкого 21к В наличии
Склад Адрес Контакт Остатки
г. Минск ул. Селицкого, 21к +375 (44) 770-80-78 ( Мало )
Схема проезда
Синхронизатор 3309-1701121 4-5 передачи Riginal RG3309-1701121
Синхронизатор 3309-1701121 4-5 передачи Riginal
Каталожный номер RG3309-1701121
Производитель RIGINAL RIGINAL
Код 00-ГР028726
Доставка по всей Беларуси
Доступность остатки на филиалах Остатки на филиалах
Остаток: г.Минск, ул.Селицкого 21к В наличии
Склад Адрес Контакт Остатки
г. Минск ул. Селицкого, 21к +375 (44) 770-80-78 ( Средне )
Схема проезда
г. Витебск ул. Петруся Бровки, 34 +375 (29) 636-25-08 ( Мало )
Схема проезда
г. Пинск ул. Калиновского 32 +375 (44) 560-99-59 ( Мало )
Схема проезда
Ремкомплект КПП 3309-1701805 (RG3309-1701805) полная комплектация RIGINAL  RG3309-1701805
Ремкомплект КПП 3309-1701805 (RG3309-1701805) полная комплектация RIGINAL
Каталожный номер  RG3309-1701805
Производитель RIGINAL RIGINAL
Код 00-ГР032610
Доставка по всей Беларуси
Доступность остатки на филиалах Остатки на филиалах
Остаток В наличии
Склад Адрес Контакт Остатки
г. Брест Тельминский с/с, 1Д/1, 1 км южнее д. Тельмы-2 +375 (44) 599-90-75 ( Мало )
Схема проезда
г. Витебск ул. Петруся Бровки, 34 +375 (29) 636-25-08 ( Средне )
Схема проезда
г. Пинск ул. Калиновского 32 +375 (44) 560-99-59 ( Мало )
Схема проезда