Республика Беларусь,
г. Минск, ул. Селицкого 21к - центральный склад
Пн-пт с 8:00 до 17:00
Меню
64221-1115048-01 Коробка ОЗАА,Осиповичи
Наименование: Коробка ОЗАА,Осиповичи
Каталожный номер: 64221-1115048-01
Код товара: 64221111504801
Доставка: по всей Беларуси
Остаток: под заказ 1-45 дней

Нашли не точность в описании товара? сообщить администратору.

+375 (44) 770-80-78 +375 (29) 747-80-78
* Выставить счет, получить техническую информацию и стоимость
Заказать деталь Онлайн
Описание
Наличие на филиалах
Применяемость
Заменить на СТО

64221-1115048-01 Коробка.

  • Производитель: ОЗАА,Осиповичи
  • Каталожный номер по заводу: 64221-1115048-01
  • Код для заказа:  64221111504801
Марка Модель Кат.номер Наим. по каталогу Чертеж
МАЗ МАЗ-53363 64221-1115048-01 Коробка Шторка радиатора и его привод
МАЗ МАЗ-53366 64221-1115048-01 Коробка Шторка радиатора и его привод Чертеж Шторка радиатора и его привод
МАЗ МАЗ-5337 64221-1115048 Коробка Шторка радиатора и его привод
МАЗ МАЗ-53371 64221-1115048 Коробка Шторка радиатора и его привод Чертеж Шторка радиатора и его привод
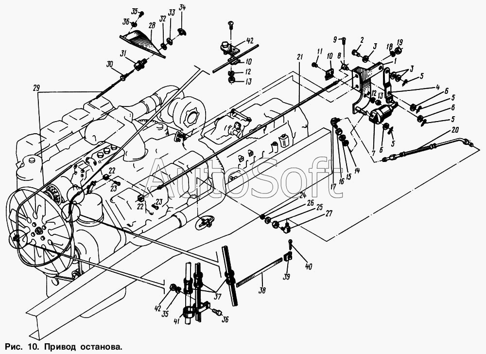
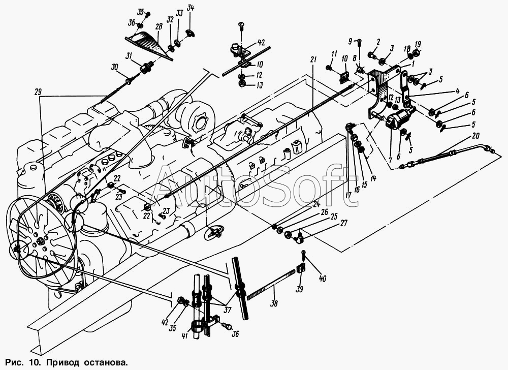
МАЗ МАЗ-54321 64221-1115048 Коробка Привод останова. Привод выключения двигателя противоугонным устройством Чертеж Привод останова. Привод выключения двигателя противоугонным устройством
МАЗ МАЗ-54321 64221-1115048 Коробка Установка жалюзи Чертеж Установка жалюзи
МАЗ МАЗ-54323 64221-1115048 Коробка Шторка радиатора и его привод
МАЗ МАЗ-5434 64221-1115048 Коробка Шторка радиатора и его привод Чертеж Шторка радиатора и его привод
МАЗ МАЗ-5516 64221-1115048 Коробка Шторка радиатора и его привод Чертеж Шторка радиатора и его привод
МАЗ МАЗ-5551 64221-1115048 Коробка Шторка радиатора и его привод Чертеж Шторка радиатора и его привод
МАЗ МАЗ-6303 (2000) 64221-1115048-01 Коробка Шторка радиатора и его привод Чертеж Шторка радиатора и его привод
МАЗ МАЗ-6317 64221-1115048 Коробка Привод останова. Привод выключения двигателя противоугонным устройством Чертеж Привод останова. Привод выключения двигателя противоугонным устройством
МАЗ МАЗ-6317 64221-1115048 Коробка Установка жалюзи Чертеж Установка жалюзи
МАЗ МАЗ-64221 64221-1115048 Коробка Привод останова. Привод выключения двигателя противоугонным устройством Чертеж Привод останова. Привод выключения двигателя противоугонным устройством
МАЗ МАЗ-64221 64221-1115048 Коробка Установка жалюзи Чертеж Установка жалюзи
МАЗ МАЗ-64255 64221-1115048 Коробка Шторка радиатора и его привод Чертеж Шторка радиатора и его привод
МАЗ МАЗ-64229 64221-1115048 Коробка Шторка радиатора и его привод Чертеж Шторка радиатора и его привод
МАЗ Общий (см. мод-ции) 64221-1115048 Коробка Шторка радиатора и его привод Чертеж Шторка радиатора и его привод
МЗКТ МЗКТ-65158 (1999) 64221-1115048 Коробка Установка привода шторки
МЗКТ МЗКТ-7429 (2005) 64221-1115048-01 Коробка Привод останова двигателя Чертеж Привод останова двигателя
Аналоги
Коробка 64221-1115048-01 троса останова ОЗАА 64221-1115048-01
Коробка 64221-1115048-01 троса останова ОЗАА
Каталожный номер 64221-1115048-01
Производитель ОЗАА ОЗАА
Код 00-ГР037060
Доставка по всей Беларуси
Доступность остатки на филиалах Остатки на филиалах
Остаток Под заказ
Товары из этой категории
Болт сцепления  JAC, Китай Q1420820
Болт сцепления JAC, Китай
Каталожный номер Q1420820
Производитель
Код Q1420820
Доставка по всей Беларуси
Остаток Под заказ
Камера тормозная левая  МАЗ ОАО 101-3519101
Камера тормозная левая МАЗ ОАО
Каталожный номер 101-3519101
Производитель
Код 1013519101
Доставка по всей Беларуси
Остаток Под заказ
Шайба  МАЗ ОАО 252045-10
Шайба МАЗ ОАО
Каталожный номер 252045-10
Производитель
Код 25204510
Доставка по всей Беларуси
Остаток Под заказ
Кольцо 1б75 гост 13941-68  МАЗ ОАО 400468
Кольцо 1б75 гост 13941-68 МАЗ ОАО
Каталожный номер 400468
Производитель
Код 400468
Доставка по всей Беларуси
Остаток Под заказ
Кронштейн  МАЗ ОАО 64302-1109124
Кронштейн МАЗ ОАО
Каталожный номер 64302-1109124
Производитель
Код 643021109124
Доставка по всей Беларуси
Остаток Под заказ