Республика Беларусь,
г. Минск, ул. Селицкого 21к - центральный склад
Пн-пт с 8:00 до 17:00
Меню
131.3734 Коммутатор
Наименование: Коммутатор 131.3734
Каталожный номер: 131.3734
Производитель: RSTA
Код товара: 10332
Доставка: по всей Беларуси
Остаток: в наличии

Нашли не точность в описании товара? сообщить администратору.

+375 (44) 770-80-78 +375 (29) 747-80-78
* Выставить счет, получить техническую информацию и стоимость
Заказать деталь Онлайн
Описание
Наличие на филиалах
Применяемость
Заменить на СТО

БС вес: 0,25 на 26.03.2020

Код для заказа: 10332

Марка Модель Кат.номер Наим. по каталогу Чертеж
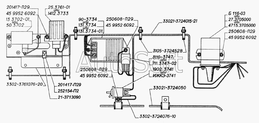
ГАЗ ГАЗ-3110 131.3734 Коммутатор (131.3734000) Батарея аккумуляторная, крепление аккумуляторной батареи, стартер, коммутатор, реле электровентилятора, блок предохранителей в моторном отсеке двигателей ЗМЗ-402.10иЗМЗ-4021.10
ГАЗ ГАЗ-3110 131.3734 Коммутатор (131.3734000) Приборы электрооборудования и провода автомобиля с двигателями ЗМЗ-4062.10 и ЗМЗ-4021.10 (моторный отсек) Чертеж Приборы электрооборудования и провода автомобиля с двигателями ЗМЗ-4062.10 и ЗМЗ-4021.10 (моторный отсек)
ГАЗ ГАЗ-2705 (ГАЗель) (2000) 131.3734 Коммутатор (131.3734000) Приборы электрооборудования автомобилей с двигателями ЗМЗ-4025.10, ЗМЗ-4026.10 Чертеж Приборы электрооборудования автомобилей с двигателями ЗМЗ-4025.10, ЗМЗ-4026.10
ГАЗ ГАЗ-3302 (2004) (2004) 131.3734 Коммутатор (131.3734000) Приборы электрооборудования автомобилей с двигателями ЗМЗ-402 Чертеж Приборы электрооборудования автомобилей с двигателями ЗМЗ-402
ГАЗ ГАЗ-3302 (2004) (2004) 131.3734-01 Коммутатор Приборы электрооборудования автомобилей с двигателями ЗМЗ-402 Чертеж Приборы электрооборудования автомобилей с двигателями ЗМЗ-402
ГАЗ ГАЗ-3308 (2000) 131.3734 Коммутатор (131.3734000) Приборы электрооборудования Чертеж Приборы электрооборудования
ГАЗ ГАЗ-2705 (дв. ЗМЗ-402) (2006) 131.3734 Коммутатор (131.3734000) Приборы электрооборудования автомобилей с двигателями ЗМЗ-402 и УМЗ-4215 Чертеж Приборы электрооборудования автомобилей с двигателями ЗМЗ-402 и УМЗ-4215
ГАЗ ГАЗ-2705 (дв. ЗМЗ-402) (2006) 131.3734-01 Коммутатор Приборы электрооборудования автомобилей с двигателями ЗМЗ-402 и УМЗ-4215 Чертеж Приборы электрооборудования автомобилей с двигателями ЗМЗ-402 и УМЗ-4215
ГАЗ ГАЗ-3308 (2002) 131.3734 Коммутатор (131.3734000) Приборы электрооборудования
ГАЗ ГАЗ-3308 (2002) 131.3734 Коммутатор (131.3734000) Электроообрудование автомобилей ГАЗ-3308 Чертеж Электроообрудование автомобилей ГАЗ-3308
УАЗ УАЗ-31519 (2005) 31601-3734010-04 Коммутатор 131.3734 Прикуриватель, указатели поворота, устройства блокировочные, коммутатор, выключатель "массы"
ПАЗ ПАЗ-32053 (2004) 131.3734 Электронный коммутатор зажигания Электрооборудование автобуса Чертеж Электрооборудование автобуса
ЗИЛ ЗИЛ-431416 (1990) 131.3734 Коммутатор транзисторный Электрооборудование\Схема электрооборудования (ЗИЛ-431917 и ЗИЛ-432317) Чертеж Электрооборудование\Схема электрооборудования (ЗИЛ-431917 и ЗИЛ-432317)
ЗИЛ ЗИЛ-431416 (1990) 131.3734 Коммутатор транзисторный Электрооборудование\Установка приборов зажигания (ЗИЛ- 431917 и ЗИЛ-432317) Чертеж Электрооборудование\Установка приборов зажигания (ЗИЛ- 431917 и ЗИЛ-432317)
Склад Адрес Контакт Остатки
г. Минск ул. Бабушкина, 37 +375 (29) 632-00-82 ( Мало )
Схема проезда
г. Минск ул. Селицкого, 21к +375 (44) 770-80-78 ( Много )
Схема проезда
г. Барановичи ул. Пролетарская, 40 +375 (29) 795-96-37 ( Мало )
Схема проезда
г. Барановичи ул. Бадака, 27Б +375 (29) 350-33-47 ( Мало )
Схема проезда
г. Березино ул. Комсомольская, д. 24 +375 (44) 770-80-17 ( Мало )
Схема проезда
г. Бобруйск ул. Гоголя, 181/1-6 +375 (29) 630-05-01 ( Мало )
Схема проезда
г. Бобруйск ул. Орловского, 22к3 +375 (29) 345-37-07 ( Средне )
Схема проезда
г. Борисов ул. Демина, 2а +375 (44) 560-99-75 ( Мало )
Схема проезда
г. Витебск ул. Правды, 33 +375 (44) 770-80-87 ( Мало )
Схема проезда
г. Глубокое ул. Энгельса, 22 +375 (44) 505-71-40 ( Мало )
Схема проезда
г. Гомель ул. Барыкина, 291Б +375 (44) 514-15-30 ( Мало )
Схема проезда
г. Гомель ул. Барыкина, 291Б +375 (44) 514-15-30 ( Мало )
Схема проезда
г. Горки ул.Мира, д.51а/1 +375 (44) 565-33-61 ( Средне )
Схема проезда
г. Гродно ул. Карского, 35 +375 (44) 770-70-21 ( Средне )
Схема проезда
г. Дрогичин ул. Юбилейная, 42 +375 (29) 682-17-13 ( Мало )
Схема проезда
г. Дятлово ул. Советская ,104 +375 (29) 187-87-37 ( Средне )
Схема проезда
г. Ивацевичи ул. Загородная, 6А +375 (29) 188-59-01 ( Мало )
Схема проезда
г. Кричев ул. Комсомольская, 126 +375 (29) 628-88-42 ( Мало )
Схема проезда
г. Лельчицы ул. Советская, д.96/1 +375 (29) 346-98-96 ( Мало )
Схема проезда
г. Молодечно ул. Галицкого, 14 +375 (44) 567-28-47 ( Мало )
Схема проезда
г. Новогрудок ул. Индустриальная, 3 +375 (44) 729-39-19 ( Средне )
Схема проезда
г. Орша ул. Сергея Кирова, д. 34 +375 (44) 583-91-42 ( Мало )
Схема проезда
г. Осиповичи ул. Короткая, 11 +375 (29) 165-60-07 ( Средне )
Схема проезда
г. Ошмяны ул. Льнозоводская 3 +375 (44) 770-80-91 ( Мало )
Схема проезда
г. Полоцк-2 ул. Шенягина, 52 +375 (29) 302-94-73 ( Мало )
Схема проезда
г. Полоцк-2 ул. Шенягина, 52 +375 (29) 302-94-73 ( Мало )
Схема проезда
г. Полоцк-2 ул. Шенягина, 52 +375 (29) 302-94-73 ( Мало )
Схема проезда
г. Поставы ул. Советская, 69 +375 (44) 770-80-13 ( Средне )
Схема проезда
г. Пружаны ул. Макаренко, 21 +375 (29) 348-83-18 ( Средне )
Схема проезда
г. Слоним ул. Советская, 93а +375 (29) 394-82-01 ( Средне )
Схема проезда
г. Сморгонь ул. Железнодорожная, 32 +375 (29) 671-02-10 ( Средне )
Схема проезда
г. Солигорск Чижевичский сельсовет, 3Г +375 (29) 899-58-52 ( Мало )
Схема проезда
г. Столин ул. Быковского, 29 +375 (33) 304-54-36 ( Мало )
Схема проезда
г. Щучин ул. Советская, 39 +375 (29) 177-29-70 ( Средне )
Схема проезда
г. Берёза ул. Красноармейская, 89/11 +375 (29) 676-70-71 Под заказ
Схема проезда
г. Брест Тельминский с/с, 1Д/1, 1 км южнее д. Тельмы-2 +375 (44) 599-90-75 Под заказ
Схема проезда
г. Витебск ул. Петруся Бровки, 34 +375 (29) 636-25-08 Под заказ
Схема проезда
г. Гомель ул. Текстильная, 10 +375 (44) 540-02-05 Под заказ
Схема проезда
г. Житковичи ул. Комсомольская, 49 +375 (29) 394-82-52 Под заказ
Схема проезда
г. Жлобин ул. Козлова, 25 +375 (29) 346-06-78 Под заказ
Схема проезда
г. Кобрин ул. Пролетарская, 177А +375 (44) 588-10-80 Под заказ
Схема проезда
г. Лепель ул. Лобанка, 43 +375 (44) 778-65-21 Под заказ
Схема проезда
г. Лида ул. Качана, 7 +375 (29) 612-60-61 Под заказ
Схема проезда
г. Лунинец ул.Красная, 175а +375 (44) 721-46-74 Под заказ
Схема проезда
г. Могилев ул. Габровская 11Б +375 (29) 662-02-16 Под заказ
Схема проезда
г. Мозырь промузел Козенки +375 (44) 731-94-60 Под заказ
Схема проезда
г. Несвиж ул. Кутузова, 2 +375 (29) 394-82-48 Под заказ
Схема проезда
г. Петриков ул. Первомайская, 124 +375 (33) 660-06-75 Под заказ
Схема проезда
г. Пинск ул. Калиновского 32 +375 (44) 560-99-59 Под заказ
Схема проезда
г. Полоцк ул. Пролетарская, 6 +375 (29) 644-57-58 Под заказ
Схема проезда
г. Полоцк ул. Строительная, 30Б +375 (29) 302-97-91 Под заказ
Схема проезда
г. Слуцк ул. Тутаринова, 8 +375 (29) 346-06-90 Под заказ
Схема проезда
Товары из этой категории
Замок зажигания с ключами 2101-3704000
Замок зажигания с ключами
Каталожный номер 2101-3704000
Производитель Миас Миас
Код 3286
Доставка по всей Беларуси
Доступность остатки на филиалах Остатки на филиалах
Остаток В наличии
Склад Адрес Контакт Остатки
г. Солигорск Чижевичский сельсовет, 3Г +375 (29) 899-58-52 ( Средне )
Схема проезда
Переключатель света центральный Г-3302,3307 53.3709
Переключатель света центральный Г-3302,3307
Каталожный номер 53.3709
Производитель RSTA RSTA
Код 15837
Доставка по всей Беларуси
Доступность остатки на филиалах Остатки на филиалах
Остаток: г.Минск, ул.Селицкого 21к В наличии
Склад Адрес Контакт Остатки
г. Минск ул. Селицкого, 21к +375 (44) 770-80-78 ( Средне )
Схема проезда
Свеча 406 (4шт)  двигатель  в упаковке TANAKI 4062.370701
Свеча 406 (4шт) двигатель в упаковке TANAKI
Каталожный номер 4062.370701
Производитель TANAKI TANAKI
Код 00-ГР020345
Доставка по всей Беларуси
Доступность остатки на филиалах Остатки на филиалах
Остаток: г.Минск, ул.Селицкого 21к В наличии
Склад Адрес Контакт Остатки
г. Минск ул. Селицкого, 21к +375 (44) 770-80-78 ( Мало )
Схема проезда
г. Дятлово ул. Советская ,104 +375 (29) 187-87-37 ( Мало )
Схема проезда
г. Лельчицы ул. Советская, д.96/1 +375 (29) 346-98-96 ( Мало )
Схема проезда
г. Столин ул. Быковского, 29 +375 (33) 304-54-36 ( Мало )
Схема проезда
Выключатель ВК-12Б АЕ стоп сигнала АВТОЭЛЕКТРИКА ВК12Б АЕ
Выключатель ВК-12Б АЕ стоп сигнала АВТОЭЛЕКТРИКА
Каталожный номер ВК12Б АЕ
Производитель Автоэлектрика Автоэлектрика
Код 00-ГР022733
Доставка по всей Беларуси
Доступность остатки на филиалах Остатки на филиалах
Остаток: г.Минск, ул.Селицкого 21к В наличии
Склад Адрес Контакт Остатки
г. Минск ул. Селицкого, 21к +375 (44) 770-80-78 ( Средне )
Схема проезда
г. Барановичи ул. Пролетарская, 40 +375 (29) 795-96-37 ( Средне )
Схема проезда
г. Березино ул. Комсомольская, д. 24 +375 (44) 770-80-17 ( Мало )
Схема проезда
г. Бобруйск ул. Орловского, 22к3 +375 (29) 345-37-07 ( Средне )
Схема проезда
г. Борисов ул. Демина, 2а +375 (44) 560-99-75 ( Мало )
Схема проезда
г. Витебск ул. Правды, 33 +375 (44) 770-80-87 ( Средне )
Схема проезда
г. Витебск ул. Петруся Бровки, 34 +375 (29) 636-25-08 ( Мало )
Схема проезда
г. Глубокое ул. Энгельса, 22 +375 (44) 505-71-40 ( Средне )
Схема проезда
г. Гомель ул. Барыкина, 291Б +375 (44) 514-15-30 ( Мало )
Схема проезда
г. Гродно ул. Карского, 35 +375 (44) 770-70-21 ( Средне )
Схема проезда
г. Дрогичин ул. Юбилейная, 42 +375 (29) 682-17-13 ( Мало )
Схема проезда
г. Жлобин ул. Козлова, 25 +375 (29) 346-06-78 ( Мало )
Схема проезда
г. Ивацевичи ул. Загородная, 6А +375 (29) 188-59-01 ( Мало )
Схема проезда
г. Лельчицы ул. Советская, д.96/1 +375 (29) 346-98-96 ( Средне )
Схема проезда
г. Лепель ул. Лобанка, 43 +375 (44) 778-65-21 ( Мало )
Схема проезда
г. Молодечно ул. Галицкого, 14 +375 (44) 567-28-47 ( Мало )
Схема проезда
г. Новогрудок ул. Индустриальная, 3 +375 (44) 729-39-19 ( Средне )
Схема проезда
г. Орша ул. Сергея Кирова, д. 34 +375 (44) 583-91-42 ( Мало )
Схема проезда
г. Осиповичи ул. Короткая, 11 +375 (29) 165-60-07 ( Средне )
Схема проезда
г. Петриков ул. Первомайская, 124 +375 (33) 660-06-75 ( Мало )
Схема проезда
г. Полоцк-2 ул. Шенягина, 52 +375 (29) 302-94-73 ( Мало )
Схема проезда
г. Полоцк-2 ул. Шенягина, 52 +375 (29) 302-94-73 ( Мало )
Схема проезда
г. Пружаны ул. Макаренко, 21 +375 (29) 348-83-18 ( Мало )
Схема проезда
г. Слоним ул. Советская, 93а +375 (29) 394-82-01 ( Много )
Схема проезда
г. Столин ул. Быковского, 29 +375 (33) 304-54-36 ( Средне )
Схема проезда
г. Щучин ул. Советская, 39 +375 (29) 177-29-70 ( Средне )
Схема проезда
Свеча А-14 ДВР А-14 ДВР
Свеча А-14 ДВР
Каталожный номер А-14 ДВР
Производитель RSTA RSTA
Код 12141
Доставка по всей Беларуси
Доступность остатки на филиалах Остатки на филиалах
Остаток: г.Минск, ул.Селицкого 21к В наличии
Склад Адрес Контакт Остатки
г. Минск ул. Селицкого, 21к +375 (44) 770-80-78 ( Много )
Схема проезда
г. Гродно ул. Карского, 35 +375 (44) 770-70-21 ( Много )
Схема проезда
г. Осиповичи ул. Короткая, 11 +375 (29) 165-60-07 ( Много )
Схема проезда
г. Поставы ул. Советская, 69 +375 (44) 770-80-13 ( Средне )
Схема проезда