Республика Беларусь,
г. Минск, ул. Селицкого 21к - центральный склад
Пн-пт с 8:00 до 17:00
Меню
245-1003033-А-06 Коллектор впускной ММЗ
Наименование: Коллектор 245-1003033-А-06 впускной ММЗ
Каталожный номер: 245-1003033-А-06
Производитель: ММЗ
Код товара: 00-ГР014271
Доставка: по всей Беларуси
Остаток: под заказ

Нашли не точность в описании товара? сообщить администратору.

+375 (44) 770-80-78 +375 (29) 747-80-78
* Выставить счет, получить техническую информацию и стоимость
Заказать деталь Онлайн
Описание
Наличие на филиалах
Применяемость
Заменить на СТО

Коллектор 245-1003033-А-06 впускной ММЗ производства ММЗ (РБ), Код для заказа: 00-ГР014271

Марка Модель Кат.номер Наим. по каталогу Чертеж
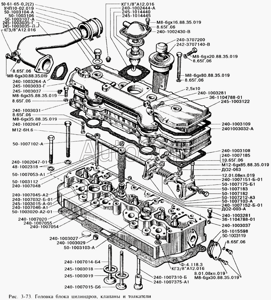
ЗИЛ ЗИЛ-5301 (2000) 245-1003033-Г Коллектор Головка блока цилиндров, клапаны и толкатели Чертеж Головка блока цилиндров, клапаны и толкатели
ЗИЛ ЗИЛ-5301 (2000) 245-1003033-Г Коллектор Установка топливоподающей аппаратуры Чертеж Установка топливоподающей аппаратуры
ЗИЛ ЗИЛ-3250 (2000) 245-1003033-Г Коллектор Головка блока цилиндров, клапаны и толкатели Чертеж Головка блока цилиндров, клапаны и толкатели
ЗИЛ ЗИЛ-5301 (2006) (2006) 245-1003033-Г Коллектор Головка блока цилиндров, клапаны и толкатели двигателя Д-245.12С
ЗИЛ ЗИЛ-5301 (2006) (2006) 245-1003033-Г1 Коллектор Головка блока цилиндров, клапаны и толкатели двигателя Д-245.9Е2 Чертеж Головка блока цилиндров, клапаны и толкатели двигателя Д-245.9Е2
ЗИЛ ЗИЛ-5301 (2006) (2006) 245-1003033-Г Коллектор Установка топливоподающей аппаратуры на дизеле Д-245.12С
ЗИЛ ЗИЛ-3250 (2006) 245-1003033-Г Коллектор Головка блока цилиндров, клапаны и толкатели двигателя Д-245.12С Чертеж Головка блока цилиндров, клапаны и толкатели двигателя Д-245.12С
МТЗ МТЗ-100 245-1003033 Коллектор Головка цилиндров. Клапаны и толкатели клапанов Чертеж Головка цилиндров. Клапаны и толкатели клапанов
МТЗ МТЗ-900 245-1003033-01 Коллектор Головка цилиндров. Клапаны и толкатели клапанов Чертеж Головка цилиндров. Клапаны и толкатели клапанов
МТЗ МТЗ-822 (2008) 245-1003033-Г Коллектор впускной Головка цилиндров. Клапаны и толкатели клапанов
МТЗ МТЗ-922 (2008) 245-1003033-Г Коллектор впускной Головка цилиндров. Клапаны и толкатели клапанов
МТЗ МТЗ-923 (2008) 245-1003033-Г Коллектор впускной Головка цилиндров. Клапаны и толкатели клапанов Чертеж Головка цилиндров. Клапаны и толкатели клапанов
МТЗ МТЗ-1005 (2008) 245-1003033-А-06 Коллектор Головка цилиндров. Клапаны и толкатели клапанов Чертеж Головка цилиндров. Клапаны и толкатели клапанов
ММЗ Д-245.9 245-1003033-Г Коллектор впускной Головка цилиндров. Клапаны и толкатели клапанов
ММЗ Д-245.12 245-1003033-Г Коллектор впускной Головка цилиндров. Клапаны и толкатели клапанов Чертеж Головка цилиндров. Клапаны и толкатели клапанов
ММЗ Д-245.30Е2-469 (2006) 245-1003033-Б Коллектор впускной Головка цилиндров. Клапаны и толкатели клапанов Чертеж Головка цилиндров. Клапаны и толкатели клапанов
ММЗ Д-245.7E2 (2006) 245-1003033-П Коллектор впускной Головка цилиндров Чертеж Головка цилиндров
ММЗ Д-245.7E3 (2007) 245-1003033-Д1 КОЛЛЕКТОР ВПУСКНОЙ Установка головки цилиндров и впускного тракта. Клапаны и толкатели клапанов Чертеж Установка головки цилиндров и впускного тракта. Клапаны и толкатели клапанов
ПАЗ ПАЗ-4234 (2005) 245-1003033-Г Коллектор впускной Головка цилиндров, клапаны и толкатели
ПАЗ ПАЗ-4230 (2005) 245-1003033-Г Коллектор впускной Головка цилиндров, клапаны и толкатели
Товары из этой категории
Болт крепления маховика 245-1005127
Болт крепления маховика
Каталожный номер 245-1005127
Производитель RSTA RSTA
Код 24396
Доставка по всей Беларуси
Доступность остатки на филиалах Остатки на филиалах
Остаток В наличии
Склад Адрес Контакт Остатки
г. Бобруйск ул. Орловского, 22к3 +375 (29) 345-37-07 ( Много )
Схема проезда
г. Ивацевичи ул. Загородная, 6А +375 (29) 188-59-01 ( Много )
Схема проезда
г. Новогрудок ул. Индустриальная, 3 +375 (44) 729-39-19 ( Много )
Схема проезда
г. Ошмяны ул. Льнозоводская 3 +375 (44) 770-80-91 ( Много )
Схема проезда
г. Пружаны ул. Макаренко, 21 +375 (29) 348-83-18 ( Много )
Схема проезда
г. Слуцк ул. Тутаринова, 8 +375 (29) 346-06-90 ( Много )
Схема проезда
К-т прокладок двигателя Д-260 (45 наименований) РК Д260
К-т прокладок двигателя Д-260 (45 наименований)
Каталожный номер РК Д260
Производитель RSTA RSTA
Код 35639
Доставка по всей Беларуси
Доступность остатки на филиалах Остатки на филиалах
Остаток В наличии
Склад Адрес Контакт Остатки
г. Витебск ул. Правды, 33 +375 (44) 770-80-87 ( Мало )
Схема проезда
Прокладка ГБЦ Д-240 с герметиком 50-1003020
Прокладка ГБЦ Д-240 с герметиком
Каталожный номер 50-1003020
Производитель RSTA RSTA
Код 21699
Доставка по всей Беларуси
Доступность остатки на филиалах Остатки на филиалах
Остаток: г.Минск, ул.Селицкого 21к В наличии
Склад Адрес Контакт Остатки
г. Минск ул. Селицкого, 21к +375 (44) 770-80-78 ( Много )
Схема проезда
г. Барановичи ул. Пролетарская, 40 +375 (29) 795-96-37 ( Мало )
Схема проезда
г. Березино ул. Комсомольская, д. 24 +375 (44) 770-80-17 ( Мало )
Схема проезда
г. Берёза ул. Красноармейская, 89/11 +375 (29) 676-70-71 ( Средне )
Схема проезда
г. Витебск ул. Правды, 33 +375 (44) 770-80-87 ( Средне )
Схема проезда
г. Глубокое ул. Энгельса, 22 +375 (44) 505-71-40 ( Мало )
Схема проезда
г. Горки ул.Мира, д.51а/1 +375 (44) 565-33-61 ( Средне )
Схема проезда
г. Дрогичин ул. Юбилейная, 42 +375 (29) 682-17-13 ( Средне )
Схема проезда
г. Дятлово ул. Советская ,104 +375 (29) 187-87-37 ( Средне )
Схема проезда
г. Житковичи ул. Комсомольская, 49 +375 (29) 394-82-52 ( Мало )
Схема проезда
г. Кричев ул. Комсомольская, 126 +375 (29) 628-88-42 ( Средне )
Схема проезда
г. Лепель ул. Лобанка, 43 +375 (44) 778-65-21 ( Средне )
Схема проезда
г. Лунинец ул.Красная, 175а +375 (44) 721-46-74 ( Мало )
Схема проезда
г. Могилев ул. Габровская 11Б +375 (29) 662-02-16 ( Мало )
Схема проезда
г. Молодечно ул. Галицкого, 14 +375 (44) 567-28-47 ( Мало )
Схема проезда
г. Петриков ул. Первомайская, 124 +375 (33) 660-06-75 ( Средне )
Схема проезда
г. Полоцк-2 ул. Шенягина, 52 +375 (29) 302-94-73 ( Средне )
Схема проезда
г. Поставы ул. Советская, 69 +375 (44) 770-80-13 ( Средне )
Схема проезда
г. Слоним ул. Советская, 93а +375 (29) 394-82-01 ( Средне )
Схема проезда
Крышка теплообменника 260-1013011-Б ЖМЗ 260-1013011-Б
Крышка теплообменника 260-1013011-Б ЖМЗ
Каталожный номер 260-1013011-Б
Производитель ЖМЗ ЖМЗ
Код 00-ГР020254
Доставка по всей Беларуси
Доступность остатки на филиалах Остатки на филиалах
Остаток: г.Минск, ул.Селицкого 21к В наличии
Склад Адрес Контакт Остатки
г. Минск ул. Селицкого, 21к +375 (44) 770-80-78 ( Мало )
Схема проезда
г. Ошмяны ул. Льнозоводская 3 +375 (44) 770-80-91 ( Мало )
Схема проезда
Прокладка клапанной крышки нижняя 260-1003108
Прокладка клапанной крышки нижняя
Каталожный номер 260-1003108
Производитель ZRAS LTD ZRAS LTD
Код 14301
Доставка по всей Беларуси
Доступность остатки на филиалах Остатки на филиалах
Остаток: г.Минск, ул.Селицкого 21к В наличии
Склад Адрес Контакт Остатки
г. Минск ул. Селицкого, 21к +375 (44) 770-80-78 ( Мало )
Схема проезда
г. Солигорск Чижевичский сельсовет, 3Г +375 (29) 899-58-52 ( Средне )
Схема проезда