Республика Беларусь,
г. Минск, ул. Селицкого 21к - центральный склад
Пн-пт с 8:00 до 17:00
Меню
У2210.20Н-2-05.026 Кольцо колесной передачи
Наименование: Кольцо У2210.20Н-2-05.026 колесной передачи
Каталожный номер: У2210.20Н-2-05.026
Производитель: Амкодор
Код товара: 00-ГР025551
Доставка: по всей Беларуси
Остаток: под заказ

Нашли не точность в описании товара? сообщить администратору.

+375 (44) 770-80-78 +375 (29) 747-80-78
* Выставить счет, получить техническую информацию и стоимость
Заказать деталь Онлайн
Описание
Наличие на филиалах
Применяемость
Заменить на СТО

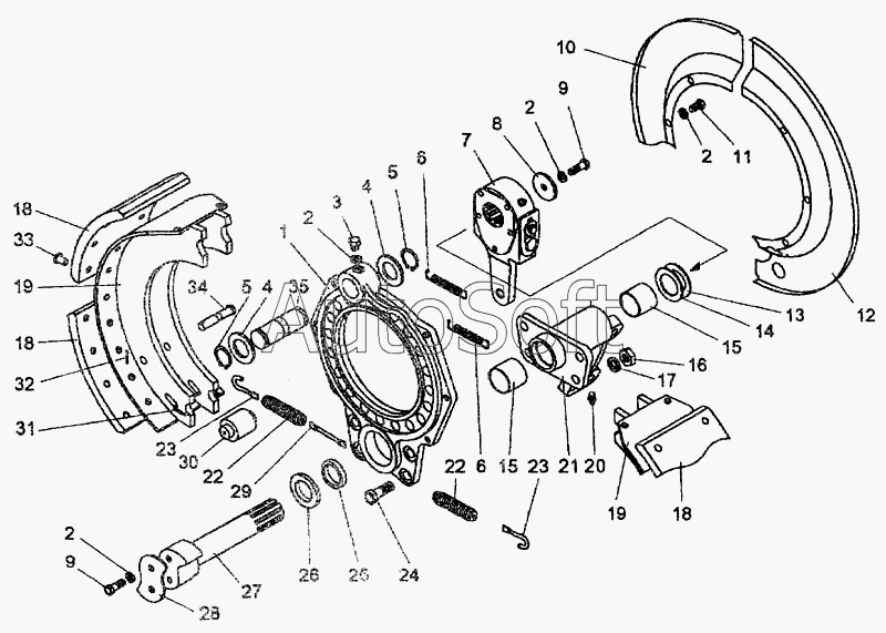
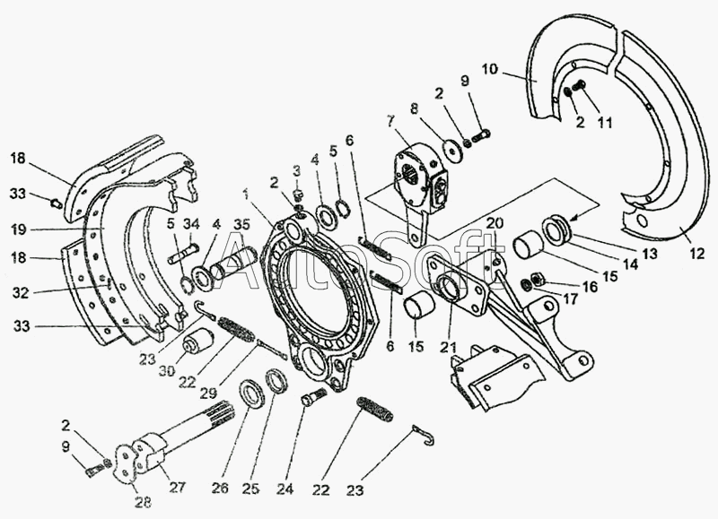
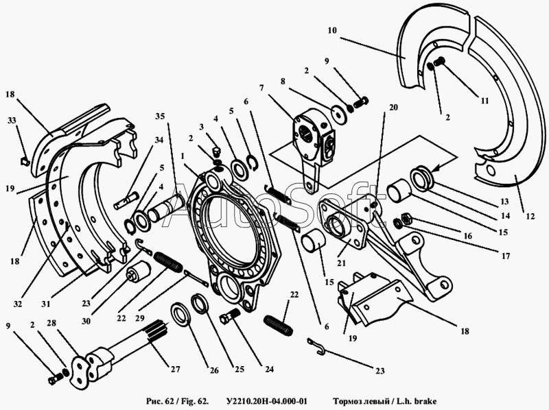
Кольцо У2210.20Н-2-05.026 колесной передачи производства Амкодор (Амкодор), Код для заказа: 00-ГР025551

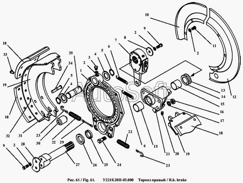
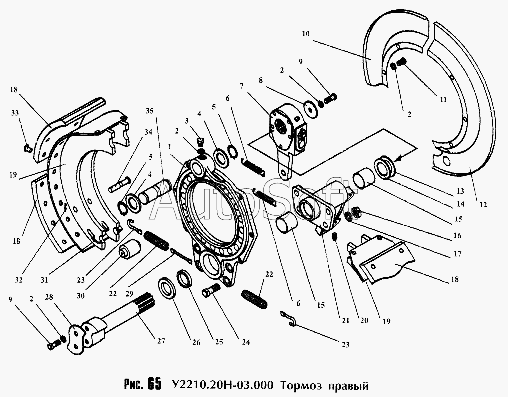
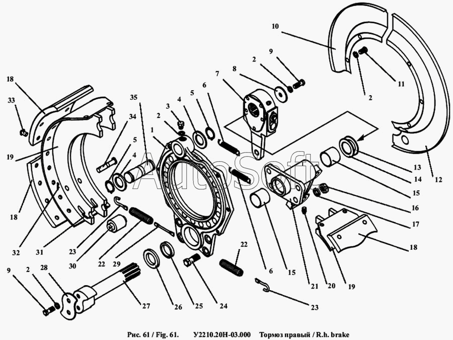
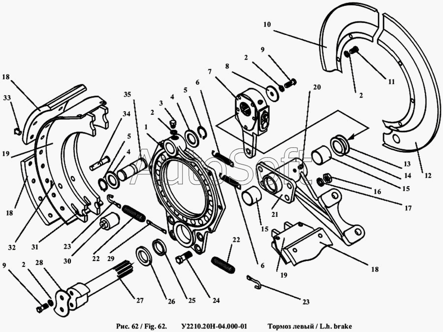
Марка Модель Кат.номер Наим. по каталогу Чертеж
Амкодор Амкодор-333В (ТО-18Б3) У2210.20Н-00.026 Кожух Тормоз правый Чертеж Тормоз правый
Амкодор Амкодор-333В (ТО-18Б3) У2210.20Н-00.026 Кожух Тормоз левый Чертеж Тормоз левый
Амкодор Амкодор-342А (ТО-28А) У2210.20Н-00.026 Кожух Тормоз правый Чертеж Тормоз правый
Амкодор Амкодор-342А (ТО-28А) У2210.20Н-00.026 Кожух Тормоз левый Чертеж Тормоз левый
Амкодор Амкодор-327 (ТО-18Д) (2003) У2210.20Н-00.026 Кожух Тормоз правый Чертеж Тормоз правый
Амкодор Амкодор-327 (ТО-18Д) (2003) У2210.20Н-00.026 Кожух Тормоз левый Чертеж Тормоз левый
Амкодор Амкодор-333 (ТО-18Б) (2004) У2210.20Н-00.026 Кожух Тормоз правый Чертеж Тормоз правый
Амкодор Амкодор-333 (ТО-18Б) (2004) У2210.20Н-00.026 Кожух Тормоз левый Чертеж Тормоз левый
Амкодор Амкодор-352 (2006) У2210.20Н-2-03.026 Прокладка Колесная передача У2210.20Н-2-03.000-02 Чертеж Колесная передача У2210.20Н-2-03.000-02
Амкодор Амкодор-352 (2006) У2210.20Н-2-03.026 Прокладка Колесная передача У2210.20Н-2-03.000-02 Чертеж Колесная передача У2210.20Н-2-03.000-02
Амкодор Амкодор-332С-01 (2006) У2210.20Н-00.026 Кожух Тормоз правый У2210.20Н-03.000 Чертеж Тормоз правый У2210.20Н-03.000
Амкодор Амкодор-332С-01 (2006) У2210.20Н-00.026 Кожух Тормоз левый У2210.20Н-03.000-01 Чертеж Тормоз левый У2210.20Н-03.000-01
Амкодор Амкодор-342В (ТО-18А) (2006) У2210.20Н-2-03.026 Прокладка Колесная передача У2210.20Н-2-03.000-02 Чертеж Колесная передача У2210.20Н-2-03.000-02
Амкодор Амкодор-342В (ТО-18А) (2006) У2210.20Н-2-03.026 Прокладка Колесная передача У2210.20Н-2-03.000-02 Чертеж Колесная передача У2210.20Н-2-03.000-02
Амкодор Амкодор-342С (2006) У2210.20Н-2-03.026 Прокладка Колесная передача У2210.20Н-2-03.000-02
Амкодор Амкодор-342С (2006) У2210.20Н-2-03.026 Прокладка Колесная передача У2210.20Н-2-03.000-02
Амкодор Амкодор-333А (ТО-18Б2) (2006) У2210.20Н-00.026 Кожух Тормоз правый У2210.20Н-03.000 Чертеж Тормоз правый У2210.20Н-03.000
Амкодор Амкодор-333А (ТО-18Б2) (2006) У2210.20Н-00.026 Кожух Тормоз левый У2210.20Н-03.000-01 Чертеж Тормоз левый У2210.20Н-03.000-01
Амкодор Амкодор-351 (2006) У2210.20Н-2-03.026 Прокладка У2210.20Н-2-03.000-02 Колеснаяч передача Чертеж У2210.20Н-2-03.000-02 Колеснаяч передача
Амкодор Амкодор-351 (2006) У2210.20Н-2-03.026 Прокладка У2210.20Н-2-03.000-02 Колеснаяч передача Чертеж У2210.20Н-2-03.000-02 Колеснаяч передача
Товары из этой категории
К-т поршневых колец 53443.1004002-10 (я) 53443.1004002-10
К-т поршневых колец 53443.1004002-10 (я)
Каталожный номер 53443.1004002-10
Производитель Автодизель Автодизель
Код 00-ГР016873
Доставка по всей Беларуси
Доступность остатки на филиалах Остатки на филиалах
Остаток: г.Минск, ул.Селицкого 21к В наличии
Склад Адрес Контакт Остатки
г. Минск ул. Селицкого, 21к +375 (44) 770-80-78 ( Много )
Схема проезда
г. Гомель ул. Барыкина, 291Б +375 (44) 514-15-30 ( Много )
Схема проезда
г. Гродно ул. Карского, 35 +375 (44) 770-70-21 ( Средне )
Схема проезда
г. Полоцк-2 ул. Шенягина, 52 +375 (29) 302-94-73 ( Много )
Схема проезда
Картер маховика Д-260 под ярославскую КПП 236 2605-1002111-Б
Картер маховика Д-260 под ярославскую КПП 236
Каталожный номер 2605-1002111-Б
Производитель МАЗ МАЗ
Код 23120
Доставка по всей Беларуси
Доступность остатки на филиалах Остатки на филиалах
Остаток Под заказ
Обод маховика 5340.1005125 (я) 5340.1005125
Обод маховика 5340.1005125 (я)
Каталожный номер 5340.1005125
Производитель Автодизель Автодизель
Код 00-ГР017542
Доставка по всей Беларуси
Доступность остатки на филиалах Остатки на филиалах
Остаток: г.Минск, ул.Селицкого 21к В наличии
Склад Адрес Контакт Остатки
г. Минск ул. Селицкого, 21к +375 (44) 770-80-78 ( Средне )
Схема проезда
г. Гомель ул. Барыкина, 291Б +375 (44) 514-15-30 ( Мало )
Схема проезда
К-т вкладышей коренных,Автодизель 236-1000102-Б2
К-т вкладышей коренных,Автодизель
Каталожный номер 236-1000102-Б2
Производитель Автодизель Автодизель
Код 9520
Доставка по всей Беларуси
Доступность остатки на филиалах Остатки на филиалах
Остаток: г.Минск, ул.Селицкого 21к В наличии
Склад Адрес Контакт Остатки
г. Минск ул. Селицкого, 21к +375 (44) 770-80-78 ( Средне )
Схема проезда
г. Барановичи ул. Бадака, 27Б +375 (29) 350-33-47 ( Средне )
Схема проезда
г. Брест Тельминский с/с, 1Д/1, 1 км южнее д. Тельмы-2 +375 (44) 599-90-75 ( Мало )
Схема проезда
г. Витебск ул. Петруся Бровки, 34 +375 (29) 636-25-08 ( Мало )
Схема проезда
г. Гомель ул. Барыкина, 291Б +375 (44) 514-15-30 ( Мало )
Схема проезда
г. Гродно ул. Карского, 35 +375 (44) 770-70-21 ( Мало )
Схема проезда
г. Житковичи ул. Комсомольская, 49 +375 (29) 394-82-52 ( Мало )
Схема проезда
г. Кобрин ул. Пролетарская, 177А +375 (44) 588-10-80 ( Мало )
Схема проезда
г. Лельчицы ул. Советская, д.96/1 +375 (29) 346-98-96 ( Мало )
Схема проезда
г. Могилев ул. Габровская 11Б +375 (29) 662-02-16 ( Мало )
Схема проезда
г. Мозырь промузел Козенки +375 (44) 731-94-60 ( Мало )
Схема проезда
г. Новогрудок ул. Индустриальная, 3 +375 (44) 729-39-19 ( Средне )
Схема проезда
г. Ошмяны ул. Льнозоводская 3 +375 (44) 770-80-91 ( Мало )
Схема проезда
г. Петриков ул. Первомайская, 124 +375 (33) 660-06-75 ( Мало )
Схема проезда
г. Пинск ул. Калиновского 32 +375 (44) 560-99-59 ( Мало )
Схема проезда
г. Полоцк-2 ул. Шенягина, 52 +375 (29) 302-94-73 ( Мало )
Схема проезда
г. Поставы ул. Советская, 69 +375 (44) 770-80-13 ( Мало )
Схема проезда
г. Сморгонь ул. Железнодорожная, 32 +375 (29) 671-02-10 ( Мало )
Схема проезда
Пружина клапана наружная ЯМЗ-236,238,Автодизель 7511.1007020
Пружина клапана наружная ЯМЗ-236,238,Автодизель
Каталожный номер 7511.1007020
Производитель Автодизель Автодизель
Код 34707
Доставка по всей Беларуси
Доступность остатки на филиалах Остатки на филиалах
Остаток: г.Минск, ул.Селицкого 21к В наличии
Склад Адрес Контакт Остатки
г. Минск ул. Селицкого, 21к +375 (44) 770-80-78 ( Много )
Схема проезда
г. Гомель ул. Барыкина, 291Б +375 (44) 514-15-30 ( Средне )
Схема проезда