Республика Беларусь,
г. Минск, ул. Селицкого 21к - центральный склад
Пн-пт с 8:00 до 17:00
Меню
052-058-36-2-3 Кольцо МАЗ ОАО, УВК
Наименование: Кольцо МАЗ ОАО, УВК
Каталожный номер: 052-058-36-2-3
Код товара: 520583623
Доставка: по всей Беларуси
Остаток: под заказ 1-45 дней

Нашли не точность в описании товара? сообщить администратору.

+375 (44) 770-80-78 +375 (29) 747-80-78
* Выставить счет, получить техническую информацию и стоимость
Заказать деталь Онлайн
Описание
Наличие на филиалах
Применяемость
Заменить на СТО

052-058-36-2-3 Кольцо.

  • Производитель: МАЗ ОАО, УВК
  • Каталожный номер по заводу: 052-058-36-2-3
  • Код для заказа:  520583623
Марка Модель Кат.номер Наим. по каталогу Чертеж
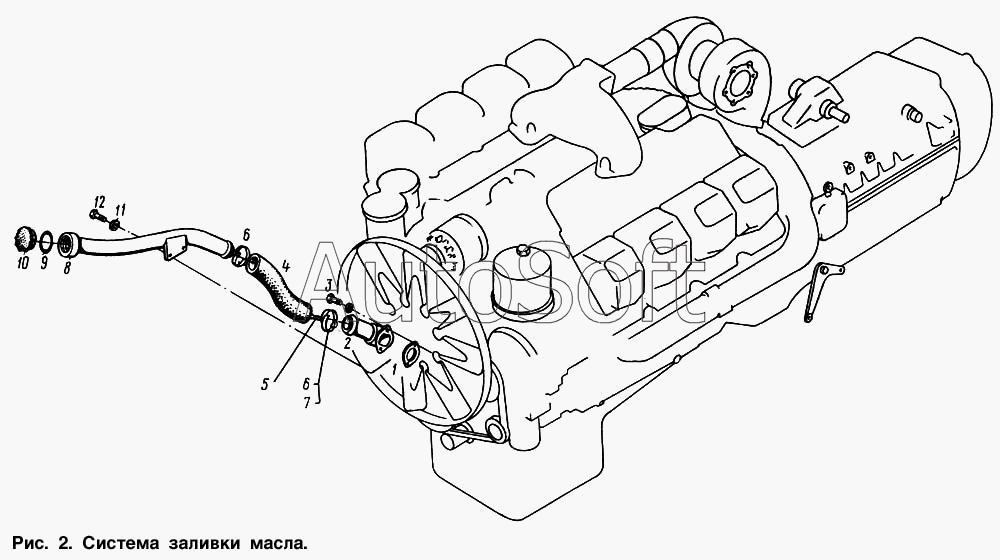
МАЗ МАЗ-437040 (Зубренок) (2002) 052-058-36-2-3 Кольцо Система заливки и контроля уровня масла МАЗ-437040
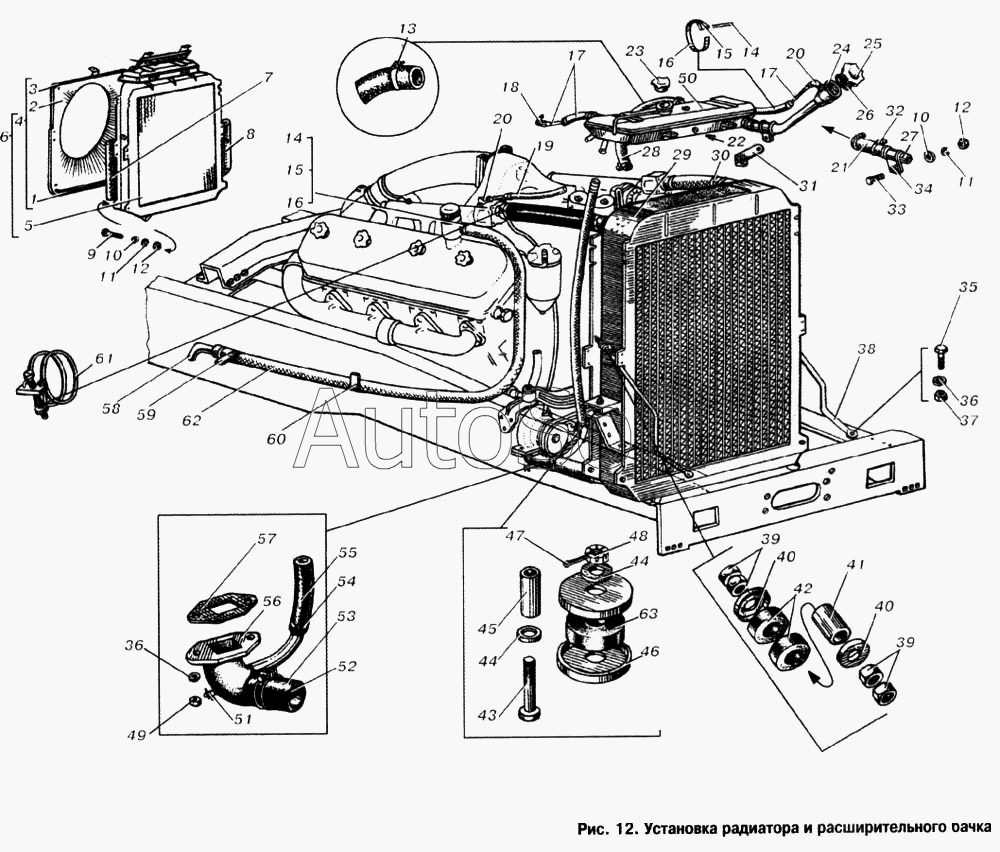
МАЗ МАЗ-53363 052-058-36-2-3 Кольцо Установка радиатора и расширительного бачка Чертеж Установка радиатора и расширительного бачка
МАЗ МАЗ-53363 052-058-36-2-3 Кольцо Камера тормозная (задняя)
МАЗ МАЗ-53366 052-058-36-2-3 Кольцо Установка радиатора и расширительного бачка Чертеж Установка радиатора и расширительного бачка
МАЗ МАЗ-53366 052-058-36-2-3 Кольцо Камера тормозная (задняя)
МАЗ МАЗ-5337 052-058-36-2-3 Кольцо Установка радиатора и расширительного бачка Чертеж Установка радиатора и расширительного бачка
МАЗ МАЗ-5337 052-058-36-2-3 Кольцо Камера тормозная задняя Чертеж Камера тормозная задняя
МАЗ МАЗ-53371 052-058-36-2-3 Кольцо Установка радиатора и расширительного бачка Чертеж Установка радиатора и расширительного бачка
МАЗ МАЗ-53371 052-058-36-2-3 Кольцо Камера тормозная задняя
МАЗ МАЗ-54321 052-058-36-2-3 Кольцо Система заливки масла Чертеж Система заливки масла
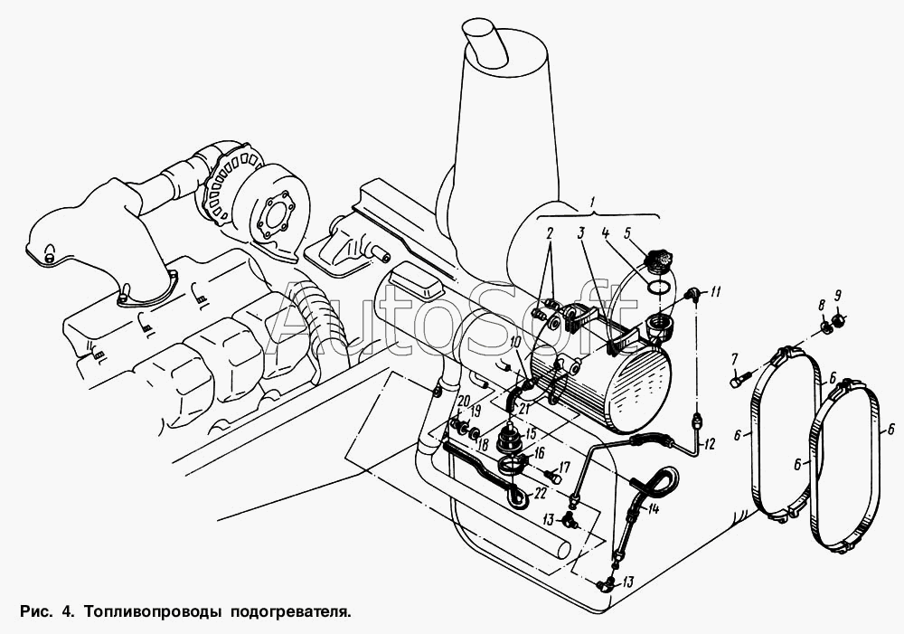
МАЗ МАЗ-54321 052-058-36-2-3 Кольцо Топливопроводы подогревателя Чертеж Топливопроводы подогревателя
МАЗ МАЗ-54321 052-058-36-2-3 Кольцо Трубопроводы радиатора Чертеж Трубопроводы радиатора
МАЗ МАЗ-54323 052-058-36-2-3 Кольцо Установка радиатора и расширительного бачка Чертеж Установка радиатора и расширительного бачка
МАЗ МАЗ-54323 052-058-36-2-3 Кольцо Камера тормозная задняя
МАЗ МАЗ-54328 052-058-36-2-3 Кольцо Установка рулевого управления и передней подвески Чертеж Установка рулевого управления и передней подвески
МАЗ МАЗ-5434 052-058-36-2-3 Кольцо Установка радиатора и расширительного бачка Чертеж Установка радиатора и расширительного бачка
МАЗ МАЗ-5434 052-058-36-2-3 Кольцо Камера тормозная задняя Чертеж Камера тормозная задняя
МАЗ МАЗ-5516 052-058-36-2-3 Кольцо Установка радиатора и расширительного бачка Чертеж Установка радиатора и расширительного бачка
МАЗ МАЗ-5516 052-058-36-2-3 Кольцо Камера тормозная задняя Чертеж Камера тормозная задняя
МАЗ МАЗ-5551 052-058-36-2-3 Кольцо Установка радиатора и расширительного бачка Чертеж Установка радиатора и расширительного бачка
Товары из этой категории
Шестерня ведомая  МАЗ ОАО 103Т00-2402060
Шестерня ведомая МАЗ ОАО
Каталожный номер 103Т00-2402060
Производитель
Код 103Т002402060
Доставка по всей Беларуси
Остаток Под заказ
Прокладка регулировочная  МАЗ ОАО 6430-2509076
Прокладка регулировочная МАЗ ОАО
Каталожный номер 6430-2509076
Производитель
Код 64302509076
Доставка по всей Беларуси
Остаток Под заказ
Кронштейн  МАЗ ОАО 4370-2906038
Кронштейн МАЗ ОАО
Каталожный номер 4370-2906038
Производитель
Код 43702906038
Доставка по всей Беларуси
Остаток Под заказ
Трубка отводящая  МАЗ ОАО 64229-1104586
Трубка отводящая МАЗ ОАО
Каталожный номер 64229-1104586
Производитель
Код 642291104586
Доставка по всей Беларуси
Остаток Под заказ
Труба, МАЗ ОАО 643019-2803252-000
Труба, МАЗ ОАО
Каталожный номер 643019-2803252-000
Производитель
Код 6430192803252000
Доставка по всей Беларуси
Остаток Под заказ