Республика Беларусь,
г. Минск, ул. Селицкого 21к - центральный склад
Пн-пт с 8:00 до 17:00
Меню
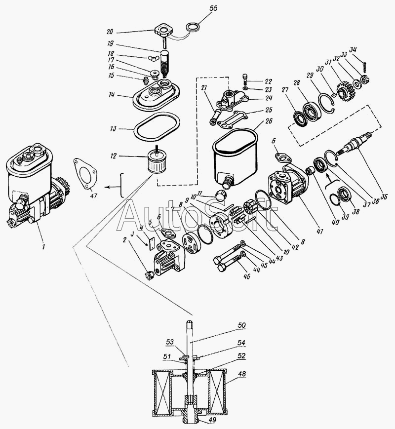
862806 Кольцо стопорное насоса ГУР d=66.2х62
Наименование: Кольцо 862806 стопорное насоса ГУР d=66.2х62
Каталожный номер: 862806
Производитель: КАМАЗ
Код товара: 00-ГР021237
Доставка: по всей Беларуси
Остаток: под заказ

Нашли не точность в описании товара? сообщить администратору.

+375 (44) 770-80-78 +375 (29) 747-80-78
* Выставить счет, получить техническую информацию и стоимость
Заказать деталь Онлайн
Описание
Наличие на филиалах
Применяемость
Заменить на СТО

Кольцо 862806 стопорное насоса ГУР d=66.2х62 производства КАМАЗ (РФ), Код для заказа: 00-ГР021237

Марка Модель Кат.номер Наим. по каталогу Чертеж
ЛАЗ ЛАЗ 4207 862806 Кольцо упорное Водяной насос Чертеж Водяной насос
ЛиАЗ ЛиАЗ 5256 862806 Кольцо упорное Насос водяной
ЛиАЗ ЛиАЗ 5256 862806-П Кольцо упорное Насос гидроусилителя руля
Камский автозавод 4310 862806 Кольцо Б 62 ГОСТ 13943-68 Шестерня ведущая привода распределительного вала и шестерня ведомая привода топливного насоса Чертеж Шестерня ведущая привода распределительного вала и шестерня ведомая привода топливного насоса
Камский автозавод 4310 862806 Кольцо Б 62 ГОСТ 13943-68 Насос водяной Чертеж Насос водяной
Камский автозавод 4310 862806 Кольцо Б 62 ГОСТ 13943-68 Гидромуфта привода вентилятора с передней крышкой Чертеж Гидромуфта привода вентилятора с передней крышкой
Камский автозавод 4310 862806 Кольцо Б 62 ГОСТ 13943-68 Насос гидроусилителя руля
Камский автозавод 4326 (2001) 862806 Кольцо Б 62 ГОСТ 13943-68 Привод распределительного вала и топливного насоса
Камский автозавод 4326 (2001) 862806 Кольцо Б 62 ГОСТ 13943-68 Насос водяной в сборе Чертеж Насос водяной в сборе
Камский автозавод 4326 (2001) 862806 Кольцо Б 62 ГОСТ 13943-68 Гидромуфта привода вентилятора Чертеж Гидромуфта привода вентилятора
Камский автозавод 4326 (2001) 862806 Кольцо Б 62 ГОСТ 13943-68 Колесо рулевое, вал карданный и колонка Чертеж Колесо рулевое, вал карданный и колонка
Камский автозавод 4326 (2001) 862806 Кольцо Б 62 ГОСТ 13943-68 Насос гидроусилителя руля левого вращения Чертеж Насос гидроусилителя руля левого вращения
Камский автозавод 5315 862806 Кольцо Б 62 ГОСТ 13943-68 Привод агрегатов
Камский автозавод 5320 862806 Кольцо Б 62 ГОСТ 13943-68 Шестерня ведущая привода распределительного вала, шестерня ведомая привода топливного насоса
Камский автозавод 5320 862806 Кольцо Б 62 ГОСТ 13943-68 Насос водяной Чертеж Насос водяной
Камский автозавод 5320 862806 Кольцо Б 62 ГОСТ 13943-68 Гидромуфта привода вентилятора с передней крышкой Чертеж Гидромуфта привода вентилятора с передней крышкой
Камский автозавод 5320 862806 Кольцо Б 62 ГОСТ 13943-68 Колесо рулевое. Крепление рулевого управления
Камский автозавод 5320 862806 Кольцо Б 62 ГОСТ 13943-68 Насос гидроусилителя руля
Камский автозавод 5320 862806 Кольцо Б 62 ГОСТ 13943-68 Коробка отбора мощности Чертеж Коробка отбора мощности
Камский автозавод 53212 862806 Кольцо Б 62 ГОСТ 13943-68 Шестерня ведущая привода распределительного вала, шестерня ведомая привода топливного насоса Чертеж Шестерня ведущая привода распределительного вала, шестерня ведомая привода топливного насоса
Товары из этой категории
Наконечник рулевой тяги 5320-3414057
Наконечник рулевой тяги
Каталожный номер 5320-3414057
Производитель СпецМаш СпецМаш
Код 11349
Доставка по всей Беларуси
Доступность остатки на филиалах Остатки на филиалах
Остаток: г.Минск, ул.Селицкого 21к В наличии
Склад Адрес Контакт Остатки
г. Минск ул. Селицкого, 21к +375 (44) 770-80-78 ( Средне )
Схема проезда
г. Бобруйск ул. Орловского, 22к3 +375 (29) 345-37-07 ( Мало )
Схема проезда
Элемент фильтрующий ГУР М5310С
Элемент фильтрующий ГУР
Каталожный номер М5310С
Производитель УП Фильтр УП Фильтр
Код 35782
Доставка по всей Беларуси
Доступность остатки на филиалах Остатки на филиалах
Остаток В наличии
Склад Адрес Контакт Остатки
г. Новогрудок ул. Индустриальная, 3 +375 (44) 729-39-19 ( Мало )
Схема проезда
Вкладыш рулевого пальца верхний 5320-3412066
Вкладыш рулевого пальца верхний
Каталожный номер 5320-3412066
Производитель РФ РФ
Код 11503
Доставка по всей Беларуси
Доступность остатки на филиалах Остатки на филиалах
Остаток В наличии
Склад Адрес Контакт Остатки
г. Витебск ул. Петруся Бровки, 34 +375 (29) 636-25-08 ( Средне )
Схема проезда
г. Гродно ул. Карского, 35 +375 (44) 770-70-21 ( Мало )
Схема проезда
г. Мозырь промузел Козенки +375 (44) 731-94-60 ( Мало )
Схема проезда
г. Полоцк-2 ул. Шенягина, 52 +375 (29) 302-94-73 ( Средне )
Схема проезда
Тяга сошки 53205-3414010
Тяга сошки
Каталожный номер 53205-3414010
Производитель СпецМаш СпецМаш
Код 19634
Доставка по всей Беларуси
Доступность остатки на филиалах Остатки на филиалах
Остаток: г.Минск, ул.Селицкого 21к В наличии
Склад Адрес Контакт Остатки
г. Минск ул. Селицкого, 21к +375 (44) 770-80-78 ( Средне )
Схема проезда
Вкладыш рулевого пальца нижний 5320-3414067
Вкладыш рулевого пальца нижний
Каталожный номер 5320-3414067
Производитель РФ РФ
Код 11992
Доставка по всей Беларуси
Доступность остатки на филиалах Остатки на филиалах
Остаток Под заказ
Тяга 5320-3414009 5320-3414009
Тяга 5320-3414009
Каталожный номер 5320-3414009
Производитель RSTA RSTA
Код 00-ГР032323
Доставка по всей Беларуси
Доступность остатки на филиалах Остатки на филиалах
Остаток Под заказ
Наконечник 6520-3414056 (AM-50-012) рулевой тяги правый 6520-3414056
Наконечник 6520-3414056 (AM-50-012) рулевой тяги правый
Каталожный номер 6520-3414056
Производитель Автомагнат Автомагнат
Код 00-ГР033748
Доставка по всей Беларуси
Доступность остатки на филиалах Остатки на филиалах
Остаток: г.Минск, ул.Селицкого 21к В наличии
Склад Адрес Контакт Остатки
г. Минск ул. Селицкого, 21к +375 (44) 770-80-78 ( Средне )
Схема проезда
г. Витебск ул. Правды, 33 +375 (44) 770-80-87 ( Мало )
Схема проезда
Труба 6520-3408054
Труба
Каталожный номер 6520-3408054
Производитель РФ РФ
Код 38530
Доставка по всей Беларуси
Доступность остатки на филиалах Остатки на филиалах
Остаток В наличии
Склад Адрес Контакт Остатки
г. Гродно ул. Карского, 35 +375 (44) 770-70-21 ( Мало )
Схема проезда