Республика Беларусь,
г. Минск, ул. Селицкого 21к - центральный склад
Пн-пт с 8:00 до 17:00
Меню
80-1701382 Кольцо
Наименование: Кольцо 80-1701382
Каталожный номер: 80-1701382
Производитель: RSTA
Код товара: 00-ГР001537
Доставка: по всей Беларуси
Остаток: под заказ

Нашли не точность в описании товара? сообщить администратору.

+375 (44) 770-80-78 +375 (29) 747-80-78
* Выставить счет, получить техническую информацию и стоимость
Заказать деталь Онлайн
Описание
Наличие на филиалах
Применяемость
Заменить на СТО

05.10.20

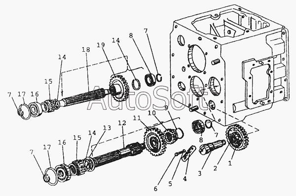
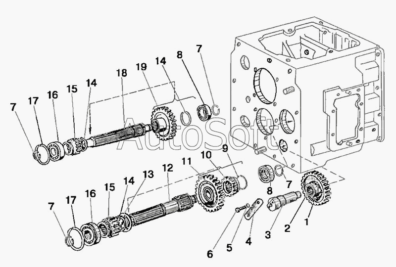
Кольцо 80-1701382 производства RSTA (РФ), Код для заказа: 00-ГР001537

Марка Модель Кат.номер Наим. по каталогу Чертеж
БелАЗ 7522, 7540, 75401, 7523, 75231 Общий 7548-1701382 Крышка Диапазонный вал Чертеж Диапазонный вал
БелАЗ 7540 7548-1701382 Крышка Диапазонный вал Чертеж Диапазонный вал
БелАЗ 75231 7548-1701382 Крышка Диапазонный вал Чертеж Диапазонный вал
БелАЗ 7548А (2000) 7548-1701382 Крышка Диапазонный вал Чертеж Диапазонный вал
БелАЗ 7547 7548-1701382 Крышка Крышка диапазонного вала Чертеж Крышка диапазонного вала
БелАЗ 7555A 7548-1701382 Крышка Крышка диапазонного вала Чертеж Крышка диапазонного вала
МТЗ МТЗ-80 (1998) 70-1701382 Вал I передачи и з.х. Вал 1 передачи и заднего хода
МТЗ МТЗ-100 80-1701382 Кольцо Коробка передач (вариант 1)
МТЗ МТЗ-900 70-1701382 Вал I передачи и з.х. Вал I и передачи заднего хода. Опоры промежуточного и внутреннего валов
МТЗ МТЗ-1523 80-1701382 Кольцо Вал отбора мощности (ВОМ) Чертеж Вал отбора мощности (ВОМ)
МТЗ МТЗ-1522 (2008) 80-1701382 Кольцо Вал отбора мощности (BOM)
МТЗ МТЗ-822 (2008) 70-1701382-А Ban Вал I передачи и заднего хода. Опоры промежуточного и внутреннего валов Чертеж Вал I передачи и заднего хода. Опоры промежуточного и внутреннего валов
МТЗ МТЗ-922 (2008) 70-1701382-А Ban Вал I передачи и заднего хода. Опоры промежуточного и внутреннего валов
МТЗ МТЗ-923 (2008) 70-1701382-А Ban Вал I передачи и заднего хода. Опоры промежуточного и внутреннего валов
МТЗ МТЗ-80 (2002) (2002) 70-1701382 Вал I передачи и з.х. 1701 Вал первой передачи заднего хода Чертеж 1701 Вал первой передачи заднего хода
МТЗ МТЗ-80 (2002) (2002) 50-1701382-А Вал 1-ой передачи и 3.х. 1701 Вал первой передачи заднего хода Чертеж 1701 Вал первой передачи заднего хода
МТЗ МТЗ-90/92 (2008) 70-1701382 Вал I передачи и з.х. Вал первой передачи и заднего хода Чертеж Вал первой передачи и заднего хода
МТЗ МЛ-131 (2008) 80-1701382 Кольцо Фрикцион включения заднего моста Чертеж Фрикцион включения заднего моста
МТЗ МТЗ-80 (2009) (2009) 70-1701382 Вал I передачи и з.х. Вал первой передачи и заднего хода Чертеж Вал первой передачи и заднего хода
МоАЗ 40481 (2003) 7548-1701382 Крышка Вал диапазонный Чертеж Вал диапазонный
Товары из этой категории
Шестерня 50-1701212А 1 пер. и з/х (Z=17) АГРОТЭК 50-1701212А
Шестерня 50-1701212А 1 пер. и з/х (Z=17) АГРОТЭК
Каталожный номер 50-1701212А
Производитель АГРОТЭК АГРОТЭК
Код 00-ГР022955
Доставка по всей Беларуси
Доступность остатки на филиалах Остатки на филиалах
Остаток: г.Минск, ул.Селицкого 21к В наличии
Склад Адрес Контакт Остатки
г. Минск ул. Селицкого, 21к +375 (44) 770-80-78 ( Средне )
Схема проезда
г. Глубокое ул. Энгельса, 22 +375 (44) 505-71-40 ( Мало )
Схема проезда
г. Ивацевичи ул. Загородная, 6А +375 (29) 188-59-01 ( Мало )
Схема проезда
г. Лепель ул. Лобанка, 43 +375 (44) 778-65-21 ( Мало )
Схема проезда
г. Молодечно ул. Галицкого, 14 +375 (44) 567-28-47 ( Мало )
Схема проезда
г. Новогрудок ул. Индустриальная, 3 +375 (44) 729-39-19 ( Мало )
Схема проезда
г. Поставы ул. Советская, 69 +375 (44) 770-80-13 ( Мало )
Схема проезда
Вал вторичный МТЗ 80/82 50-1701252
Вал вторичный МТЗ 80/82
Каталожный номер 50-1701252
Производитель КНР КНР
Код 11526
Доставка по всей Беларуси
Доступность остатки на филиалах Остатки на филиалах
Остаток: г.Минск, ул.Селицкого 21к В наличии
Склад Адрес Контакт Остатки
г. Минск ул. Селицкого, 21к +375 (44) 770-80-78 ( Средне )
Схема проезда
г. Лунинец ул.Красная, 175а +375 (44) 721-46-74 ( Мало )
Схема проезда
г. Несвиж ул. Кутузова, 2 +375 (29) 394-82-48 ( Мало )
Схема проезда
Вал промежуточный L-370мм 70-1701182
Вал промежуточный L-370мм
Каталожный номер 70-1701182
Производитель RSTA RSTA
Код 11557
Доставка по всей Беларуси
Доступность остатки на филиалах Остатки на филиалах
Остаток В наличии
Склад Адрес Контакт Остатки
г. Глубокое ул. Энгельса, 22 +375 (44) 505-71-40 ( Средне )
Схема проезда
Муфта 70-1721045 АГРОТЭК 70-1721045
Муфта 70-1721045 АГРОТЭК
Каталожный номер 70-1721045
Производитель АГРОТЭК АГРОТЭК
Код 00-ГР022965
Доставка по всей Беларуси
Доступность остатки на филиалах Остатки на филиалах
Остаток: г.Минск, ул.Селицкого 21к В наличии
Склад Адрес Контакт Остатки
г. Минск ул. Селицкого, 21к +375 (44) 770-80-78 ( Средне )
Схема проезда
г. Борисов ул. Демина, 2а +375 (44) 560-99-75 ( Мало )
Схема проезда
г. Глубокое ул. Энгельса, 22 +375 (44) 505-71-40 ( Мало )
Схема проезда
г. Дрогичин ул. Юбилейная, 42 +375 (29) 682-17-13 ( Мало )
Схема проезда
г. Лельчицы ул. Советская, д.96/1 +375 (29) 346-98-96 ( Мало )
Схема проезда
г. Новогрудок ул. Индустриальная, 3 +375 (44) 729-39-19 ( Мало )
Схема проезда
г. Столин ул. Быковского, 29 +375 (33) 304-54-36 ( Мало )
Схема проезда
Крышка 70-1702010 МТЗ 70-1702010
Крышка 70-1702010 МТЗ
Каталожный номер 70-1702010
Производитель МТЗ МТЗ
Код 00-ГР017662
Доставка по всей Беларуси
Доступность остатки на филиалах Остатки на филиалах
Остаток: г.Минск, ул.Селицкого 21к В наличии
Склад Адрес Контакт Остатки
г. Минск ул. Селицкого, 21к +375 (44) 770-80-78 ( Средне )
Схема проезда