Республика Беларусь,
г. Минск, ул. Селицкого 21к - центральный склад
Пн-пт с 8:00 до 17:00
Меню
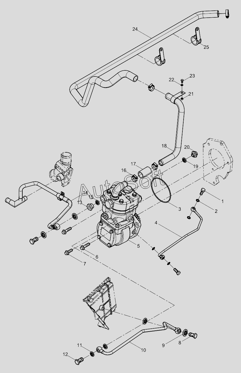
13 023 361 Кольцо резинометаллическое
Наименование: Кольцо 13 023 361 резинометаллическое
Каталожный номер: 13 023 361
Производитель: SHAANXI
Код товара: 00-ГР034084
Доставка: по всей Беларуси
Остаток: под заказ

Нашли не точность в описании товара? сообщить администратору.

+375 (44) 770-80-78 +375 (29) 747-80-78
* Выставить счет, получить техническую информацию и стоимость
Заказать деталь Онлайн
Описание
Наличие на филиалах
Применяемость
Заменить на СТО

Кольцо 13 023 361 резинометаллическое производства SHAANXI (SHAANXI), Код для заказа: 00-ГР034084

Марка Модель Кат.номер Наим. по каталогу Чертеж
Weichai WP6G140E22 (2013) 13023361 Составная уплотняющая шайба Cylinder block subassembly
Weichai WP6G140E22 (2013) 13023361 Составная уплотняющая шайба Supercharger lube tube assembly
Weichai WP6G125E22 (2013) 13023361 Составная уплотняющая шайба Cylinder block subassembly
Weichai WP6G125E22 (2013) 13023361 Составная уплотняющая шайба Supercharger lubricator assembly Чертеж Supercharger lubricator assembly
Weichai WP6G125E22 (2013) 13023361 Составная уплотняющая шайба Air compressor assembly
Weichai WP10336E40 (Евро 4) (2013) 13023361 Составная уплотняющая шайба Low Pressure Oil pipe Group Чертеж Low Pressure Oil pipe Group
Weichai WP10336E40 (Евро 4) (2013) 13023361 Составная уплотняющая шайба Air Compressor Group Чертеж Air Compressor Group
Weichai WD10G178E25 (Евро 2) (2013) 13023361 Составная уплотняющая шайба Water Outlet Pipe Group Чертеж Water Outlet Pipe Group
Weichai WD10G220E23 (Евро 2) (2013) 13023361 Составная уплотняющая шайба Air compressor
Weichai WP10336N (Евро 3) (2013) 13023361 Составная уплотняющая шайба Low Pressure Oil pipe Group Чертеж Low Pressure Oil pipe Group
Weichai WP10336N (Евро 3) (2013) 13023361 Составная уплотняющая шайба Air Compressor Group Чертеж Air Compressor Group
Weichai WP10340E32 (Евро 2) (2013) 13023361 Составная уплотняющая шайба Air Compressor Group Чертеж Air Compressor Group
Weichai WP12 375E40 (Евро 4) (2013) 13023361 Составная уплотняющая шайба Low Pressure Oil pipe Group Чертеж Low Pressure Oil pipe Group
Weichai WP12 375E40 (Евро 4) (2013) 13023361 Составная уплотняющая шайба Electronic Control System Harness and Sensor Group Чертеж Electronic Control System Harness and Sensor Group
Weichai WP12 375E40 (Евро 4) (2013) 13023361 Составная уплотняющая шайба Parts Kit Assembly Чертеж Parts Kit Assembly
Weichai 226B (2010) 13023361 Составная уплотняющая шайба Сrankcase assembly
Weichai 226B (2010) 13023361 Составная уплотняющая шайба Oil pipe assembly of turbocharger Чертеж Oil pipe assembly of turbocharger
Weichai 6M11 DHM11D0002 (2010) 13023361 Составная уплотняющая шайба Turbocharger Oil Pipe Group Чертеж Turbocharger Oil Pipe Group
Weichai 6M11 DHM11D0003 (2010) 13023361 Составная уплотняющая шайба Turbocharger Oil Pipe Group Чертеж Turbocharger Oil Pipe Group
Weichai 226B 13023361 Составная уплотняющая шайба Труба смазочного масла в сборе
Товары из этой категории
Стартер СТ-230А1.3708000-10 АТЭ-1 Ст230А1.3708000-10
Стартер СТ-230А1.3708000-10 АТЭ-1
Каталожный номер Ст230А1.3708000-10
Производитель ПРАМО ПРАМО
Код 00-ГР018175
Доставка по всей Беларуси
Доступность остатки на филиалах Остатки на филиалах
Остаток: г.Минск, ул.Селицкого 21к В наличии
Склад Адрес Контакт Остатки
г. Минск ул. Селицкого, 21к +375 (44) 770-80-78 ( Средне )
Схема проезда
г. Бобруйск ул. Орловского, 22к3 +375 (29) 345-37-07 ( Мало )
Схема проезда
г. Борисов ул. Демина, 2а +375 (44) 560-99-75 ( Мало )
Схема проезда
г. Глубокое ул. Энгельса, 22 +375 (44) 505-71-40 ( Мало )
Схема проезда
г. Дятлово ул. Советская ,104 +375 (29) 187-87-37 ( Мало )
Схема проезда
г. Ивацевичи ул. Загородная, 6А +375 (29) 188-59-01 ( Мало )
Схема проезда
г. Лельчицы ул. Советская, д.96/1 +375 (29) 346-98-96 ( Мало )
Схема проезда
г. Лунинец ул.Красная, 175а +375 (44) 721-46-74 ( Мало )
Схема проезда
г. Орша ул. Сергея Кирова, д. 34 +375 (44) 583-91-42 ( Мало )
Схема проезда
г. Ошмяны ул. Льнозоводская 3 +375 (44) 770-80-91 ( Мало )
Схема проезда
г. Полоцк-2 ул. Шенягина, 52 +375 (29) 302-94-73 ( Мало )
Схема проезда
г. Полоцк-2 ул. Шенягина, 52 +375 (29) 302-94-73 ( Мало )
Схема проезда
г. Сморгонь ул. Железнодорожная, 32 +375 (29) 671-02-10 ( Мало )
Схема проезда
г. Щучин ул. Советская, 39 +375 (29) 177-29-70 ( Мало )
Схема проезда
Фонарь ПФ-116 габаритов передний ПАЗ,ЛАЗ ПФ-116
Фонарь ПФ-116 габаритов передний ПАЗ,ЛАЗ
Каталожный номер ПФ-116
Производитель RSTA RSTA
Код 15849
Доставка по всей Беларуси
Доступность остатки на филиалах Остатки на филиалах
Остаток: г.Минск, ул.Селицкого 21к В наличии
Склад Адрес Контакт Остатки
г. Минск ул. Селицкого, 21к +375 (44) 770-80-78 ( Мало )
Схема проезда
г. Слоним ул. Советская, 93а +375 (29) 394-82-01 ( Мало )
Схема проезда
К-т проводов ВВ силикон (406двигатель) PR 4062-3707300
К-т проводов ВВ силикон (406двигатель)
Каталожный номер PR 4062-3707300
Производитель PRAVT PRAVT
Код 12259
Доставка по всей Беларуси
Доступность остатки на филиалах Остатки на филиалах
Остаток: г.Минск, ул.Селицкого 21к В наличии
Склад Адрес Контакт Остатки
г. Минск ул. Бабушкина, 37 +375 (29) 632-00-82 ( Мало )
Схема проезда
г. Минск ул. Селицкого, 21к +375 (44) 770-80-78 ( Средне )
Схема проезда
г. Бобруйск ул. Орловского, 22к3 +375 (29) 345-37-07 ( Мало )
Схема проезда
г. Витебск ул. Правды, 33 +375 (44) 770-80-87 ( Мало )
Схема проезда
г. Горки ул.Мира, д.51а/1 +375 (44) 565-33-61 ( Мало )
Схема проезда
г. Гродно ул. Карского, 35 +375 (44) 770-70-21 ( Мало )
Схема проезда
г. Дрогичин ул. Юбилейная, 42 +375 (29) 682-17-13 ( Мало )
Схема проезда
г. Дятлово ул. Советская ,104 +375 (29) 187-87-37 ( Мало )
Схема проезда
г. Кобрин ул. Пролетарская, 177А +375 (44) 588-10-80 ( Мало )
Схема проезда
г. Кричев ул. Комсомольская, 126 +375 (29) 628-88-42 ( Мало )
Схема проезда
г. Осиповичи ул. Короткая, 11 +375 (29) 165-60-07 ( Мало )
Схема проезда
г. Ошмяны ул. Льнозоводская 3 +375 (44) 770-80-91 ( Мало )
Схема проезда
г. Полоцк-2 ул. Шенягина, 52 +375 (29) 302-94-73 ( Мало )
Схема проезда
г. Полоцк-2 ул. Шенягина, 52 +375 (29) 302-94-73 ( Мало )
Схема проезда
г. Слоним ул. Советская, 93а +375 (29) 394-82-01 ( Мало )
Схема проезда
г. Сморгонь ул. Железнодорожная, 32 +375 (29) 671-02-10 ( Мало )
Схема проезда
г. Солигорск Чижевичский сельсовет, 3Г +375 (29) 899-58-52 ( Мало )
Схема проезда
Свеча А-14 ВР APS на 402 двигатель А-14 ВР
Свеча А-14 ВР APS на 402 двигатель
Каталожный номер А-14 ВР
Производитель RSTA RSTA
Код 19041
Доставка по всей Беларуси
Доступность остатки на филиалах Остатки на филиалах
Остаток: г.Минск, ул.Селицкого 21к В наличии
Склад Адрес Контакт Остатки
г. Минск ул. Селицкого, 21к +375 (44) 770-80-78 ( Мало )
Схема проезда
Лампа АКГ 12-55 Н1
Лампа
Каталожный номер АКГ 12-55 Н1
Производитель RCZP LTD RCZP LTD
Код 18226
Доставка по всей Беларуси
Доступность остатки на филиалах Остатки на филиалах
Остаток: г.Минск, ул.Селицкого 21к В наличии
Склад Адрес Контакт Остатки
г. Минск ул. Селицкого, 21к +375 (44) 770-80-78 ( Много )
Схема проезда
г. Барановичи ул. Пролетарская, 40 +375 (29) 795-96-37 ( Средне )
Схема проезда
г. Барановичи ул. Бадака, 27Б +375 (29) 350-33-47 ( Средне )
Схема проезда
г. Берёза ул. Красноармейская, 89/11 +375 (29) 676-70-71 ( Средне )
Схема проезда
г. Бобруйск ул. Гоголя, 181/1-6 +375 (29) 630-05-01 ( Много )
Схема проезда
г. Бобруйск ул. Орловского, 22к3 +375 (29) 345-37-07 ( Много )
Схема проезда
г. Борисов ул. Демина, 2а +375 (44) 560-99-75 ( Много )
Схема проезда
г. Витебск ул. Правды, 33 +375 (44) 770-80-87 ( Много )
Схема проезда
г. Витебск ул. Петруся Бровки, 34 +375 (29) 636-25-08 ( Средне )
Схема проезда
г. Глубокое ул. Энгельса, 22 +375 (44) 505-71-40 ( Много )
Схема проезда
г. Гомель ул. Барыкина, 291Б +375 (44) 514-15-30 ( Много )
Схема проезда
г. Гомель ул. Барыкина, 291Б +375 (44) 514-15-30 ( Много )
Схема проезда
г. Горки ул.Мира, д.51а/1 +375 (44) 565-33-61 ( Много )
Схема проезда
г. Гродно ул. Карского, 35 +375 (44) 770-70-21 ( Много )
Схема проезда
г. Дрогичин ул. Юбилейная, 42 +375 (29) 682-17-13 ( Много )
Схема проезда
г. Дятлово ул. Советская ,104 +375 (29) 187-87-37 ( Много )
Схема проезда
г. Житковичи ул. Комсомольская, 49 +375 (29) 394-82-52 ( Много )
Схема проезда
г. Жлобин ул. Козлова, 25 +375 (29) 346-06-78 ( Много )
Схема проезда
г. Ивацевичи ул. Загородная, 6А +375 (29) 188-59-01 ( Много )
Схема проезда
г. Кобрин ул. Пролетарская, 177А +375 (44) 588-10-80 ( Много )
Схема проезда
г. Кричев ул. Комсомольская, 126 +375 (29) 628-88-42 ( Много )
Схема проезда
г. Лельчицы ул. Советская, д.96/1 +375 (29) 346-98-96 ( Много )
Схема проезда
г. Лепель ул. Лобанка, 43 +375 (44) 778-65-21 ( Много )
Схема проезда
г. Лунинец ул.Красная, 175а +375 (44) 721-46-74 ( Много )
Схема проезда
г. Могилев ул. Габровская 11Б +375 (29) 662-02-16 ( Много )
Схема проезда
г. Мозырь промузел Козенки +375 (44) 731-94-60 ( Средне )
Схема проезда
г. Молодечно ул. Галицкого, 14 +375 (44) 567-28-47 ( Много )
Схема проезда
г. Несвиж ул. Кутузова, 2 +375 (29) 394-82-48 ( Много )
Схема проезда
г. Новогрудок ул. Индустриальная, 3 +375 (44) 729-39-19 ( Много )
Схема проезда
г. Орша ул. Сергея Кирова, д. 34 +375 (44) 583-91-42 ( Много )
Схема проезда
г. Осиповичи ул. Короткая, 11 +375 (29) 165-60-07 ( Много )
Схема проезда
г. Ошмяны ул. Льнозоводская 3 +375 (44) 770-80-91 ( Много )
Схема проезда
г. Петриков ул. Первомайская, 124 +375 (33) 660-06-75 ( Много )
Схема проезда
г. Полоцк-2 ул. Шенягина, 52 +375 (29) 302-94-73 ( Много )
Схема проезда
г. Полоцк-2 ул. Шенягина, 52 +375 (29) 302-94-73 ( Много )
Схема проезда
г. Поставы ул. Советская, 69 +375 (44) 770-80-13 ( Много )
Схема проезда
г. Пружаны ул. Макаренко, 21 +375 (29) 348-83-18 ( Много )
Схема проезда
г. Слоним ул. Советская, 93а +375 (29) 394-82-01 ( Много )
Схема проезда
г. Слуцк ул. Тутаринова, 8 +375 (29) 346-06-90 ( Много )
Схема проезда
г. Сморгонь ул. Железнодорожная, 32 +375 (29) 671-02-10 ( Много )
Схема проезда
г. Столин ул. Быковского, 29 +375 (33) 304-54-36 ( Средне )
Схема проезда
г. Щучин ул. Советская, 39 +375 (29) 177-29-70 ( Много )
Схема проезда