Республика Беларусь,
г. Минск, ул. Селицкого 21к - центральный склад
Пн-пт с 8:00 до 17:00
Меню
050-055-30-2-2 Кольцо БСИ
Наименование: Кольцо 050-055-30-2-2 БСИ
Каталожный номер: 050-055-30-2-2
Производитель: БСИ
Код товара: 00-ГР011494
Доставка: по всей Беларуси
Остаток: в наличии

Нашли не точность в описании товара? сообщить администратору.

+375 (44) 770-80-78 +375 (29) 747-80-78
* Выставить счет, получить техническую информацию и стоимость
Заказать деталь Онлайн
Описание
Наличие на филиалах
Применяемость
Заменить на СТО

Кольцо 050-055-30-2-2. Код товара для заказа: 00-ГР011494

Марка Модель Кат.номер Наим. по каталогу Чертеж
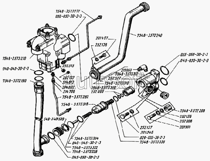
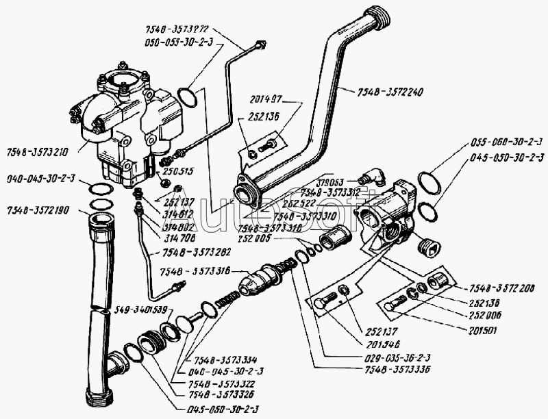
МАЗ МАЗ-5434 050-055-30-2-3 Кольцо Коробка раздаточная. Вал первичный Чертеж Коробка раздаточная. Вал первичный
МАЗ МАЗ-64255 050-055-30-2-3 Кольцо Коробка раздаточная. Вал первичный Чертеж Коробка раздаточная. Вал первичный
БелАЗ 7522, 7540, 75401, 7523, 75231 Общий 050-055-30-2-3 Кольцо Ведомый вал трехступенчатой гидромеханической передачи Чертеж Ведомый вал трехступенчатой гидромеханической передачи
БелАЗ 7522, 7540, 75401, 7523, 75231 Общий 050-055-30-2-3 Кольцо Ведомый вал пятиступенчатой гидромеханической передачи Чертеж Ведомый вал пятиступенчатой гидромеханической передачи
БелАЗ 7522, 7540, 75401, 7523, 75231 Общий 050-055-30-2-3 Кольцо Насос гидромеханической передачи задний Чертеж Насос гидромеханической передачи задний
БелАЗ 7522, 7540, 75401, 7523, 75231 Общий 050-055-30-2-3 Кольцо Картер гидротрансформатора Чертеж Картер гидротрансформатора
БелАЗ 7522, 7540, 75401, 7523, 75231 Общий 050-055-30-2-3 Кольцо Корпус пилотов Чертеж Корпус пилотов
БелАЗ 7522, 7540, 75401, 7523, 75231 Общий 050-055-30-2-3 Кольцо Механизм управления Чертеж Механизм управления
БелАЗ 7522, 7540, 75401, 7523, 75231 Общий 050-055-30-2-3 Кольцо Подпорный клапан и трубопроводы гидравлического тормоза Чертеж Подпорный клапан и трубопроводы гидравлического тормоза
БелАЗ 7522, 7540, 75401, 7523, 75231 Общий 050-055-30-2-3 Кольцо Механизм привода управления гидравлическим тормозом Чертеж Механизм привода управления гидравлическим тормозом
БелАЗ 7522 050-055-30-2-3 Кольцо Ведомый вал трехступенчатой гидромеханической передачи Чертеж Ведомый вал трехступенчатой гидромеханической передачи
БелАЗ 7522 050-055-30-2-3 Кольцо Корпус пилотов Чертеж Корпус пилотов
БелАЗ 7540 050-055-30-2-3 Кольцо Ведомый вал пятиступенчатой гидромеханической передачи Чертеж Ведомый вал пятиступенчатой гидромеханической передачи
БелАЗ 7540 050-055-30-2-3 Кольцо Насос гидромеханической передачи задний Чертеж Насос гидромеханической передачи задний
БелАЗ 7540 050-055-30-2-3 Кольцо Картер гидротрансформатора Чертеж Картер гидротрансформатора
БелАЗ 7540 050-055-30-2-3 Кольцо Механизм управления Чертеж Механизм управления
БелАЗ 7540 050-055-30-2-3 Кольцо Подпорный клапан и трубопроводы гидравлического тормоза Чертеж Подпорный клапан и трубопроводы гидравлического тормоза
БелАЗ 7540 050-055-30-2-3 Кольцо Механизм привода управления гидравлическим тормозом Чертеж Механизм привода управления гидравлическим тормозом
БелАЗ 75401 050-055-30-2-3 Кольцо Ведомый вал трехступенчатой гидромеханической передачи Чертеж Ведомый вал трехступенчатой гидромеханической передачи
БелАЗ 75401 050-055-30-2-3 Кольцо Корпус пилотов Чертеж Корпус пилотов
Склад Адрес Контакт Остатки
г. Минск ул. Селицкого, 21к +375 (44) 770-80-78 ( Много )
Схема проезда
г. Бобруйск ул. Орловского, 22к3 +375 (29) 345-37-07 ( Много )
Схема проезда
г. Дрогичин ул. Юбилейная, 42 +375 (29) 682-17-13 ( Много )
Схема проезда
г. Осиповичи ул. Короткая, 11 +375 (29) 165-60-07 ( Средне )
Схема проезда
г. Ошмяны ул. Льнозоводская 3 +375 (44) 770-80-91 ( Средне )
Схема проезда
г. Сморгонь ул. Железнодорожная, 32 +375 (29) 671-02-10 ( Средне )
Схема проезда
г. Барановичи ул. Бадака, 27Б +375 (29) 350-33-47 Под заказ
Схема проезда
г. Барановичи ул. Пролетарская, 40 +375 (29) 795-96-37 Под заказ
Схема проезда
г. Берёза ул. Красноармейская, 89/11 +375 (29) 676-70-71 Под заказ
Схема проезда
г. Березино ул. Комсомольская, д. 24 +375 (44) 770-80-17 Под заказ
Схема проезда
г. Бобруйск ул. Гоголя, 181/1-6 +375 (29) 630-05-01 Под заказ
Схема проезда
г. Борисов ул. Демина, 2а +375 (44) 560-99-75 Под заказ
Схема проезда
г. Брест Тельминский с/с, 1Д/1, 1 км южнее д. Тельмы-2 +375 (44) 599-90-75 Под заказ
Схема проезда
г. Витебск ул. Правды, 33 +375 (44) 770-80-87 Под заказ
Схема проезда
г. Витебск ул. Петруся Бровки, 34 +375 (29) 636-25-08 Под заказ
Схема проезда
г. Глубокое ул. Энгельса, 22 +375 (44) 505-71-40 Под заказ
Схема проезда
г. Гомель ул. Барыкина, 291Б +375 (44) 514-15-30 Под заказ
Схема проезда
г. Гомель ул. Текстильная, 10 +375 (44) 540-02-05 Под заказ
Схема проезда
г. Горки ул.Мира, д.51а/1 +375 (44) 565-33-61 Под заказ
Схема проезда
г. Гродно ул. Карского, 35 +375 (44) 770-70-21 Под заказ
Схема проезда
г. Дятлово ул. Советская ,104 +375 (29) 187-87-37 Под заказ
Схема проезда
г. Житковичи ул. Комсомольская, 49 +375 (29) 394-82-52 Под заказ
Схема проезда
г. Жлобин ул. Козлова, 25 +375 (29) 346-06-78 Под заказ
Схема проезда
г. Ивацевичи ул. Загородная, 6А +375 (29) 188-59-01 Под заказ
Схема проезда
г. Кобрин ул. Пролетарская, 177А +375 (44) 588-10-80 Под заказ
Схема проезда
г. Кричев ул. Комсомольская, 126 +375 (29) 628-88-42 Под заказ
Схема проезда
г. Лельчицы ул. Советская, д.96/1 +375 (29) 346-98-96 Под заказ
Схема проезда
г. Лепель ул. Лобанка, 43 +375 (44) 778-65-21 Под заказ
Схема проезда
г. Лида ул. Качана, 7 +375 (29) 612-60-61 Под заказ
Схема проезда
г. Лунинец ул.Красная, 175а +375 (44) 721-46-74 Под заказ
Схема проезда
г. Минск ул. Бабушкина, 37 +375 (29) 632-00-82 Под заказ
Схема проезда
г. Могилев ул. Габровская 11Б +375 (29) 662-02-16 Под заказ
Схема проезда
г. Мозырь промузел Козенки +375 (44) 731-94-60 Под заказ
Схема проезда
г. Молодечно ул. Галицкого, 14 +375 (44) 567-28-47 Под заказ
Схема проезда
г. Несвиж ул. Кутузова, 2 +375 (29) 394-82-48 Под заказ
Схема проезда
г. Новогрудок ул. Индустриальная, 3 +375 (44) 729-39-19 Под заказ
Схема проезда
г. Орша ул. Сергея Кирова, д. 34 +375 (44) 583-91-42 Под заказ
Схема проезда
г. Петриков ул. Первомайская, 124 +375 (33) 660-06-75 Под заказ
Схема проезда
г. Пинск ул. Калиновского 32 +375 (44) 560-99-59 Под заказ
Схема проезда
г. Полоцк ул. Пролетарская, 6 +375 (29) 644-57-58 Под заказ
Схема проезда
г. Полоцк ул. Строительная, 30Б +375 (29) 302-97-91 Под заказ
Схема проезда
г. Полоцк-2 ул. Шенягина, 52 +375 (29) 302-94-73 Под заказ
Схема проезда
г. Поставы ул. Советская, 69 +375 (44) 770-80-13 Под заказ
Схема проезда
г. Пружаны ул. Макаренко, 21 +375 (29) 348-83-18 Под заказ
Схема проезда
г. Слоним ул. Советская, 93а +375 (29) 394-82-01 Под заказ
Схема проезда
г. Слуцк ул. Тутаринова, 8 +375 (29) 346-06-90 Под заказ
Схема проезда
г. Солигорск Чижевичский сельсовет, 3Г +375 (29) 899-58-52 Под заказ
Схема проезда
г. Столин ул. Быковского, 29 +375 (33) 304-54-36 Под заказ
Схема проезда
г. Щучин ул. Советская, 39 +375 (29) 177-29-70 Под заказ
Схема проезда
Аналоги
Кольцо  МАЗ ОАО, УВК 050-055-30-2-2
Кольцо МАЗ ОАО, УВК
Каталожный номер 050-055-30-2-2
Производитель
Код 500553022
Доставка по всей Беларуси
Остаток Под заказ
Товары из этой категории
Кольцо 032-035-19-2-2 032-035-19-2-2
Кольцо 032-035-19-2-2
Каталожный номер 032-035-19-2-2
Производитель RSTA RSTA
Код 00-ГР031353
Доставка по всей Беларуси
Доступность остатки на филиалах Остатки на филиалах
Остаток В наличии
Склад Адрес Контакт Остатки
г. Дрогичин ул. Юбилейная, 42 +375 (29) 682-17-13 ( Средне )
Схема проезда
г. Осиповичи ул. Короткая, 11 +375 (29) 165-60-07 ( Много )
Схема проезда
г. Ошмяны ул. Льнозоводская 3 +375 (44) 770-80-91 ( Много )
Схема проезда
г. Пинск ул. Калиновского 32 +375 (44) 560-99-59 ( Много )
Схема проезда
Кольцо 013-017-25-2-2 Беларусьрезинотехника 013-017-25-2-2
Кольцо 013-017-25-2-2 Беларусьрезинотехника
Каталожный номер 013-017-25-2-2
Производитель БРТ БРТ
Код 00-ГР031878
Доставка по всей Беларуси
Доступность остатки на филиалах Остатки на филиалах
Остаток: г.Минск, ул.Селицкого 21к В наличии
Склад Адрес Контакт Остатки
г. Минск ул. Селицкого, 21к +375 (44) 770-80-78 ( Много )
Схема проезда
г. Борисов ул. Демина, 2а +375 (44) 560-99-75 ( Много )
Схема проезда
г. Дрогичин ул. Юбилейная, 42 +375 (29) 682-17-13 ( Средне )
Схема проезда
г. Ошмяны ул. Льнозоводская 3 +375 (44) 770-80-91 ( Много )
Схема проезда
г. Полоцк-2 ул. Шенягина, 52 +375 (29) 302-94-73 ( Много )
Схема проезда
Ремень 6 РК 1400 генератора (WP-10,WP-12,WP-13) 6 РК 1400
Ремень 6 РК 1400 генератора (WP-10,WP-12,WP-13)
Каталожный номер 6 РК 1400
Производитель RCZP LTD RCZP LTD
Код 00-ГР034600
Доставка по всей Беларуси
Доступность остатки на филиалах Остатки на филиалах
Остаток: г.Минск, ул.Селицкого 21к В наличии
Склад Адрес Контакт Остатки
г. Минск ул. Селицкого, 21к +375 (44) 770-80-78 ( Мало )
Схема проезда
Кольцо уплотнительное 050-054-25-2-3
Кольцо уплотнительное
Каталожный номер 050-054-25-2-3
Производитель Беларусьрезинотехника Беларусьрезинотехника
Код 7898
Доставка по всей Беларуси
Доступность остатки на филиалах Остатки на филиалах
Остаток: г.Минск, ул.Селицкого 21к В наличии
Склад Адрес Контакт Остатки
г. Минск ул. Селицкого, 21к +375 (44) 770-80-78 ( Мало )
Схема проезда
г. Бобруйск ул. Орловского, 22к3 +375 (29) 345-37-07 ( Мало )
Схема проезда
г. Брест Тельминский с/с, 1Д/1, 1 км южнее д. Тельмы-2 +375 (44) 599-90-75 ( Средне )
Схема проезда
г. Глубокое ул. Энгельса, 22 +375 (44) 505-71-40 ( Много )
Схема проезда
г. Новогрудок ул. Индустриальная, 3 +375 (44) 729-39-19 ( Средне )
Схема проезда
г. Осиповичи ул. Короткая, 11 +375 (29) 165-60-07 ( Мало )
Схема проезда
г. Полоцк-2 ул. Шенягина, 52 +375 (29) 302-94-73 ( Средне )
Схема проезда
г. Сморгонь ул. Железнодорожная, 32 +375 (29) 671-02-10 ( Средне )
Схема проезда
Кольцо 062-066-25-2-2 Беларусьрезинотехника 062-066-25-2-2
Кольцо 062-066-25-2-2 Беларусьрезинотехника
Каталожный номер 062-066-25-2-2
Производитель Беларусьрезинотехника Беларусьрезинотехника
Код 00-ГР025890
Доставка по всей Беларуси
Доступность остатки на филиалах Остатки на филиалах
Остаток: г.Минск, ул.Селицкого 21к В наличии
Склад Адрес Контакт Остатки
г. Минск ул. Селицкого, 21к +375 (44) 770-80-78 ( Много )
Схема проезда
г. Бобруйск ул. Орловского, 22к3 +375 (29) 345-37-07 ( Много )
Схема проезда
г. Дрогичин ул. Юбилейная, 42 +375 (29) 682-17-13 ( Средне )
Схема проезда
г. Осиповичи ул. Короткая, 11 +375 (29) 165-60-07 ( Средне )
Схема проезда