Республика Беларусь,
г. Минск, ул. Селицкого 21к - центральный склад
Пн-пт с 8:00 до 17:00
Меню
5336-1602738-10 Клапан БААЗ,Барановичи
Наименование: Клапан БААЗ,Барановичи
Каталожный номер: 5336-1602738-10
Код товара: 5336160273810
Доставка: по всей Беларуси
Остаток: под заказ 1-45 дней

Нашли не точность в описании товара? сообщить администратору.

+375 (44) 770-80-78 +375 (29) 747-80-78
* Выставить счет, получить техническую информацию и стоимость
Заказать деталь Онлайн
Описание
Наличие на филиалах
Применяемость
Заменить на СТО

5336-1602738-10 Клапан.

  • Производитель: БААЗ,Барановичи
  • Каталожный номер по заводу: 5336-1602738-10
  • Код для заказа:  5336160273810
Марка Модель Кат.номер Наим. по каталогу Чертеж
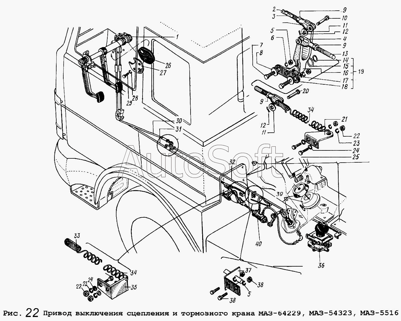
МАЗ МАЗ-53363 5336-1602738-10 Клапан в сборе Привод включения сцепления и тормозного крана Чертеж Привод включения сцепления и тормозного крана
МАЗ МАЗ-53363 5336-1602738-10 Клапан в сборе Механизм выключения сцепления
МАЗ МАЗ-53363 5336-1602738-10 Клапан в сборе Клапан усилителя выключения сцепления
МАЗ МАЗ-53366 5336-1602738-10 Клапан в сборе Привод включения сцепления и тормозного крана Чертеж Привод включения сцепления и тормозного крана
МАЗ МАЗ-53366 5336-1602738-10 Клапан в сборе Механизм выключения сцепления Чертеж Механизм выключения сцепления
МАЗ МАЗ-53366 5336-1602738-10 Клапан в сборе Клапан усилителя выключения сцепления Чертеж Клапан усилителя выключения сцепления
МАЗ МАЗ-5337 5336-1602738-10 Клапан в сборе Усилитель выключения сцепления
МАЗ МАЗ-5337 5336-1602738-10 Клапан в сборе Клапан усилителя выключения сцепления
МАЗ МАЗ-53371 5336-1602738-10 Клапан в сборе Усилитель выключения сцепления Чертеж Усилитель выключения сцепления
МАЗ МАЗ-53371 5336-1602738-10 Клапан в сборе Клапан усилителя выключения сцепления Чертеж Клапан усилителя выключения сцепления
МАЗ МАЗ-54323 5336-1602738-10 Клапан в сборе Привод выключения сцепления и тормозного крана МАЗ-64229, МАЗ-54323, МАЗ-5516
МАЗ МАЗ-54323 5336-1602738-10 Клапан в сборе Усилитель выключения сцепления Чертеж Усилитель выключения сцепления
МАЗ МАЗ-54323 5336-1602738-10 Клапан в сборе Клапан усилителя выключения сцепления
МАЗ МАЗ-54323 5336-1602738-10 Клапан в сборе Привод выключения сцепления и тормозного крана МАЗ-64229, МАЗ-54323, МАЗ-5516
МАЗ МАЗ-54328 5336-1602738-10 Клапан в сборе Установка радиатора и расширительного бачка
МАЗ МАЗ-5434 5336-1602738-10 Клапан в сборе Механизм выключения сцепления Чертеж Механизм выключения сцепления
МАЗ МАЗ-5434 5336-1602738-10 Клапан в сборе Клапан усилителя выключения сцепления Чертеж Клапан усилителя выключения сцепления
МАЗ МАЗ-5516 5336-1602738-10 Клапан в сборе Усилитель выключения сцепления Чертеж Усилитель выключения сцепления
МАЗ МАЗ-5516 5336-1602738-10 Клапан в сборе Привод выключения сцепления и тормозного крана МАЗ-64229, МАЗ-54323, МАЗ-5516 Чертеж Привод выключения сцепления и тормозного крана МАЗ-64229, МАЗ-54323, МАЗ-5516
МАЗ МАЗ-5516 5336-1602738-10 Клапан в сборе Клапан усилителя выключения сцепления Чертеж Клапан усилителя выключения сцепления
Аналоги
Клапан пневматический сцепления (L=170) 5336-1602738-10
Клапан пневматический сцепления (L=170)
Каталожный номер 5336-1602738-10
Производитель RCZP LTD RCZP LTD
Код 62
Доставка по всей Беларуси
Доступность остатки на филиалах Остатки на филиалах
Остаток Под заказ
Клапан пневматический сцепления L=170мм, РФ 5336-1602738-10
Клапан пневматический сцепления L=170мм, РФ
Каталожный номер 5336-1602738-10
Производитель RCZP LTD RCZP LTD
Код 7927
Доставка по всей Беларуси
Доступность остатки на филиалах Остатки на филиалах
Остаток Под заказ
Товары из этой категории
Держатель  МАЗ ОАО 6312-8403026
Держатель МАЗ ОАО
Каталожный номер 6312-8403026
Производитель
Код 63128403026
Доставка по всей Беларуси
Остаток Под заказ
Шайба регулировочная  МАЗ ОАО 6422-2502079-010
Шайба регулировочная МАЗ ОАО
Каталожный номер 6422-2502079-010
Производитель
Код 64222502079010
Доставка по всей Беларуси
Остаток Под заказ
Фонарь задний противотуманный  МАЗ ОАО, УВК РАУС 5.3716010
Фонарь задний противотуманный МАЗ ОАО, УВК
Каталожный номер РАУС 5.3716010
Производитель
Код РАУС53716010
Доставка по всей Беларуси
Остаток Под заказ
Рычаг трапеции  МАЗ ОАО 4370-3001031
Рычаг трапеции МАЗ ОАО
Каталожный номер 4370-3001031
Производитель
Код 43703001031
Доставка по всей Беларуси
Остаток Под заказ
Лист 3  МАЗ ОАО 509-2912103-20
Лист 3 МАЗ ОАО
Каталожный номер 509-2912103-20
Производитель
Код 509291210320
Доставка по всей Беларуси
Остаток Под заказ