Республика Беларусь,
г. Минск, ул. Селицкого 21к - центральный склад
Пн-пт с 8:00 до 17:00
Меню
740.51-1104020 Клапан топливный
Наименование: Клапан 740.51-1104020 топливный
Каталожный номер: 740.51-1104020
Производитель: РФ
Код товара: 00-ГР010829
Доставка: по всей Беларуси
Остаток: под заказ
Цена:

Нашли не точность в описании товара? сообщить администратору.

+375 (44) 770-80-78 +375 (29) 747-80-78
* Выставить счет, получить техническую информацию и стоимость
Заказать деталь Онлайн
Описание
Наличие на филиалах
Применяемость

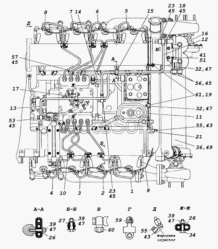
Клапан 740.51-1104020 топливный производства РФ (РФ), Код для заказа: 00-ГР010829

Марка Модель Кат.номер Наим. по каталогу Чертеж
Камский автозавод 6460 740.21-1104020 Клапан в сборе Установка топливопроводов Чертеж Установка топливопроводов
Камский автозавод 6460 740.21-1104020 Клапан в сборе Клапан в сборе Чертеж Клапан в сборе
Камский автозавод 5297 (2004) 740.21-1104020 Клапан в сборе Установка топливопроводов Чертеж Установка топливопроводов
Камский автозавод 5360 740.21-1104020 Клапан в сборе Установка топливопроводов Чертеж Установка топливопроводов
Камский автозавод 5360 740.21-1104020 Клапан в сборе Клапан в сборе Чертеж Клапан в сборе
Камский автозавод 6520 740.21-1104020 Клапан в сборе Система питания двигателя Чертеж Система питания двигателя
Камский автозавод 5460 740.21-1104020 Клапан в сборе Установка топливопроводов Чертеж Установка топливопроводов
Камский автозавод 5460 740.21-1104020 Клапан в сборе Клапан в сборе Чертеж Клапан в сборе
Камский автозавод 740.30-260 (Евро 2) (2004) 740.21-1104020 Клапан в сборе 740.21-1104000 Установка топливопроводов Чертеж 740.21-1104000 Установка топливопроводов
Камский автозавод 740.31-240 (Евро 2) (2004) 740.21-1104020 Клапан в сборе 740.21-1104000 Установка топливопроводов
Камский автозавод 740.31-240 (Евро 2) (2004) 740.21-1104020 Клапан в сборе 740.50-1104000-90 Установка топливопроводов
Камский автозавод 6522 (2005) 740.21-1104020 Клапан в сборе Установка топлипроводов Чертеж Установка топлипроводов
Камский автозавод 5460 (2005) 740.21-1104020 Клапан в сборе Установка топливопроводов Чертеж Установка топливопроводов
Камский автозавод 5460 (2005) 740.21-1104020 Клапан в сборе Установка топливопроводов Чертеж Установка топливопроводов
Камский автозавод 65116 (2006) 740.21-1104020 Клапан в сборе Установка топлипроводов Чертеж Установка топлипроводов
Камский автозавод 43501 (4х4) (2007) 740.21-1104021 Корпус клапана 740.21-1104020 Клапан в сборе Чертеж 740.21-1104020 Клапан в сборе
Камский автозавод 43501 (4х4) (2007) 740.21-1104022 Гайка 740.21-1104020 Клапан в сборе Чертеж 740.21-1104020 Клапан в сборе
Камский автозавод 43501 (4х4) (2007) 740.21-1104023 Жиклер 740.21-1104020 Клапан в сборе Чертеж 740.21-1104020 Клапан в сборе
Камский автозавод 43501 (4х4) (2007) 740.21-1104025 Пружина 740.21-1104020 Клапан в сборе Чертеж 740.21-1104020 Клапан в сборе
Камский автозавод 740.60-360 (Евро 3) (2007) 740.21-1104020 Клапан в сборе 740.60-1104000 Установка топливопроводов
Товары из этой категории
Ремкомплект ТНВД 337-1111012-20
Ремкомплект ТНВД
Каталожный номер 337-1111012-20
Код 36426
Доставка по всей Беларуси
Доступность остатки на филиалах Остатки на филиалах
Остаток: г.Минск, ул.Селицкого 21к В наличии
Склад Адрес Контакт Остатки
г. Минск ул. Селицкого, 21к +375 (44) 770-80-78 ( Средне )
Схема проезда
г. Барановичи ул. Пролетарская, 40 +375 (29) 795-96-37 ( Мало )
Схема проезда
г. Брест Тельминский с/с, 1Д/1, 1 км южнее д. Тельмы-2 +375 (44) 599-90-75 ( Мало )
Схема проезда
г. Гродно ул. Карского, 35 +375 (44) 770-70-21 ( Мало )
Схема проезда
К-т трубок 740-1104346/70
К-т трубок
Каталожный номер 740-1104346/70
Код 19463
Доставка по всей Беларуси
Доступность остатки на филиалах Остатки на филиалах
Остаток В наличии
Склад Адрес Контакт Остатки
г. Дрогичин ул. Юбилейная, 42 +375 (29) 682-17-13 ( Мало )
Схема проезда
г. Кобрин ул. Пролетарская, 177А +375 (44) 588-10-80 ( Мало )
Схема проезда
г. Кричев ул. Комсомольская, 126 +375 (29) 628-88-42 ( Мало )
Схема проезда
г. Ошмяны ул. Льнозоводская 3 +375 (44) 770-80-91 ( Средне )
Схема проезда
г. Полоцк-2 ул. Шенягина, 52 +375 (29) 302-94-73 ( Мало )
Схема проезда
г. Полоцк-2 ул. Шенягина, 52 +375 (29) 302-94-73 ( Мало )
Схема проезда
г. Сморгонь ул. Железнодорожная, 32 +375 (29) 671-02-10 ( Мало )
Схема проезда
г. Солигорск Чижевичский сельсовет, 3Г +375 (33) 662-29-98 ( Мало )
Схема проезда
г. Столин ул. Быковского, 29 +375 (33) 304-54-36 ( Мало )
Схема проезда
Фильтр очистки топлива дизелей и их сменный элемент PL-270 в сборе PL-270
Фильтр очистки топлива дизелей и их сменный элемент PL-270 в сборе
Каталожный номер PL-270
Код 22275
Доставка по всей Беларуси
Доступность остатки на филиалах Остатки на филиалах
Остаток В наличии
Склад Адрес Контакт Остатки
г. Ошмяны ул. Льнозоводская 3 +375 (44) 770-80-91 ( Средне )
Схема проезда
г. Полоцк-2 ул. Шенягина, 52 +375 (29) 302-94-73 ( Средне )
Схема проезда
г. Слуцк ул. Тутаринова, 8 +375 (29) 346-06-90 ( Мало )
Схема проезда
Фильтр топливный  (PL 420) в сборе DIFA 6402/1
Фильтр топливный (PL 420) в сборе
Каталожный номер DIFA 6402/1
Код 27461
Доставка по всей Беларуси
Доступность остатки на филиалах Остатки на филиалах
Остаток: г.Минск, ул.Селицкого 21к В наличии
Склад Адрес Контакт Остатки
г. Минск ул. Селицкого, 21к +375 (44) 770-80-78 ( Много )
Схема проезда
г. Барановичи ул. Пролетарская, 40 +375 (29) 795-96-37 ( Мало )
Схема проезда
г. Барановичи ул. Бадака, 27Б +375 (29) 350-33-47 ( Средне )
Схема проезда
г. Березино ул. Комсомольская, д. 24 +375 (44) 770-80-17 ( Средне )
Схема проезда
г. Берёза ул. Красноармейская, 89/11 +375 (29) 676-70-71 ( Средне )
Схема проезда
г. Бобруйск ул. Гоголя, 181/1-6 +375 (29) 630-05-01 ( Средне )
Схема проезда
г. Бобруйск ул. Орловского, 22к3 +375 (29) 345-37-07 ( Средне )
Схема проезда
г. Борисов ул. Демина, 2а +375 (44) 560-99-75 ( Средне )
Схема проезда
г. Брест Тельминский с/с, 1Д/1, 1 км южнее д. Тельмы-2 +375 (44) 599-90-75 ( Средне )
Схема проезда
г. Витебск ул. Правды, 33 +375 (44) 770-80-87 ( Средне )
Схема проезда
г. Волковыск ул. Жолудева, 74Д-2 +375 (44) 786-00-40 ( Средне )
Схема проезда
г. Глубокое ул. Энгельса, 22 +375 (44) 505-71-40 ( Средне )
Схема проезда
г. Гомель ул. Барыкина, 291Б +375 (44) 514-15-30 ( Мало )
Схема проезда
г. Гомель ул. Барыкина, 291Б +375 (44) 514-15-30 ( Средне )
Схема проезда
г. Горки ул.Мира, д.51а/1 +375 (44) 565-33-61 ( Средне )
Схема проезда
г. Гродно ул. Карского, 35 +375 (44) 770-70-21 ( Средне )
Схема проезда
г. Дрогичин ул. Юбилейная, 42 +375 (29) 682-17-13 ( Мало )
Схема проезда
г. Дятлово ул. Советская ,104 +375 (29) 187-87-37 ( Мало )
Схема проезда
г. Житковичи ул. Комсомольская, 49 +375 (29) 394-82-52 ( Мало )
Схема проезда
г. Ивацевичи ул. Загородная, 6А +375 (29) 188-59-01 ( Средне )
Схема проезда
г. Кобрин ул. Пролетарская, 177А +375 (44) 588-10-80 ( Средне )
Схема проезда
г. Кричев ул. Комсомольская, 126 +375 (29) 628-88-42 ( Мало )
Схема проезда
г. Лельчицы ул. Советская, д.96/1 +375 (29) 346-98-96 ( Средне )
Схема проезда
г. Лепель ул. Лобанка, 43 +375 (44) 778-65-21 ( Средне )
Схема проезда
г. Лунинец ул.Красная, 175а +375 (44) 721-46-74 ( Много )
Схема проезда
г. Могилев ул. Габровская 11Б +375 (29) 662-02-16 ( Много )
Схема проезда
г. Мозырь промузел Козенки +375 (44) 731-94-60 ( Средне )
Схема проезда
г. Молодечно ул. Галицкого, 14 +375 (44) 567-28-47 ( Средне )
Схема проезда
г. Несвиж ул. Кутузова, 2 +375 (29) 394-82-48 ( Средне )
Схема проезда
г. Новогрудок ул. Индустриальная, 3 +375 (44) 729-39-19 ( Средне )
Схема проезда
г. Орша ул. Сергея Кирова, д. 34 +375 (44) 583-91-42 ( Средне )
Схема проезда
г. Осиповичи ул. Короткая, 11 +375 (29) 165-60-07 ( Мало )
Схема проезда
г. Ошмяны ул. Льнозоводская 3 +375 (44) 770-80-91 ( Мало )
Схема проезда
г. Петриков ул. Первомайская, 124 +375 (33) 660-06-75 ( Мало )
Схема проезда
г. Пинск ул. Калиновского 32 +375 (44) 560-99-59 ( Средне )
Схема проезда
г. Полоцк-2 ул. Шенягина, 52 +375 (29) 302-94-73 ( Мало )
Схема проезда
г. Полоцк-2 ул. Шенягина, 52 +375 (29) 302-94-73 ( Средне )
Схема проезда
г. Поставы ул. Советская, 69 +375 (44) 770-80-13 ( Средне )
Схема проезда
г. Слоним ул. Советская, 93а +375 (29) 394-82-01 ( Средне )
Схема проезда
г. Слуцк ул. Тутаринова, 8 +375 (29) 346-06-90 ( Средне )
Схема проезда
г. Сморгонь ул. Железнодорожная, 32 +375 (29) 671-02-10 ( Средне )
Схема проезда
г. Солигорск Чижевичский сельсовет, 3Г +375 (33) 662-29-98 ( Средне )
Схема проезда
г. Щучин ул. Советская, 39 +375 (29) 177-29-70 ( Средне )
Схема проезда
Трубка топливная дренажная 740-1104346-10
Трубка топливная дренажная
Каталожный номер 740-1104346-10
Код 14798
Доставка по всей Беларуси
Доступность остатки на филиалах Остатки на филиалах
Остаток: г.Минск, ул.Селицкого 21к В наличии
Склад Адрес Контакт Остатки
г. Минск ул. Селицкого, 21к +375 (44) 770-80-78 ( Много )
Схема проезда
г. Борисов ул. Демина, 2а +375 (44) 560-99-75 ( Средне )
Схема проезда
г. Осиповичи ул. Короткая, 11 +375 (29) 165-60-07 ( Мало )
Схема проезда
г. Ошмяны ул. Льнозоводская 3 +375 (44) 770-80-91 ( Средне )
Схема проезда