Республика Беларусь,
г. Минск, ул. Селицкого 21к - центральный склад
Пн-пт с 8:00 до 17:00
Меню
3057-4616330-А Клапан запорного устройства БЗТДиА
Наименование: Клапан 3057-4616330-А запорного устройства БЗТДиА
Каталожный номер: 3057-4616330-А
Производитель: БЗТДиА
Код товара: 00-ГР027128
Доставка: по всей Беларуси
Остаток: под заказ

Нашли не точность в описании товара? сообщить администратору.

+375 (44) 770-80-78 +375 (29) 747-80-78
* Выставить счет, получить техническую информацию и стоимость
Заказать деталь Онлайн
Описание
Наличие на филиалах
Применяемость
Заменить на СТО

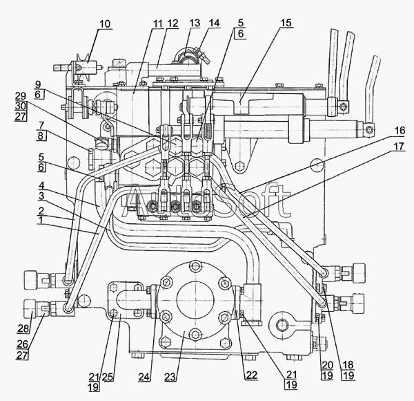
Клапан 3057-4616330-А запорного устройства БЗТДиА производства БЗТДиА (БЗТДиА), Код для заказа: 00-ГР027128

Марка Модель Кат.номер Наим. по каталогу Чертеж
МТЗ МТЗ-80 (1998) 3057-4616330 Корпус левый Гидроагрегаты и арматура
МТЗ МТЗ-80 (1998) 3057-4616330-А Клапан запорного устройства Гидроагрегаты и арматура
МТЗ МТЗ-80 (1998) 3057-4616330 Корпус левый Запорное устройство
МТЗ МТЗ-1221 (1997) 3057-4616330-А Клапан запорного устройства Гидроагрегаты и арматура
МТЗ МТЗ-1005 (2008) 3057-4616330-А Клапан запорного устройства Гидроагрегаты и арматура
МТЗ МТЗ-80 (2002) (2002) 3057-4616330-А Клапан запорного устройства 4607 Арматура корпуса гидроагрегатов Чертеж 4607 Арматура корпуса гидроагрегатов
МТЗ МТЗ-80 (2002) (2002) 3057-4616330-А Клапан запорного устройства Н.036 Запорное устройство Чертеж Н.036 Запорное устройство
МТЗ МТЗ-90/92 (2008) 3057-4616330-А Клапан запорного устройства Арматура корпуса гидроагрегатов Чертеж Арматура корпуса гидроагрегатов
МТЗ МТЗ-90/92 (2008) 3057-4616330-А Клапан запорного устройства Гидроагрегаты и арматура Чертеж Гидроагрегаты и арматура
МТЗ МТЗ-90/92 (2008) 3057-4616330-А Клапан запорного устройства Запорное устройство Чертеж Запорное устройство
МТЗ МТЗ-80 (2009) (2009) 3057-4616330-А Клапан запорного устройства Арматура корпуса гидроагрегатов
МТЗ МТЗ-80 (2009) (2009) 3057-4616330-А Клапан запорного устройства Гидроагрегаты и арматура. Вариант с силовым регулятором (Для тракторов «БЕЛАРУС-82.1/820/82Р»)
МТЗ МТЗ-80 (2009) (2009) 3057-4616330-А Клапан запорного устройства Запорное устройство Чертеж Запорное устройство
МТЗ МТЗ-900/920/950/952 (2009) 3057-4616330-А Клапан запорного устройства Гидроагрегаты и арматура
МТЗ МТЗ-900/920/950/952 (2009) 3057-4616330-А Клапан запорного устройства Гидроагрегаты и арматура (с силовым регулятором)
МТЗ МТЗ-510/512, 520/522 (2010) 3057-4616330-А Клапан запорного устройства Арматура корпуса гидроагрегатов Чертеж Арматура корпуса гидроагрегатов
МТЗ МТЗ-510/512, 520/522 (2010) 3057-4616330-А Клапан запорного устройства Запорное устройство Чертеж Запорное устройство
ЮМЗ ЮМЗ-6КЛ, (6КМ) (1995) 3057-4616330 Клапан левый Устройство запорное Чертеж Устройство запорное
Бобруйскагромаш (ОАО «УКХ «Бобруйскагромаш») ИРК-145 (2008) 3057-4616330-а Клапан запорного устройства d12 левый Гидроразводка
Бобруйскагромаш (ОАО «УКХ «Бобруйскагромаш») ИРК-145 (2008) 3057-4616330-а Клапан запорного устройства d12 левый Гидроразводка
Товары из этой категории
Муфта разрывная 35210180050 воздушная быстроразъемная SORL 35210180050
Муфта разрывная 35210180050 воздушная быстроразъемная SORL
Каталожный номер 35210180050
Производитель SORL SORL
Код 00-ГР013075
Доставка по всей Беларуси
Доступность остатки на филиалах Остатки на филиалах
Остаток В наличии
Склад Адрес Контакт Остатки
г. Бобруйск ул. Орловского, 22к3 +375 (29) 345-37-07 ( Средне )
Схема проезда
г. Гомель ул. Барыкина, 291Б +375 (44) 514-15-30 ( Средне )
Схема проезда
г. Дрогичин ул. Юбилейная, 42 +375 (29) 682-17-13 ( Мало )
Схема проезда
г. Житковичи ул. Комсомольская, 49 +375 (29) 394-82-52 ( Средне )
Схема проезда
г. Ивацевичи ул. Загородная, 6А +375 (29) 188-59-01 ( Средне )
Схема проезда
г. Ошмяны ул. Льнозоводская 3 +375 (44) 770-80-91 ( Мало )
Схема проезда
г. Пинск ул. Калиновского 32 +375 (44) 560-99-59 ( Мало )
Схема проезда
г. Слоним ул. Советская, 93а +375 (29) 394-82-01 ( Средне )
Схема проезда
Стяжка 1522-4605120
Стяжка
Каталожный номер 1522-4605120
Производитель КНР КНР
Код 25271
Доставка по всей Беларуси
Доступность остатки на филиалах Остатки на филиалах
Остаток: г.Минск, ул.Селицкого 21к В наличии
Склад Адрес Контакт Остатки
г. Минск ул. Селицкого, 21к +375 (44) 770-80-78 ( Мало )
Схема проезда
г. Дрогичин ул. Юбилейная, 42 +375 (29) 682-17-13 ( Мало )
Схема проезда
г. Ивацевичи ул. Загородная, 6А +375 (29) 188-59-01 ( Мало )
Схема проезда
г. Новогрудок ул. Индустриальная, 3 +375 (44) 729-39-19 ( Средне )
Схема проезда
г. Полоцк-2 ул. Шенягина, 52 +375 (29) 302-94-73 ( Мало )
Схема проезда
Гидроцилиндр 820-4625010-Б, ЦП-80Х220.17 (HC057) FENOX HC057
Гидроцилиндр 820-4625010-Б, ЦП-80Х220.17 (HC057) FENOX
Каталожный номер HC057
Производитель FENOX FENOX
Код 00-ГР019163
Доставка по всей Беларуси
Доступность остатки на филиалах Остатки на филиалах
Остаток: г.Минск, ул.Селицкого 21к В наличии
Склад Адрес Контакт Остатки
г. Минск ул. Селицкого, 21к +375 (44) 770-80-78 ( Средне )
Схема проезда
г. Ивацевичи ул. Загородная, 6А +375 (29) 188-59-01 ( Мало )
Схема проезда
г. Столин ул. Быковского, 29 +375 (33) 304-54-36 ( Мало )
Схема проезда
Муфта разрывная (РВД под ключ 32) НО36.52.000
Муфта разрывная (РВД под ключ 32)
Каталожный номер НО36.52.000
Производитель КНР КНР
Код 31579
Доставка по всей Беларуси
Доступность остатки на филиалах Остатки на филиалах
Остаток: г.Минск, ул.Селицкого 21к В наличии
Склад Адрес Контакт Остатки
г. Минск ул. Селицкого, 21к +375 (44) 770-80-78 ( Много )
Схема проезда
г. Барановичи ул. Бадака, 27Б +375 (29) 350-33-47 ( Средне )
Схема проезда
г. Березино ул. Комсомольская, д. 24 +375 (44) 770-80-17 ( Средне )
Схема проезда
г. Витебск ул. Правды, 33 +375 (44) 770-80-87 ( Средне )
Схема проезда
г. Глубокое ул. Энгельса, 22 +375 (44) 505-71-40 ( Средне )
Схема проезда
г. Гомель ул. Барыкина, 291Б +375 (44) 514-15-30 ( Средне )
Схема проезда
г. Гомель ул. Барыкина, 291Б +375 (44) 514-15-30 ( Мало )
Схема проезда
г. Дятлово ул. Советская ,104 +375 (29) 187-87-37 ( Мало )
Схема проезда
г. Лунинец ул.Красная, 175а +375 (44) 721-46-74 ( Мало )
Схема проезда
г. Орша ул. Сергея Кирова, д. 34 +375 (44) 583-91-42 ( Мало )
Схема проезда
г. Осиповичи ул. Короткая, 11 +375 (29) 165-60-07 ( Средне )
Схема проезда
г. Петриков ул. Первомайская, 124 +375 (33) 660-06-75 ( Средне )
Схема проезда
г. Слоним ул. Советская, 93а +375 (29) 394-82-01 ( Мало )
Схема проезда
Болт 50-4605086 50-4605086
Болт 50-4605086
Каталожный номер 50-4605086
Производитель RSTA RSTA
Код 25582
Доставка по всей Беларуси
Доступность остатки на филиалах Остатки на филиалах
Остаток: г.Минск, ул.Селицкого 21к В наличии
Склад Адрес Контакт Остатки
г. Минск ул. Селицкого, 21к +375 (44) 770-80-78 ( Много )
Схема проезда
г. Бобруйск ул. Орловского, 22к3 +375 (29) 345-37-07 ( Средне )
Схема проезда
г. Витебск ул. Правды, 33 +375 (44) 770-80-87 ( Средне )
Схема проезда
г. Дрогичин ул. Юбилейная, 42 +375 (29) 682-17-13 ( Много )
Схема проезда
г. Ивацевичи ул. Загородная, 6А +375 (29) 188-59-01 ( Средне )
Схема проезда
г. Кричев ул. Комсомольская, 126 +375 (29) 628-88-42 ( Много )
Схема проезда
г. Молодечно ул. Галицкого, 14 +375 (44) 567-28-47 ( Много )
Схема проезда
г. Новогрудок ул. Индустриальная, 3 +375 (44) 729-39-19 ( Средне )
Схема проезда
г. Осиповичи ул. Короткая, 11 +375 (29) 165-60-07 ( Средне )
Схема проезда
г. Полоцк-2 ул. Шенягина, 52 +375 (29) 302-94-73 ( Средне )
Схема проезда
г. Столин ул. Быковского, 29 +375 (33) 304-54-36 ( Средне )
Схема проезда