Республика Беларусь,
г. Минск, ул. Селицкого 21к - центральный склад
Пн-пт с 8:00 до 17:00
Меню
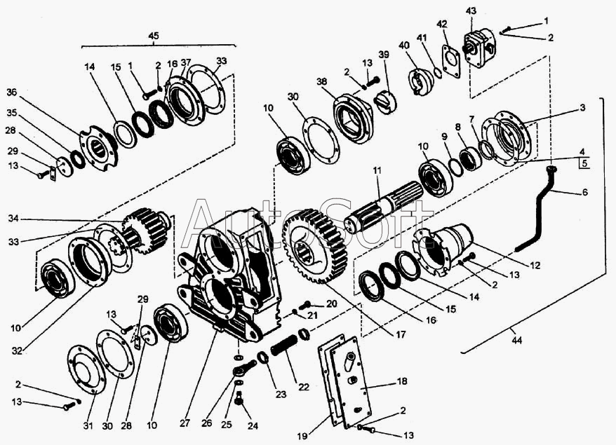
80-4202019-Б Хвостовик (8 шлицов)
Наименование: Хвостовик 80-4202019-Б (8 шлицов)
Каталожный номер: 80-4202019-Б
Производитель: КНР
Код товара: 15555
Доставка: по всей Беларуси
Остаток: в наличии

Нашли не точность в описании товара? сообщить администратору.

+375 (44) 770-80-78 +375 (29) 747-80-78
* Выставить счет, получить техническую информацию и стоимость
Заказать деталь Онлайн
Описание
Наличие на филиалах
Применяемость
Заменить на СТО

8/24 шлицов.

Хвостовик на 8 шлицев ВОМ 80-4202019 для МТЗ, хвостовик 80-4202019

Код для заказа: 15555

Марка Модель Кат.номер Наим. по каталогу Чертеж
ЗИЛ ЗИЛ-131 137-4202019 Шестерня постоянного зацепления(на модель 137Т устанавливается как вариант по требованию заказчика) Коробка отбора мощности односкоростная Чертеж Коробка отбора мощности односкоростная
ЗИЛ ЗИЛ-131 131-4202019-Б Шестерня постоянного зацепления(на модель 137Т устанавливается как вариант по требованию заказчика) Коробка отбора мощности односкоростная Чертеж Коробка отбора мощности односкоростная
МТЗ МТЗ-100 80-4202019-02 Хвостовик (с 21 шлицем) Вал отбора мощности Чертеж Вал отбора мощности
МТЗ МТЗ-100 80-4202019-01 Хвостовик (с 6 шлицами) Вал отбора мощности Чертеж Вал отбора мощности
МТЗ МТЗ-100 80-4202019 Хвостовик (с 8 шлицами) Вал отбора мощности Чертеж Вал отбора мощности
МТЗ МТЗ-1221 (1997) 80-4202019-В-02 Хвостовик (с 21 шлицем) Вал отбора мощности
МТЗ МТЗ-1221 (1997) 80-4202019-В-01 Хвостовик (с 6 шлицами) Вал отбора мощности
МТЗ МТЗ-1221 (1997) 80-4202019-В Хвостовик (с 8 шлицами) Вал отбора мощности
МТЗ МТЗ-082 082-4202019 Шестерня Мост передний (включая сборочные единицы КП, ВОМ, муфты сцепления) 082-2300 Чертеж Мост передний (включая сборочные единицы КП, ВОМ, муфты сцепления) 082-2300
МТЗ МТЗ-082 082-4202019 Шестерня Мост задний (включая сборочные единицы ВОМ) 082-2400 Чертеж Мост задний (включая сборочные единицы ВОМ) 082-2400
МТЗ МТЗ-822 (2008) 80-4202019-Б Хвостовик Вал отбора мощности (BOM) Чертеж Вал отбора мощности (BOM)
МТЗ МТЗ-822 (2008) 80-4202019-Б-01 Хвостовик Вал отбора мощности (BOM) Чертеж Вал отбора мощности (BOM)
МТЗ МТЗ-822 (2008) 80-4202019-Б-02 Хвостовик Вал отбора мощности (BOM) Чертеж Вал отбора мощности (BOM)
МТЗ МТЗ-922 (2008) 80-4202019-Б Хвостовик Вал отбора мощности (BOM) Чертеж Вал отбора мощности (BOM)
МоАЗ 6014 (2002) 6441-4202019 Диск в сборе Коробка отбора мощности с полужесткой муфтой 546Б-4202010, 6441-4202017 Чертеж Коробка отбора мощности с полужесткой муфтой 546Б-4202010, 6441-4202017
ПТЗ К-744Р2 701.4202019 Вал диаметр 35мм, Z=21 Редуктор односкоростной До 01.01.2006 744P-4202000 Чертеж Редуктор односкоростной До 01.01.2006 744P-4202000
ПТЗ К-744Р2 700.4202019-1 Стакан Редуктор односкоростной До 01.01.2006 744P-4202000 Чертеж Редуктор односкоростной До 01.01.2006 744P-4202000
ПТЗ К-744Р2 744Р-4202019 Шестерня Редуктор односкоростной С 01.01.2006 744P-4202000-1 Чертеж Редуктор односкоростной С 01.01.2006 744P-4202000-1
ПТЗ К-744Р2 700.4202019-1 Стакан Редуктор односкоростной С 01.01.2006 744P-4202000-1 Чертеж Редуктор односкоростной С 01.01.2006 744P-4202000-1
ПТЗ K-744P1 (2001) 700.4202019-1 Стакан Редуктор односкоростной Чертеж Редуктор односкоростной
Склад Адрес Контакт Остатки
г. Березино ул. Комсомольская, д. 24 +375 (44) 770-80-17 ( Мало )
Схема проезда
г. Горки ул.Мира, д.51а/1 +375 (44) 565-33-61 ( Мало )
Схема проезда
г. Дрогичин ул. Юбилейная, 42 +375 (29) 682-17-13 ( Мало )
Схема проезда
г. Житковичи ул. Комсомольская, 49 +375 (29) 394-82-52 ( Мало )
Схема проезда
г. Несвиж ул. Кутузова, 2 +375 (29) 394-82-48 ( Мало )
Схема проезда
г. Барановичи ул. Бадака, 27Б +375 (29) 350-33-47 Под заказ
Схема проезда
г. Барановичи ул. Пролетарская, 40 +375 (29) 795-96-37 Под заказ
Схема проезда
г. Берёза ул. Красноармейская, 89/11 +375 (29) 676-70-71 Под заказ
Схема проезда
г. Бобруйск ул. Орловского, 22к3 +375 (29) 345-37-07 Под заказ
Схема проезда
г. Бобруйск ул. Гоголя, 181/1-6 +375 (29) 630-05-01 Под заказ
Схема проезда
г. Борисов ул. Демина, 2а +375 (44) 560-99-75 Под заказ
Схема проезда
г. Брест Тельминский с/с, 1Д/1, 1 км южнее д. Тельмы-2 +375 (44) 599-90-75 Под заказ
Схема проезда
г. Витебск ул. Правды, 33 +375 (44) 770-80-87 Под заказ
Схема проезда
г. Витебск ул. Петруся Бровки, 34 +375 (29) 636-25-08 Под заказ
Схема проезда
г. Глубокое ул. Энгельса, 22 +375 (44) 505-71-40 Под заказ
Схема проезда
г. Гомель ул. Барыкина, 291Б +375 (44) 514-15-30 Под заказ
Схема проезда
г. Гомель ул. Текстильная, 10 +375 (44) 540-02-05 Под заказ
Схема проезда
г. Гродно ул. Карского, 35 +375 (44) 770-70-21 Под заказ
Схема проезда
г. Дятлово ул. Советская ,104 +375 (29) 187-87-37 Под заказ
Схема проезда
г. Жлобин ул. Козлова, 25 +375 (29) 346-06-78 Под заказ
Схема проезда
г. Ивацевичи ул. Загородная, 6А +375 (29) 188-59-01 Под заказ
Схема проезда
г. Кобрин ул. Пролетарская, 177А +375 (44) 588-10-80 Под заказ
Схема проезда
г. Кричев ул. Комсомольская, 126 +375 (29) 628-88-42 Под заказ
Схема проезда
г. Лельчицы ул. Советская, д.96/1 +375 (29) 346-98-96 Под заказ
Схема проезда
г. Лепель ул. Лобанка, 43 +375 (44) 778-65-21 Под заказ
Схема проезда
г. Лида ул. Качана, 7 +375 (29) 612-60-61 Под заказ
Схема проезда
г. Лунинец ул.Красная, 175а +375 (44) 721-46-74 Под заказ
Схема проезда
г. Минск ул. Бабушкина, 37 +375 (29) 632-00-82 Под заказ
Схема проезда
г. Минск ул. Селицкого, 21к +375 (44) 770-80-78 Под заказ
Схема проезда
г. Могилев ул. Габровская 11Б +375 (29) 662-02-16 Под заказ
Схема проезда
г. Мозырь промузел Козенки +375 (44) 731-94-60 Под заказ
Схема проезда
г. Молодечно ул. Галицкого, 14 +375 (44) 567-28-47 Под заказ
Схема проезда
г. Новогрудок ул. Индустриальная, 3 +375 (44) 729-39-19 Под заказ
Схема проезда
г. Орша ул. Сергея Кирова, д. 34 +375 (44) 583-91-42 Под заказ
Схема проезда
г. Осиповичи ул. Короткая, 11 +375 (29) 165-60-07 Под заказ
Схема проезда
г. Ошмяны ул. Льнозоводская 3 +375 (44) 770-80-91 Под заказ
Схема проезда
г. Петриков ул. Первомайская, 124 +375 (33) 660-06-75 Под заказ
Схема проезда
г. Пинск ул. Калиновского 32 +375 (44) 560-99-59 Под заказ
Схема проезда
г. Полоцк ул. Пролетарская, 6 +375 (29) 644-57-58 Под заказ
Схема проезда
г. Полоцк ул. Строительная, 30Б +375 (29) 302-97-91 Под заказ
Схема проезда
г. Полоцк-2 ул. Шенягина, 52 +375 (29) 302-94-73 Под заказ
Схема проезда
г. Поставы ул. Советская, 69 +375 (44) 770-80-13 Под заказ
Схема проезда
г. Пружаны ул. Макаренко, 21 +375 (29) 348-83-18 Под заказ
Схема проезда
г. Слоним ул. Советская, 93а +375 (29) 394-82-01 Под заказ
Схема проезда
г. Слуцк ул. Тутаринова, 8 +375 (29) 346-06-90 Под заказ
Схема проезда
г. Сморгонь ул. Железнодорожная, 32 +375 (29) 671-02-10 Под заказ
Схема проезда
г. Солигорск Чижевичский сельсовет, 3Г +375 (29) 899-58-52 Под заказ
Схема проезда
г. Столин ул. Быковского, 29 +375 (33) 304-54-36 Под заказ
Схема проезда
г. Щучин ул. Советская, 39 +375 (29) 177-29-70 Под заказ
Схема проезда
Аналоги
Хвостовик 80-4202019-Б (8 шлицов) БЗТДиА 80-4202019-Б
Хвостовик 80-4202019-Б (8 шлицов) БЗТДиА
Каталожный номер 80-4202019-Б
Производитель БЗТДиА БЗТДиА
Код 00-ГР020299
Доставка по всей Беларуси
Доступность остатки на филиалах Остатки на филиалах
Остаток Под заказ
Хвостовик 80-4202019-Б  ВОМ (8 шлицов) АМ 80-4202019-Б
Хвостовик 80-4202019-Б ВОМ (8 шлицов) АМ
Каталожный номер 80-4202019-Б
Производитель Автомагнат Автомагнат
Код 00-ГР021647
Доставка по всей Беларуси
Доступность остатки на филиалах Остатки на филиалах
Остаток: г.Минск, ул.Селицкого 21к В наличии
Склад Адрес Контакт Остатки
г. Минск ул. Селицкого, 21к +375 (44) 770-80-78 ( Мало )
Схема проезда
Товары из этой категории
Крышка ВОМ 90-4202020-К0001 (8 шлицов) БЗТДиА 90-4202020-К0001
Крышка ВОМ 90-4202020-К0001 (8 шлицов) БЗТДиА
Каталожный номер 90-4202020-К0001
Производитель БЗТДиА БЗТДиА
Код 00-ГР029425
Доставка по всей Беларуси
Доступность остатки на филиалах Остатки на филиалах
Остаток: г.Минск, ул.Селицкого 21к В наличии
Склад Адрес Контакт Остатки
г. Минск ул. Селицкого, 21к +375 (44) 770-80-78 ( Средне )
Схема проезда
г. Новогрудок ул. Индустриальная, 3 +375 (44) 729-39-19 ( Мало )
Схема проезда
г. Пружаны ул. Макаренко, 21 +375 (29) 348-83-18 ( Мало )
Схема проезда
Лента ВОМ 85-4202100 (34мм) БЗТДиА 85-4202100
Лента ВОМ 85-4202100 (34мм) БЗТДиА
Каталожный номер 85-4202100
Производитель БЗТДиА БЗТДиА
Код 00-ГР020709
Доставка по всей Беларуси
Доступность остатки на филиалах Остатки на филиалах
Остаток: г.Минск, ул.Селицкого 21к В наличии
Склад Адрес Контакт Остатки
г. Минск ул. Селицкого, 21к +375 (44) 770-80-78 ( Много )
Схема проезда
г. Житковичи ул. Комсомольская, 49 +375 (29) 394-82-52 ( Средне )
Схема проезда
г. Новогрудок ул. Индустриальная, 3 +375 (44) 729-39-19 ( Мало )
Схема проезда
Лента ВОМ (43мм.) 70-4202100
Лента ВОМ (43мм.)
Каталожный номер 70-4202100
Производитель RSTA RSTA
Код 11961
Доставка по всей Беларуси
Доступность остатки на филиалах Остатки на филиалах
Остаток: г.Минск, ул.Селицкого 21к В наличии
Склад Адрес Контакт Остатки
г. Минск ул. Селицкого, 21к +375 (44) 770-80-78 ( Средне )
Схема проезда
г. Бобруйск ул. Гоголя, 181/1-6 +375 (29) 630-05-01 ( Мало )
Схема проезда
г. Борисов ул. Демина, 2а +375 (44) 560-99-75 ( Мало )
Схема проезда
г. Витебск ул. Правды, 33 +375 (44) 770-80-87 ( Средне )
Схема проезда
г. Глубокое ул. Энгельса, 22 +375 (44) 505-71-40 ( Средне )
Схема проезда
г. Гомель ул. Барыкина, 291Б +375 (44) 514-15-30 ( Мало )
Схема проезда
г. Дятлово ул. Советская ,104 +375 (29) 187-87-37 ( Средне )
Схема проезда
г. Житковичи ул. Комсомольская, 49 +375 (29) 394-82-52 ( Средне )
Схема проезда
г. Жлобин ул. Козлова, 25 +375 (29) 346-06-78 ( Средне )
Схема проезда
г. Ивацевичи ул. Загородная, 6А +375 (29) 188-59-01 ( Средне )
Схема проезда
г. Лельчицы ул. Советская, д.96/1 +375 (29) 346-98-96 ( Мало )
Схема проезда
г. Молодечно ул. Галицкого, 14 +375 (44) 567-28-47 ( Средне )
Схема проезда
г. Несвиж ул. Кутузова, 2 +375 (29) 394-82-48 ( Средне )
Схема проезда
г. Ошмяны ул. Льнозоводская 3 +375 (44) 770-80-91 ( Мало )
Схема проезда
г. Петриков ул. Первомайская, 124 +375 (33) 660-06-75 ( Мало )
Схема проезда
г. Поставы ул. Советская, 69 +375 (44) 770-80-13 ( Мало )
Схема проезда
г. Пружаны ул. Макаренко, 21 +375 (29) 348-83-18 ( Средне )
Схема проезда
г. Слоним ул. Советская, 93а +375 (29) 394-82-01 ( Средне )
Схема проезда
г. Солигорск Чижевичский сельсовет, 3Г +375 (29) 899-58-52 ( Средне )
Схема проезда
г. Столин ул. Быковского, 29 +375 (33) 304-54-36 ( Средне )
Схема проезда
Хвостовик 80-4202019-Б-01, 82-4202019 (6 шлицов) АГРОТЭК 80-4202019Б-01
Хвостовик 80-4202019-Б-01, 82-4202019 (6 шлицов) АГРОТЭК
Каталожный номер 80-4202019Б-01
Производитель АГРОТЭК АГРОТЭК
Код 00-ГР022945
Доставка по всей Беларуси
Доступность остатки на филиалах Остатки на филиалах
Остаток: г.Минск, ул.Селицкого 21к В наличии
Склад Адрес Контакт Остатки
г. Минск ул. Селицкого, 21к +375 (44) 770-80-78 ( Средне )
Схема проезда
г. Дрогичин ул. Юбилейная, 42 +375 (29) 682-17-13 ( Мало )
Схема проезда
г. Дятлово ул. Советская ,104 +375 (29) 187-87-37 ( Мало )
Схема проезда
г. Житковичи ул. Комсомольская, 49 +375 (29) 394-82-52 ( Мало )
Схема проезда
г. Ивацевичи ул. Загородная, 6А +375 (29) 188-59-01 ( Мало )
Схема проезда
г. Ошмяны ул. Льнозоводская 3 +375 (44) 770-80-91 ( Мало )
Схема проезда
Вал ВОМ L=485 мм 12/30 шлицов 70-4202044-Б
Вал ВОМ L=485 мм 12/30 шлицов
Каталожный номер 70-4202044-Б
Производитель RSTA RSTA
Код 00-ГР001413
Доставка по всей Беларуси
Доступность остатки на филиалах Остатки на филиалах
Остаток: г.Минск, ул.Селицкого 21к В наличии
Склад Адрес Контакт Остатки
г. Минск ул. Селицкого, 21к +375 (44) 770-80-78 ( Мало )
Схема проезда
г. Витебск ул. Правды, 33 +375 (44) 770-80-87 ( Мало )
Схема проезда
г. Новогрудок ул. Индустриальная, 3 +375 (44) 729-39-19 ( Мало )
Схема проезда
г. Ошмяны ул. Льнозоводская 3 +375 (44) 770-80-91 ( Мало )
Схема проезда
г. Полоцк-2 ул. Шенягина, 52 +375 (29) 302-94-73 ( Мало )
Схема проезда
г. Столин ул. Быковского, 29 +375 (33) 304-54-36 ( Мало )
Схема проезда