Республика Беларусь,
г. Минск, ул. Селицкого 21к - центральный склад
Пн-пт с 8:00 до 17:00
Меню
2705-1101110 Хомут крепления бензобака
Наименование: Хомут 2705-1101110 крепления бензобака
Каталожный номер: 2705-1101110
Производитель: RSTA
Код товара: 19044
Доставка: по всей Беларуси
Остаток: в наличии

Нашли не точность в описании товара? сообщить администратору.

+375 (44) 770-80-78 +375 (29) 747-80-78
* Выставить счет, получить техническую информацию и стоимость
Заказать деталь Онлайн
Описание
Наличие на филиалах
Применяемость
Заменить на СТО

Код для заказа: 19044

Марка Модель Кат.номер Наим. по каталогу Чертеж
ГАЗ ГАЗ-2705 (ГАЗель) (2000) 2705-1101110 Хомут Бак топливный, крепление топливного бака, пробка бака
ГАЗ ГАЗ-33027 (Дополнение) 2705-1101110 Хомут Система питания Чертеж Система питания
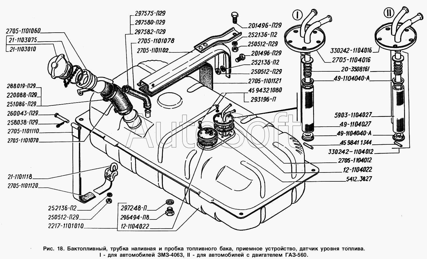
ГАЗ ГАЗ-2217 (Соболь) (1999) 2705-1101110 Хомут Бак топливный, труба наливная и пробка топливного бака, приемное устройство, датчик уровня топлива: I - для автомобилей с двигателем ЗМЗ-4063, II - для автомобилей с двигателем ГАЗ-560 Чертеж Бак топливный, труба наливная и пробка топливного бака, приемное устройство, датчик уровня топлива: I - для автомобилей с двигателем ЗМЗ-4063, II - для автомобилей с двигателем ГАЗ-560
ГАЗ ГАЗ-3302 (2004) (2004) 2705-1101110 Хомут Бак топливный металлический, крепление топливного бака, пробка бака
ГАЗ ГАЗ-2705 (дв. ЗМЗ-402) (2006) 2705-1101110 Хомут Бак топливный, крепление топливного бака, пробка бака
ГАЗ ГАЗ-2705 (доп. с дв. ЗМЗ Е-3) (2009) 2705-1101110 Хомут 32213-1101001-50. Установка топливного бака
ГАЗ ГАЗ-2705 (доп. с дв. Chr Е-3) (2009) 2705-1101110 Хомут 32213-1101001-50. Установка топливного бака
ГАЗ ГАЗ-3221 (доп. с дв. Chr Е-3) (2009) 2705-1101110 Хомут 32213-1101001-50. Установка топливного бака Чертеж 32213-1101001-50. Установка топливного бака
ГАЗ ГАЗ-3302 (доп. с дв. ЗМЗ Е 3) (2009) 2705-1101110 Хомут 3302-1101001-80. Установка топливного бака Чертеж 3302-1101001-80. Установка топливного бака
ГАЗ ГАЗ-3302 (доп. с дв. Chr Е 3) (2009) 2705-1101110 Хомут 3302-1101001-80. Установка топливного бака Чертеж 3302-1101001-80. Установка топливного бака
ГАЗ ГАЗ-2217 (доп. с дв. Chr Е 3) (2009) 2705-1101110 Хомут 2752-1101001-70. Установка топливного бака Чертеж 2752-1101001-70. Установка топливного бака
ГАЗ ГАЗ-2217 (доп. с дв. ЗМЗ Е 3) (2009) 2705-1101110 Хомут 2752-1101001-70. Установка топливного бака Чертеж 2752-1101001-70. Установка топливного бака
ГАЗ ГАЗ-2752 (доп. с дв. ЗМЗ Е 3) (2009) 2705-1101110 Хомут 2752-1101001-70. Установка топливного бака Чертеж 2752-1101001-70. Установка топливного бака
ГАЗ ГАЗ-2752 (доп. с дв. Chr Е 3) (2009) 2705-1101110 Хомут 2752-1101001-70. Установка топливного бака Чертеж 2752-1101001-70. Установка топливного бака
ГАЗ ГАЗ-560 (2005) 2705-1101110 Хомут Бак топливный, топливоприемник Чертеж Бак топливный, топливоприемник
ГАЗ ГАЗель 4x4 (Дополнение) (2012) 2705-1101110 Хомут Установка топливных баков автомобиля с дв. ЗМЗ-4063
ГАЗ ГАЗ-2705 (Cummins E-4) (2015) 2705-1101110 Хомут 2705-1101001-80. Установка топливного бака
ГАЗ ГАЗ-2705 (Cummins E-4) (2015) 2705-1101110 Хомут 3221-1101001-10. Установка топливного бака Чертеж 3221-1101001-10. Установка топливного бака
ГАЗ ГАЗ-3302 (с двиг. УМЗ) (2015) 2705-1101110 Хомут 3302-1101001-80. Установка топливного бака Чертеж 3302-1101001-80. Установка топливного бака
ЗМЗ ЗМЗ-402 (2006) 2705-1101110 Хомут Бак топливный, крепление топливного бака, пробка бака Чертеж Бак топливный, крепление топливного бака, пробка бака
Склад Адрес Контакт Остатки
г. Минск ул. Селицкого, 21к +375 (44) 770-80-78 ( Средне )
Схема проезда
г. Бобруйск ул. Гоголя, 181/1-6 +375 (29) 630-05-01 ( Мало )
Схема проезда
г. Бобруйск ул. Орловского, 22к3 +375 (29) 345-37-07 ( Средне )
Схема проезда
г. Гродно ул. Карского, 35 +375 (44) 770-70-21 ( Средне )
Схема проезда
г. Ивацевичи ул. Загородная, 6А +375 (29) 188-59-01 ( Средне )
Схема проезда
г. Новогрудок ул. Индустриальная, 3 +375 (44) 729-39-19 ( Средне )
Схема проезда
г. Осиповичи ул. Короткая, 11 +375 (29) 165-60-07 ( Средне )
Схема проезда
г. Ошмяны ул. Льнозоводская 3 +375 (44) 770-80-91 ( Мало )
Схема проезда
г. Полоцк-2 ул. Шенягина, 52 +375 (29) 302-94-73 ( Средне )
Схема проезда
г. Полоцк-2 ул. Шенягина, 52 +375 (29) 302-94-73 ( Средне )
Схема проезда
г. Слуцк ул. Тутаринова, 8 +375 (29) 346-06-90 ( Средне )
Схема проезда
г. Сморгонь ул. Железнодорожная, 32 +375 (29) 671-02-10 ( Средне )
Схема проезда
г. Барановичи ул. Бадака, 27Б +375 (29) 350-33-47 Под заказ
Схема проезда
г. Барановичи ул. Пролетарская, 40 +375 (29) 795-96-37 Под заказ
Схема проезда
г. Берёза ул. Красноармейская, 89/11 +375 (29) 676-70-71 Под заказ
Схема проезда
г. Березино ул. Комсомольская, д. 24 +375 (44) 770-80-17 Под заказ
Схема проезда
г. Борисов ул. Демина, 2а +375 (44) 560-99-75 Под заказ
Схема проезда
г. Брест Тельминский с/с, 1Д/1, 1 км южнее д. Тельмы-2 +375 (44) 599-90-75 Под заказ
Схема проезда
г. Витебск ул. Правды, 33 +375 (44) 770-80-87 Под заказ
Схема проезда
г. Витебск ул. Петруся Бровки, 34 +375 (29) 636-25-08 Под заказ
Схема проезда
г. Глубокое ул. Энгельса, 22 +375 (44) 505-71-40 Под заказ
Схема проезда
г. Гомель ул. Барыкина, 291Б +375 (44) 514-15-30 Под заказ
Схема проезда
г. Гомель ул. Текстильная, 10 +375 (44) 540-02-05 Под заказ
Схема проезда
г. Горки ул.Мира, д.51а/1 +375 (44) 565-33-61 Под заказ
Схема проезда
г. Дрогичин ул. Юбилейная, 42 +375 (29) 682-17-13 Под заказ
Схема проезда
г. Дятлово ул. Советская ,104 +375 (29) 187-87-37 Под заказ
Схема проезда
г. Житковичи ул. Комсомольская, 49 +375 (29) 394-82-52 Под заказ
Схема проезда
г. Жлобин ул. Козлова, 25 +375 (29) 346-06-78 Под заказ
Схема проезда
г. Кобрин ул. Пролетарская, 177А +375 (44) 588-10-80 Под заказ
Схема проезда
г. Кричев ул. Комсомольская, 126 +375 (29) 628-88-42 Под заказ
Схема проезда
г. Лельчицы ул. Советская, д.96/1 +375 (29) 346-98-96 Под заказ
Схема проезда
г. Лепель ул. Лобанка, 43 +375 (44) 778-65-21 Под заказ
Схема проезда
г. Лида ул. Качана, 7 +375 (29) 612-60-61 Под заказ
Схема проезда
г. Лунинец ул.Красная, 175а +375 (44) 721-46-74 Под заказ
Схема проезда
г. Минск ул. Бабушкина, 37 +375 (29) 632-00-82 Под заказ
Схема проезда
г. Могилев ул. Габровская 11Б +375 (29) 662-02-16 Под заказ
Схема проезда
г. Мозырь промузел Козенки +375 (44) 731-94-60 Под заказ
Схема проезда
г. Молодечно ул. Галицкого, 14 +375 (44) 567-28-47 Под заказ
Схема проезда
г. Несвиж ул. Кутузова, 2 +375 (29) 394-82-48 Под заказ
Схема проезда
г. Орша ул. Сергея Кирова, д. 34 +375 (44) 583-91-42 Под заказ
Схема проезда
г. Петриков ул. Первомайская, 124 +375 (33) 660-06-75 Под заказ
Схема проезда
г. Пинск ул. Калиновского 32 +375 (44) 560-99-59 Под заказ
Схема проезда
г. Полоцк ул. Пролетарская, 6 +375 (29) 644-57-58 Под заказ
Схема проезда
г. Полоцк ул. Строительная, 30Б +375 (29) 302-97-91 Под заказ
Схема проезда
г. Поставы ул. Советская, 69 +375 (44) 770-80-13 Под заказ
Схема проезда
г. Пружаны ул. Макаренко, 21 +375 (29) 348-83-18 Под заказ
Схема проезда
г. Слоним ул. Советская, 93а +375 (29) 394-82-01 Под заказ
Схема проезда
г. Солигорск Чижевичский сельсовет, 3Г +375 (29) 899-58-52 Под заказ
Схема проезда
г. Столин ул. Быковского, 29 +375 (33) 304-54-36 Под заказ
Схема проезда
г. Щучин ул. Советская, 39 +375 (29) 177-29-70 Под заказ
Схема проезда
Товары из этой категории
Пробка 2101-1103010 бензобака 3302 3110 УАЗ с ключом с/о ЗавГар 2101-1103010
Пробка 2101-1103010 бензобака 3302 3110 УАЗ с ключом с/о ЗавГар
Каталожный номер 2101-1103010
Производитель ЗавГар ЗавГар
Код 00-ГР028643
Доставка по всей Беларуси
Доступность остатки на филиалах Остатки на филиалах
Остаток В наличии
Склад Адрес Контакт Остатки
г. Бобруйск ул. Орловского, 22к3 +375 (29) 345-37-07 ( Мало )
Схема проезда
г. Гродно ул. Карского, 35 +375 (44) 770-70-21 ( Средне )
Схема проезда
Прокладка 53-1107015
Прокладка
Каталожный номер 53-1107015
Производитель ФРИТЕКС ФРИТЕКС
Код 39444
Доставка по всей Беларуси
Доступность остатки на филиалах Остатки на филиалах
Остаток: г.Минск, ул.Селицкого 21к В наличии
Склад Адрес Контакт Остатки
г. Минск ул. Селицкого, 21к +375 (44) 770-80-78 ( Средне )
Схема проезда
г. Барановичи ул. Пролетарская, 40 +375 (29) 795-96-37 ( Мало )
Схема проезда
г. Брест Тельминский с/с, 1Д/1, 1 км южнее д. Тельмы-2 +375 (44) 599-90-75 ( Мало )
Схема проезда
Модуль CRTR0068103 (505-1139) погружного насоса Газель CRTR0068103
Модуль CRTR0068103 (505-1139) погружного насоса Газель
Каталожный номер CRTR0068103
Производитель CARTRONIC CARTRONIC
Код 00-ГР023774
Доставка по всей Беларуси
Доступность остатки на филиалах Остатки на филиалах
Остаток В наличии
Склад Адрес Контакт Остатки
г. Борисов ул. Демина, 2а +375 (44) 560-99-75 ( Мало )
Схема проезда
г. Глубокое ул. Энгельса, 22 +375 (44) 505-71-40 ( Мало )
Схема проезда
г. Гомель ул. Барыкина, 291Б +375 (44) 514-15-30 ( Мало )
Схема проезда
г. Житковичи ул. Комсомольская, 49 +375 (29) 394-82-52 ( Мало )
Схема проезда
г. Жлобин ул. Козлова, 25 +375 (29) 346-06-78 ( Мало )
Схема проезда
г. Кобрин ул. Пролетарская, 177А +375 (44) 588-10-80 ( Мало )
Схема проезда
г. Поставы ул. Советская, 69 +375 (44) 770-80-13 ( Мало )
Схема проезда
г. Слоним ул. Советская, 93а +375 (29) 394-82-01 ( Мало )
Схема проезда
Бензонасос 4061.1106011 Волга, 3302, 2217, дв.406 ЗавГар 4061.1106011
Бензонасос 4061.1106011 Волга, 3302, 2217, дв.406 ЗавГар
Каталожный номер 4061.1106011
Производитель ЗавГар ЗавГар
Код 00-ГР028235
Доставка по всей Беларуси
Доступность остатки на филиалах Остатки на филиалах
Остаток: г.Минск, ул.Селицкого 21к В наличии
Склад Адрес Контакт Остатки
г. Минск ул. Селицкого, 21к +375 (44) 770-80-78 ( Средне )
Схема проезда
г. Щучин ул. Советская, 39 +375 (29) 177-29-70 ( Мало )
Схема проезда
Карбюратор К-135МУ ГАЗ-53, 66, 3307, ПАЗ К-135МУ
Карбюратор К-135МУ ГАЗ-53, 66, 3307, ПАЗ
Каталожный номер К-135МУ
Производитель МКАРЗ МКАРЗ
Код 16990
Доставка по всей Беларуси
Доступность остатки на филиалах Остатки на филиалах
Остаток: г.Минск, ул.Селицкого 21к В наличии
Склад Адрес Контакт Остатки
г. Минск ул. Селицкого, 21к +375 (44) 770-80-78 ( Средне )
Схема проезда