Республика Беларусь,
г. Минск, ул. Селицкого 21к - центральный склад
Пн-пт с 8:00 до 17:00
Меню
Б116 Катушка зажигания Б-116 АТЭ-1/ПРАМО
Наименование: Катушка зажигания Б-116 АТЭ-1/ПРАМО
Каталожный номер: Б116
Производитель: ПРАМО
Код товара: 00-ГР019172
Доставка: по всей Беларуси
Остаток: в наличии
Цена:

Нашли не точность в описании товара? сообщить администратору.

+375 (44) 770-80-78 +375 (29) 747-80-78
* Выставить счет, получить техническую информацию и стоимость
Заказать деталь Онлайн
Описание
Наличие на филиалах
Применяемость

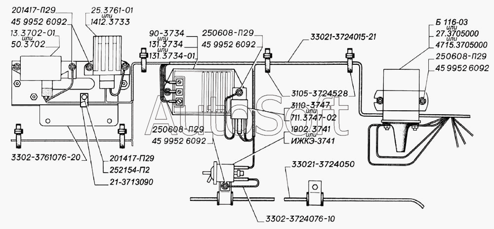
(ГАЗ-24, УАЗ, ГАЗ-3307)

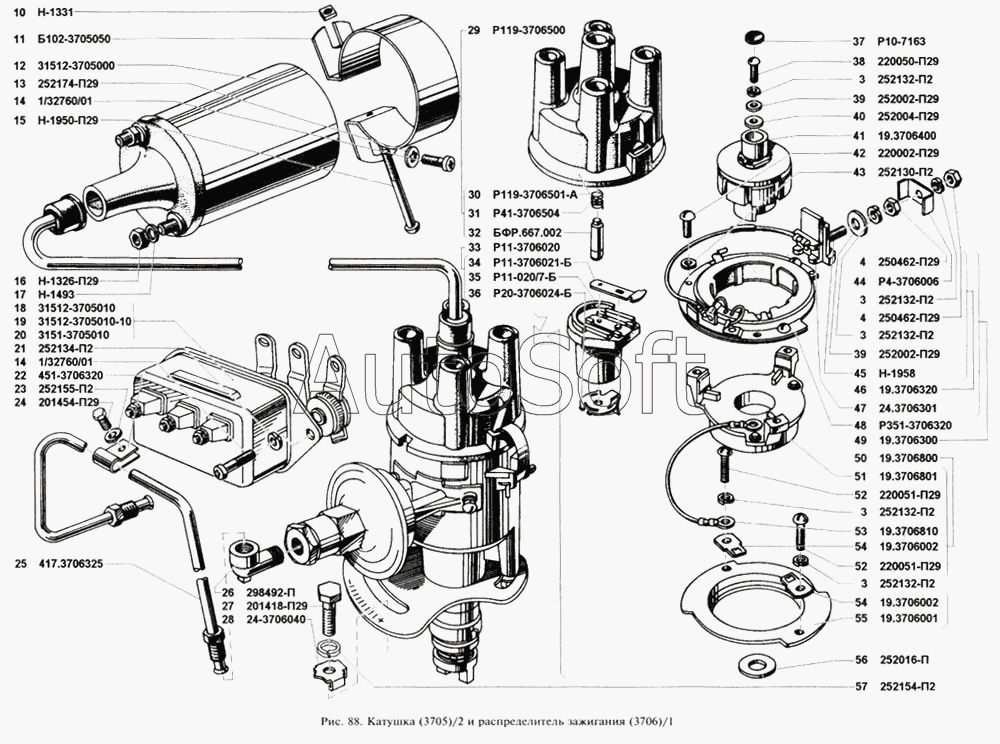
Катушка зажигания Б-116 (ГАЗ-24, УАЗ, ГАЗ-3307) АТЭ-1. Код товара для заказа: 00-ГР019172

Марка Модель Кат.номер Наим. по каталогу Чертеж
ГАЗ ГАЗ-24-10 (1995) Б116-У-ХЛ-Э Катушка зажигания Катушка зажигания, датчик-распределитель, свечи провода зажигания
ГАЗ ГАЗ-31029 Б116-У-ХЛ-Э Катушка зажигания Катушка зажигания, датчик-распределитель, свечи и провода зажигания
ГАЗ ГАЗ-3105 (1996) Б116.3705000 Катушка зажигания Б116 Катушка зажигания
ГАЗ ГАЗ-3110 Б116.3705000-01 Катушка зажигания Б116-01 Катушка зажигания, датчик-распределитель, провода и свечи двигателей ЗМЗ-402.10 и ЗМЗ-4021.10
ГАЗ ГАЗ-3110 Б116.3705000 Катушка зажигания Б116 Катушка зажигания, датчик-распределитель, провода и свечи двигателей ЗМЗ-402.10 и ЗМЗ-4021.10
ГАЗ ГАЗ-3110 Б116.3705000-01 Катушка зажигания Б116-01 Приборы электрооборудования и провода автомобиля с двигателями ЗМЗ-4062.10 и ЗМЗ-4021.10 (моторный отсек) Чертеж Приборы электрооборудования и провода автомобиля с двигателями ЗМЗ-4062.10 и ЗМЗ-4021.10 (моторный отсек)
ГАЗ ГАЗ-3110 Б116.3705000 Катушка зажигания Б116 Приборы электрооборудования и провода автомобиля с двигателями ЗМЗ-4062.10 и ЗМЗ-4021.10 (моторный отсек) Чертеж Приборы электрооборудования и провода автомобиля с двигателями ЗМЗ-4062.10 и ЗМЗ-4021.10 (моторный отсек)
ГАЗ ГАЗ-3302 (ГАЗель) Б116.3705000 Катушка зажигания Б116 Стартер двигателей ЗМЗ 4061.10, ЗМЗ 4063.10, ЗМЗ 40637.10 Чертеж Стартер двигателей ЗМЗ 4061.10, ЗМЗ 4063.10, ЗМЗ 40637.10
ГАЗ ГАЗ-3302 (ГАЗель) Б116.3705000 Катушка зажигания Б116 Приборы электрооборудования автомобиля ГАЗ-33021 Чертеж Приборы электрооборудования автомобиля ГАЗ-33021
ГАЗ ГАЗ-2705 (ГАЗель) (2000) Б116.3705000 Катушка зажигания Б116 Катушка зажигания, датчик-распределитель, провода и свечи двигателей ЗМЗ-4025.10, ЗМЗ-4026.10
ГАЗ ГАЗ-2705 (ГАЗель) (2000) Б116.3705000-01 Катушка зажигания Б116-01 Катушка зажигания, датчик-распределитель, провода и свечи двигателей ЗМЗ-4025.10, ЗМЗ-4026.10
ГАЗ ГАЗ-2705 (ГАЗель) (2000) Б116.3705000 Катушка зажигания Б116 Приборы электрооборудования автомобилей с двигателями ЗМЗ-4025.10, ЗМЗ-4026.10
ГАЗ ГАЗ-2705 (ГАЗель) (2000) Б116.3705000-01 Катушка зажигания Б116-01 Приборы электрооборудования автомобилей с двигателями ЗМЗ-4025.10, ЗМЗ-4026.10
ГАЗ ГАЗ-3302 (2004) (2004) 27.3705000 Катушка зажигания (Б116.3705000-02) Катушка зажигания, датчик-распределитель, провода и свечи двигателей ЗМЗ-402
ГАЗ ГАЗ-3302 (2004) (2004) 4715.3705000 Катушка зажигания (Б116.3705000-02) Катушка зажигания, датчик-распределитель, провода и свечи двигателей ЗМЗ-402
ГАЗ ГАЗ-3302 (2004) (2004) Б116-02 Катушка зажигания (Б116.3705000-02) Катушка зажигания, датчик-распределитель, провода и свечи двигателей ЗМЗ-402
ГАЗ ГАЗ-3302 (2004) (2004) Б116-03 Катушка зажигания (Б116.3705000-02) Катушка зажигания, датчик-распределитель, провода и свечи двигателей ЗМЗ-402
ГАЗ ГАЗ-3302 (2004) (2004) 27.3705000 Катушка зажигания (Б116.3705000-02) Приборы электрооборудования автомобилей с двигателями ЗМЗ-402 Чертеж Приборы электрооборудования автомобилей с двигателями ЗМЗ-402
УАЗ УАЗ-3160 (2002) 31512-3705000 Катушка зажигания Б116 Катушка зажигания, распределитель зажигания Чертеж Катушка зажигания, распределитель зажигания
ПАЗ ПАЗ-3205 (2001) Б116-3705000 Катушка зажигания 12 В (с ввертышем) Система зажигания
Склад Адрес Контакт Остатки
г. Минск ул. Селицкого, 21к +375 (44) 770-80-78 ( Много )
Схема проезда
г. Барановичи ул. Пролетарская, 40 +375 (29) 795-96-37 ( Мало )
Схема проезда
г. Березино ул. Комсомольская, д. 24 +375 (44) 770-80-17 ( Мало )
Схема проезда
г. Бобруйск ул. Гоголя, 181/1-6 +375 (29) 630-05-01 ( Мало )
Схема проезда
г. Бобруйск ул. Орловского, 22к3 +375 (29) 345-37-07 ( Мало )
Схема проезда
г. Борисов ул. Демина, 2а +375 (44) 560-99-75 ( Мало )
Схема проезда
г. Витебск ул. Правды, 33 +375 (44) 770-80-87 ( Мало )
Схема проезда
г. Волковыск ул. Жолудева, 74Д-2 +375 (44) 786-00-40 ( Средне )
Схема проезда
г. Гомель ул. Барыкина, 291Б +375 (44) 514-15-30 ( Мало )
Схема проезда
г. Гродно ул. Карского, 35 +375 (44) 770-70-21 ( Мало )
Схема проезда
г. Дятлово ул. Советская ,104 +375 (29) 187-87-37 ( Мало )
Схема проезда
г. Житковичи ул. Комсомольская, 49 +375 (29) 394-82-52 ( Мало )
Схема проезда
г. Жлобин ул. Козлова, 25 +375 (29) 346-06-78 ( Мало )
Схема проезда
г. Кричев ул. Комсомольская, 126 +375 (29) 628-88-42 ( Средне )
Схема проезда
г. Лельчицы ул. Советская, д.96/1 +375 (29) 346-98-96 ( Мало )
Схема проезда
г. Лунинец ул.Красная, 175а +375 (44) 721-46-74 ( Средне )
Схема проезда
г. Молодечно ул. Галицкого, 14 +375 (44) 567-28-47 ( Мало )
Схема проезда
г. Новогрудок ул. Индустриальная, 3 +375 (44) 729-39-19 ( Средне )
Схема проезда
г. Осиповичи ул. Короткая, 11 +375 (29) 165-60-07 ( Средне )
Схема проезда
г. Ошмяны ул. Льнозоводская 3 +375 (44) 770-80-91 ( Мало )
Схема проезда
г. Пинск ул. Калиновского 32 +375 (44) 560-99-59 ( Мало )
Схема проезда
г. Пружаны ул. Макаренко, 21 +375 (29) 348-83-18 ( Мало )
Схема проезда
г. Слоним ул. Советская, 93а +375 (29) 394-82-01 ( Средне )
Схема проезда
г. Сморгонь ул. Железнодорожная, 32 +375 (29) 671-02-10 ( Мало )
Схема проезда
г. Солигорск Чижевичский сельсовет, 3Г +375 (29) 899-58-52 ( Мало )
Схема проезда
г. Столин ул. Быковского, 29 +375 (33) 304-54-36 ( Мало )
Схема проезда
г. Щучин ул. Советская, 39 +375 (29) 177-29-70 ( Мало )
Схема проезда
г. Барановичи ул. Бадака, 27Б +375 (29) 350-33-47 Под заказ
Схема проезда
г. Берёза ул. Красноармейская, 89/11 +375 (29) 676-70-71 Под заказ
Схема проезда
г. Брест Тельминский с/с, 1Д/1, 1 км южнее д. Тельмы-2 +375 (44) 599-90-75 Под заказ
Схема проезда
г. Витебск ул. Петруся Бровки, 34 +375 (29) 636-25-08 Под заказ
Схема проезда
г. Глубокое ул. Энгельса, 22 +375 (44) 505-71-40 Под заказ
Схема проезда
г. Гомель ул. Текстильная, 10 +375 (29) 165-36-74 Под заказ
Схема проезда
г. Горки ул.Мира, д.51а/1 +375 (44) 565-33-61 Под заказ
Схема проезда
г. Дрогичин ул. Юбилейная, 42 +375 (29) 682-17-13 Под заказ
Схема проезда
г. Ивацевичи ул. Загородная, 6А +375 (29) 188-59-01 Под заказ
Схема проезда
г. Кобрин ул. Пролетарская, 177А +375 (44) 588-10-80 Под заказ
Схема проезда
г. Лепель ул. Лобанка, 43 +375 (44) 778-65-21 Под заказ
Схема проезда
г. Лида ул. Качана, 7 +375 (29) 612-60-61 Под заказ
Схема проезда
г. Минск ул. Бабушкина, 37 +375 (29) 632-00-82 Под заказ
Схема проезда
г. Могилев ул. Габровская 11Б +375 (29) 662-02-16 Под заказ
Схема проезда
г. Мозырь промузел Козенки +375 (44) 731-94-60 Под заказ
Схема проезда
г. Несвиж ул. Кутузова, 2 +375 (29) 394-82-48 Под заказ
Схема проезда
г. Орша ул. Сергея Кирова, д. 34 +375 (44) 583-91-42 Под заказ
Схема проезда
г. Петриков ул. Первомайская, 124 +375 (33) 660-06-75 Под заказ
Схема проезда
г. Полоцк ул. Пролетарская, 6 +375 (29) 644-57-58 Под заказ
Схема проезда
г. Полоцк ул. Строительная, 30Б +375 (29) 302-97-91 Под заказ
Схема проезда
г. Полоцк-2 ул. Шенягина, 52 +375 (29) 302-94-73 Под заказ
Схема проезда
г. Поставы ул. Советская, 69 +375 (44) 770-80-13 Под заказ
Схема проезда
г. Слуцк ул. Тутаринова, 8 +375 (29) 346-06-90 Под заказ
Схема проезда
Товары из этой категории
Электродвигатель 45.3730-10 (24В) отопителя с крыльчаткой (ГАЗ, ПАЗ,ЗИЛ) 45.3730
Электродвигатель 45.3730-10 (24В) отопителя с крыльчаткой (ГАЗ, ПАЗ,ЗИЛ)
Каталожный номер 45.3730
Производитель Автомагнат Автомагнат
Код 00-ГР024535
Доставка по всей Беларуси
Доступность остатки на филиалах Остатки на филиалах
Остаток В наличии
Склад Адрес Контакт Остатки
г. Столин ул. Быковского, 29 +375 (33) 304-54-36 ( Мало )
Схема проезда
Мотор 45.3730 (HW403) 12В/90Вт отопителя с крыльчаткой АМ 45.3730
Мотор 45.3730 (HW403) 12В/90Вт отопителя с крыльчаткой АМ
Каталожный номер 45.3730
Производитель Автомагнат Автомагнат
Код 00-ГР025500
Доставка по всей Беларуси
Доступность остатки на филиалах Остатки на филиалах
Остаток Под заказ
Лампа А12-45/40
Лампа
Каталожный номер А12-45/40
Производитель RCZP LTD RCZP LTD
Код 10682
Доставка по всей Беларуси
Доступность остатки на филиалах Остатки на филиалах
Остаток: г.Минск, ул.Селицкого 21к В наличии
Склад Адрес Контакт Остатки
г. Минск ул. Бабушкина, 37 +375 (29) 632-00-82 ( Много )
Схема проезда
г. Минск ул. Селицкого, 21к +375 (44) 770-80-78 ( Много )
Схема проезда
г. Барановичи ул. Пролетарская, 40 +375 (29) 795-96-37 ( Много )
Схема проезда
г. Барановичи ул. Бадака, 27Б +375 (29) 350-33-47 ( Много )
Схема проезда
г. Бобруйск ул. Гоголя, 181/1-6 +375 (29) 630-05-01 ( Много )
Схема проезда
г. Бобруйск ул. Орловского, 22к3 +375 (29) 345-37-07 ( Много )
Схема проезда
г. Борисов ул. Демина, 2а +375 (44) 560-99-75 ( Много )
Схема проезда
г. Брест Тельминский с/с, 1Д/1, 1 км южнее д. Тельмы-2 +375 (44) 599-90-75 ( Много )
Схема проезда
г. Витебск ул. Правды, 33 +375 (44) 770-80-87 ( Много )
Схема проезда
г. Волковыск ул. Жолудева, 74Д-2 +375 (44) 786-00-40 ( Много )
Схема проезда
г. Глубокое ул. Энгельса, 22 +375 (44) 505-71-40 ( Много )
Схема проезда
г. Гомель ул. Барыкина, 291Б +375 (44) 514-15-30 ( Много )
Схема проезда
г. Гомель ул. Барыкина, 291Б +375 (44) 514-15-30 ( Средне )
Схема проезда
г. Гродно ул. Карского, 35 +375 (44) 770-70-21 ( Много )
Схема проезда
г. Дрогичин ул. Юбилейная, 42 +375 (29) 682-17-13 ( Много )
Схема проезда
г. Дятлово ул. Советская ,104 +375 (29) 187-87-37 ( Много )
Схема проезда
г. Житковичи ул. Комсомольская, 49 +375 (29) 394-82-52 ( Много )
Схема проезда
г. Жлобин ул. Козлова, 25 +375 (29) 346-06-78 ( Много )
Схема проезда
г. Кобрин ул. Пролетарская, 177А +375 (44) 588-10-80 ( Мало )
Схема проезда
г. Кричев ул. Комсомольская, 126 +375 (29) 628-88-42 ( Много )
Схема проезда
г. Лепель ул. Лобанка, 43 +375 (44) 778-65-21 ( Много )
Схема проезда
г. Лунинец ул.Красная, 175а +375 (44) 721-46-74 ( Средне )
Схема проезда
г. Молодечно ул. Галицкого, 14 +375 (44) 567-28-47 ( Много )
Схема проезда
г. Новогрудок ул. Индустриальная, 3 +375 (44) 729-39-19 ( Много )
Схема проезда
г. Осиповичи ул. Короткая, 11 +375 (29) 165-60-07 ( Много )
Схема проезда
г. Петриков ул. Первомайская, 124 +375 (33) 660-06-75 ( Много )
Схема проезда
г. Полоцк-2 ул. Шенягина, 52 +375 (29) 302-94-73 ( Много )
Схема проезда
г. Полоцк-2 ул. Шенягина, 52 +375 (29) 302-94-73 ( Много )
Схема проезда
г. Поставы ул. Советская, 69 +375 (44) 770-80-13 ( Много )
Схема проезда
г. Пружаны ул. Макаренко, 21 +375 (29) 348-83-18 ( Много )
Схема проезда
г. Слоним ул. Советская, 93а +375 (29) 394-82-01 ( Много )
Схема проезда
г. Сморгонь ул. Железнодорожная, 32 +375 (29) 671-02-10 ( Много )
Схема проезда
г. Щучин ул. Советская, 39 +375 (29) 177-29-70 ( Много )
Схема проезда
Переключатель стеклоочистителя Г-3302 3302.3709-200
Переключатель стеклоочистителя Г-3302
Каталожный номер 3302.3709-200
Производитель RSTA RSTA
Код 16803
Доставка по всей Беларуси
Доступность остатки на филиалах Остатки на филиалах
Остаток В наличии
Склад Адрес Контакт Остатки
г. Гродно ул. Карского, 35 +375 (44) 770-70-21 ( Мало )
Схема проезда
г. Лунинец ул.Красная, 175а +375 (44) 721-46-74 ( Мало )
Схема проезда
Выключатель 24 3710-00 аварийного сигнала 8 контактов 24.3710 АЕ
Выключатель 24 3710-00 аварийного сигнала 8 контактов
Каталожный номер 24.3710 АЕ
Производитель Автоэлектрика Автоэлектрика
Код 49671
Доставка по всей Беларуси
Доступность остатки на филиалах Остатки на филиалах
Остаток: г.Минск, ул.Селицкого 21к В наличии
Склад Адрес Контакт Остатки
г. Минск ул. Селицкого, 21к +375 (44) 770-80-78 ( Средне )
Схема проезда
г. Барановичи ул. Бадака, 27Б +375 (29) 350-33-47 ( Мало )
Схема проезда
г. Бобруйск ул. Гоголя, 181/1-6 +375 (29) 630-05-01 ( Мало )
Схема проезда
г. Бобруйск ул. Орловского, 22к3 +375 (29) 345-37-07 ( Средне )
Схема проезда
г. Борисов ул. Демина, 2а +375 (44) 560-99-75 ( Мало )
Схема проезда
г. Витебск ул. Правды, 33 +375 (44) 770-80-87 ( Мало )
Схема проезда
г. Волковыск ул. Жолудева, 74Д-2 +375 (44) 786-00-40 ( Средне )
Схема проезда
г. Гомель ул. Барыкина, 291Б +375 (44) 514-15-30 ( Мало )
Схема проезда
г. Гродно ул. Карского, 35 +375 (44) 770-70-21 ( Мало )
Схема проезда
г. Дрогичин ул. Юбилейная, 42 +375 (29) 682-17-13 ( Средне )
Схема проезда
г. Дятлово ул. Советская ,104 +375 (29) 187-87-37 ( Средне )
Схема проезда
г. Житковичи ул. Комсомольская, 49 +375 (29) 394-82-52 ( Мало )
Схема проезда
г. Жлобин ул. Козлова, 25 +375 (29) 346-06-78 ( Мало )
Схема проезда
г. Кричев ул. Комсомольская, 126 +375 (29) 628-88-42 ( Средне )
Схема проезда
г. Молодечно ул. Галицкого, 14 +375 (44) 567-28-47 ( Мало )
Схема проезда
г. Новогрудок ул. Индустриальная, 3 +375 (44) 729-39-19 ( Средне )
Схема проезда
г. Осиповичи ул. Короткая, 11 +375 (29) 165-60-07 ( Мало )
Схема проезда
г. Ошмяны ул. Льнозоводская 3 +375 (44) 770-80-91 ( Мало )
Схема проезда
г. Полоцк-2 ул. Шенягина, 52 +375 (29) 302-94-73 ( Мало )
Схема проезда
г. Полоцк-2 ул. Шенягина, 52 +375 (29) 302-94-73 ( Средне )
Схема проезда
г. Пружаны ул. Макаренко, 21 +375 (29) 348-83-18 ( Мало )
Схема проезда
г. Слоним ул. Советская, 93а +375 (29) 394-82-01 ( Мало )
Схема проезда