Республика Беларусь,
г. Минск, ул. Селицкого 21к - центральный склад
Пн-пт с 8:00 до 17:00
Меню
66-40-1802012 Картер раздаточной коробки
Наименование: Картер раздаточной коробки 66-40-1802012
Каталожный номер: 66-40-1802012
Производитель: RSTA
Код товара: 00-ГР009070
Доставка: по всей Беларуси
Остаток: под заказ

Нашли не точность в описании товара? сообщить администратору.

+375 (44) 770-80-78 +375 (29) 747-80-78
* Выставить счет, получить техническую информацию и стоимость
Заказать деталь Онлайн
Описание
Наличие на филиалах
Применяемость
Заменить на СТО

Картер раздаточной коробки 66-40-1802012 производства RSTA (РФ), Код для заказа: 00-ГР009070

Марка Модель Кат.номер Наим. по каталогу Чертеж
ГАЗ ГАЗ-33027 (Дополнение) 33027-1802012 Картер раздаточной коробки передний Коробка раздаточная Чертеж Коробка раздаточная
ГАЗ ГАЗ-66 (Каталог 1983 г.) (1983) 66-1802012-Г Картер раздаточной коробки Раздаточная коробка Чертеж Раздаточная коробка
ГАЗ ГАЗ-66 (Каталог 1996 г.) (1996) 66-1802012-Г Картер раздаточной коробки Картер крышки раздаточной коробки. Шестерни привода спидометра
УАЗ УАЗ-3151 (1993) 452-1802012 Картер Коробка раздаточная Чертеж Коробка раздаточная
УАЗ УАЗ-3741 452-1802012 Картер Коробка раздаточная
УАЗ УАЗ-3962 452-1802012 Картер Коробка раздаточная Чертеж Коробка раздаточная
УАЗ УАЗ-2206 452-1802012 Картер Коробка раздаточная Чертеж Коробка раздаточная
УАЗ УАЗ-3303 452-1802012 Картер Коробка раздаточная Чертеж Коробка раздаточная
УАЗ УАЗ-3160 (2002) 3741-1802012 Картер Коробка раздаточная
УАЗ УАЗ-3160 (2002) 3151-1802012 Картер Коробка раздаточная
УАЗ УАЗ-3160 (2002) 452-1802012 Картер Коробка раздаточная
УАЗ УАЗ-3160 (2002) 452-1802012 Картер Коробка раздаточная
УАЗ УАЗ-3160 (2002) 3151-1802012 Картер Коробка раздаточная
МАЗ МАЗ-537 535А-1802012-Б Картер раздаточной коробки Раздаточная коробка Чертеж Раздаточная коробка
Камский автозавод 4310 4310-1802012 Картер раздаточной коробки Коробка раздаточная с коробкой отбора мощности в сборе Чертеж Коробка раздаточная с коробкой отбора мощности в сборе
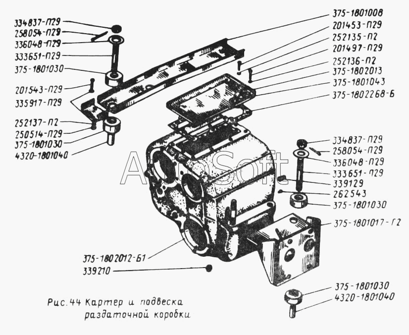
УралАЗ УРАЛ-375 375-1802012-Б1 Картер раздаточной коробки Картер и подвеска раздаточной коробки (Рис. 44)
УралАЗ УРАЛ-375 377-1802012 Картер дополнительной коробки Картер и управление дополнительной коробкой (Рис. 45)
УралАЗ УРАЛ-4320 375-1802012-Б1 Картер раздаточной коробки Картер и подвеска раздаточной коробки
УралАЗ УРАЛ-43202 375-1802012-Б1 Картер раздаточной коробки Картер и подвеска раздаточной коробки Чертеж Картер и подвеска раздаточной коробки
УралАЗ УРАЛ-5557 375-1802012-Б1 Картер раздаточной коробки Картер и подвеска раздаточной коробки Чертеж Картер и подвеска раздаточной коробки