Республика Беларусь,
г. Минск, ул. Селицкого 21к - центральный склад
Пн-пт с 8:00 до 17:00
Меню
80-6702022 Хомут
Наименование: Хомут 80-6702022
Каталожный номер: 80-6702022
Производитель: RSTA
Код товара: 41495
Доставка: по всей Беларуси
Остаток: под заказ

Нашли не точность в описании товара? сообщить администратору.

+375 (44) 770-80-78 +375 (29) 747-80-78
* Выставить счет, получить техническую информацию и стоимость
Заказать деталь Онлайн
Описание
Наличие на филиалах
Применяемость
Заменить на СТО

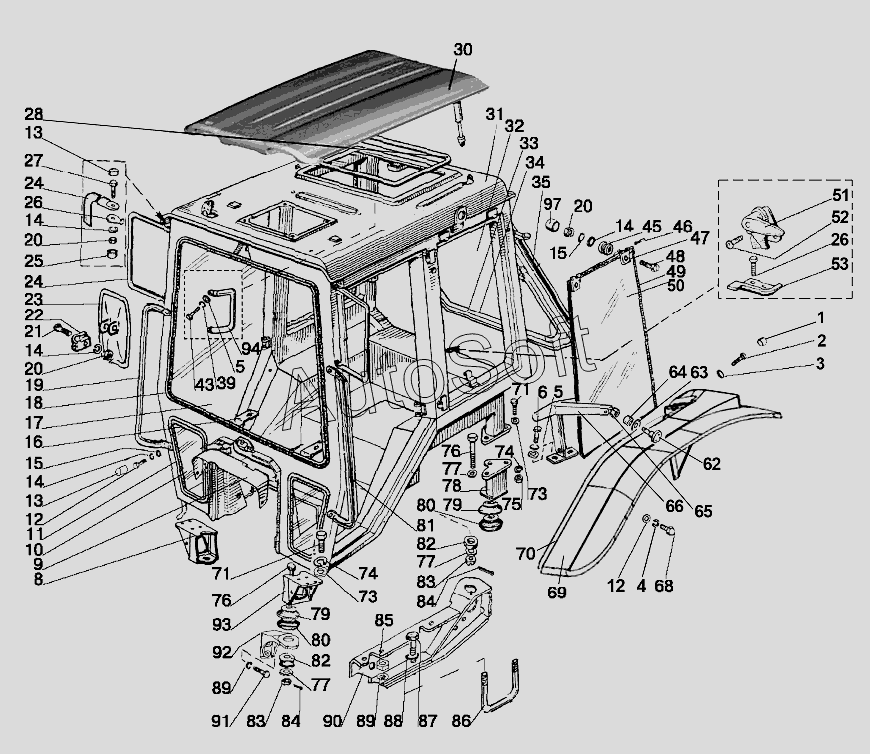
Хомут 80-6702022 производства RSTA (РФ), Код для заказа: 41495

Марка Модель Кат.номер Наим. по каталогу Чертеж
МТЗ МТЗ-80 (1998) 80-6702022 Хомут Унифицированная кабина Чертеж Унифицированная кабина
МТЗ МТЗ-100 80-6702022 Хомут Кабина трактора Чертеж Кабина трактора
МТЗ МТЗ-082 082-6702022 Кожух Облицовка, оперение, пол 082-8401, 082-8402, 082-8403, 082-8404, 082-6702
МТЗ МТЗ-80 (2002) (2002) 80-6702022 Хомут 6700, 8400 Кабина трактора. Крылья задние Чертеж 6700, 8400 Кабина трактора. Крылья задние
МТЗ МТЗ-80 (2009) (2009) 80-6702022 Хомут Кабина трактора. Крылья задние
МТЗ МТЗ-570 (2010) 80-6702022 Хомут Управление блокировкой дифференциала Чертеж Управление блокировкой дифференциала
МТЗ МТЗ-570 (2010) 80-6702022 Хомут Кабина трактора. Крылья задние Чертеж Кабина трактора. Крылья задние
МТЗ МТЗ-821/921 (2009) 80-6702022 Хомут Кабина трактора
МТЗ МТЗ-900/920/950/952 (2009) 80-6702022 Хомут Кабина трактора ,крылья задние Чертеж Кабина трактора ,крылья задние
МТЗ МТЗ-920.4/952.4 (2009) 80-6702022 Хомут Кабина трактора. Крылья задние Чертеж Кабина трактора. Крылья задние
МТЗ МТЗ-826 (2010) 80-6702022 Хомут Кабина трактора. Крылья задние
МТЗ 92П (2010) 80-6702022 Хомут Кабина. Крылья задние Чертеж Кабина. Крылья задние
МТЗ 892 (2011) 80-6702022 Хомут Кабина трактора. Крылья задние Чертеж Кабина трактора. Крылья задние
МТЗ 892 (2011) 80-6702022 Хомут Кабина трактора. Крылья задние (вариант) Чертеж Кабина трактора. Крылья задние (вариант)
МТЗ 80Х (2012) 80-6702022 Хомут Кабина трактора. Крылья задние
МТЗ МТЗ-80.1 (2015) 80-6702022 Хомут Кабина трактора. Крылья задние Чертеж Кабина трактора. Крылья задние
МТЗ МТЗ-80.1 (2015) 80-6702022 Хомут Кабина трактора. Крылья задние (вариант)
МТЗ 952.5 (2013) 80-6702022 Хомут Кабина трактора. Крылья задние Чертеж Кабина трактора. Крылья задние
МТЗ 800/900 (2003) 80-6702022 Хомут Кабина трактора. Крылья задние Чертеж Кабина трактора. Крылья задние
МТЗ Беларус-422.1 (2018) 320-6702022 Шайба Кабина
Товары из этой категории
Радиатор отопителя (алюминий патрубки в разные стороны) 1216К.8101060
Радиатор отопителя (алюминий патрубки в разные стороны)
Каталожный номер 1216К.8101060
Производитель КНР КНР
Код 43186
Доставка по всей Беларуси
Доступность остатки на филиалах Остатки на филиалах
Остаток: г.Минск, ул.Селицкого 21к В наличии
Склад Адрес Контакт Остатки
г. Минск ул. Селицкого, 21к +375 (44) 770-80-78 ( Мало )
Схема проезда
г. Глубокое ул. Энгельса, 22 +375 (44) 505-71-40 ( Мало )
Схема проезда
г. Жлобин ул. Козлова, 25 +375 (29) 346-06-78 ( Мало )
Схема проезда
Стекло 80-6703011-А лобовое 80-6703011-А
Стекло 80-6703011-А лобовое
Каталожный номер 80-6703011-А
Производитель Гомельстекло Гомельстекло
Код 00-ГР028632
Доставка по всей Беларуси
Доступность остатки на филиалах Остатки на филиалах
Остаток В наличии
Склад Адрес Контакт Остатки
г. Новогрудок ул. Индустриальная, 3 +375 (44) 729-39-19 ( Мало )
Схема проезда
г. Осиповичи ул. Короткая, 11 +375 (29) 165-60-07 ( Мало )
Схема проезда
Стекло 80-6708211-А заднее (1213,5х841) 80-6708211
Стекло 80-6708211-А заднее (1213,5х841)
Каталожный номер 80-6708211
Производитель Гомельстекло Гомельстекло
Код 00-ГР030253
Доставка по всей Беларуси
Доступность остатки на филиалах Остатки на филиалах
Остаток В наличии
Склад Адрес Контакт Остатки
г. Кричев ул. Комсомольская, 126 +375 (29) 628-88-42 ( Средне )
Схема проезда
г. Новогрудок ул. Индустриальная, 3 +375 (44) 729-39-19 ( Мало )
Схема проезда
г. Столин ул. Быковского, 29 +375 (33) 304-54-36 ( Мало )
Схема проезда
Стекло 220-6708211 1006х725 220-6708211
Стекло 220-6708211 1006х725
Каталожный номер 220-6708211
Производитель Гомельстекло Гомельстекло
Код 34225
Доставка по всей Беларуси
Доступность остатки на филиалах Остатки на филиалах
Остаток: г.Минск, ул.Селицкого 21к В наличии
Склад Адрес Контакт Остатки
г. Минск ул. Селицкого, 21к +375 (44) 770-80-78 ( Средне )
Схема проезда
г. Дрогичин ул. Юбилейная, 42 +375 (29) 682-17-13 ( Мало )
Схема проезда
г. Новогрудок ул. Индустриальная, 3 +375 (44) 729-39-19 ( Мало )
Схема проезда
г. Столин ул. Быковского, 29 +375 (33) 304-54-36 ( Мало )
Схема проезда
Коврик 80-6702337  80-6702337
Коврик 80-6702337
Каталожный номер 80-6702337
Производитель RSTA RSTA
Код 00-ГР004359
Доставка по всей Беларуси
Доступность остатки на филиалах Остатки на филиалах
Остаток: г.Минск, ул.Селицкого 21к В наличии
Склад Адрес Контакт Остатки
г. Минск ул. Селицкого, 21к +375 (44) 770-80-78 ( Много )
Схема проезда
г. Орша ул. Сергея Кирова, д. 34 +375 (44) 583-91-42 ( Мало )
Схема проезда
г. Столин ул. Быковского, 29 +375 (33) 304-54-36 ( Мало )
Схема проезда