Республика Беларусь,
г. Минск, ул. Селицкого 21к - центральный склад
Пн-пт с 8:00 до 17:00
Меню
72.011-2 (ТО-33.05.15.200) Главная передача
Наименование: Главная передача 72.011-2 (ТО-33.05.15.200)
Каталожный номер: 72.011-2 (ТО-33.05.15.200)
Производитель: РБ
Код товара: 35342
Доставка: по всей Беларуси
Остаток: под заказ

Нашли не точность в описании товара? сообщить администратору.

+375 (44) 770-80-78 +375 (29) 747-80-78
* Выставить счет, получить техническую информацию и стоимость
Заказать деталь Онлайн
Описание
Наличие на филиалах
Применяемость
Заменить на СТО

Z=12х40 погрузчика А-342

Главная передача ОДМ 72.011-2 производства РБ (РБ), Код для заказа: 35342

Марка Модель Кат.номер Наим. по каталогу Чертеж
МАЗ МАЗ-9506 452.200.011.0 Головка соединительная Схема тормозная Чертеж Схема тормозная
МАЗ КПП МАЗ-543205-070 2 011 702 200 Опора рычага Механизм переключения передач Чертеж Механизм переключения передач
Ikarus 260.50 200.00-6409-011 Панель крыши Наружные облицовочные панели Чертеж Наружные облицовочные панели
Ikarus 260.50 200.00-6409-011 Панель крыши Наружные облицовочные панели Чертеж Наружные облицовочные панели
Ikarus 260.50 200.00-6409-011 Панель крыши Наружные облицовочные панели
Ikarus 260.50 200.00-6409-011 Панель крыши Наружные облицовочные панели
Ikarus 260.50 200.00-6409-011 Панель крыши Наружные облицовочные панели Чертеж Наружные облицовочные панели
Ikarus 260.50 200.00-6409-011 Панель крыши Наружные облицовочные панели Чертеж Наружные облицовочные панели
Ikarus 260.50 200.00-1334-011 Диск фрикционный Пневматическая муфта сцепления вентилятора
Ikarus 260.50 200.01-1334-011 Крышка Пневматическая муфта сцепления вентилятора
ТВЭКС ЭО-3323 ЭО-3323.00.60.011 Крышка Установка подогревателя ПЖБ-200
ТВЭКС ЭО-3323А (2002) ЭО-3322А.12.20.011 Гайка Щиток приборов (с двигателем Д-243Л, Д-75П1) (ЭО-3323.07.02.200) Чертеж Щиток приборов (с двигателем Д-243Л, Д-75П1) (ЭО-3323.07.02.200)
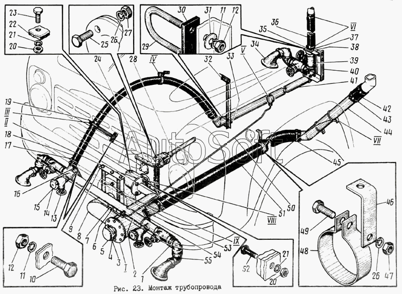
МЗКМ КО-713 ПМ20-200.011 Прокладка Монтаж трубопровода Чертеж Монтаж трубопровода
МЗКМ КО-713 ПМ20-200.011 Прокладка Монтаж трубопровода Чертеж Монтаж трубопровода
МЗКТ МЗКТ-7930-200 (2005) 0000-5713721 Кольцо 011-015-25-2-2 Дверь левая, дверь правая Чертеж Дверь левая, дверь правая
МЗКТ МЗКТ-7930-200 (2005) 0000-8101716 Кольцо 007-011-25-2-2 Затвор 7930-8101760
МЗКТ МЗКТ-7930-200 (2005) 0000-3506717 Кольцо 008-011-19-2-2 Система смазки и воздуховоды
МЗКТ МЗКТ-7930-200 (2005) 0000-3506717 Кольцо 008-011-19-2-2 Агрегаты управления воздухопуском
МЗКТ МЗКТ-7930-200 (2005) 0000-3506717 Кольцо 008-011-19-2-2 Цилиндр с кронштейном
МЗКТ МЗКТ-7930-200 (2005) 0000-3506717 Кольцо 008-011-19-2-2 Установка привода управления сцеплением