Республика Беларусь,
г. Минск, ул. Селицкого 21к - центральный склад
Пн-пт с 8:00 до 17:00
Меню
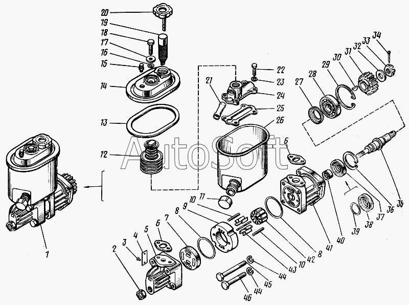
130-3407200 Гидронасос с бачком
Наименование: Гидронасос 130-3407200 с бачком
Каталожный номер: 130-3407200
Производитель: БАГУ
Код товара: 10463
Доставка: по всей Беларуси
Остаток: под заказ

Нашли не точность в описании товара? сообщить администратору.

+375 (44) 770-80-78 +375 (29) 747-80-78
* Выставить счет, получить техническую информацию и стоимость
Заказать деталь Онлайн
Описание
Наличие на филиалах
Применяемость
Заменить на СТО

Код для заказа: 10463

Марка Модель Кат.номер Наим. по каталогу Чертеж
ЗИЛ ЗИЛ-431410 Каталог 1989 г. (1989) 130-3407200-А Насос гидроусилителя в сборе Установка управления рулевого, маслопровода и привода насоса гидроусилителя управления рулевого Чертеж Установка управления рулевого, маслопровода и привода насоса гидроусилителя управления рулевого
ЗИЛ ЗИЛ-131 130-3407200-А Насос гидроусилителя в сборе Установка рулевого управления, маслопривода и привода насоса гидроусилителя рулевого механизма Чертеж Установка рулевого управления, маслопривода и привода насоса гидроусилителя рулевого механизма
ЗИЛ ЗИЛ-431416 (1990) 130-3407200-А Насос гидроусилителя в сборе Управление рулевое\Установка рулевого управления Чертеж Управление рулевое\Установка рулевого управления
ЗИЛ ЗИЛ-441517 Каталог 1987 г. (1987) 130-3407200-А Насос гидроусилителя в сборе Установка рулевого управления, маслопривода и привода насоса гидроусилителя рулевого управления Чертеж Установка рулевого управления, маслопривода и привода насоса гидроусилителя рулевого управления
ЗИЛ ЗИЛ-130 (1985) 130-3407200-А Насос гидроусилителя в сборе Установка рулевого управления, маслопровода и привода насоса гидроусилителя рулевого управления Чертеж Установка рулевого управления, маслопровода и привода насоса гидроусилителя рулевого управления
ЗИЛ ЗИЛ-130 (1985) 130-3407200-А Насос гидроусилителя в сборе Насос гидроусилителя рулевого управления Чертеж Насос гидроусилителя рулевого управления
КАЗ КАЗ 608 130-3407200-А Насос гидроусилителя руля в сборе Установка рулевого управления, насоса гидроусилителя руля, переключения указателей поворота и контактного устройства сигнала
Камский автозавод 43101 130-3903183-04 Табличка 40х20 Насос гидроусилителя руля левого вращения 53212-3407200 Чертеж Насос гидроусилителя руля левого вращения 53212-3407200
Камский автозавод 740.30-260 (Евро 2) (2004) 130-3903183-06 Табличка 40х20 4310-3407200-01 Насос рулевого усилителя Чертеж 4310-3407200-01 Насос рулевого усилителя
Камский автозавод 43501 (4х4) (2007) 130-3903183-06 Табличка 40х20 4310-3407200-01 Насос рулевого усилителя в сборе
Камский автозавод 4350 (4х4) (2004) 130-3903183-06 Табличка 40х20 4310-3407200-01 Насос рулевого усилителя в сборе Чертеж 4310-3407200-01 Насос рулевого усилителя в сборе
Камский автозавод 43261 (Евро-1, 2) (2007) 130-3903183-06 Табличка 40х20 4310-3407200-01 Насос рулевого усилителя Чертеж 4310-3407200-01 Насос рулевого усилителя
Камский автозавод 43261 (Евро-1, 2) (2007) 130-3903183-06 Табличка 40х20 4310-3407200-21 Насос рулевого усилителя Чертеж 4310-3407200-21 Насос рулевого усилителя
Камский автозавод 43502 (Евро 4) (2013) 130-3903183-06 Табличка 40х20 4310-3407200-01 Насос рулевого усилителя Чертеж 4310-3407200-01 Насос рулевого усилителя
Камский автозавод 43253 (Часть-2) (2011) 130-3903183-06 Табличка 40х20 4310-3407200-21 Насос рулевого усилителя Чертеж 4310-3407200-21 Насос рулевого усилителя
Камский автозавод 65115 (Евро-3) (2013) 130-3903183-06 Табличка 40х20 4310-3407200-21 Насос рулевого усилителя
Камский автозавод 65115, 65116 (Евро-4) (2010) 130-3903183-06 Табличка 40х20 4310-3407200-01 Насос рулевого усилителя Чертеж 4310-3407200-01 Насос рулевого усилителя
Камский автозавод 43118 (Евро 4) (2012) 130-3903183-06 Табличка 40х20 4310-3407200-01 Насос рулевого усилителя Чертеж 4310-3407200-01 Насос рулевого усилителя
ПАЗ ПАЗ-32053 (2004) 130-3407200-А Насос гидроусилителя руля в сборе Насос гидроусилителя рулевого управления
Аналоги
Гидронасос с бачком, РФ 130-3407200
Гидронасос с бачком, РФ
Каталожный номер 130-3407200
Производитель RCZP LTD RCZP LTD
Код 26358
Доставка по всей Беларуси
Доступность остатки на филиалах Остатки на филиалах
Остаток Под заказ
Товары из этой категории
Шланг высогого давления ГУР 130-3408020-Б
Шланг высогого давления ГУР
Каталожный номер 130-3408020-Б
Производитель RSTA RSTA
Код 13010
Доставка по всей Беларуси
Доступность остатки на филиалах Остатки на филиалах
Остаток: г.Минск, ул.Селицкого 21к В наличии
Склад Адрес Контакт Остатки
г. Минск ул. Селицкого, 21к +375 (44) 770-80-78 ( Средне )
Схема проезда
г. Борисов ул. Демина, 2а +375 (44) 560-99-75 ( Мало )
Схема проезда
г. Глубокое ул. Энгельса, 22 +375 (44) 505-71-40 ( Мало )
Схема проезда
г. Дрогичин ул. Юбилейная, 42 +375 (29) 682-17-13 ( Мало )
Схема проезда
г. Новогрудок ул. Индустриальная, 3 +375 (44) 729-39-19 ( Мало )
Схема проезда
г. Орша ул. Сергея Кирова, д. 34 +375 (44) 583-91-42 ( Мало )
Схема проезда
Шайба 252138 МАЗ 252138
Шайба 252138 МАЗ
Каталожный номер 252138
Производитель МАЗ МАЗ
Код 00-ГР014029
Доставка по всей Беларуси
Доступность остатки на филиалах Остатки на филиалах
Остаток: г.Минск, ул.Селицкого 21к В наличии
Склад Адрес Контакт Остатки
г. Минск ул. Селицкого, 21к +375 (44) 770-80-78 ( Много )
Схема проезда
г. Барановичи ул. Пролетарская, 40 +375 (29) 795-96-37 ( Много )
Схема проезда
г. Березино ул. Комсомольская, д. 24 +375 (44) 770-80-17 ( Средне )
Схема проезда
г. Бобруйск ул. Орловского, 22к3 +375 (29) 345-37-07 ( Много )
Схема проезда
г. Борисов ул. Демина, 2а +375 (44) 560-99-75 ( Средне )
Схема проезда
г. Брест Тельминский с/с, 1Д/1, 1 км южнее д. Тельмы-2 +375 (44) 599-90-75 ( Много )
Схема проезда
г. Витебск ул. Петруся Бровки, 34 +375 (29) 636-25-08 ( Много )
Схема проезда
г. Глубокое ул. Энгельса, 22 +375 (44) 505-71-40 ( Много )
Схема проезда
г. Дрогичин ул. Юбилейная, 42 +375 (29) 682-17-13 ( Много )
Схема проезда
г. Дятлово ул. Советская ,104 +375 (29) 187-87-37 ( Много )
Схема проезда
г. Ивацевичи ул. Загородная, 6А +375 (29) 188-59-01 ( Много )
Схема проезда
г. Лельчицы ул. Советская, д.96/1 +375 (29) 346-98-96 ( Много )
Схема проезда
г. Новогрудок ул. Индустриальная, 3 +375 (44) 729-39-19 ( Много )
Схема проезда
г. Осиповичи ул. Короткая, 11 +375 (29) 165-60-07 ( Много )
Схема проезда
г. Ошмяны ул. Льнозоводская 3 +375 (44) 770-80-91 ( Много )
Схема проезда
г. Пинск ул. Калиновского 32 +375 (44) 560-99-59 ( Много )
Схема проезда
г. Полоцк-2 ул. Шенягина, 52 +375 (29) 302-94-73 ( Много )
Схема проезда
г. Слоним ул. Советская, 93а +375 (29) 394-82-01 ( Много )
Схема проезда
г. Слуцк ул. Тутаринова, 8 +375 (29) 346-06-90 ( Много )
Схема проезда
Насос ГУР 130-3407200 (HPS13036) с бачком FENOX HPS13036
Насос ГУР 130-3407200 (HPS13036) с бачком FENOX
Каталожный номер HPS13036
Производитель FENOX FENOX
Код 00-ГР028123
Доставка по всей Беларуси
Доступность остатки на филиалах Остатки на филиалах
Остаток: г.Минск, ул.Селицкого 21к В наличии
Склад Адрес Контакт Остатки
г. Минск ул. Селицкого, 21к +375 (44) 770-80-78 ( Средне )
Схема проезда
г. Новогрудок ул. Индустриальная, 3 +375 (44) 729-39-19 ( Мало )
Схема проезда
г. Полоцк-2 ул. Шенягина, 52 +375 (29) 302-94-73 ( Мало )
Схема проезда
г. Сморгонь ул. Железнодорожная, 32 +375 (29) 671-02-10 ( Мало )
Схема проезда