Республика Беларусь,
г. Минск, ул. Селицкого 21к - центральный склад
Пн-пт с 8:00 до 17:00
Меню
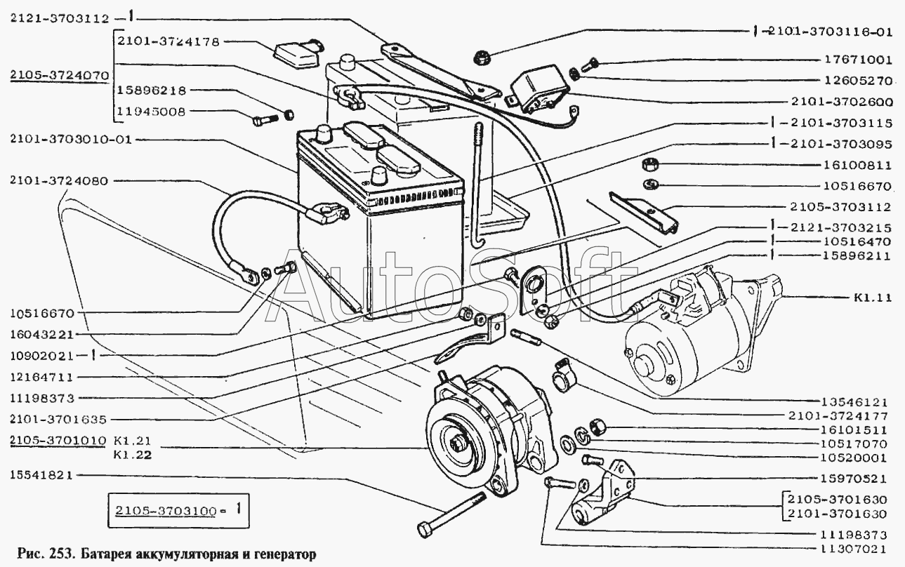
2105-3701010 Генератор 14В/52А
Наименование: Генератор 2105-3701010 14В/52А
Каталожный номер: 2105-3701010
Производитель: ВАЗ
Код товара: 48830
Доставка: по всей Беларуси
Остаток: под заказ

Нашли не точность в описании товара? сообщить администратору.

+375 (44) 770-80-78 +375 (29) 747-80-78
* Выставить счет, получить техническую информацию и стоимость
Заказать деталь Онлайн
Описание
Наличие на филиалах
Применяемость
Заменить на СТО

Генератор 2105-3701010 14В/52А производства ВАЗ (РФ), Код для заказа: 48830

Марка Модель Кат.номер Наим. по каталогу Чертеж
ВАЗ ВАЗ-2104 2105-3701010 Генератор Батарея аккумуляторная и генератор
ВАЗ ВАЗ-2105 2105-3701010 Генератор Батарея аккумуляторная и генератор Чертеж Батарея аккумуляторная и генератор
ВАЗ ВАЗ-2107 (1990) 2105-3701010 Генератор Источники тока Чертеж Источники тока
ВАЗ ВАЗ-2107 (1990) 2105-3701010-01 Генератор Источники тока Чертеж Источники тока
ВАЗ ВАЗ-2107 (1990) 2105-3701010-01 Генератор Генератор Чертеж Генератор
ВАЗ ВАЗ-2107 (1990) 2105-3701010 Генератор Генератор Чертеж Генератор
ВАЗ ВАЗ-2104, 2105 2105-3701010 Генератор Источники тока
ВАЗ ВАЗ-2105 (2002) 2105-3701010 Генератор Генератор
ВАЗ ВАЗ-2105 (2002) 2108-3701010 Генератор Генератор
ВАЗ ВАЗ-2105 (2002) 2108-3701010-01 Генератор Генератор
ВАЗ ВАЗ-2105 (2002) 2105-3701010 Генератор Источники тока
ВАЗ ВАЗ-2105 (2002) 2108-3701010 Генератор Источники тока
ВАЗ ВАЗ-2105 (2002) 2108-3701010-04 Генератор Источники тока
ВАЗ ВАЗ-2107 (2002) 2105-3701010 Генератор Генератор
ВАЗ ВАЗ-2107 (2002) 2105-3701010-01 Генератор Генератор
ВАЗ ВАЗ-2107 (2002) 2105-3701010 Генератор Источники тока
ВАЗ ВАЗ-2107 (2002) 2105-3701010-01 Генератор Источники тока
Товары из этой категории
Регулятор напряжения 778.3702-03 778.3702-03
Регулятор напряжения 778.3702-03
Каталожный номер 778.3702-03
Производитель RSTA RSTA
Код 00-ГР027429
Доставка по всей Беларуси
Доступность остатки на филиалах Остатки на филиалах
Остаток Под заказ
Рукав с 20х28,5-0,63 резиновый ГОСТ 10362-76 20х28,5-0,63
Рукав с 20х28,5-0,63 резиновый ГОСТ 10362-76
Каталожный номер 20х28,5-0,63
Производитель Резинотехника Резинотехника
Код 00-ГР027336
Доставка по всей Беларуси
Доступность остатки на филиалах Остатки на филиалах
Остаток В наличии
Склад Адрес Контакт Остатки
г. Лепель ул. Лобанка, 43 +375 (44) 778-65-21 ( Много )
Схема проезда
г. Полоцк-2 ул. Шенягина, 52 +375 (29) 302-94-73 ( Много )
Схема проезда
г. Щучин ул. Советская, 39 +375 (29) 177-29-70 ( Много )
Схема проезда
Рукав РВД 10-1SB-1300-RNM 10×1 РВД 10-1SB-1300-RNM 10x1
Рукав РВД 10-1SB-1300-RNM 10×1
Каталожный номер РВД 10-1SB-1300-RNM 10x1
Производитель Гидроресурс Гидроресурс
Код 00-ГР029092
Доставка по всей Беларуси
Доступность остатки на филиалах Остатки на филиалах
Остаток Под заказ
Замок зажигания 2101-3704000 с ключем ЗавГар 2101-3704000
Замок зажигания 2101-3704000 с ключем ЗавГар
Каталожный номер 2101-3704000
Производитель ЗавГар ЗавГар
Код 00-ГР028231
Доставка по всей Беларуси
Доступность остатки на филиалах Остатки на филиалах
Остаток: г.Минск, ул.Селицкого 21к В наличии
Склад Адрес Контакт Остатки
г. Минск ул. Селицкого, 21к +375 (44) 770-80-78 ( Много )
Схема проезда
г. Барановичи ул. Бадака, 27Б +375 (29) 350-33-47 ( Средне )
Схема проезда
г. Берёза ул. Красноармейская, 89/11 +375 (29) 676-70-71 ( Мало )
Схема проезда
г. Бобруйск ул. Гоголя, 181/1-6 +375 (29) 630-05-01 ( Средне )
Схема проезда
г. Бобруйск ул. Орловского, 22к3 +375 (29) 345-37-07 ( Мало )
Схема проезда
г. Борисов ул. Демина, 2а +375 (44) 560-99-75 ( Средне )
Схема проезда
г. Витебск ул. Правды, 33 +375 (44) 770-80-87 ( Средне )
Схема проезда
г. Витебск ул. Петруся Бровки, 34 +375 (29) 636-25-08 ( Мало )
Схема проезда
г. Глубокое ул. Энгельса, 22 +375 (44) 505-71-40 ( Много )
Схема проезда
г. Гомель ул. Барыкина, 291Б +375 (44) 514-15-30 ( Средне )
Схема проезда
г. Гродно ул. Карского, 35 +375 (44) 770-70-21 ( Средне )
Схема проезда
г. Дрогичин ул. Юбилейная, 42 +375 (29) 682-17-13 ( Средне )
Схема проезда
г. Дятлово ул. Советская ,104 +375 (29) 187-87-37 ( Средне )
Схема проезда
г. Житковичи ул. Комсомольская, 49 +375 (29) 394-82-52 ( Средне )
Схема проезда
г. Жлобин ул. Козлова, 25 +375 (29) 346-06-78 ( Средне )
Схема проезда
г. Ивацевичи ул. Загородная, 6А +375 (29) 188-59-01 ( Средне )
Схема проезда
г. Кобрин ул. Пролетарская, 177А +375 (44) 588-10-80 ( Мало )
Схема проезда
г. Лельчицы ул. Советская, д.96/1 +375 (29) 346-98-96 ( Средне )
Схема проезда
г. Лунинец ул.Красная, 175а +375 (44) 721-46-74 ( Мало )
Схема проезда
г. Могилев ул. Габровская 11Б +375 (29) 662-02-16 ( Средне )
Схема проезда
г. Мозырь промузел Козенки +375 (44) 731-94-60 ( Средне )
Схема проезда
г. Молодечно ул. Галицкого, 14 +375 (44) 567-28-47 ( Средне )
Схема проезда
г. Несвиж ул. Кутузова, 2 +375 (29) 394-82-48 ( Средне )
Схема проезда
г. Новогрудок ул. Индустриальная, 3 +375 (44) 729-39-19 ( Средне )
Схема проезда
г. Орша ул. Сергея Кирова, д. 34 +375 (44) 583-91-42 ( Средне )
Схема проезда
г. Осиповичи ул. Короткая, 11 +375 (29) 165-60-07 ( Мало )
Схема проезда
г. Ошмяны ул. Льнозоводская 3 +375 (44) 770-80-91 ( Средне )
Схема проезда
г. Петриков ул. Первомайская, 124 +375 (33) 660-06-75 ( Средне )
Схема проезда
г. Пинск ул. Калиновского 32 +375 (44) 560-99-59 ( Средне )
Схема проезда
г. Полоцк-2 ул. Шенягина, 52 +375 (29) 302-94-73 ( Средне )
Схема проезда
г. Полоцк-2 ул. Шенягина, 52 +375 (29) 302-94-73 ( Средне )
Схема проезда
г. Пружаны ул. Макаренко, 21 +375 (29) 348-83-18 ( Средне )
Схема проезда
г. Слоним ул. Советская, 93а +375 (29) 394-82-01 ( Средне )
Схема проезда
г. Слуцк ул. Тутаринова, 8 +375 (29) 346-06-90 ( Мало )
Схема проезда
г. Сморгонь ул. Железнодорожная, 32 +375 (29) 671-02-10 ( Мало )
Схема проезда
г. Столин ул. Быковского, 29 +375 (33) 304-54-36 ( Средне )
Схема проезда
г. Щучин ул. Советская, 39 +375 (29) 177-29-70 ( Мало )
Схема проезда