Республика Беларусь,
г. Минск, ул. Селицкого 21к - центральный склад
Пн-пт с 8:00 до 17:00
Меню
292957-П8 Гайка М24х1,5-4Н5Н поворотного кулака ГАЗ 31029/3302
Наименование: Гайка М24х1,5-4Н5Н 292957-П8 поворотного кулака ГАЗ 31029/3302
Каталожный номер: 292957-П8
Производитель: RSTA
Код товара: 16343
Доставка: по всей Беларуси
Остаток: под заказ

Нашли не точность в описании товара? сообщить администратору.

+375 (44) 770-80-78 +375 (29) 747-80-78
* Выставить счет, получить техническую информацию и стоимость
Заказать деталь Онлайн
Описание
Наличие на филиалах
Применяемость
Заменить на СТО

Код для заказа: 16343

Марка Модель Кат.номер Наим. по каталогу Чертеж
ГАЗ ГАЗ-14 (Чайка) (1980) 292957-П2 Гайка М24х1,5-4Н5Н Ступицы передних колес и тормоза колесные дисковые передние
ГАЗ ГАЗ-24 292957-П2 Гайка М24х1,5-4Н5Н Колеса и ступицы передних колес
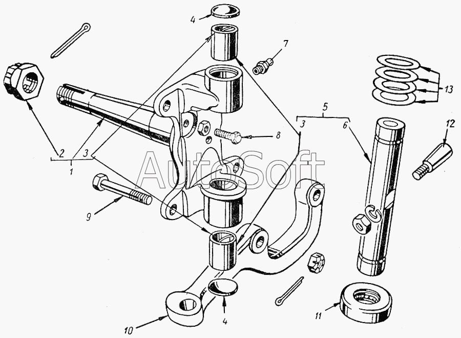
ГАЗ ГАЗ-24-10 (1995) 292957-П2 Гайка М24х1,5-4Н5Н Стойки передней подвески и поворотные кулаки Чертеж Стойки передней подвески и поворотные кулаки
ГАЗ ГАЗ-3102 (2000) 292957-П2 Гайка М24х1,5-4Н5Н Ступицы передних колес, тормоза колесные дисковые передние Чертеж Ступицы передних колес, тормоза колесные дисковые передние
ГАЗ ГАЗ-31029 292957-П2 Гайка М24х1,5-4Н5Н Стойки передней подвески и поворотные кулаки (для автомобилей с барабанными тормозами) Чертеж Стойки передней подвески и поворотные кулаки (для автомобилей с барабанными тормозами)
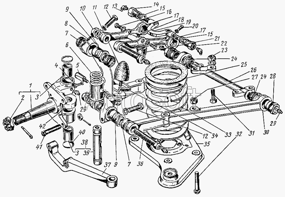
ГАЗ ГАЗ-31029 292957-П8 Гайка М24х1,5-4Н5Н Ступицы передних колес, кулаки поворотные, тормоза рабочие передние (для автомобилей с передними дисковыми тормозами) Чертеж Ступицы передних колес, кулаки поворотные, тормоза рабочие передние (для автомобилей с передними дисковыми тормозами)
ГАЗ ГАЗ-3302 (ГАЗель) 292957-П8 Гайка М24х1,5-4Н5Н Поворотные кулаки, рычаги рулевой трапеции и поворотного кулака, тяги рулевые, сошка руля Чертеж Поворотные кулаки, рычаги рулевой трапеции и поворотного кулака, тяги рулевые, сошка руля
ГАЗ ГАЗ-2705 (ГАЗель) (2000) 292957-П8 Гайка М24х1,5-4Н5Н Балка передней оси, поворотные кулаки, тяги рулевые, сошка руля Чертеж Балка передней оси, поворотные кулаки, тяги рулевые, сошка руля
ГАЗ ГАЗ-2217 (Соболь) (1999) 292957-П8 Гайка М24х1,5-4Н5Н Ступица переднего колеса с тормозным диском, скоба передних дисковых тормозов, стойка с цапфой, нижний шарнир передней подвески Чертеж Ступица переднего колеса с тормозным диском, скоба передних дисковых тормозов, стойка с цапфой, нижний шарнир передней подвески
ГАЗ ГАЗ-21 292957-П2 Гайка М24х1,5-4Н5Н Передняя подвеска в сборе
ГАЗ М20 Победа 292957-П2 Гайка М24х1,5-4Н5Н Поворотные кулаки Чертеж Поворотные кулаки
ГАЗ ГАЗ-21 (каталог 69 г.) (1969) 292957-П2 Гайка М24х1,5-4Н5Н Передняя подвеска Чертеж Передняя подвеска
ГАЗ ГАЗ-12 (ЗИМ) 292957-П2 Гайка М24х1,5-4Н5Н Поворотные кулаки Чертеж Поворотные кулаки
ГАЗ ГАЗ-3302 (2004) (2004) 292957-П8 Гайка М24х1,5-4Н5Н Балка передней оси, поворотные кулаки, тяги рулевые, сошка руля Чертеж Балка передней оси, поворотные кулаки, тяги рулевые, сошка руля
МТЗ МТЗ-822 (2008) 208117 Трос с адаптером 292957-001 Гидроагрегаты и арматура Чертеж Гидроагрегаты и арматура
МТЗ МТЗ-822 (2008) 208117 Трос с адаптером 292957-001 Гидроагрегаты и арматура Чертеж Гидроагрегаты и арматура
МТЗ МТЗ-922 (2008) 208117 Трос с адаптером 292957-001 Гидроагрегаты и арматура
МТЗ МТЗ-922 (2008) 208117 Трос с адаптером 292957-001 Гидроагрегаты и арматура Чертеж Гидроагрегаты и арматура
МТЗ МТЗ-923 (2008) 208117 Трос с адаптером 292957-001 Гидроагрегаты и арматура
МТЗ МТЗ-923 (2008) 208117 Трос с адаптером 292957-001 Гидроагрегаты и арматура Чертеж Гидроагрегаты и арматура
Товары из этой категории
Шайба 3302-3001022 регулировочная 3302-3001022
Шайба 3302-3001022 регулировочная
Каталожный номер 3302-3001022
Производитель RSTA RSTA
Код 49519
Доставка по всей Беларуси
Доступность остатки на филиалах Остатки на филиалах
Остаток В наличии
Склад Адрес Контакт Остатки
г. Брест Тельминский с/с, 1Д/1, 1 км южнее д. Тельмы-2 +375 (44) 599-90-75 ( Много )
Схема проезда
г. Пинск ул. Калиновского 32 +375 (44) 560-99-59 ( Средне )
Схема проезда
Шплинт 258025 258025
Шплинт 258025
Каталожный номер 258025
Производитель МАЗ МАЗ
Код 59673
Доставка по всей Беларуси
Доступность остатки на филиалах Остатки на филиалах
Остаток: г.Минск, ул.Селицкого 21к В наличии
Склад Адрес Контакт Остатки
г. Минск ул. Селицкого, 21к +375 (44) 770-80-78 ( Много )
Схема проезда
г. Бобруйск ул. Орловского, 22к3 +375 (29) 345-37-07 ( Много )
Схема проезда
г. Брест Тельминский с/с, 1Д/1, 1 км южнее д. Тельмы-2 +375 (44) 599-90-75 ( Много )
Схема проезда
г. Пинск ул. Калиновского 32 +375 (44) 560-99-59 ( Много )
Схема проезда
Наконечник 66-01-(3205)-3003057 рулевой тяги  левый ПАЗ (крупная резьба) 66-01-3003057
Наконечник 66-01-(3205)-3003057 рулевой тяги левый ПАЗ (крупная резьба)
Каталожный номер 66-01-3003057
Производитель Лидер Лидер
Код 00-ГР022868
Доставка по всей Беларуси
Доступность остатки на филиалах Остатки на филиалах
Остаток: г.Минск, ул.Селицкого 21к В наличии
Склад Адрес Контакт Остатки
г. Минск ул. Селицкого, 21к +375 (44) 770-80-78 ( Много )
Схема проезда
г. Витебск ул. Правды, 33 +375 (44) 770-80-87 ( Мало )
Схема проезда
г. Гродно ул. Карского, 35 +375 (44) 770-70-21 ( Мало )
Схема проезда
г. Ошмяны ул. Льнозоводская 3 +375 (44) 770-80-91 ( Мало )
Схема проезда
г. Поставы ул. Советская, 69 +375 (44) 770-80-13 ( Мало )
Схема проезда
г. Сморгонь ул. Железнодорожная, 32 +375 (29) 671-02-10 ( Мало )
Схема проезда
Ремкомплект рулевых тяг 53-3003008 (комплект 2 наконечника) Riginal RG53-3003008-01
Ремкомплект рулевых тяг 53-3003008 (комплект 2 наконечника) Riginal
Каталожный номер RG53-3003008-01
Производитель RIGINAL RIGINAL
Код 00-ГР021792
Доставка по всей Беларуси
Доступность остатки на филиалах Остатки на филиалах
Остаток: г.Минск, ул.Селицкого 21к В наличии
Склад Адрес Контакт Остатки
г. Минск ул. Селицкого, 21к +375 (44) 770-80-78 ( Много )
Схема проезда
г. Бобруйск ул. Гоголя, 181/1-6 +375 (29) 630-05-01 ( Мало )
Схема проезда
г. Бобруйск ул. Орловского, 22к3 +375 (29) 345-37-07 ( Мало )
Схема проезда
г. Борисов ул. Демина, 2а +375 (44) 560-99-75 ( Мало )
Схема проезда
г. Брест Тельминский с/с, 1Д/1, 1 км южнее д. Тельмы-2 +375 (44) 599-90-75 ( Мало )
Схема проезда
г. Витебск ул. Правды, 33 +375 (44) 770-80-87 ( Средне )
Схема проезда
г. Витебск ул. Петруся Бровки, 34 +375 (29) 636-25-08 ( Мало )
Схема проезда
г. Гомель ул. Барыкина, 291Б +375 (44) 514-15-30 ( Средне )
Схема проезда
г. Гродно ул. Карского, 35 +375 (44) 770-70-21 ( Средне )
Схема проезда
г. Кричев ул. Комсомольская, 126 +375 (29) 628-88-42 ( Мало )
Схема проезда
г. Лунинец ул.Красная, 175а +375 (44) 721-46-74 ( Средне )
Схема проезда
г. Могилев ул. Габровская 11Б +375 (29) 662-02-16 ( Средне )
Схема проезда
г. Молодечно ул. Галицкого, 14 +375 (44) 567-28-47 ( Средне )
Схема проезда
г. Орша ул. Сергея Кирова, д. 34 +375 (44) 583-91-42 ( Средне )
Схема проезда
г. Осиповичи ул. Короткая, 11 +375 (29) 165-60-07 ( Мало )
Схема проезда
г. Ошмяны ул. Льнозоводская 3 +375 (44) 770-80-91 ( Мало )
Схема проезда
г. Полоцк-2 ул. Шенягина, 52 +375 (29) 302-94-73 ( Средне )
Схема проезда
г. Пружаны ул. Макаренко, 21 +375 (29) 348-83-18 ( Средне )
Схема проезда
г. Слоним ул. Советская, 93а +375 (29) 394-82-01 ( Средне )
Схема проезда
Ремкомплект шкворня 3307-3000100 (комплект 2 шт.) Riginal RG3307-3000100
Ремкомплект шкворня 3307-3000100 (комплект 2 шт.) Riginal
Каталожный номер RG3307-3000100
Производитель RIGINAL RIGINAL
Код 00-ГР022217
Доставка по всей Беларуси
Доступность остатки на филиалах Остатки на филиалах
Остаток В наличии
Склад Адрес Контакт Остатки
г. Житковичи ул. Комсомольская, 49 +375 (29) 394-82-52 ( Средне )
Схема проезда