Республика Беларусь,
г. Минск, ул. Селицкого 21к - центральный склад
Пн-пт с 8:00 до 17:00
Меню
250909 Гайка М22х1,5-5Н6Н МАЗ
Наименование: Гайка М22х1,5-5Н6Н 250909 МАЗ
Каталожный номер: 250909
Производитель: МАЗ
Код товара: 9143
Доставка: по всей Беларуси
Остаток: под заказ

Нашли не точность в описании товара? сообщить администратору.

+375 (44) 770-80-78 +375 (29) 747-80-78
* Выставить счет, получить техническую информацию и стоимость
Заказать деталь Онлайн
Описание
Наличие на филиалах
Применяемость
Заменить на СТО

Код для заказа: 9143

Марка Модель Кат.номер Наим. по каталогу Чертеж
МАЗ МАЗ-537 250909-П2 Гайка Поворотное устройство Чертеж Поворотное устройство
МАЗ МАЗ-537 250909-П2 Гайка Рулевые тяги и поворотные рычаги Чертеж Рулевые тяги и поворотные рычаги
МАЗ МАЗ-537 250909-П2 Гайка Рулевые тяги и поворотные рычаги Чертеж Рулевые тяги и поворотные рычаги
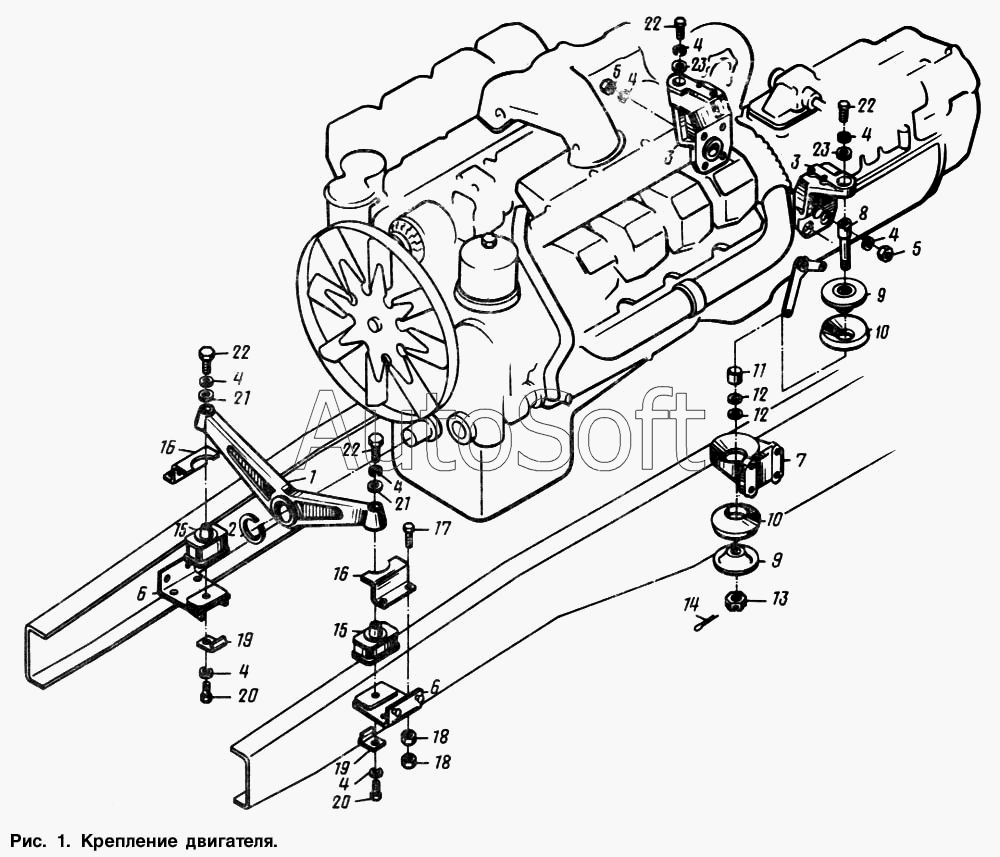
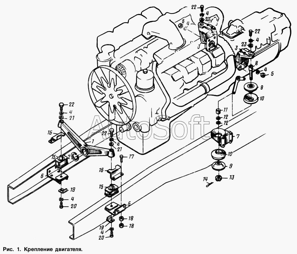
МАЗ МАЗ-54321 250909 Гайка М22х1,5-5Н6Н Крепление двигателя Чертеж Крепление двигателя
МАЗ МАЗ-5434 250909 Гайка М22х1,5-5Н6Н Крепление силового агрегата МАЗ-64255 Чертеж Крепление силового агрегата МАЗ-64255
МАЗ МАЗ-6317 250909 Гайка М22х1,5-5Н6Н Крепление двигателя Чертеж Крепление двигателя
МАЗ МАЗ-64221 250909 Гайка М22х1,5-5Н6Н Крепление двигателя Чертеж Крепление двигателя
МАЗ МАЗ-64255 250909 Гайка М22х1,5-5Н6Н Крепление силового агрегата МАЗ-64255 Чертеж Крепление силового агрегата МАЗ-64255
МЗКТ МЗКТ-65158 (1999) 250909 Гайка М22х1,5-5Н6Н Установка двигателя Чертеж Установка двигателя
МЗКТ МЗКТ-79092 (2005) 250909 Гайка М22х1,5-5Н6Н Подвеска двигателя Чертеж Подвеска двигателя
МЗКТ МЗКТ-7930-200 (2005) 250909 Гайка М22х1,5-5Н6Н Установка двигателя Чертеж Установка двигателя
МЗКТ МЗКТ-7429 (2005) 250909 Гайка М22х1,5-5Н6Н Установка двигателя
МЗКТ МЗКТ-6527 (2010) 250909 Гайка М22х1,5-5Н6Н Установка двигателя
МЗКТ МЗКТ-65151 "Волат" (2010) 250909 Гайка М22х1,5-5Н6Н Установка двигателя
БелАЗ 7522, 7540, 75401, 7523, 75231 Общий 250909 Гайка Распределитель гидравлического усилителя Чертеж Распределитель гидравлического усилителя
БелАЗ 7522 250909 Гайка Распределитель гидравлического усилителя Чертеж Распределитель гидравлического усилителя
БелАЗ 7540 250909 Гайка Распределитель гидравлического усилителя Чертеж Распределитель гидравлического усилителя
БелАЗ 75401 250909 Гайка Распределитель гидравлического усилителя
БелАЗ 7523 250909 Гайка Распределитель гидравлического усилителя Чертеж Распределитель гидравлического усилителя
БелАЗ 75231 250909 Гайка Распределитель гидравлического усилителя Чертеж Распределитель гидравлического усилителя
Товары из этой категории
Гайка М30х2  стремянки задней 6303 349600
Гайка М30х2 стремянки задней 6303
Каталожный номер 349600
Производитель Контур Сервис Метиз Контур Сервис Метиз
Код 811
Доставка по всей Беларуси
Доступность остатки на филиалах Остатки на филиалах
Остаток: г.Минск, ул.Селицкого 21к В наличии
Склад Адрес Контакт Остатки
г. Минск ул. Бабушкина, 37 +375 (29) 632-00-82 ( Средне )
Схема проезда
г. Минск ул. Селицкого, 21к +375 (44) 770-80-78 ( Много )
Схема проезда
г. Берёза ул. Красноармейская, 89/11 +375 (29) 676-70-71 ( Много )
Схема проезда
г. Борисов ул. Демина, 2а +375 (44) 560-99-75 ( Много )
Схема проезда
г. Витебск ул. Правды, 33 +375 (44) 770-80-87 ( Много )
Схема проезда
г. Глубокое ул. Энгельса, 22 +375 (44) 505-71-40 ( Много )
Схема проезда
г. Гомель ул. Барыкина, 291Б +375 (44) 514-15-30 ( Средне )
Схема проезда
г. Гомель ул. Барыкина, 291Б +375 (44) 514-15-30 ( Много )
Схема проезда
г. Дрогичин ул. Юбилейная, 42 +375 (29) 682-17-13 ( Много )
Схема проезда
г. Дятлово ул. Советская ,104 +375 (29) 187-87-37 ( Много )
Схема проезда
г. Житковичи ул. Комсомольская, 49 +375 (29) 394-82-52 ( Средне )
Схема проезда
г. Жлобин ул. Козлова, 25 +375 (29) 346-06-78 ( Много )
Схема проезда
г. Ивацевичи ул. Загородная, 6А +375 (29) 188-59-01 ( Много )
Схема проезда
г. Кобрин ул. Пролетарская, 177А +375 (44) 588-10-80 ( Много )
Схема проезда
г. Лельчицы ул. Советская, д.96/1 +375 (29) 346-98-96 ( Много )
Схема проезда
г. Лепель ул. Лобанка, 43 +375 (44) 778-65-21 ( Много )
Схема проезда
г. Лунинец ул.Красная, 175а +375 (44) 721-46-74 ( Много )
Схема проезда
г. Мозырь промузел Козенки +375 (44) 731-94-60 ( Много )
Схема проезда
г. Молодечно ул. Галицкого, 14 +375 (44) 567-28-47 ( Много )
Схема проезда
г. Несвиж ул. Кутузова, 2 +375 (29) 394-82-48 ( Много )
Схема проезда
г. Осиповичи ул. Короткая, 11 +375 (29) 165-60-07 ( Много )
Схема проезда
г. Ошмяны ул. Льнозоводская 3 +375 (44) 770-80-91 ( Много )
Схема проезда
г. Петриков ул. Первомайская, 124 +375 (33) 660-06-75 ( Средне )
Схема проезда
г. Пинск ул. Калиновского 32 +375 (44) 560-99-59 ( Много )
Схема проезда
г. Полоцк-2 ул. Шенягина, 52 +375 (29) 302-94-73 ( Много )
Схема проезда
г. Полоцк-2 ул. Шенягина, 52 +375 (29) 302-94-73 ( Много )
Схема проезда
г. Поставы ул. Советская, 69 +375 (44) 770-80-13 ( Много )
Схема проезда
г. Пружаны ул. Макаренко, 21 +375 (29) 348-83-18 ( Много )
Схема проезда
г. Слоним ул. Советская, 93а +375 (29) 394-82-01 ( Много )
Схема проезда
г. Слуцк ул. Тутаринова, 8 +375 (29) 346-06-90 ( Много )
Схема проезда
г. Сморгонь ул. Железнодорожная, 32 +375 (29) 671-02-10 ( Много )
Схема проезда
г. Солигорск Чижевичский сельсовет, 3Г +375 (29) 899-58-52 ( Много )
Схема проезда
г. Столин ул. Быковского, 29 +375 (33) 304-54-36 ( Много )
Схема проезда
г. Щучин ул. Советская, 39 +375 (29) 177-29-70 ( Средне )
Схема проезда
Гайка М45х3  петли евро 375142-01
Гайка М45х3 петли евро
Каталожный номер 375142-01
Производитель МАЗ МАЗ
Код 4114
Доставка по всей Беларуси
Доступность остатки на филиалах Остатки на филиалах
Остаток: г.Минск, ул.Селицкого 21к В наличии
Склад Адрес Контакт Остатки
г. Минск ул. Селицкого, 21к +375 (44) 770-80-78 ( Средне )
Схема проезда
г. Березино ул. Комсомольская, д. 24 +375 (44) 770-80-17 ( Мало )
Схема проезда
г. Берёза ул. Красноармейская, 89/11 +375 (29) 676-70-71 ( Средне )
Схема проезда
г. Борисов ул. Демина, 2а +375 (44) 560-99-75 ( Средне )
Схема проезда
г. Горки ул.Мира, д.51а/1 +375 (44) 565-33-61 ( Средне )
Схема проезда
г. Ивацевичи ул. Загородная, 6А +375 (29) 188-59-01 ( Мало )
Схема проезда
г. Лельчицы ул. Советская, д.96/1 +375 (29) 346-98-96 ( Средне )
Схема проезда
г. Лепель ул. Лобанка, 43 +375 (44) 778-65-21 ( Средне )
Схема проезда
г. Мозырь промузел Козенки +375 (44) 731-94-60 ( Средне )
Схема проезда
г. Полоцк-2 ул. Шенягина, 52 +375 (29) 302-94-73 ( Средне )
Схема проезда
г. Полоцк-2 ул. Шенягина, 52 +375 (29) 302-94-73 ( Мало )
Схема проезда
г. Слоним ул. Советская, 93а +375 (29) 394-82-01 ( Мало )
Схема проезда
г. Слуцк ул. Тутаринова, 8 +375 (29) 346-06-90 ( Мало )
Схема проезда
г. Сморгонь ул. Железнодорожная, 32 +375 (29) 671-02-10 ( Много )
Схема проезда
г. Солигорск Чижевичский сельсовет, 3Г +375 (29) 899-58-52 ( Мало )
Схема проезда
г. Столин ул. Быковского, 29 +375 (33) 304-54-36 ( Средне )
Схема проезда
Болт М12-6gх40 201544 201544
Болт М12-6gх40 201544
Каталожный номер 201544
Производитель МАЗ МАЗ
Код 6569
Доставка по всей Беларуси
Доступность остатки на филиалах Остатки на филиалах
Остаток: г.Минск, ул.Селицкого 21к В наличии
Склад Адрес Контакт Остатки
г. Минск ул. Селицкого, 21к +375 (44) 770-80-78 ( Много )
Схема проезда
г. Бобруйск ул. Орловского, 22к3 +375 (29) 345-37-07 ( Много )
Схема проезда
г. Витебск ул. Петруся Бровки, 34 +375 (29) 636-25-08 ( Много )
Схема проезда
г. Полоцк-2 ул. Шенягина, 52 +375 (29) 302-94-73 ( Много )
Схема проезда
Хомут 16-27 универсальный AM-35-005
Хомут 16-27 универсальный
Каталожный номер AM-35-005
Производитель Автомагнат Автомагнат
Код 28847
Доставка по всей Беларуси
Доступность остатки на филиалах Остатки на филиалах
Остаток В наличии
Склад Адрес Контакт Остатки
г. Барановичи ул. Пролетарская, 40 +375 (29) 795-96-37 ( Много )
Схема проезда
г. Брест Тельминский с/с, 1Д/1, 1 км южнее д. Тельмы-2 +375 (44) 599-90-75 ( Много )
Схема проезда
г. Кобрин ул. Пролетарская, 177А +375 (44) 588-10-80 ( Мало )
Схема проезда
г. Кричев ул. Комсомольская, 126 +375 (29) 628-88-42 ( Много )
Схема проезда
г. Несвиж ул. Кутузова, 2 +375 (29) 394-82-48 ( Много )
Схема проезда
Хомут 32-50 AM-35-009
Хомут 32-50
Каталожный номер AM-35-009
Производитель Автомагнат Автомагнат
Код 8241
Доставка по всей Беларуси
Доступность остатки на филиалах Остатки на филиалах
Остаток В наличии
Склад Адрес Контакт Остатки
г. Березино ул. Комсомольская, д. 24 +375 (44) 770-80-17 ( Много )
Схема проезда
г. Глубокое ул. Энгельса, 22 +375 (44) 505-71-40 ( Мало )
Схема проезда
г. Кобрин ул. Пролетарская, 177А +375 (44) 588-10-80 ( Много )
Схема проезда
г. Несвиж ул. Кутузова, 2 +375 (29) 394-82-48 ( Много )
Схема проезда
г. Орша ул. Сергея Кирова, д. 34 +375 (44) 583-91-42 ( Много )
Схема проезда
г. Слоним ул. Советская, 93а +375 (29) 394-82-01 ( Много )
Схема проезда
г. Столин ул. Быковского, 29 +375 (33) 304-54-36 ( Много )
Схема проезда