Республика Беларусь,
г. Минск, ул. Селицкого 21к - центральный склад
Пн-пт с 8:00 до 17:00
Меню
5511-2919031 Гайка крепления реактивного пальца
Наименование: Гайка 5511-2919031 крепления реактивного пальца
Каталожный номер: 5511-2919031
Производитель: RSTA
Код товара: 12876
Доставка: по всей Беларуси
Остаток: под заказ

Нашли не точность в описании товара? сообщить администратору.

+375 (44) 770-80-78 +375 (29) 747-80-78
* Выставить счет, получить техническую информацию и стоимость
Заказать деталь Онлайн
Описание
Наличие на филиалах
Применяемость
Заменить на СТО

БС вес: 0,15 на 17.03.2020

Код для заказа: 12876

Марка Модель Кат.номер Наим. по каталогу Чертеж
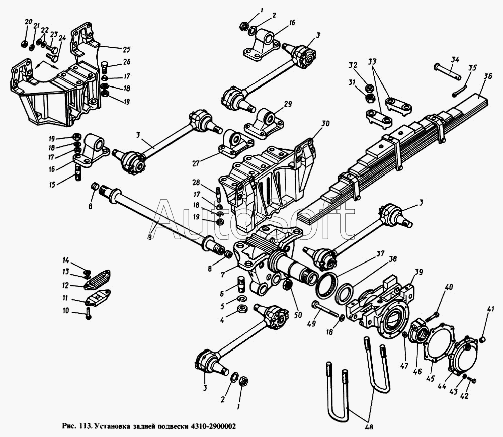
Камский автозавод 4310 5511-2919031 Гайка М30х1,5-6Н Установка задней подвески Чертеж Установка задней подвески
Камский автозавод 5320 5511-2919031 Гайка М30х1,5-6Н Штанга реактивная задней подвески Чертеж Штанга реактивная задней подвески
Камский автозавод 53212 5511-2919031 Гайка М30х1,5-6Н Штанга реактивная задней подвески Чертеж Штанга реактивная задней подвески
Камский автозавод 5410 5511-2919031 Гайка М30х1,5-6Н Штанга реактивная задней подвески Чертеж Штанга реактивная задней подвески
Камский автозавод 54112 5511-2919031 Гайка М30х1,5-6Н Штанга реактивная задней подвески Чертеж Штанга реактивная задней подвески
Камский автозавод 5511 (2003) 5511-2919031 Гайка М30х1,5-6Н Штанга реактивная задней подвески Чертеж Штанга реактивная задней подвески
Камский автозавод 55102 5511-2919031 Гайка М30х1,5-6Н Штанга реактивная задней подвески Чертеж Штанга реактивная задней подвески
Камский автозавод Общий (5320, 53212, 5410, 54112, 5511, 55102) 5511-2919031 Гайка М30х1,5-6Н Штанга реактивная задней подвески Чертеж Штанга реактивная задней подвески
Камский автозавод 65115 (2001) 5511-2919031 Гайка М30х1,5-6Н Подвеска задняя в сборе (53215, 54115, 55111, 65115) Чертеж Подвеска задняя в сборе (53215, 54115, 55111, 65115)
Камский автозавод 43101 5511-2919031 Гайка М30х1,5-6Н Установка задней подвески 4310-2900002 Чертеж Установка задней подвески 4310-2900002
Камский автозавод 4310 5511-2919031 Гайка М30х1,5-6Н Установка задней подвески Чертеж Установка задней подвески
Товары из этой категории
Лист 4310-2912112 задней рессоры ЧМЗ 4310-2912112
Лист 4310-2912112 задней рессоры ЧМЗ
Каталожный номер 4310-2912112
Производитель ЧМЗ ЧМЗ
Код 29112
Доставка по всей Беларуси
Доступность остатки на филиалах Остатки на филиалах
Остаток: г.Минск, ул.Селицкого 21к В наличии
Склад Адрес Контакт Остатки
г. Минск ул. Селицкого, 21к +375 (44) 770-80-78 ( Мало )
Схема проезда
Вкладыш наружный 5511-2919040
Вкладыш наружный
Каталожный номер 5511-2919040
Производитель РФ РФ
Код 15082
Доставка по всей Беларуси
Доступность остатки на филиалах Остатки на филиалах
Остаток В наличии
Склад Адрес Контакт Остатки
г. Мозырь промузел Козенки +375 (44) 731-94-60 ( Мало )
Схема проезда
Гайка М24х1,5-6Н 853514
Гайка М24х1,5-6Н
Каталожный номер 853514
Производитель РФ РФ
Код 22606
Доставка по всей Беларуси
Доступность остатки на филиалах Остатки на филиалах
Остаток В наличии
Склад Адрес Контакт Остатки
г. Витебск ул. Петруся Бровки, 34 +375 (29) 636-25-08 ( Мало )
Схема проезда
Пружина реактивной штанги 5320-2919065
Пружина реактивной штанги
Каталожный номер 5320-2919065
Производитель RSTA RSTA
Код 15540
Доставка по всей Беларуси
Доступность остатки на филиалах Остатки на филиалах
Остаток В наличии
Склад Адрес Контакт Остатки
г. Гродно ул. Карского, 35 +375 (44) 770-70-21 ( Мало )
Схема проезда
Стремянка передней рессоры 65115-2902408
Стремянка передней рессоры
Каталожный номер 65115-2902408
Производитель КММЗ КММЗ
Код 25771
Доставка по всей Беларуси
Доступность остатки на филиалах Остатки на филиалах
Остаток: г.Минск, ул.Селицкого 21к В наличии
Склад Адрес Контакт Остатки
г. Минск ул. Селицкого, 21к +375 (44) 770-80-78 ( Средне )
Схема проезда
г. Осиповичи ул. Короткая, 11 +375 (29) 165-60-07 ( Средне )
Схема проезда
г. Пинск ул. Калиновского 32 +375 (44) 560-99-59 ( Средне )
Схема проезда