Республика Беларусь,
г. Минск, ул. Селицкого 21к - центральный склад
Пн-пт с 8:00 до 17:00
Меню
250689 Гайка БААЗ,Барановичи
Наименование: Гайка БААЗ,Барановичи
Каталожный номер: 250689
Код товара: 250689
Доставка: по всей Беларуси
Остаток: под заказ 1-45 дней

Нашли не точность в описании товара? сообщить администратору.

+375 (44) 770-80-78 +375 (29) 747-80-78
* Выставить счет, получить техническую информацию и стоимость
Заказать деталь Онлайн
Описание
Наличие на филиалах
Применяемость
Заменить на СТО

250689 Гайка.

  • Производитель: БААЗ,Барановичи
  • Каталожный номер по заводу: 250689
  • Код для заказа:  250689
Марка Модель Кат.номер Наим. по каталогу Чертеж
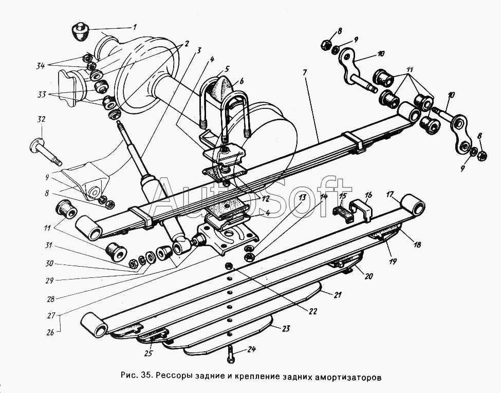
ГАЗ ГАЗ-24 250689-П29 Гайка М12х1,25-6Н Задние рессоры
ГАЗ ГАЗ-24-10 (1995) 250689-П29 Гайка М12х1,25-6Н Рессоры задние и крепление задних амортизаторов Чертеж Рессоры задние и крепление задних амортизаторов
ГАЗ ГАЗ-3102 (2000) 250689-П29 Гайка М12х1,25-6Н Рессоры задние и крепление задних амортизаторов Чертеж Рессоры задние и крепление задних амортизаторов
ГАЗ ГАЗ-31029 250689-П29 Гайка М12х1,25-6Н Рессоры задние и крепление задних амортизаторов Чертеж Рессоры задние и крепление задних амортизаторов
ГАЗ ГАЗ-3110 250689-П29 Гайка М12х1,25-6Н Рессора задней подвески, крепление амортизатора
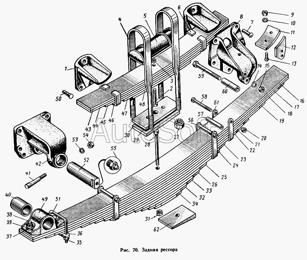
МАЗ МАЗ-500А 250689-П29 Гайка Задняя рессора Чертеж Задняя рессора
МАЗ МАЗ-503А 250689-П29 Гайка Задняя рессора Чертеж Задняя рессора
МАЗ МАЗ-504А 250689-П29 Гайка Задняя рессора
МАЗ МАЗ-537 250689-П8 Гайка Промежуточный карданный вал Чертеж Промежуточный карданный вал
МАЗ МАЗ-537 250689-П8 Гайка Кожух лебедки автомобиля МАЗ-537Г Чертеж Кожух лебедки автомобиля МАЗ-537Г
МАЗ МАЗ-53363 250689 Гайка М12х1,25-6Н Тяга продольная рулевая
МАЗ МАЗ-53363 250689 Гайка М12х1,25-6Н Тяга поперечная рулевая Чертеж Тяга поперечная рулевая
МАЗ МАЗ-53366 250689 Гайка М12х1,25-6Н Тяга продольная рулевая Чертеж Тяга продольная рулевая
МАЗ МАЗ-53366 250689 Гайка М12х1,25-6Н Тяга поперечная рулевая Чертеж Тяга поперечная рулевая
МАЗ МАЗ-5337 250689 Гайка М12х1,25-6Н Тяга продольная рулевая Чертеж Тяга продольная рулевая
МАЗ МАЗ-5337 250689 Гайка М12х1,25-6Н Тяга поперечная рулевая Чертеж Тяга поперечная рулевая
МАЗ МАЗ-53371 250689 Гайка М12х1,25-6Н Тяга продольная рулевая
МАЗ МАЗ-53371 250689 Гайка М12х1,25-6Н Тяга поперечная рулевая
МАЗ МАЗ-54321 250689 Гайка М12х1,25-6Н Тяга продольная рулевая Чертеж Тяга продольная рулевая
МАЗ МАЗ-54321 250689 Гайка М12х1,25-6Н Тяга поперечная рулевая Чертеж Тяга поперечная рулевая
Товары из этой категории
Накладка  МАЗ ОАО 101-5409251
Накладка МАЗ ОАО
Каталожный номер 101-5409251
Производитель
Код 1015409251
Доставка по всей Беларуси
Остаток Под заказ
Втулка  ОЗАА,Осиповичи 941-2919028-11
Втулка ОЗАА,Осиповичи
Каталожный номер 941-2919028-11
Производитель
Код 941291902811
Доставка по всей Беларуси
Остаток Под заказ
Фиксатор левый сб.  ТАИМ,Бобруйск 64226-3501181
Фиксатор левый сб. ТАИМ,Бобруйск
Каталожный номер 64226-3501181
Производитель
Код 642263501181
Доставка по всей Беларуси
Остаток Под заказ
Прокладка регулировочная  МАЗ ОАО 6430-2509076
Прокладка регулировочная МАЗ ОАО
Каталожный номер 6430-2509076
Производитель
Код 64302509076
Доставка по всей Беларуси
Остаток Под заказ
Петля кронштейна фары  МАЗ ОАО 64221-3711047
Петля кронштейна фары МАЗ ОАО
Каталожный номер 64221-3711047
Производитель
Код 642213711047
Доставка по всей Беларуси
Остаток Под заказ