53-2401054-01 Гайка ступицы внутренняя
| Наименование: | Гайка 53-2401054-01 ступицы внутренняя |
| Каталожный номер: | 53-2401054-01 |
| Производитель: |
|
| Код товара: | 00-ГР015609 |
| Доставка: | по всей Беларуси |
| Остаток: | под заказ |
Нашли не точность в описании товара? сообщить администратору.
* Выставить счет, получить техническую информацию и стоимость
Заказать деталь Онлайн
Описание
Наличие на филиалах
Применяемость
Заменить на СТО
Email
ras.Drenchik@gmail.com
Email
ras.Drobot@gmail.com
Email
ras.Rozhkov@gmail.com
Email
los.Konoda@gmail.com
Email
ras.titenkova@gmail.com
Email
ras.Abramovich@gmail.com
Email
pinsk.sto@gmail.com
Email
sto.Polock@snabavto.by
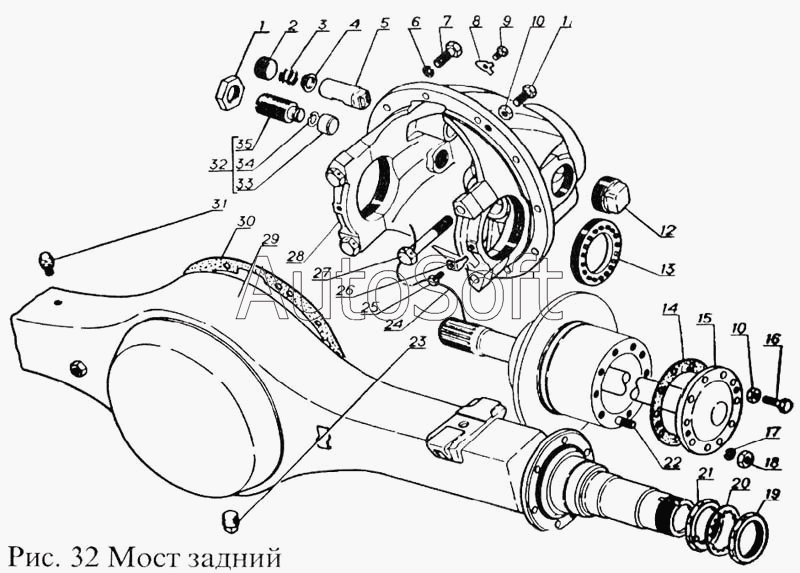
Гайка 53-2401054-01 ступицы внутренняя производства RSTA (РФ), Код для заказа: 00-ГР015609
| Марка | Модель | Кат.номер | Наим. по каталогу | Чертеж | |
|---|---|---|---|---|---|
| ГАЗ | ГАЗ-3302 (ГАЗель) | 3302-2401054 | Гайка наружная | Полуось, ступица с барабаном, тормоза рабочие задние |
|
| ГАЗ | ГАЗ-2705 (ГАЗель) (2000) | 3302-2401054 | Гайка наружная | Мост задний, картер моста, полуоси |
|
| ГАЗ | ГАЗ-2217 (Соболь) (1999) | 3302-2401054 | Гайка наружная | Мост задний, картер моста, полуоси |
|
| ГАЗ | ГАЗ-3306 (1994) | 53-2401054-01 | Гайка подшипников ступицы заднего колеса со штифтом в сборе | Мост задний | |
| ГАЗ | ГАЗ-3307 (2000) | 53-2401054-01 | Гайка подшипников ступицы заднего колеса со штифтом в сборе | Мост задний | |
| ГАЗ | ГАЗ-3309 | 53-2401054-01 | Гайка подшипников ступицы заднего колеса со штифтом в сборе | Мост задний, картер моста, картер главной передачи, полуоси | |
| ГАЗ | ГАЗ-4301 | 53-2401054-01 | Гайка подшипников ступицы заднего колеса со штифтом в сборе | Картер, редуктор, полуось заднего моста и крепление ступиц, тормозных барабанов задних колес |
|
| ГАЗ | ГАЗ-52-01 | 51-2401054 | Гайка подшипника ступицы заднего колеса в сборе | Картер и кожухи полуосей | |
| ГАЗ | ГАЗ-53 А (1989) | 53-2401054 | Гайка подшипников ступицы заднего колеса со штифтом в сборе | Мост задний |
|
| ГАЗ | ГАЗ-66 (Каталог 1983 г.) (1983) | 53-2401054 | Гайка подшипников ступицы заднего колеса со штифтом в сборе | Передний и задний мосты | |
| ГАЗ | ГАЗ-66 (Каталог 1983 г.) (1983) | 53-2401054 | Гайка подшипников ступицы заднего колеса со штифтом в сборе | Поворотные кулаки | |
| ГАЗ | ГАЗ-66 (Каталог 1996 г.) (1996) | 53-2401054-01 | Гайка подшипников ступицы заднего колеса со штифтом в сборе | Кулаки поворотные и цапфы переднего моста | |
| ГАЗ | ГАЗ-66 (Каталог 1996 г.) (1996) | 53-2401054-01 | Гайка подшипников ступицы заднего колеса со штифтом в сборе | Мост задний 66-02-2400012, полуоси и цапфы заднего моста | |
| МАЗ | МАЗ-5434 | 54321-2401054 | Корпус клапана | Коробка отбора мощности |
|
| МАЗ | МАЗ-6317 | 54321-2401054 | Корпус клапана | Коробка отбора мощности |
|
| МАЗ | МАЗ-64255 | 54321-2401054 | Корпус клапана | Коробка отбора мощности |
|
| ЛАЗ | ЛАЗ 695Б | 120-2401054 | Гайка подшипников ступицы колеса внутренняя со штифтом в сборе | Тормозной барабан, тормоза и ступица заднего колеса | |
| ПАЗ | ПАЗ-3205 (2001) | 53-2401054-01 | Гайка подшипника ступицы заднего колеса со штифтом | Мост задний |
|
| КАВЗ | КАВЗ-685 (1971) | 53-2401054 | Гайка подшипников ступицы заднего колеса со сштифтом в сборе | Задний мост, дифференциал и полуоси |
|
| ЗИЛ | ЗИЛ-431410 (130) | 130-2401054 | Гайка подшипника ступицы колеса внутренняя со штифтом | Картер полуоси и дифференциал заднего моста автомобиля с двойной главной передачей |
|
Под заказ
Товары из этой категории
| Датчик давления | |
| Каталожный номер | CRTR0123188 |
| Производитель |
|
| Код | 32163 |
| Доставка | по всей Беларуси |
| Доступность | остатки на филиалах |
| Остаток: г.Минск, ул.Селицкого 21к | В наличии |
| Склад | Адрес | Контакт | Остатки | |
|---|---|---|---|---|
| г. Минск | ул. Селицкого, 21к | +375 (44) 770-80-78 |
( Средне )
|
Схема проезда |
| г. Березино | ул. Комсомольская, д. 24 | +375 (44) 770-80-17 |
( Мало )
|
Схема проезда |
| г. Витебск | ул. Правды, 33 | +375 (44) 770-80-87 |
( Средне )
|
Схема проезда |
| г. Гомель | ул. Барыкина, 291Б | +375 (44) 514-15-30 |
( Мало )
|
Схема проезда |
| г. Гомель | ул. Барыкина, 291Б | +375 (44) 514-15-30 |
( Мало )
|
Схема проезда |
| г. Горки | ул.Мира, д.51а/1 | +375 (44) 565-33-61 |
( Мало )
|
Схема проезда |
| г. Гродно | ул. Карского, 35 | +375 (44) 770-70-21 |
( Мало )
|
Схема проезда |
| г. Дятлово | ул. Советская ,104 | +375 (29) 187-87-37 |
( Мало )
|
Схема проезда |
| г. Кричев | ул. Комсомольская, 126 | +375 (29) 628-88-42 |
( Мало )
|
Схема проезда |
| г. Лельчицы | ул. Советская, д.96/1 | +375 (29) 346-98-96 |
( Мало )
|
Схема проезда |
| г. Новогрудок | ул. Индустриальная, 3 | +375 (44) 729-39-19 |
( Мало )
|
Схема проезда |
| г. Осиповичи | ул. Короткая, 11 | +375 (29) 165-60-07 |
( Мало )
|
Схема проезда |
| г. Ошмяны | ул. Льнозоводская 3 | +375 (44) 770-80-91 |
( Мало )
|
Схема проезда |
| Датчик 110308-0239010 давления и температуры PEKAR | |
| Каталожный номер | 110308-0239010 |
| Производитель |
|
| Код | 00-ГР019300 |
| Доставка | по всей Беларуси |
| Доступность | остатки на филиалах |
| Остаток | Под заказ |
| Датчик уровня топлива | |
| Каталожный номер | 61.3827 |
| Производитель |
|
| Код | 00-ГР006636 |
| Доставка | по всей Беларуси |
| Доступность | остатки на филиалах |
| Остаток: г.Минск, ул.Селицкого 21к | В наличии |
| Склад | Адрес | Контакт | Остатки | |
|---|---|---|---|---|
| г. Минск | ул. Селицкого, 21к | +375 (44) 770-80-78 |
( Средне )
|
Схема проезда |
| г. Витебск | ул. Правды, 33 | +375 (44) 770-80-87 |
( Мало )
|
Схема проезда |
| г. Новогрудок | ул. Индустриальная, 3 | +375 (44) 729-39-19 |
( Мало )
|
Схема проезда |
| г. Ошмяны | ул. Льнозоводская 3 | +375 (44) 770-80-91 |
( Мало )
|
Схема проезда |
| г. Полоцк-2 | ул. Шенягина, 52 | +375 (29) 302-94-73 |
( Мало )
|
Схема проезда |
| г. Слоним | ул. Советская, 93а | +375 (29) 394-82-01 |
( Мало )
|
Схема проезда |
| Датчик давления масла | |
| Каталожный номер | 6002.3829 |
| Производитель |
|
| Код | 36479 |
| Доставка | по всей Беларуси |
| Доступность | остатки на филиалах |
| Остаток | В наличии |
| Склад | Адрес | Контакт | Остатки | |
|---|---|---|---|---|
| г. Ивацевичи | ул. Загородная, 6А | +375 (29) 188-59-01 |
( Мало )
|
Схема проезда |
| Приемник указателя уровня топлива | |
| Каталожный номер | 34.3806 |
| Производитель |
|
| Код | 49262 |
| Доставка | по всей Беларуси |
| Доступность | остатки на филиалах |
| Остаток: г.Минск, ул.Селицкого 21к | В наличии |
| Склад | Адрес | Контакт | Остатки | |
|---|---|---|---|---|
| г. Минск | ул. Селицкого, 21к | +375 (44) 770-80-78 |
( Мало )
|
Схема проезда |
| г. Витебск | ул. Правды, 33 | +375 (44) 770-80-87 |
( Мало )
|
Схема проезда |
| г. Дятлово | ул. Советская ,104 | +375 (29) 187-87-37 |
( Мало )
|
Схема проезда |
| г. Кричев | ул. Комсомольская, 126 | +375 (29) 628-88-42 |
( Средне )
|
Схема проезда |
Политика обработки файлов cookie
На сайте snabavto.by используются файлы cookie для сбора обезличенной информации о пользователях. Это помогает нам анализировать статистику, совершенствовать сервис и делать его более удобным для вас. Подробнее о файлах cookie вы можете узнать в соответствующем разделе Политики обработки файлов cookie.
Ремавтоснаб